临近带电体作业安全管理办法.docx

上传人:p** 文档编号:609616 上传时间:2023-12-02 格式:DOCX 页数:8 大小:33.31KB
下载 相关 举报
临近带电体作业安全管理办法.docx_第1页
第1页 / 共8页
临近带电体作业安全管理办法.docx_第2页
第2页 / 共8页
临近带电体作业安全管理办法.docx_第3页
第3页 / 共8页
临近带电体作业安全管理办法.docx_第4页
第4页 / 共8页
临近带电体作业安全管理办法.docx_第5页
第5页 / 共8页
临近带电体作业安全管理办法.docx_第6页
第6页 / 共8页
临近带电体作业安全管理办法.docx_第7页
第7页 / 共8页
临近带电体作业安全管理办法.docx_第8页
第8页 / 共8页
亲,该文档总共8页,全部预览完了,如果喜欢就下载吧!
资源描述

《临近带电体作业安全管理办法.docx》由会员分享,可在线阅读,更多相关《临近带电体作业安全管理办法.docx(8页珍藏版)》请在第壹文秘上搜索。

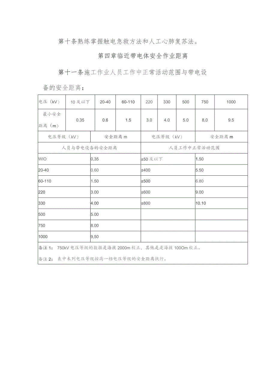
1、临近带电体作业安全管理办法第一章总则第一条电力工程施工过程中,临近带电体等危险性作业频繁,危险点较多,为了有效防范事故的发生,制定本管理办法。第二章职责第二条安全管理部门负责对临近带电体作业安全措施落实情况的监督、检查。第三条临近带电体作业的单位负责编制专项施工方案并向作业人员进行技术交底,并办理安全施工作业票或工作票(调试运行阶段)。第四条工程管理部门对本单位的临近带电体作业方案进行审批,过程中实施监督检查。第三章临近带电体工作人员的基本要求第五条带电作业人员应身体健康,无妨碍工作的病症,能适应高空作业。第六条具有一定的电气和带电作业知识,具有带电作业基础理论和实际操作水平。第七条电气作业人

2、员应持证上岗,有较强的组织纪律性和工作责任心。第八条应熟悉作业工具的名称、原理、结构、性能和试验标准。第九条熟悉作业项目的操作方法、程序、工艺和注意事项。第十条熟练掌握触电急救方法和人工心肺复苏法。第四章临近带电体安全作业距离第十一条施工作业人员工作中正常活动范围与带电设备的安全距离:电压(kV)10及以下20-4060-1102203305007501000最小安全距离(m)0.350.61.53.04.05.08,09.5电压等级(kV)安全距离m电压等级(kV)安全距离m人员与带电设备的安全距离人员工作中正常活动范围WIO0,3550及以下1.5020-400.604005.5060-1

3、101.505006.802203.006009.003304.0080010.105005.007508.0010009,50备注1:备注2:750kV电压等级的数据是海拔2000m校正,其他是是海拔100Om校正。表中未列电压等级按高一档电压等级的安全距离执行。第十二条施工机械操作正常活动范围与带电设备、架空线路的最小安全距离:电压等级(kV)安全距离Iil电压等级(kV)安全距离m施工机械操与带电设备的安全距离施工机械操与带电设备正常活动范围10工OO+50及以下4.5020-404.OO4008.5060-1104.5050010.OO2206.OO60012.OO3307.OO800

4、13.105008.OO75011.00100O13.50备注1:75OkV电压等级的数据是海拔200Om校正,其他是是海拔IoOOm校正。备注2:表中未列电压等级按高一档电压等级的安全距离执行。第十三条跨越架与带电体的最小安全距离:跨越架部位被跨越电力线电压等级(kV)103566-110220330500架面(含拉线)与导线的水平距离(m)L5LA上口2.55.Cl6.0无地线时,封顶网(杆)与导线的垂直距离(m)1.51.52.02.54.05.0有地线时,封顶网(杆)与地线的垂直距离(m)0.50.51.01.52.63.6第十四条在带电体附近进行高处作业时与带电体的最小安全距离:带电

5、体电压等级(kV)103566-110220330500工器具、安装构件、导线、地线与带电体的距离(m)2.03.54.05.06.07.0作业人员的活动范围与带电体的距离(m)1.72.O2.54.05.06.0整体组立杆塔与带电体的距离(m)应大于倒杆距离(自杆塔边缘到带电体的最近侧为最小安全距离)第十五条车辆(包括装载物)外轮廓至无围栏带电部分之间的安全距离:交流电压等级(kV)安全距离m直流电压等级(kV)安全距离m101.0550及以下1.6520-401.154005.5060-110L755005.602202,25600&OO3303.258009.OO5004,557506.

6、70100O8.25备注1:75OkV电压等级的数据是海拔200Om校正,其他是是海拔100Om校正。备注2:表中未列电压等级按高一档电压等级的安全距离执行。第十六条脚手架与带电体的最小安全距离电压等级(k,)安全距离m电压等级(kV)安全距离m沿垂直方向沿水平方向沿垂直方向沿水平方向103.OO1.5050及以下5.OOLOO20-404.OO2.OO4008.508.OO60-1105.004.OO50010.OO10.OO2206OO5,5060012.OO12.OO3307.OO6.5080013.OO13.OO5008.508.OO75011.0011.00100O13.OO13.O

7、O备注1:75OkV电压等级的数据是海拔200Om校正,其他是是海拔Iooom校正。备注2:表中未列电压等级按高一档电压等级的安全距离执行。第十七条高处作业与带电体的最小安全距离:带电导体的电压等级kV103566S110220330500工器具、安装构建、导线、地线与带电体的距离(m)2.03.54.05.06.07.0作业人员的活动范围与带电体的距离(m)1.72.02.54.05.06.0整体组立杆塔与带电体的距离(m)应大于倒杆距离(自杆塔边缘到带电体的最近侧为最小安全距离)第十八条起重机械与带电体的最小安全距离电压等级kV安全距离5)沿垂直方向沿水平方向103.OO1.5020s40

8、4.OO2.OO60SlIO5.OO4.OO2206.OO5.503307.OO6.505008.508.OO75011.00ILOO100O13.OO13.OO50及以下5.OO1.OO4008.508.OO50010.OO10.OO60012.OO12.OO80013.OO13.OO备注1:75OkV电压等级的数据是海拔200Om校正,其他是是海拔100Om校正。第十九条临时设施与电力线交叉时最小垂直距离:线路电压kVSo3566SlIO最小垂直距离345第五章临近带电体作业安全要求第二十条临近带电体作业应在良好天气下进行。如遇雷、雨、雪、雾不得进行作业,风力大于5级时,不得进行带电作业。

9、第二十一条临近带电体作业必须办理安全施工作业票。临近带电体作业工作票签发人和工作负责人应具有带电作业实践经验。第二十二条临近带电体作业必须设专人监护。监护人应由有带电作业实践经验的人员担任。监护人不得直接操作。监护的范围不得超过一个作业点。复杂的或高杆塔上的作业应增设(塔上)监护人。第二十三条在临近带电体作业过程中如设备突然停电,作业人员应视设备仍然带电。第二十四条在220KV及以上电压等级运行区进行下列作业时应采取防止静电感应或电击的安全措施:a)攀登构架或设备。b)传递非绝缘的工具、非绝缘材料。C)2人及2人以上抬、搬物件。d)传递临时试验线路或其他导线及拆装接头。第二十五条在部分带电的盘

10、上作业时:a)必须了解盘内带电系统的情况。b)应穿工作服、戴工作帽,穿绝缘鞋并站在绝缘垫上,严禁穿背心,短裤作业。c)工具手柄必须绝缘良好。d)必须设监护人。第二十六条在临近带电体作业应使用绝缘工器具。第二十七条在330kV、40OkV及以上电压等级的运行区域高处的作业,应采取穿着静电感防护服、屏蔽服、导电鞋等感应措施。临近带电体作业与带电体最小距离不能满足安全距离时,应办理作业票采取停电作业。第二十八条导地线通过跨越架时,应用绝缘绳作牵弓I。第二十九条带电线路导线的垂直距离(导线弛度、交叉跨越距离)应用测量仪测量。严禁使用皮尺、线尺(夹有金属丝者)等工具直接测量带电线路导线的垂直距离。第三十

11、条临近带电体吊装时,起重机必须接地良好。第三十一条起重机装卸作业时,起吊臂严禁跨越电力线。第三十二条工作接地线一经拆除,该线路即视为带电,严禁任何人再登杆塔进行任何工作。第六章临近带电工作区域的隔离第三十三条在室内高压设备上或配电装置中的某一间隔内作业时,在作业地点两旁及对面的间隔上均应设遮栏并挂止步,高压危险!的标示牌。第三十四条在室外高压设备上工作时,应在工作地点的四周设遮栏,并挂“止步,高压危险!的标示牌。第三十五条在工作地点悬挂“禁止合闸,有人工作!的标示牌,第三十六条在室外构架上工作时,应在工作地点邻近带电部分的横梁上悬挂“止步,高压危险!的标示牌。在邻近可能误登的构架上应悬挂禁止攀登,高压危险!的标示牌。第三十七条警戒区的遮栏应醒目、牢固。严禁任意移动或拆除遮栏、接地线、标示牌及其他安全防护设施。第七章附则第三十八条本办法由公司安全环保处负责解释。第三十九条本办法自印发之日施行。

展开阅读全文
相关资源
猜你喜欢
相关搜索

当前位置:首页 > 文学/艺术/历史 > 军事观察

copyright@ 2008-2023 1wenmi网站版权所有

经营许可证编号:宁ICP备2022001189号-1

本站为文档C2C交易模式,即用户上传的文档直接被用户下载,本站只是中间服务平台,本站所有文档下载所得的收益归上传人(含作者)所有。第壹文秘仅提供信息存储空间,仅对用户上传内容的表现方式做保护处理,对上载内容本身不做任何修改或编辑。若文档所含内容侵犯了您的版权或隐私,请立即通知第壹文秘网,我们立即给予删除!