钢筋工程检查表模板.docx

上传人:p** 文档编号:612514 上传时间:2023-12-03 格式:DOCX 页数:1 大小:16.01KB
下载 相关 举报
钢筋工程检查表模板.docx_第1页
第1页 / 共1页
亲,该文档总共1页,全部预览完了,如果喜欢就下载吧!
资源描述

《钢筋工程检查表模板.docx》由会员分享,可在线阅读,更多相关《钢筋工程检查表模板.docx(1页珍藏版)》请在第壹文秘上搜索。

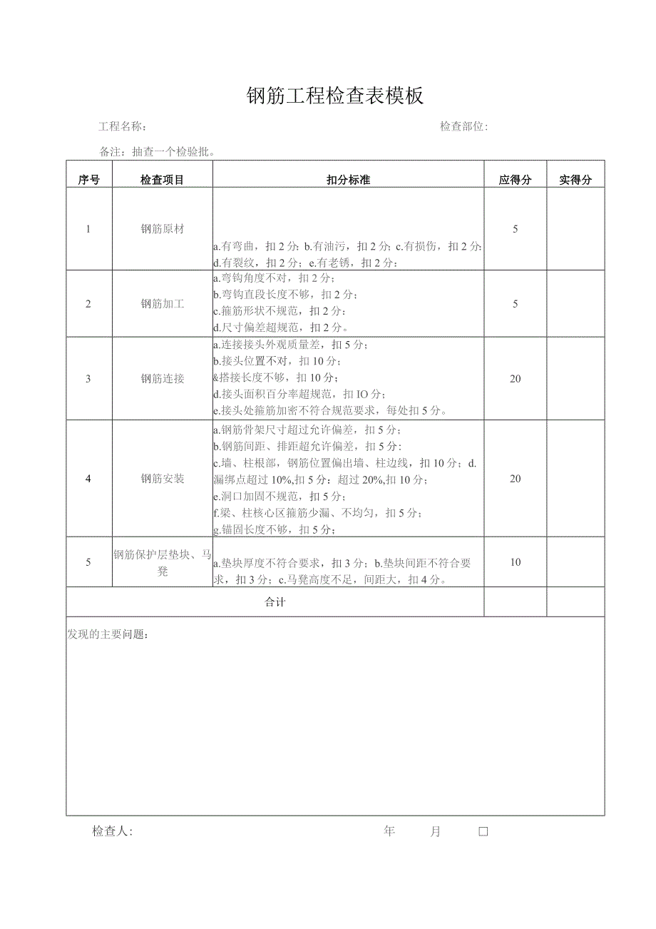
钢筋工程检查表模板工程名称:检查部位:序号检查项目扣分标准应得分实得分1钢筋原材a.有弯曲,扣2分:b.有油污,扣2分;c.有损伤,扣2分:d.有裂纹,扣2分;e.有老锈,扣2分:52钢筋加工a.弯钩角度不对,扣2分;b.弯钩直段长度不够,扣2分;c.箍筋形状不规范,扣2分:d.尺寸偏差超规范,扣2分。53钢筋连接a.连接接头外观质量差,扣5分;b.接头位置不对,扣10分;&搭接长度不够,扣10分;d.接头面积百分率超规范,扣IO分;e.接头处箍筋加密不符合规范要求,每处扣5分。204钢筋安装a.钢筋骨架尺寸超过允许偏差,扣5分;b.钢筋间距、排距超允许偏差,扣5分:c.墙、柱根部,钢筋位置偏出墙、柱边线,扣10分;d.漏绑点超过10%,扣5分:超过20%,扣10分;e.洞口加固不规范,扣5分;f.梁、柱核心区箍筋少漏、不均匀,扣5分;g.锚固长度不够,扣5分;205钢筋保护层垫块、马凳a.垫块厚度不符合要求,扣3分;b.垫块间距不符合要求,扣3分;c.马凳高度不足,间距大,扣4分。10合计发现的主要问题:备注:抽查一个检验批。检查人:年月

展开阅读全文
相关资源
猜你喜欢
相关搜索

当前位置:首页 > 办公文档 > 事务文书

copyright@ 2008-2023 1wenmi网站版权所有

经营许可证编号:宁ICP备2022001189号-1

本站为文档C2C交易模式,即用户上传的文档直接被用户下载,本站只是中间服务平台,本站所有文档下载所得的收益归上传人(含作者)所有。第壹文秘仅提供信息存储空间,仅对用户上传内容的表现方式做保护处理,对上载内容本身不做任何修改或编辑。若文档所含内容侵犯了您的版权或隐私,请立即通知第壹文秘网,我们立即给予删除!