铁路客运专线四电工程建设项目监理设施设备配备方案.docx

上传人:p** 文档编号:612681 上传时间:2023-12-03 格式:DOCX 页数:3 大小:17.31KB
下载 相关 举报
铁路客运专线四电工程建设项目监理设施设备配备方案.docx_第1页
第1页 / 共3页
铁路客运专线四电工程建设项目监理设施设备配备方案.docx_第2页
第2页 / 共3页
铁路客运专线四电工程建设项目监理设施设备配备方案.docx_第3页
第3页 / 共3页
亲,该文档总共3页,全部预览完了,如果喜欢就下载吧!
资源描述

《铁路客运专线四电工程建设项目监理设施设备配备方案.docx》由会员分享,可在线阅读,更多相关《铁路客运专线四电工程建设项目监理设施设备配备方案.docx(3页珍藏版)》请在第壹文秘上搜索。

1、铁路客运专线四电工程建设项目监理设施设备配备方案1设施(设备)配备说明完全自备的监理仪器和设备,是项目质量保证的最主要手段。我公司具备的一级工程试验室,能独立、公正、科学的通过对工程实施过程中原材料、工程定位、标准验证试验等的监理平行试验鉴定,为有效促进项目建设的进度、质量、安全和投资提供检测设备上的资源保证。我们目前建立监理部中心试验室1个,根据站前工程施工进度,试验室人员构成和检测设备类型、数量满足投标要求和四电进场后的试验监理工作需要。2投入的监理设施(设备)为了提高监理质量控制水平,体现质量控制以数据说话”的科学原则,监理仪器和设备的配置应确保质量控制工作的正常开展,其规格、性能和数量

2、应符合测试工作的具体要求。2.1结合四电工程特点和工程内容,拟订的工程主要试验内容如下:四电工程的施工质量判断,绝大多数是要通过观察检查和电气性能试验结果才能作出结论,通信、信号、电力、电力牵引专业监理检查验收的主要工作方法是观察检查和见证检验,房建工程执行建筑工程施工质量验收统一标准(GB50300-2013),试验内容有:原材料的物理、力学和化学性能测定;混合料配合比、密实度、强度、耐久性;基础承载力试验等。这些试验的结果直接关系到工程能否验收和支付。试验包括标准试验、工艺试验、抽样试验和验收试验等。监理试验的控制方法有见证取样(送检)、见证试验、平行检验等。2.1.1标准试验是对各项工程

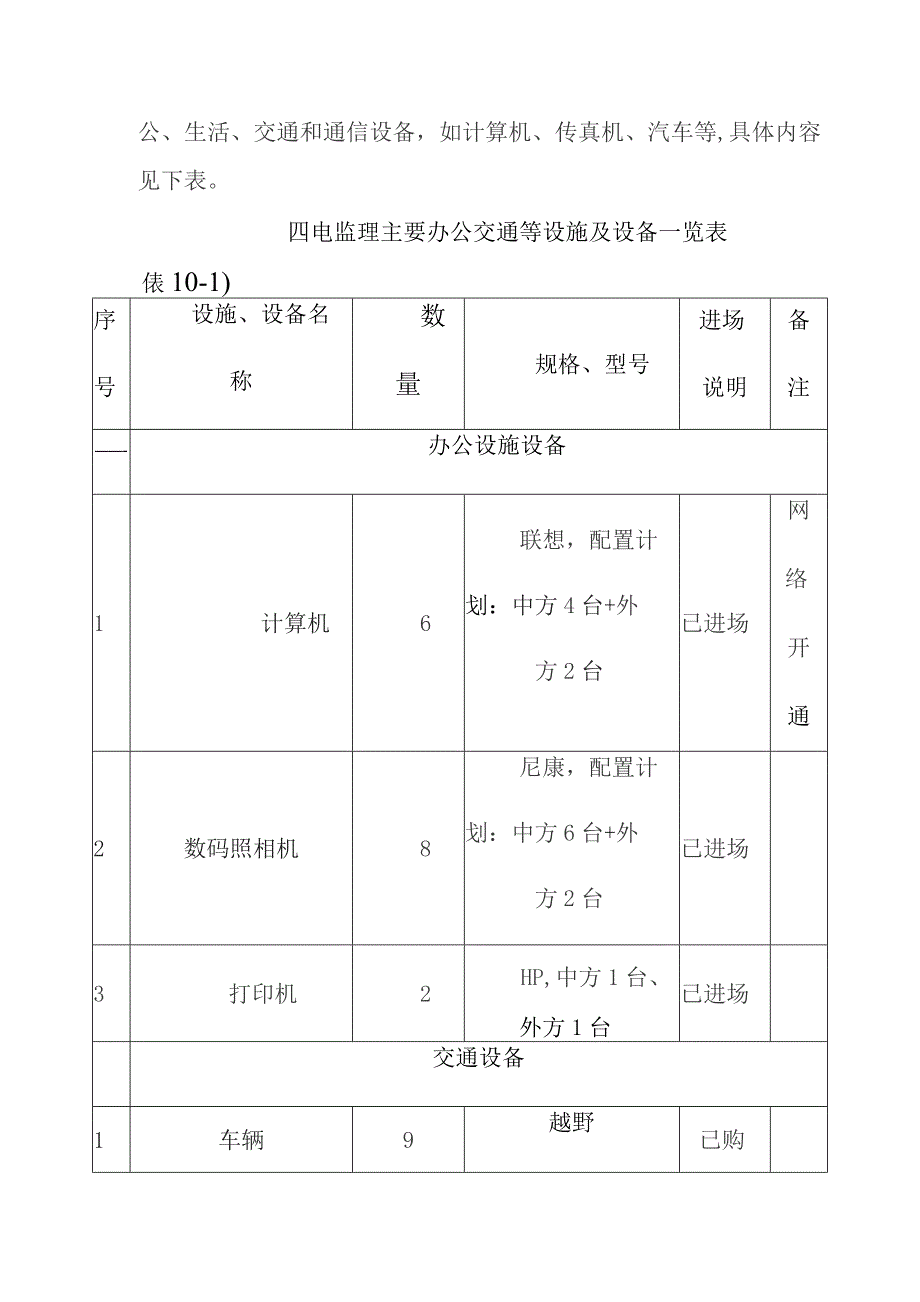
3、的内在品质进行施工前的数据采集,它是控制和指导施工的科学依据,包括各种标准击实试验、集料的级配试验、混合料的配合比试验、结构的强度试验等。2.1.2工艺试验是依据技术规范的规定,在房建工程动工之前需要通过预先试验方能正式施工的分项工程预先进行工艺试验,然后依其结果全面指导施工。2.1.3抽样试验是对各项工程实施中的实际内在品质进行符合性的检查,内容包括材料的物理性能、混凝土的测定和试验。2.1.4验收试验是对各项己完工程的实际内在品质作出评定。目前监理二标中心试验室试验检测设备类型、数量完成满足投标承诺要求和现场控制需要2.2为了监理工作的顺利开展,保证监理信息渠道畅通,及时让业主清楚工程的进度、质量及投资等工程信息,满足招标文件对工程信息采集和交流的需要,我们投入相应的办公、生活、交通和通信设备,如计算机、传真机、汽车等,具体内容见下表。四电监理主要办公交通等设施及设备一览表俵10-1)序号设施、设备名称数量规格、型号进场说明备注-办公设施设备1计算机6联想,配置计划:中方4台+外方2台已进场网络开通2数码照相机8尼康,配置计划:中方6台+外方2台已进场3打印机2HP,中方1台、外方1台已进场交通设备1车辆9越野已购

展开阅读全文
相关资源
猜你喜欢
相关搜索

当前位置:首页 > 办公文档 > 解决方案

copyright@ 2008-2023 1wenmi网站版权所有

经营许可证编号:宁ICP备2022001189号-1

本站为文档C2C交易模式,即用户上传的文档直接被用户下载,本站只是中间服务平台,本站所有文档下载所得的收益归上传人(含作者)所有。第壹文秘仅提供信息存储空间,仅对用户上传内容的表现方式做保护处理,对上载内容本身不做任何修改或编辑。若文档所含内容侵犯了您的版权或隐私,请立即通知第壹文秘网,我们立即给予删除!