液化石油气企业检查用表.docx

上传人:p** 文档编号:61418 上传时间:2022-12-12 格式:DOCX 页数:1 大小:8.06KB
下载 相关 举报
液化石油气企业检查用表.docx_第1页
第1页 / 共1页
亲,该文档总共1页,全部预览完了,如果喜欢就下载吧!
资源描述

《液化石油气企业检查用表.docx》由会员分享,可在线阅读,更多相关《液化石油气企业检查用表.docx(1页珍藏版)》请在第壹文秘上搜索。

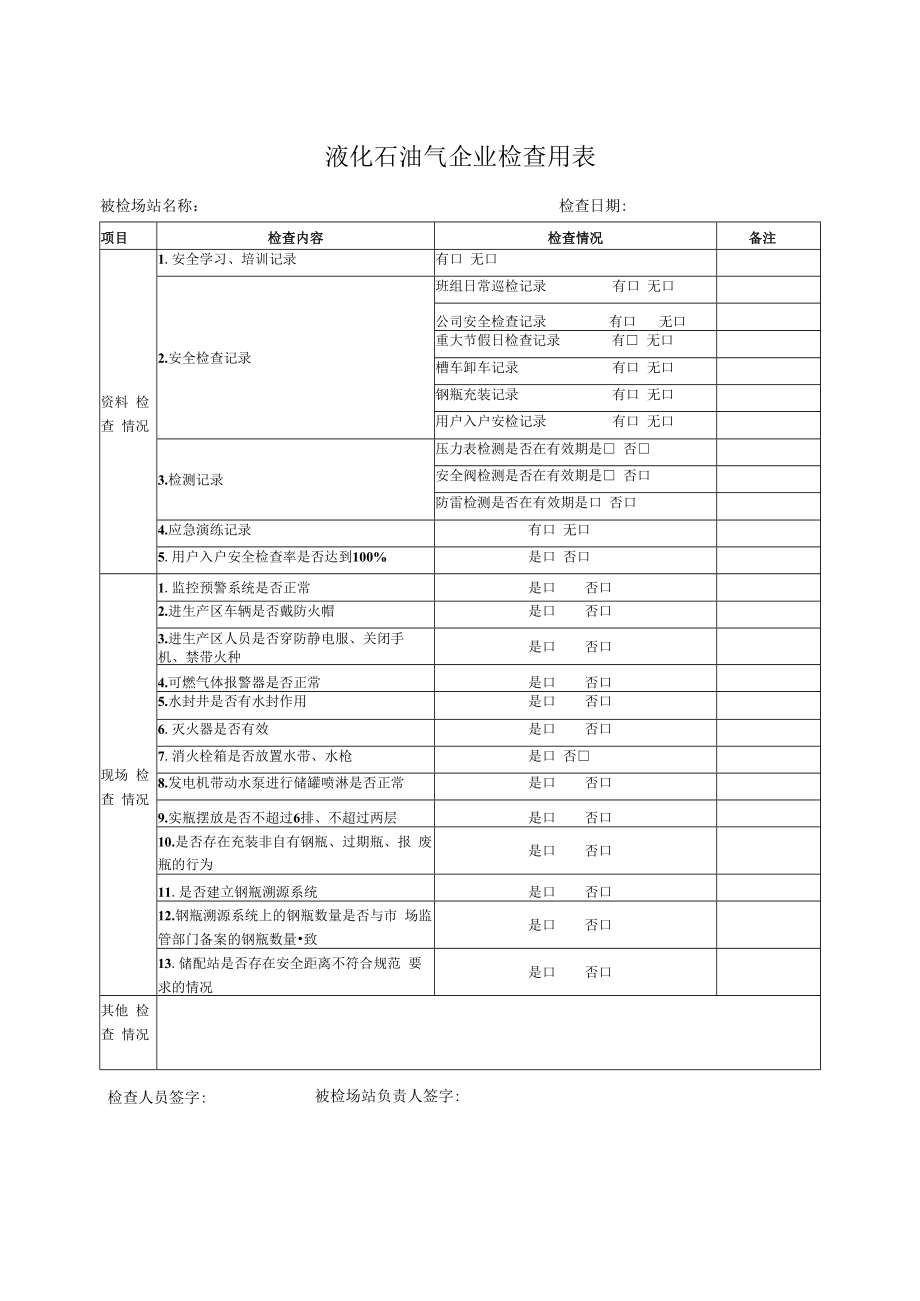
液化石油气企业检查用表被检场站名称:检查日期:项目检查内容检查情况备注资料 检查 情况1.安全学习、培训记录有口 无口2.安全检查记录班组日常巡检记录有口 无口公司安全检查记录有口无口重大节假日检查记录有 无口槽车卸车记录有口 无口钢瓶充装记录有口 无口用户入户安检记录有口 无口3.检测记录压力表检测是否在有效期是 否安全阀检测是否在有效期是 否口防雷检测是否在有效期是口 否口4.应急演练记录有口 无口5.用户入户安全检查率是否达到100%是口 否口现场 检查 情况1.监控预警系统是否正常是口否口2.进生产区车辆是否戴防火帽是口否口3.进生产区人员是否穿防静电服、关闭手 机、禁带火种是口否口4.可燃气体报警器是否正常是口否口5.水封井是否有水封作用是口否口6.灭火器是否有效是口否口7.消火栓箱是否放置水带、水枪是口 否8.发电机带动水泵进行储罐喷淋是否正常是口否口9.实瓶摆放是否不超过6排、不超过两层是口否口10.是否存在充装非自有钢瓶、过期瓶、报 废瓶的行为是口否口11.是否建立钢瓶溯源系统是口否口12.钢瓶溯源系统上的钢瓶数量是否与市 场监管部门备案的钢瓶数量致是口否口13.储配站是否存在安全距离不符合规范 要求的情况是口否口其他 检查 情况检查人员签字:被检场站负责人签字:

展开阅读全文
相关资源
猜你喜欢
相关搜索

当前位置:首页 > 行业资料 > 石油、天然气工业

copyright@ 2008-2023 1wenmi网站版权所有

经营许可证编号:宁ICP备2022001189号-1

本站为文档C2C交易模式,即用户上传的文档直接被用户下载,本站只是中间服务平台,本站所有文档下载所得的收益归上传人(含作者)所有。第壹文秘仅提供信息存储空间,仅对用户上传内容的表现方式做保护处理,对上载内容本身不做任何修改或编辑。若文档所含内容侵犯了您的版权或隐私,请立即通知第壹文秘网,我们立即给予删除!