9号楼水计算书.docx

上传人:p** 文档编号:621859 上传时间:2023-12-10 格式:DOCX 页数:6 大小:50.63KB
下载 相关 举报
9号楼水计算书.docx_第1页
第1页 / 共6页
9号楼水计算书.docx_第2页
第2页 / 共6页
9号楼水计算书.docx_第3页
第3页 / 共6页
9号楼水计算书.docx_第4页
第4页 / 共6页
9号楼水计算书.docx_第5页
第5页 / 共6页
9号楼水计算书.docx_第6页
第6页 / 共6页
亲,该文档总共6页,全部预览完了,如果喜欢就下载吧!
资源描述

《9号楼水计算书.docx》由会员分享,可在线阅读,更多相关《9号楼水计算书.docx(6页珍藏版)》请在第壹文秘上搜索。

1、9号楼水计算书9号楼为多层公共建筑,1F2F为商铺、环网室,3F为老年人日间照料中心,共3层,建筑高度为12.2m,地上总建筑面积为171L69m2,其中环网室总面积为158.60m2,老年人日间照料中心面积为756.22r2。一、给水系统计算:(1)给水分区:根据建设方提供的市政资料,市政压力为0.20MPa,建筑物高12.20m,故9号楼均采用市政直供。(2)生活用水量计算:由于缺乏相关资料故按照使用面积确定使用人数从而确定用水定额,最高日生活用水定额为40L/人,使用时数为12h,最高日变化系数Kh为1.5.(3)给水管道计算:老年人日间照料中心卫生器具给水当量:卫生器具给水额定流量给水

2、当量排水额定流量排水当量数量拖布盆0.21.00.331.01洗手盆0.150.750.10.33坐便器0.10.51.54.53小便器0.10.50.10.31总管段NGo为5.25,=1.2QgO=O.2aJ=0.2x1.25.25=0.55Ls;考虑到食堂预留用水,故选择管径为DN50.二、排水系统计算:以立管PL3为例;Np=15.7qp=Sl2a小RqM,取=i.5=2.2Ls排水立管类型为:伸顶通气,该类型排水立管DeIIO最大设计排水能力为4.0(Ls),满足使用要求。三、热水系统计算:本次设计不涉及热水系统,热水由用户自理。四、雨水系统计算降雨历时:5min,设计重现期5a。西

3、安市暴雨强度公式为:q=o::黑瑞炉(L(sha)。立管汇水面积(n?)管径YL-ac5.7-11.3De75YL-I272.8DelWYL-2250De90(选为DelIO)YL-352.4De75(选为DeIlo)YL-452.4De75(选为DeIIo)由于YL-3、4在裙房屋面上,大屋面雨水排至裙房屋面故管径放大。五、消防系统计算:(一)灭火器的选型9号楼属于中危险级,灭火级别为2A,保护距离20m,选择磷酸核盐干粉灭火器MF/ABC3.(二)消火栓系统的设计参数及计算9号楼为多层公共建筑,故消火栓设计流量为15Lst在1号楼楼顶设置高位消防水箱,有效容积为18m3。以XL-I为例计算

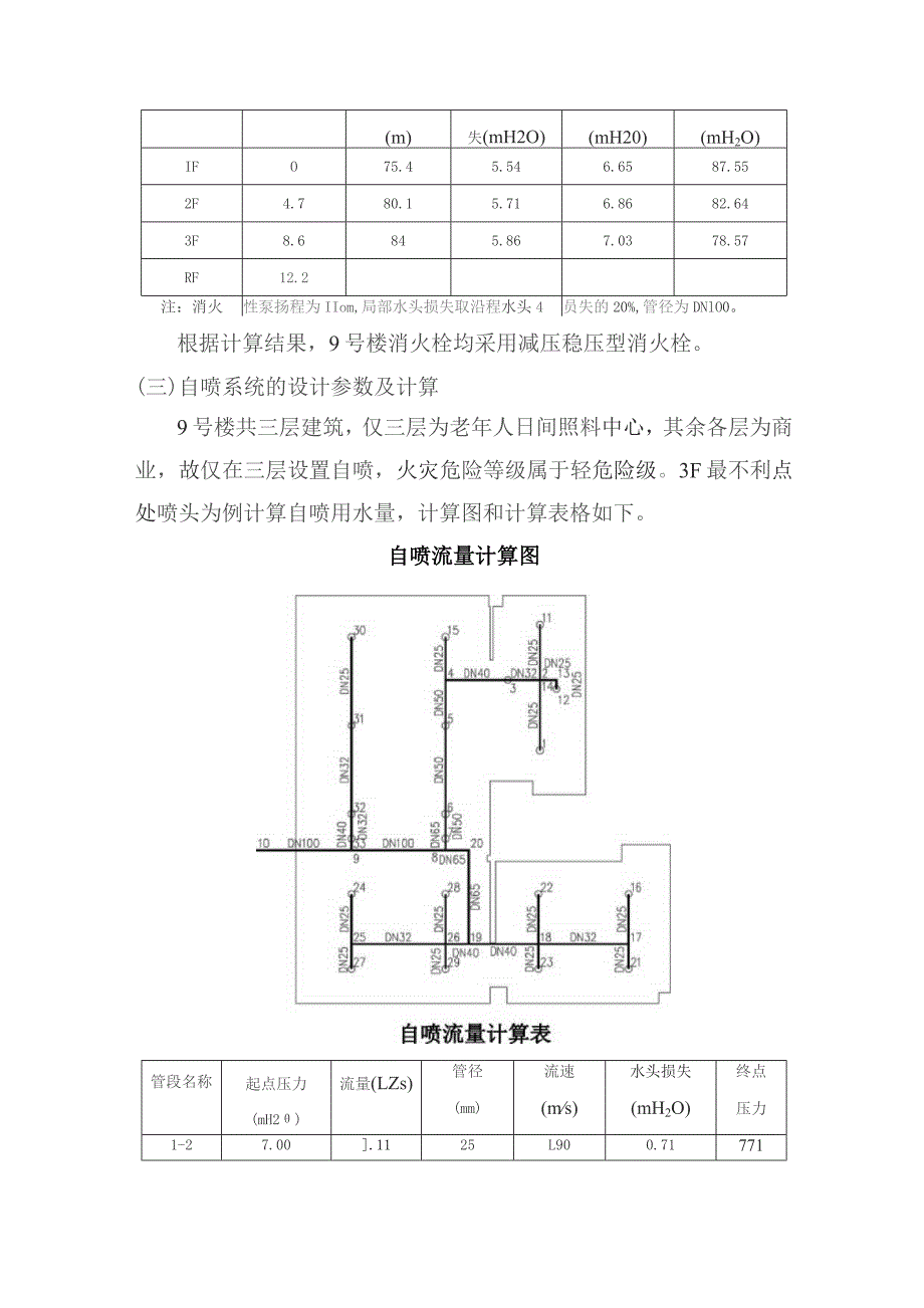
4、各层消火栓压力:楼层标局(m)管线长度沿程水头损总水头损失水压(m)失(mH2O)(mH20)(mH2O)IFO75.45.546.6587.552F4.780.15.716.8682.643F8.6845.867.0378.57RF12.2注:消火性泵扬程为IIom,局部水头损失取沿程水头4员失的20%,管径为DNlO0。根据计算结果,9号楼消火栓均采用减压稳压型消火栓。(三)自喷系统的设计参数及计算9号楼共三层建筑,仅三层为老年人日间照料中心,其余各层为商业,故仅在三层设置自喷,火灾危险等级属于轻危险级。3F最不利点处喷头为例计算自喷用水量,计算图和计算表格如下。自喷流量计算图管段名称起点

5、压力(mH2)流量(LZs)管径(mm)流速(ms)水头损失(mH2O)终点压力1-27.00.1125L900.7177111-27.11L1225L910.607.7112-137.221.13251.930.207.4213-147.421.13251.930.257.6714-27.67L131000J30.007.672-37.71336323.411.509.203-49*204.63403+46J.9511.1515-410.391.35252.310.7711.174-511.155.99502.740.9012.055-612.057.45503.411.7913.856-7

6、13.859.01504,131.8115.657-815.6510.67652+930.8116.4616-179.49129252.210.73102221-179.73L31252.240.4910,2217-1810.222.60322.651.5411.7522-1810.941.39252.370.8611.8023-1811.16L40252,400.5811.7418-191L755.40404.032.8814.6424-2510.071.33252+280.7710.8427-2510.281.35252.300.5110.7925-2610.842.68322.721.6

7、712.5128-2611.591.43252440.9112.5029-2611.92L45252.480.6212,5426-1912.515.56404,152.1114,6219-2014.6410.96653+011,2015+8420-815.8410.96653.010.6016.448-916.4621.631002.440.6517.1130-3110.121.34252.281.1911.3031-3211.302.75322,791.5912,8932-3312.894.26324,322.1315,0233-915.025.88404.392.0917.119-1017

8、.1127.511003.10LOl18J2所选作用面积:160.290?,总流量:2751L/s,平均喷水强度:10.31./minm2f故自喷管道设计流量为30Ls。各层减压孔板孔径计算如下:楼层标l(m)管线长度(m)沿程水头损失(m112)总水头损失(m112)剩余水压CmH2O)减压孔板孔径(mm)3F8.686.51.511.8131.29RF12.2注:自喷泵压力为50m,局部水头损失取沿程水头损失的20%根据计算结果,均不采用减压孔板。六、环网单元计算:W-K(VZS)(CiZ(K)O-Ci)W-灭火设计用量或惰化设计用量(kg)G-灭火设计浓度或惰化设计浓度(%)S-灭火剂过

9、热蒸汽在IOlKPa大气压和防护区最低环境温度下的比容(m3Kg)V-防护区的净容积(a?)K-海拔修正系数。本气体灭火系统的设计温度为20,灭火设计浓度为9%,西安地区平均海拔400m,海拔修正系数为0.954。环网单元一容积为326.155m3,环网单元二容积为318.20Om3。故,W=0.954*(326.155/0.13716)*(0.09/(100-0.09)=224.36(kg)W2=0.954*(318.200/0.13716)*(0.09/(100-0.09)=218.89FX-泄压口面积()QX-灭火剂在防护区内平均喷放速率(kgs)Pf-围护结构承受内压的允许压强(Pa)围护结构的允许压强为1200Pa防护单元一的泄压口面积F=0.15*(224.36/10)1200=0.097m2防护单元二的泄压口面积FX=O.15*(218.89/10)1200=0.095m2

展开阅读全文
相关资源
猜你喜欢
相关搜索

当前位置:首页 > 建筑/环境 > 绿化工程

copyright@ 2008-2023 1wenmi网站版权所有

经营许可证编号:宁ICP备2022001189号-1

本站为文档C2C交易模式,即用户上传的文档直接被用户下载,本站只是中间服务平台,本站所有文档下载所得的收益归上传人(含作者)所有。第壹文秘仅提供信息存储空间,仅对用户上传内容的表现方式做保护处理,对上载内容本身不做任何修改或编辑。若文档所含内容侵犯了您的版权或隐私,请立即通知第壹文秘网,我们立即给予删除!