阳山县热轧带肋钢筋产品质量监督抽查实施细则.docx

上传人:p** 文档编号:630429 上传时间:2023-12-14 格式:DOCX 页数:4 大小:23.50KB
下载 相关 举报
阳山县热轧带肋钢筋产品质量监督抽查实施细则.docx_第1页
第1页 / 共4页
阳山县热轧带肋钢筋产品质量监督抽查实施细则.docx_第2页
第2页 / 共4页
阳山县热轧带肋钢筋产品质量监督抽查实施细则.docx_第3页
第3页 / 共4页
阳山县热轧带肋钢筋产品质量监督抽查实施细则.docx_第4页
第4页 / 共4页
亲,该文档总共4页,全部预览完了,如果喜欢就下载吧!
资源描述

《阳山县热轧带肋钢筋产品质量监督抽查实施细则.docx》由会员分享,可在线阅读,更多相关《阳山县热轧带肋钢筋产品质量监督抽查实施细则.docx(4页珍藏版)》请在第壹文秘上搜索。

1、阳山县热轧带肋钢筋产品质量监督抽查实施细则一、抽样方法以随机抽样的方式在被抽查市场主体的待销产品中抽取。随机数一般可使用随机数表等方法产生。抽查数量:每款产品抽取2组样本,第1组用于检验,第2组用于备样。具体抽样数量和方法如下:对直条热轧带肋钢筋取样时,在同一标准生产的同一商标、同一牌号、同一规格的产品中随机抽取1捆,在该捆中随机抽取5根钢筋,每根钢筋截取的长度为2400mm(d28m的钢筋取样长度为340OnlIn),逐根顺序编号为15,再把每根钢筋分成2支长度为120OnIIn的样品(d28un的每根钢筋分成2支长度为170OnInl的样品),2支样品逐支编号标记,并一一对应(如La,1-

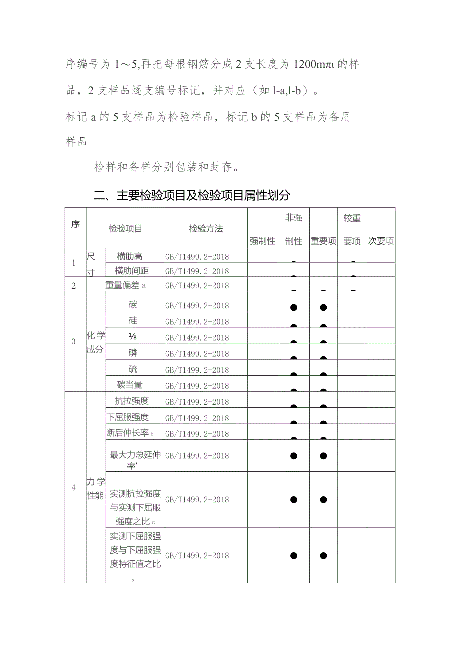
2、b),每支样品要保证有完整的表面标志,标记a的5支样品为检验样品,标记b的5支样品为备用样品。检样和备样分别包装和封存。对盘卷热轧带肋钢筋取样时,随机抽取同一商标、同一牌号、同一规格产品的5盘产品,在每盘钢筋上距头或尾至少2000Inm处,随机截取1根长度为2400Inm的钢筋,逐根顺序编号为15,再把每根钢筋分成2支长度为1200m的样品,2支样品逐支编号标记,并对应(如l-a,l-b)。标记a的5支样品为检验样品,标记b的5支样品为备用样品检样和备样分别包装和封存。二、主要检验项目及检验项目属性划分序检验项目检验方法强制性非强制性重要项较重要项次耍项1尺寸横肋高GB/T1499.2-201

3、8横肋间距GB/T1499.2-20182重量偏差aGB/T1499.2-20183化学成分碳GB/T1499.2-2018硅GB/T1499.2-2018GB/T1499.2-2018磷GB/T1499.2-2018硫GB/T1499.2-2018碳当量GB/T1499.2-20184力学性能抗拉强度GB/T1499.2-2018下屈服强度GB/T1499.2-2018断后伸长率bGB/T1499.2-2018最大力总延伸率GB/T1499.2-2018实测抗拉强度与实测下屈服强度之比CGB/T1499.2-2018实测下屈服强度与下屈服强度特征值之比。GB/T1499.2-20185弯曲性

4、能GB/T1499.2-2018序检验项目检验方法强制性非强制性重要项较重要项次耍项艺性能反向弯曲性能GB/T1499.2-20186金相组织GB/T1499.2-2018.7表面标志GB/T1499.2-2018a重量偏差项目实测值大于标准值的2.0倍,为重要项;实测值小于标准值或等于标准值的2.0倍,为较重要项;b断后伸长率适用于非抗焦钢筋;C实测抗拉强度与实测下屈服强度之比(可简称强屈比)、实测下屈服强度与屈服强度特征值之比(可简称屈屈比)、最大力总延伸率检验适用于抗震钢筋;d反向弯曲项目适用于抗震钢筋。注:对所抽取的热轧带肋钢筋样品,先进行尺寸、重量偏差、表面标志项目的检验,后截取化学

5、成分、金相、力学性能、工艺性能的检验样品。化学成分的检验方法优先采用光谱法,仲裁检验采用化学法。金相统一采用微观组织进行检验和判定。三、判定规则(一)依据标准GB/T1499.2-2018钢筋混凝土用钢第2部分:热轧带肋钢筋现行有效的企业标准、团体标准、地方标准及产品明示质量要求。(二)判定原则经检验,检验项目全部合格,判定为抽取的样本所检项目未检出不合格;检验项目中任一项或一项以上不合格,判定为被抽查产品不合格;当被检样品明示的质量要求优于监督抽查实施细则中依据的标准要求时,应按被检样品明示的质量要求判定;当被检样品明示的质量要求劣于或不包含监督抽查实施细则中依据的强制性标准要求时,应按照强

6、制性标准要求判定;当被检样品明示的质量要求劣于或包含监督抽查实施细则中依据的推荐性标准要求时,应以被检样品明示的质量要求判定,如相应检验结果不符合相关推荐性标准要求时,应在检验报告中予以说明;当被检样品明示的质量要求不包含监督抽查实施细则中依据的推荐性标准要求时,该指标不参与判定,但应在检验报告中作出说明;当被检样品未能提供有效的企业标准时,按相关国家或行业标准进行判定;当被检样品标签标识中执行标准信息和产品类别信息不明或有误,影响检测和判定时,可根据相关强制性标准要求,同时结合产品特点等信息判断和选择相关标准进行检验,并应在检验报告中作出相关说明;按照产品质量相关法律法规的规定判定;检验中发现因样品失效或者其他原因致使检验无法进行的,检验人员应如实记录,并提供相关证明材料,报送组织监督抽查的市场监管部门。

展开阅读全文
相关资源
猜你喜欢
相关搜索

当前位置:首页 > 建筑/环境 > 建筑材料

copyright@ 2008-2023 1wenmi网站版权所有

经营许可证编号:宁ICP备2022001189号-1

本站为文档C2C交易模式,即用户上传的文档直接被用户下载,本站只是中间服务平台,本站所有文档下载所得的收益归上传人(含作者)所有。第壹文秘仅提供信息存储空间,仅对用户上传内容的表现方式做保护处理,对上载内容本身不做任何修改或编辑。若文档所含内容侵犯了您的版权或隐私,请立即通知第壹文秘网,我们立即给予删除!