5、合同交底-桥2标.docx

上传人:p** 文档编号:632031 上传时间:2023-12-15 格式:DOCX 页数:27 大小:103.76KB
下载 相关 举报
5、合同交底-桥2标.docx_第1页
第1页 / 共27页
5、合同交底-桥2标.docx_第2页
第2页 / 共27页
5、合同交底-桥2标.docx_第3页
第3页 / 共27页
5、合同交底-桥2标.docx_第4页
第4页 / 共27页
5、合同交底-桥2标.docx_第5页
第5页 / 共27页
5、合同交底-桥2标.docx_第6页
第6页 / 共27页
5、合同交底-桥2标.docx_第7页
第7页 / 共27页
5、合同交底-桥2标.docx_第8页
第8页 / 共27页
5、合同交底-桥2标.docx_第9页
第9页 / 共27页
5、合同交底-桥2标.docx_第10页
第10页 / 共27页
亲,该文档总共27页,到这儿已超出免费预览范围,如果喜欢就下载吧!
资源描述

《5、合同交底-桥2标.docx》由会员分享,可在线阅读,更多相关《5、合同交底-桥2标.docx(27页珍藏版)》请在第壹文秘上搜索。

1、合同交底记录表工程名称:新建衢州至宁德铁路(福建段)站前工程QNFJZQ-I标段梁主体及附属工程二标合同交底时间2016年5月2日合同交底地点衢宁铁路项目经理部第一分部会议室承包方中铁六局集团北京铁路建设有限公司分包方双峰县冒顺建筑劳务有限公司合同名称新建衢州至宁德铁路(福建段)站前工程QNFJZQ-I标段桥梁主体及附属工程二标合同编号QN-QNZND-LW017施工合同文件主要内容工程概况工程名称新建衢州至宁德铁路(福建段)站前工程QNFJZQ-I标段桥梁主体及附属工程二标(包含大药坑特大桥、熊城特大桥、佛子山特大桥、星溪里特大桥)工程地点福建省南平市政和县L程旧见附表1工程工期自2016年

2、5月I日至2017年6月24日止分包方作业内容1、分包方作业内容详见附件一(劳务分包工程量清单);除清单作业内容外,分包方还必须服从工程承包人安排的其他与本工程有关的工作任务。2、本合同单价是按总包合同质量标准实施和完成本合同工程量清单所列项目所有工作内容的综合单价,除工程量清单中注明的以外各项目合同单价中已包含了分包方为完成各项目需要的劳务、小型机械、辅助材料及配件、水电气、安装、缺陷修复、利润、环保、文明施工、调遣(进出场)、临时工程的建设与拆除、治安管理等费用,动力费用(燃油、电力等):材料、设备二次倒运费用;工料机涨价引起的风险费用;测量复核引起的临时停工费用;建设单位、监理等检查引起

3、的停工费用;各类社会保险及伤害险等保险费用;甲供材料、周转料、机械设备的看护费用;管理费用;第三方配合费或其他在施工中需要分包方配合的费用,以及合同明示或暗示的所有责任、义务和一般风险等3、因变更设计或其他原因增减的工作项目和数量调整或劳务单价中未列明的项目,由双方另行签订补充协议。4、本工程实行按月结算,分包人每次计量前应填报己完合格工程数量清单,项目部组织有关人员进行现场核实且于每月25日前提供收方单。分包方提供材料、设备1、项目部供应材料一览表详见附件二(项目部提供的机械设备及周转料在工地内的装车、卸车、场地转运等费用由分包方承担):除附表二中材料外,其他辅助材料由分包方自购,若其他材料

4、需要项目部供应的,分包方需出具书面委托,费用从当期结算中扣除2、项目部提供的材料,但分包方丢失、损坏以及其他原因导致使用的材料超过规定损耗范围的,费用从当期结算中进行扣除。(损耗率详见附件二)3、项目部供应机械设备及周转材料详见附件三;除项目部提供机械设备和周转材料外,其他小型机械、劳动工具由分包方自行解决。由于现场施工原因,项目部提供的超出附表三中所列项目部分,费用从当期结算中进行扣除。4、因天气、便道等原因致使车辆无法正常进入工地,分包方应积极配合,保证材料到场,若分包方不配合造成材料短缺,所引起的损失和费用由分包方承担。5、项目部将施工用电接至二级配电箱,二级以下配电箱由分包方负责;项目

5、部提供施工用水接入端口:分包方的用电、用水设备、线路、电费、水费由分包方自行负责并承担费用,如该费用由项目部垫付的,在结算中进行扣除。6、分包方指定胡小军为本工程材料领用人、机械设备及周转材料领用人,负责领用、签认及退还工作。分包方违约责任1、分包方劳务作业质量不符合本合同约定的质量标准,该部分不予计量,分包方应向项目部支付5000元违约金,项目部有权单方面解除合同。由此造成的返工、修复、罚款等一切损失均由分包方自行承担。2、分包方不履行或不按约定履行合同的其他义务时,应向项目部支付5000元违约金,分包方还应赔偿因其违约给项目部造成的经济损失,延误的工期不予顺延。3、因分包方原因造成的质量事

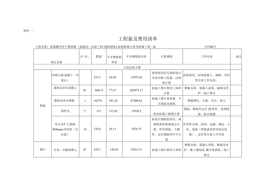
6、故,材料、重作、返修、返工等一切损失均由分包方方承担,并应向项目部赔偿损失,赔偿数额据实计算。4、分包方在劳务作业和验收过程中,被发现偷工减料、以次充好或劳务作业质量存在问题的,每发现一次分包方方须向项目部支付100o元违约金,并承担因此造成的1员失。5、分包方在缺陷责任期内对缺陷修复不及时,项目部有权指定第三方修理,费用由分包方承担,同时项目部将每次予以分包方IoOoO罚款,因此造成项目部损失分包方无条件赔偿项目部一切损失。合同交底人员签字项目部人员卷字工程部安质部工经部物机部征拆部领工员项目领导附件一:工程量及费用清单工程名称:新建衢州至宁德铁路(福建段)站前工程QNFJZQ-I标段桥梁主

7、体及附属工程二标合同编号项目名称中.位:数量不含增值税单价不含增值税合价计算规则工作内容备注大药坑特大桥基础回填C20混凝土(台尾后)253.543.6911075.42按现场实际完成的设计内的合格工程量,以体积计量清理基坑、回填混凝土、捣固、养护等全部工作内容,基础及承台混凝砂3681.977.67285973.17按施工图计算用工体积计算模板安拆、混凝土浇筑、振捣及养护、接口凿毛基础及承台钢筋t162*4291.2647300.62按施工图计算重量,不计搭接及损耗钢筋绑扎、安装、定位、校正凿班头个115112.621295L3按实际施工数量计算凿除,辅助外运至20米外、清理现场、配合检测承

8、台及扩大基础50mm冷却管(含注浆)m270,429.137876.75按设计图纸的净长、规格换算的重量进行计量,所有搭接、下脚料、定位钢筋均不予计量冷却管安装、封闭、运输、倒运、入孔、连接(焊接或套管冷挤压连接)、定位等全部工作内容墩台台身、台帽混凝砂224.7139.8131415.31按施工图计算用工体积模板安拆,混凝土浇筑、振捣及养护,施工缝处理,脚手架搭拆、接口凿毛台身、台帽钢筋t6.5291.261893.19按施工图计算重量,不计搭接及损耗钢筋绑扎、安装、定位、校正挡砧墙、块混凝土鹏3L8359.22646.6按实际完成的施工图内数量计算模板拼拆,预埋件安装,混凝土浇筑、振捣、洒

9、水养生,安装泄水孔、清理工作面,现场倒运挡喳墙、块钢筋t0.4291.26116.5按施工图计算重量,不计搭接及损耗钢筋绑扎、安装、定位、校正台顶防水层肝566.8380.8按现场实际完成计算清扫用工表面、涂刷防水涂料、铺贴卷材台顶C40纤维混凝土保护层ID33M174.76594.18按现场实际完成计算基面清理、混凝土拌制、运输、浇筑、抹平、养护、安装泄水管、螺母套丝台内检查梯及栏杆t0.12427.18242.72按实际加工并经验收合格的重量计算钢构件制作、除锈、涂底漆、安装、涂面漆挡水墙加强钢筋t01291.2629.13按施工图计算重量,不计搭接及损耗钢筋绑扎、安装、定位、校正台前排水

10、沟及缓冲池淄49.5237.8611774.07按施工图尺寸计算实际行工体积挖基、模板制安拆,混凝土拌制、钢筋制安、浇筑、振捣及养护、回填,清理工作场地实体墩身、墩帽混凝土(墩高18m)砂477.9139.8166815.2按施工图计算用工体积模板安拆,混凝土浇筑、振捣及养护,施工缝处理,脚手架搭拆、接口凿毛实体墩身、墩帽钢筋t13+5291.263932.01按施工图计算重量,不计搭接及损耗钢筋绑扎、安装、定位、校正空心墩身、墩帽混凝土(墩高W30m)原657.7271.84178789.17按施工图计算用工体积模板、工作平台制安拆,协助模板提升、定位,涂脱模剂,混凝土浇筑、捣固、养护、接口

11、凿毛空心墩身、墩帽混凝土(墩高30m,30m以下部分碎)m36202.6271,841686114.13按施工图计算巧工体税模板、工作平台制安拆,协助模板提升、定位,涂脱模剂,混凝土浇筑、捣固、养护、接口凿毛空心墩身、墩帽混凝土(墩高30m,30m以上部分碎)鹏33617.73412.621492748.62按施工图计算与工体积模板、工作平台制安拆,协助模板提升、定位,涂脱模剂,混凝土浇筑、捣固、养护、接口凿毛空心墩身、墩帽钢筋t.638.833981217070.63按施工图计算重量,不计搭接及损耗钢筋绑扎、安装、定位、校正支承垫石混凝土砂27.6276.77636.92按设计图示为工尺寸计

12、算搭拆脚手架;立拆模;涂脱模剂;模板修整;灌注碎、捣固、养护;材料堆放;清理现场等全部工作内容支承垫石钢筋t7.04339.812392.26按设计图示尺寸计算重量,不计搭接、损耗钢筋绑扎、安装、定位、校正墩内检查设备钢料t17.12427.1841504.78按实际加工并经验收合格的重量计算钢构件制作、除锈、涂底漆、安装、涂面漆墩内检杳设备钢筋t1.3339.81441.75按施工图计算重量,不计搭接及损耗钢筋绑扎、安装、定位、校正墩内检查设备混凝土原7310.682174.76按施工图计算用工体积模板、工作平台制安拆,模板提升、定位,涂脱模剂,混凝土浇筑、捣固、养护、接口凿毛墩台防落梁措施

13、(每墩两处)撤1848.54873.72按实际完成的施工图内数量计算安装、螺栓固定、矫正就位上部设备T梁伸缩缝m88,282.527278.26按实际完成的施工图内数量计算清理工作面、修整混凝土面,焊接支撑钢筋、锚固钢筋、定位钢管,安装型钢、橡胶密封带,挡硝钢板,混凝土浇筑、养生角钢支架栏杆t45J2427.18109465.82按实际加工并经验收合格的重量计算钢构件制作、除锈、涂底漆、安装、涂面漆SMC复合材料电缆槽通信(200X30Onlm),双侧设置公里2.2571941.754382.53按现场实际完成的施工图内的数量计算电缆沟清理、复合槽捕设(接缝铺砖)、铺盖板、50米范围内搬运吊篮

14、、围栏钢料t9.82427.1823786.36按实际加工并经验收合格的重量计算钢构件制作、除锈、涂底漆、安装、涂面漆吊篮、围栏步板预制、安装曲5.2621.363231.07按实际完成的施工图内数量计算预制场地整理、模板制安拆、钢筋加工制作、混凝土拌制、浇筑、振捣及养护、场内运输、成品块堆放、安装、沥青砂浆塞缝吊篮、围栏钢筋t0.8339.81271.85按实际完成的施工图内数量计算钢筋焊接、绑扎、入模成型检直梯钢料t1.32427.183155.33按实际加工并经验收合格的重量计算钢构件制作、除锈、涂底漆、安装、涂面漆接触网立柱及拉线基础混凝土30.4553.416823.36按照设计混凝土方1:计算接面凿毛:材料、模板及设备倒运:模板制安拆;碎浇筑、振捣、养生、修整;预埋PVC管的制安,其他预埋件的安装

展开阅读全文
相关资源
猜你喜欢
相关搜索

当前位置:首页 > 办公文档 > 招标投标

copyright@ 2008-2023 1wenmi网站版权所有

经营许可证编号:宁ICP备2022001189号-1

本站为文档C2C交易模式,即用户上传的文档直接被用户下载,本站只是中间服务平台,本站所有文档下载所得的收益归上传人(含作者)所有。第壹文秘仅提供信息存储空间,仅对用户上传内容的表现方式做保护处理,对上载内容本身不做任何修改或编辑。若文档所含内容侵犯了您的版权或隐私,请立即通知第壹文秘网,我们立即给予删除!