关于桥梁梁端电缆槽内接地端子清理的技术交底.docx

上传人:p** 文档编号:632381 上传时间:2023-12-15 格式:DOCX 页数:2 大小:32KB
下载 相关 举报
关于桥梁梁端电缆槽内接地端子清理的技术交底.docx_第1页
第1页 / 共2页
关于桥梁梁端电缆槽内接地端子清理的技术交底.docx_第2页
第2页 / 共2页
亲,该文档总共2页,全部预览完了,如果喜欢就下载吧!
资源描述

《关于桥梁梁端电缆槽内接地端子清理的技术交底.docx》由会员分享,可在线阅读,更多相关《关于桥梁梁端电缆槽内接地端子清理的技术交底.docx(2页珍藏版)》请在第壹文秘上搜索。

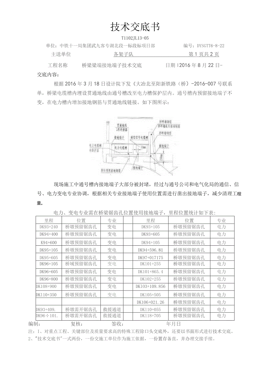
1、技术交底书T1102JL13-05单位:中铁十一局集团武九客专湖北段一标段标项日部编号:DYSGTT6-8-22主送单位各架子队第1页共2页工程名称桥梁梁端接地端子技术交底日期I2016年8月22日-交底内容:根据2016年3月18日设计院下发大冶北至阳新铁路(桥)-2016-007号联系单,桥梁电缆槽内埋设贯通地线由通号槽改至电力槽保护层内。通号槽内预留接地端子不变,在电力槽内增加接地钢筋与贯通地线链接。如下图所示:现场施工中通号槽内接地端子大部分被封堵,经过与通号公司和电气化局的通信、信号、电力变电专业协调,根据相关专业接地端子使用位置需进行凿出接地端子,减少清理工程量。电力、变电专业需在

2、桥梁锯齿孔位置使用接地端子,里程位置统计如下表:里程位置专业里程位置专业DK93+240桥墩预留锯齿孔变电DK93+105桥墩预留锯齿孔屯力DK94+400桥墩预留锯齿孔变电DK93+605桥墩预留锯齿孔电力K94+600桥墩预留锯齿孔变电DK94+105桥墩预留锯齿孔电力DK95+105桥墩预留锯齿孔变电DK94+596.81桥墩预留锯齿孔电力DK95+605桥墩预留锯齿孔变电DK97+017175桥墩预留锯齿孔电力DK96+105桥域预留锯齿孔变电DKl01+255桥墩预留锯齿孔电力DK96+605桥墩预留锯齿孔变电DK101+865.4桥墩预留锯齿孔屯力DK96+800桥墩预留锯齿孔变屯

3、DK102+255桥墩预留锯齿孔屯力DK108+900桥墩预留锯齿孔变电DKlO3+109.856桥墩预留锯齿孔电力DKl10+350桥墩预留锯齿孔变电DKl05+505桥墩预留锯齿孔电力DK106+021.26桥墩预留锯齿孔电力DK93+409.桥墩需开锯齿孔救援通道DKl10+055桥墩预留锯齿孔电力DK96101.桥墩需开锯齿孔救援通道DKl18+705桥墩预留锯齿孔电力编制:复核:签收:年月日注:I、对重点工程、关键部位及质量要求高的特殊工程除口头交底外,还要以书面形式进行技术交底。2、技术交底书一式两份,一份交施工单位作为施工依据,一份置存备直,并办理交接手续。技术交底书T1102J

4、L13-05单位:中铁十一局集团武九客专湖北段一标段标项目部编号:DYSG-1-16-8-22主送单位各架子队第2页共2页工程名称桥梁梁端接地端子技术交底日期2016年8月22日交底内容:通信专业在桥梁位置不需要接地,信号专业设置箱盒的位置在该梁的梁端均需有接地可以使用;设置扼流的位置仅在附近梁端有一个接地即可。具体里程见下表:里程(上行)箱盒里程(下行)箱盒里程(上行)扼流里程(下行)扼流DK92+942DK92942DKl19+600DKl19+600DK938DK93+729DKl18+297DKDKl18+297DK94+700DK94+700DKl16+972DKl16+972DK9

5、5+596DK95+686DKl15+614DKl15+614DK96+295DK96+650DKl14+265DKl14+265DK97+009DK97+597DKl12+916DK112+916DK97+795DK98+500DKl10+257DKl10+257DK98+607DK99+417DK109+067DK109+067DK99+4DK100100DK107+686DK107+686DK100+214DK101+407DK106+43ODK106+430DK101+100DK102+4DK105+109DK105+109DK101+996DK103+412DK103+904DK10

6、3+904DK102+900DKI04+400DK102+562DK102+562DK103+804DK105+416DK101+267DK101+267DK104+800DK106+3OODK99+965DK99+974DK105+800DKl07+214DK98+693DK98+693DK106+800DK108+050DK97+384DK97+384DK107806DK108917DK96+118DK96121DK108+79DK109695DK94+825DK94+825DK109+789DKl10+490DK93+538.DK93+538.DKl10+533DKl11+285DKl11+285DKI12+386DKl12+386DKl13+070DKl13+458DKl13+761DK114+538DKl14+570DKl15+485DKl15+392DK116434DKl16+270DKl17+425DK117+172DKl18+417DKl18.170DK.119+109DKl19+155DKl19+870DK120011DK120+642DK120+882DK121+615DK121+690

展开阅读全文
相关资源
猜你喜欢
相关搜索

当前位置:首页 > 办公文档 > 事务文书

copyright@ 2008-2023 1wenmi网站版权所有

经营许可证编号:宁ICP备2022001189号-1

本站为文档C2C交易模式,即用户上传的文档直接被用户下载,本站只是中间服务平台,本站所有文档下载所得的收益归上传人(含作者)所有。第壹文秘仅提供信息存储空间,仅对用户上传内容的表现方式做保护处理,对上载内容本身不做任何修改或编辑。若文档所含内容侵犯了您的版权或隐私,请立即通知第壹文秘网,我们立即给予删除!