安全交底书(声屏障).docx

上传人:p** 文档编号:633232 上传时间:2023-12-15 格式:DOCX 页数:8 大小:89.50KB
下载 相关 举报
安全交底书(声屏障).docx_第1页
第1页 / 共8页
安全交底书(声屏障).docx_第2页
第2页 / 共8页
安全交底书(声屏障).docx_第3页
第3页 / 共8页
安全交底书(声屏障).docx_第4页
第4页 / 共8页
安全交底书(声屏障).docx_第5页
第5页 / 共8页
安全交底书(声屏障).docx_第6页
第6页 / 共8页
安全交底书(声屏障).docx_第7页
第7页 / 共8页
安全交底书(声屏障).docx_第8页
第8页 / 共8页
亲,该文档总共8页,全部预览完了,如果喜欢就下载吧!
资源描述

《安全交底书(声屏障).docx》由会员分享,可在线阅读,更多相关《安全交底书(声屏障).docx(8页珍藏版)》请在第壹文秘上搜索。

1、技术交底书项目名称:哈牡铁路电化工程ZQTJ-Il标项目经理部X技术交底书表格编号ZTJJ-GGB-2017-施工部位滨绥线K167-K246段既有线路基声屏障交底日期2017.4.1技术交底内容:1、技术交底范围滨绥线K167-K246段既有线路基声屏障,图号:哈牡电化施环-01122,设计情况路基地段声屏障为挖孔桩基础,桩径850mm,桩长平路基及路基高Im以下为4m,路基高Im以上为5m。桩间距4m。桩身采用C30钢筋硅,钢筋最小保护层厚度70mm。桩顶设路基声屏障底梁,声屏障基础与上部H型钢柱预埋件整体一次性浇注。声屏障基础在底梁上每隔20m设一道伸缩缝,缝宽3cm。桩间设连系梁。梁高

2、度0.40m,宽度O.25m,混凝土强度顶级C30,钢筋最小保护层厚度40mm。采用非金属复合吸声材料,插板式,采用H钢立柱,立柱间距不大于4m。C30桩身混凝土5.63m3/根(4.5m3/根),C30连系梁混凝土O.41134m,C20混凝土封钢柱底部O.05m3/柱。路基地段声屏障连续长度大于500m时设置安全门,安全门间距不大于500m声屏障排水:路基段声屏障每隔4m设置排水口,排水口应对应路基边坡排水槽设置,路基边坡上无排水槽时,声屏障排水口对应的路基边坡应进行防护,避免声屏障排水冲刷路基边坡。接地要求:本工程路基段利用基础钢筋作为接地体,每根H型钢立柱的其中至少1个连接螺栓通过A1

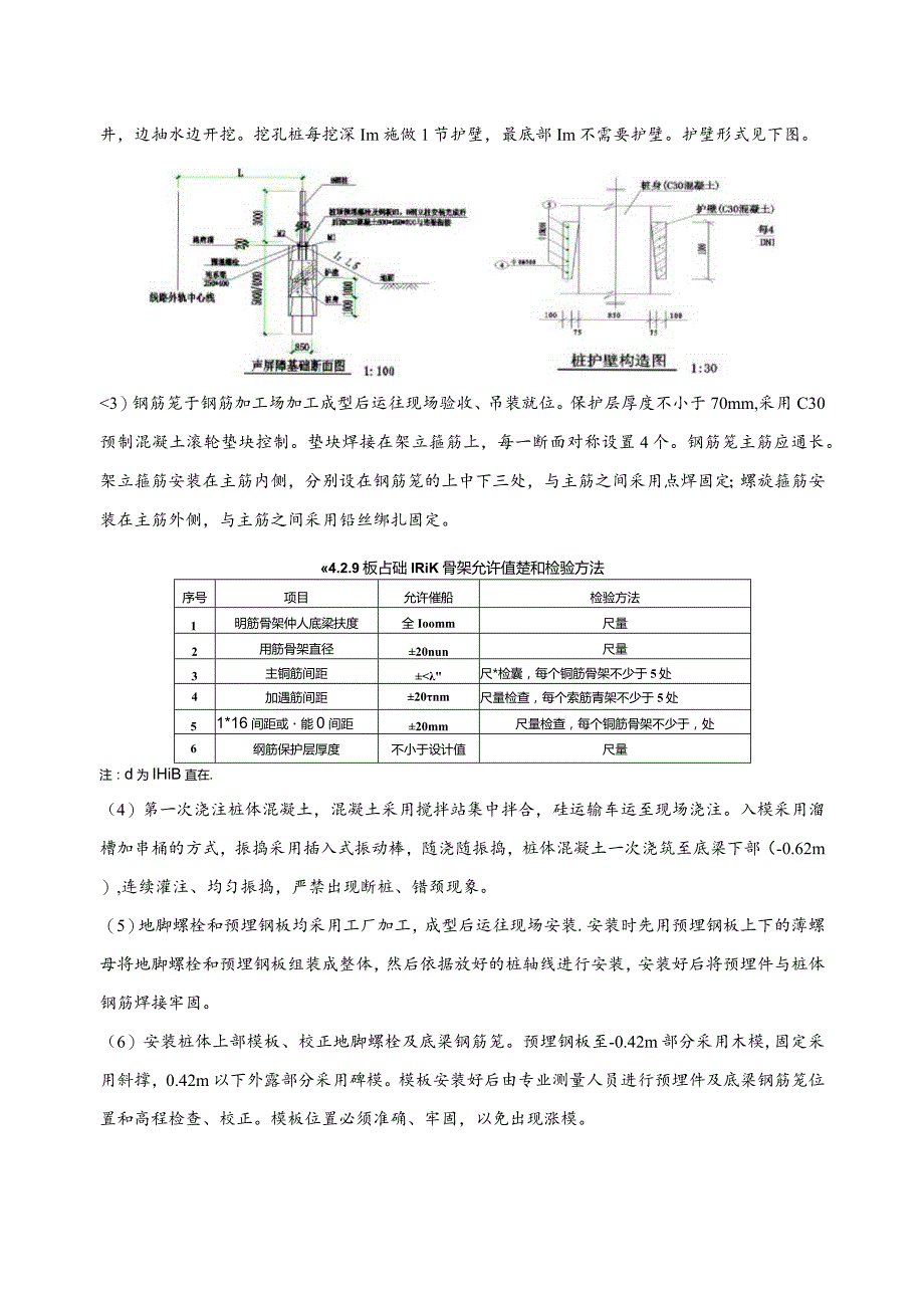
3、4的钢筋与基础中的受力钢筋可靠焊接,并且至少有一根钢筋漏出混凝土接地,保证接地电阻不大于10Q。人工挖桩采用相邻桩跳挖,施工净距不小于5m,施工时可以同时开挖510根桩3,开始施工条件及施工准备工作将施工内容纳入B、C类施工计划。水泥、片石、砂等材料进场并经检验合格。水泥堆放在工地不受潮的地点并覆盖。施工时测量放线定出每根桩基础的中心。4、施工工艺制作钢筋笼第一次浇注桩体碎绑扎底梁钢筋安装底梁侧模浇注底梁混凝土安装钻孔桩孔口模板养护安装校正地脚螺栓路基声屏障基础施工工艺流程图(1)本次针对根据预先确定好的桩孔位置,采用全站仪将桩心位置精确放出,并钉立十字护桩,垂直线路方向采用内外股钢轨两点确定

4、一条直线,顺线路方向直线段把施工范围内桩基最外侧两点挂线,曲线段用距线路中线距离控制,以便于随时恢复班心位置进行检查a表425桩孔允许偈和检险方法序号项目允许偏差检修方法1桩孔中心距线路中心线位量甯mm测2械孔中心沿线路方向位置20mm测量3垂直度1%测量(2)采用人工挖孔成孔,所挖土方采用自卸汽车运至指定地点弃土。施工过程中遇到土工膜或土工格栅时应采用人工切割,避免对邻近土工合成材料产生撕裂、拉伸等破坏;遇到CFG桩或水泥搅拌桩时应凿除,以确保设计桩长;孔底遇地下水时可于孔底一侧挖降水井,边抽水边开挖。挖孔桩每挖深Im施做1节护壁,最底部Im不需要护壁。护壁形式见下图。3)钢筋笼于钢筋加工场

5、加工成型后运往现场验收、吊装就位。保护层厚度不小于70mm,采用C30预制混凝土滚轮垫块控制。垫块焊接在架立箍筋上,每一断面对称设置4个。钢筋笼主筋应通长。架立箍筋安装在主筋内侧,分别设在钢筋笼的上中下三处,与主筋之间采用点焊固定;螺旋箍筋安装在主筋外侧,与主筋之间采用铅丝绑扎固定。4.2.9板占础IRiK骨架允许值楚和检验方法序号项目允许催船检验方法1明筋骨架仲人底梁扶度全Ioomm尺量2用筋骨架直径20nun尺量3主铜筋间距尺*检囊,每个铜筋骨架不少于5处4加遇筋间距20nm尺量检查,每个索筋青架不少于5处51*16间距或能0间距20mm尺量检查,每个铜筋骨架不少于,处6纲筋保护层厚度不小

6、于设计值尺量注:d为IHiB直在.(4)第一次浇注桩体混凝土,混凝土采用搅拌站集中拌合,硅运输车运至现场浇注。入模采用溜槽加串桶的方式,振捣采用插入式振动棒,随浇随振捣,桩体混凝土一次浇筑至底梁下部(-0.62m),连续灌注、均匀振捣,严禁出现断桩、错颈现象。(5)地脚螺栓和预埋钢板均采用工厂加工,成型后运往现场安装.安装时先用预埋钢板上下的薄螺母将地脚螺栓和预埋钢板组装成整体,然后依据放好的桩轴线进行安装,安装好后将预埋件与桩体钢筋焊接牢固。(6)安装桩体上部模板、校正地脚螺栓及底梁钢筋笼。预埋钢板至-0.42m部分采用木模,固定采用斜撑,0.42m以下外露部分采用碑模。模板安装好后由专业测

7、量人员进行预埋件及底梁钢筋笼位置和高程检查、校正。模板位置必须准确、牢固,以免出现涨模。*4.2.18预埋柱垂直度、外露杆长度及栓位*允许偏差和检蛉方法序号检查项目允许偏差检验方法I螺轩垂直度2经纬鸟I2外Ulf杆长度3mm尺事3螺栓L横向位2mm(7)第二次浇注桩体混凝土,混凝土采用搅拌站集中拌合,硅运输车运至现场浇注。入模采用溜槽的方式,振捣采用插入式振动棒,随浇随振捣,连续灌注、均匀振捣。(8)安装底梁钢筋、预埋件,待桩体检测合格后,开始绑扎底梁钢筋,底梁钢筋采用钢筋加工场弯制成型后运至现场绑扎,绑扎采用密丝。底梁混凝土保护层厚度40三,采用C30预制混凝土垫块控制。(9)安装底梁侧模板

8、,底梁侧模采用拼装木模板,固定采用t型撑。(10)浇注底梁混凝土,底梁混凝土采用拌合站集中拌合,混凝土运输车运至现场,人工入模浇注,插入式振动棒振捣。混凝土浇筑前须将桩头凿毛;将底梁内浮土、杂物等清理干净;底梁混凝土浇筑时应以两道伸缩缝之间为单元连续进行,一次灌注完成,并将底梁顶面搓平,压实,摸光,浇筑完毕须将预埋钢板面上的混凝土擦拭干净。4.233声屏障底梁允许偏差和检验方法序号项目允许偏差检验方法内侧距线路中心线位置引mm0-仪2戚面尺寸20mm尺置3表面平整度5mm2m*尺、塞尺(Il)底梁混凝土养护,养护采用土工布覆盖,洒水养护,混凝土养护期不少于7天。(12)底梁拆模,混凝土达到设计

9、强度的75%后方允许拆除模板。拆模后基础上外露的螺栓采用内涂黄油,外用黄胶带缠裹措施进行保护。底梁混凝土干燥后,声屏障安装以前须对伸缩缝填塞沥青油麻毡,填塞时建内应清理干净,在确保干燥的前提下全断面填塞密实。(13)声屏障安装工艺吊装H型钢立柱路基声屏障安装施工工艺流程图a、H型钢立柱采用工厂定做,成型后运往现场吊装,吊装采用汽车吊。吊装前做好以下复核、检验工作:先再次检查、校正预埋地脚螺栓位置、外露长度、丝扣完好情况:然后安装下部薄螺母、弹性垫圈、上部薄螺母,下部薄螺母须拧紧,上部薄螺母顶面调整至与底梁顶面同高。吊装就位后拧紧高强螺栓,拧紧高强螺栓应采用配套扳手,避免超拧欠拧现象,为避免螺母

10、丢失,同侧的螺母须进行电焊点固。吊装过程中须随时检查立柱的垂直度、相邻立柱间距,如有超限及时调整。4.2.20孩埋H型钢柱安装允许偏差和检验方法序号项目允许偏差检险方法1立柱高程5nun水准仪2相尊立柱离It5mm尺3立柱垂直度2经纬仪4纵、横向位置5mm尺戢b、浇筑重力式砂浆,砂浆灌注采用重力式自流灌注,首先洒水湿润柱槽,然后由一侧灌入,直至另一侧有砂浆溢出为止,待砂浆接近初凝时将表面多余的砂浆刮掉,抹平、压光。c、搭设操作平台,移动式操作平台采用自制木梯,搭设在线路侧,梯随人走。d、黏贴单管橡胶垫,用专用粘贴胶将单管橡胶垫粘贴在H型钢的翼缘内侧,要求粘贴牢固,上下顺直。e、吊装声屏障单元板

11、,声屏障单元板采用插装的方式,人工配合机械安装,由上往下逐块插入,吊装时两端须同时缓缓插入。吊装前底部须安装解耦装置,单元板与单元板之间须加垫三元乙丙橡胶垫,安装时须注意吸声板的朝向和上下位置的正确性。5、安全卡控措施(1)施工前,认真审核图纸,现场详细的调查通信、信号、电力、电缆位置,并作出明显标记。施工时,根据现场实际情况采取保护、改移等措施。(2)根据现场实际情况,施工范围内尽量避免施工人员横跨线路。有横越线路时,必须做到一站、二看、三通过,严禁与列车抢越、严禁钻车底或穿越两车间隙,严禁在道心或枕木头上行走,严禁扒乘机车车辆以车代步。(3)进行施工前必须对施工人员进行三级安全教育,增强全

12、员安全生产意识及行为规范,形成人人、时时、处处注意施工安全的良好局面,确保安全生产落实到位。(4)施工中必须设置专职驻站联络员及现场防护员,驻站员与现场防护员必须配备专用通讯设备,严格复诵制度。驻站员要及时预报来车情况,提前通知现场防护员。驻站员及现场防护员必须是经过专门培训并考试合格的正式职工担任。(5)施工所需的材料、工具必须安放在铁路限界外,作业完毕后及时将工具材料带回驻地、将材料堆放在安全地带。施工负责人在收工前必须仔细检查材料、工具收集状况及堆放情况。(6)临近既有线施工时,机械作业必须严格按一机一人,专人指挥、专人防护、人随机走制度进行防护,并且列车通过时停止作业,顺线路方向待机于安全距离外,待列车通过后方可进行作业。(7)根据安全协议,严格施工登记把关和现场监控制度,施工项目负责人、把关人员未到现场不准施工。邻近既有线施工项目未签订安全协议不准施工,设备管理单位监控人员未到现场不准施工。(8)现场施工负责人要随身携带be类施工计划,每日签的外单位配合单,光电缆走向图,施工安全技术交底,二十六条安全卡控红线精摘。交底人:复核人:接收人:操作者接底及签字接底单位中铁九局集团哈牡电气化改造工程ZQTJ-II标二工区接底项目滨绥线K167-K246段既有线路基声屏障日期接底人签字顺号姓名职务或职名备注1234567891011121314151617

展开阅读全文
相关资源
猜你喜欢
相关搜索

当前位置:首页 > 建筑/环境 > 环保行业

copyright@ 2008-2023 1wenmi网站版权所有

经营许可证编号:宁ICP备2022001189号-1

本站为文档C2C交易模式,即用户上传的文档直接被用户下载,本站只是中间服务平台,本站所有文档下载所得的收益归上传人(含作者)所有。第壹文秘仅提供信息存储空间,仅对用户上传内容的表现方式做保护处理,对上载内容本身不做任何修改或编辑。若文档所含内容侵犯了您的版权或隐私,请立即通知第壹文秘网,我们立即给予删除!