尾矿库生产运行期安全检查项目.docx

上传人:p** 文档编号:633452 上传时间:2023-12-15 格式:DOCX 页数:2 大小:16.46KB
下载 相关 举报
尾矿库生产运行期安全检查项目.docx_第1页
第1页 / 共2页
尾矿库生产运行期安全检查项目.docx_第2页
第2页 / 共2页
亲,该文档总共2页,全部预览完了,如果喜欢就下载吧!
资源描述

《尾矿库生产运行期安全检查项目.docx》由会员分享,可在线阅读,更多相关《尾矿库生产运行期安全检查项目.docx(2页珍藏版)》请在第壹文秘上搜索。

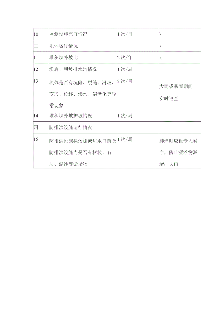
尾矿库生产运行期安全检查项目序号检查项目检查周期备注排放管道运行情况1排放管道排放情况1次/天放矿时专人看守,增加次数2排放管闸阀破损情况1次/天3寒冷地区冬季是否具备正常运行的条件1次/天冬天,放矿时增加次数二监测系统运行情况4库内水位高程人工1次/月、在线监测数据实时监测大雨或暴雨期间增加次数5滩顶高程1次/月6干滩长度人工1次/月、在线监测数据实时监测大雨或暴雨期间增加次数7降雨量实时监测8浸润线数据人工1次/月、在线监测数据实时监测汛期人工增加次数:出现异常,增加次数9沉降、位移数据人工1次/季、在线监测数据实时监测10监测设施完好情况1次/月三坝体运行情况11堆积坝外坡比2次/年12坝肩、坝坡排水沟情况1次/周大雨或暴雨期间实时巡查13坝体是否有沉陷、裂缝、滑坡、变形、位移、渗水、沼泽化等异常现象2次/月14堆积坝外坡护坡情况1次/周四防排洪设施运行情况15防排洪设施拦污栅或进水口前及防排洪设施内是否有树枝、石块、泥沙等淤堵物1次/周排洪时应设专人看守,防止漂浮物淤堵;大雨

展开阅读全文
相关资源
猜你喜欢
相关搜索

当前位置:首页 > 行业资料 > 矿业工程

copyright@ 2008-2023 1wenmi网站版权所有

经营许可证编号:宁ICP备2022001189号-1

本站为文档C2C交易模式,即用户上传的文档直接被用户下载,本站只是中间服务平台,本站所有文档下载所得的收益归上传人(含作者)所有。第壹文秘仅提供信息存储空间,仅对用户上传内容的表现方式做保护处理,对上载内容本身不做任何修改或编辑。若文档所含内容侵犯了您的版权或隐私,请立即通知第壹文秘网,我们立即给予删除!