技术交底(桥面铺装).docx

上传人:p** 文档编号:633942 上传时间:2023-12-15 格式:DOCX 页数:4 大小:27.60KB
下载 相关 举报
技术交底(桥面铺装).docx_第1页
第1页 / 共4页
技术交底(桥面铺装).docx_第2页
第2页 / 共4页
技术交底(桥面铺装).docx_第3页
第3页 / 共4页
技术交底(桥面铺装).docx_第4页
第4页 / 共4页
亲,该文档总共4页,全部预览完了,如果喜欢就下载吧!
资源描述

《技术交底(桥面铺装).docx》由会员分享,可在线阅读,更多相关《技术交底(桥面铺装).docx(4页珍藏版)》请在第壹文秘上搜索。

1、技术交底书表格编号项目名称:哈牡铁路电化工程ZQTJ-H标项目经理部技术交底书ZTJJYGB-2017-025施工部位滨绥线K215+110.354-25m预应力混凝土箱梁桥工程桥面铺装工程交底日期交底内容:一、技术交底范围本交底仅适用于滨绥线K215+110.354-25m预应力混凝土箱梁桥桥面铺装施工。二、设计情况滨绥线K215+110.354-25m预应力混凝土箱梁桥面现浇层设计为8cmC50混凝土现浇层,内设单层钢筋网片,桥面净宽7.0爪三、开始施工的条件及施工准备工作1、桥面铺装施工前,由测量人员按每10米一个断面,每断面不少于4点对梁顶面进行高程测量,箱梁顶面高程经检查、验收,满足

2、质量评定要求,并经向监理工程师报验合格后方可进行混凝土桥面铺装的施工。2、为保证箱梁和桥面铺装之间的连接质量,混凝土桥面铺装施工前先将桥面清理干净,采用空压机将桥梁表面的杂质清扫干净,并用水彻底将桥面杂物冲洗干净。对籍高低不平处,特别是高于箱梁顶面设计高程的部位,要进行局部凿除,以保证混凝土铺装层的厚度。预制小箱梁结构顶面凿毛成凹凸不小于6mm的粗糙面,以利于新旧混凝土良好结合,对箱梁顶面过于光滑、粗糙度达不到要求的部位,要进行凿毛,以保证混凝土结合层间的连接密实,不空鼓。3、对有关施工人员的技术培训和技术交底已完成;特殊工种必须持证上四、施工工艺1、钢筋焊网安装及绑扎钢筋网沿全桥铺设,钢筋网

3、采用直径IOmm螺纹钢筋按横纵间距100mm布置。根据公路桥涵施工技术规程JTG/TF50-2On要求,桥面铺装混凝土钢筋网片钢筋采用平搭法,其搭接长度不应小于40d。钢筋网安装关键是确保混凝土保护层厚度,施工中采用在主梁顶预埋中12钢筋支撑钢筋网片,预埋钢筋露出梁顶6cm。施工过程中操作人员严禁踩踏桥面钢筋网,在钢筋网片中布置钢垫片,上铺木跳板,操作人员在木板上施工。桥面钢筋网绑扎完成后,进行预埋件的安装,保证位置、高程准确,无遗漏。2、桥面铺装混凝土施工和高程控制方法桥面铺装混凝土采用全幅浇筑,横向分条振捣的方法,分条宽度为3米左右。在桥面铺装混凝土分条宽度两侧采用圆钢做标准带,在标准带位

4、置沿混凝土分条方向每隔35米用钢筋加工设置一个标高控制点,然后将圆钢放置其上做振动梁(或滚杠)工作和高程控制的导轨(即标准带)。要严格控制标准带高程,在施工中用3m(与分条宽度对应)直尺找好平整度。3、混凝土浇筑混凝土浇筑。铺设钢筋网片时,要保证网片的保护层厚度、位置满足设计要求,控制保护层的垫块采用水泥砂浆垫块。混凝土浇筑前适时对即将进行混凝土施工的桥面洒水,充分湿润,并且保证桥面没有积水。高温季节施工时宜在白天温度相对较低时段进行施工,以避免现场坍落度损失太大影响桥面铺装层的质量。桥面铺装混凝土经泵车泵送运至桥面,人工基本摊铺均匀,施工过程中严格控制混凝土的坍落度。浇筑过程中采用平板振动器

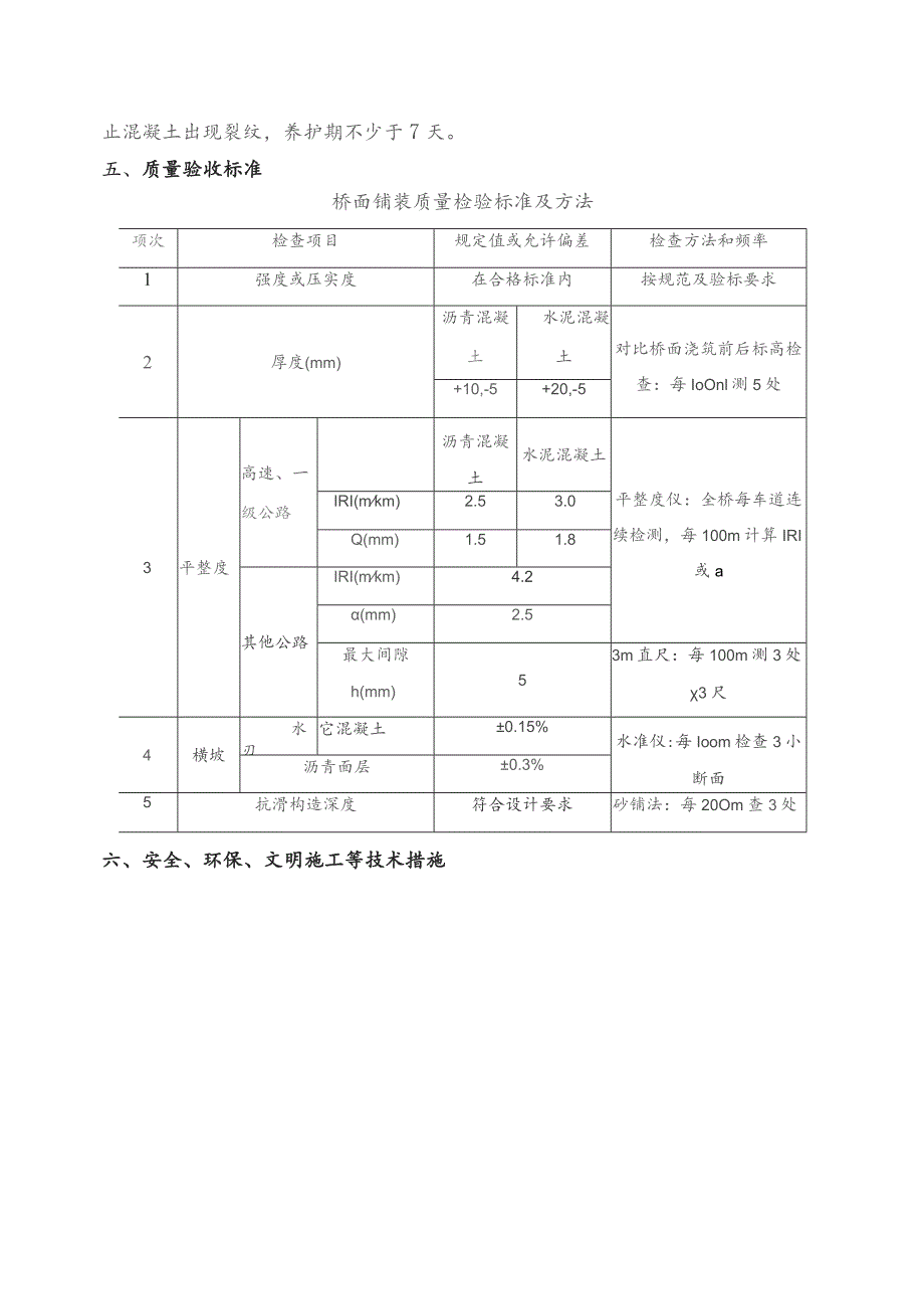
5、进行振捣,并用用滚杠沿圆钢标准带来回滚动、并辅以杠尺找平,边整平边振捣。直至混凝土不再下沉,表面无明显气泡冒出、平坦、泛浆,且高程与圆钢标准带齐平为止。上缘钢筋保护层厚度为20mm。混凝土表面采用木抹或电抹整平,然后进行拉毛处理,拉毛方向垂直于行车道方向。铺装混凝土浇注、成活完成后,应注意观察,如混凝土表面有裂纹产生,可在混凝土初凝后、终凝前适时采取二次抹压的方法消除裂纹。4、混凝土养生混凝土浇注完成,应在初凝或收浆后及时用土工布或塑料布覆盖并适时洒水养护,根据天气情况决定洒水次数,养护期内铺装层混凝土表面应始终保持湿润,防止混凝土出现裂纹,养护期不少于7天。五、质量验收标准桥面铺装质量检验标

6、准及方法项次检查项目规定值或允许偏差检查方法和频率1强度或压实度在合格标准内按规范及验标要求2厚度(mm)沥青混凝土水泥混凝土对比桥面浇筑前后标高检查:每IoOnl测5处+10,-5+20,-53平整度高速、一级公路沥青混凝土水泥混凝土平整度仪:全桥每车道连续检测,每100m计算IRI或aIRI(mkm)2.53.0Q(mm)1.51.8其他公路IRI(mkm)4.2(mm)2.5最大间隙h(mm)53m直尺:每100m测3处3尺4横坡水刃它混凝土0.15%水准仪:每Ioom检查3小断面沥青面层0.3%5抗滑构造深度符合设计要求砂铺法:每20Om查3处六、安全、环保、文明施工等技术措施1、用电线路架设应符合规定要求,配电箱和闸刀盒应上锁,室外配电箱和闸刀盒应有良好的防护措施,配置二级保护。投入施工的电器设备必须安漏电保护器,达到专机专保,一机一闸刀。2、进入施工现场的所有人员必须佩戴安全帽。3、特殊工程的操作工人要做到有安全操作证才能上岗工作,指电焊、电工等工种。4、桥面施工时桥下设专人进行防护,并设置警界线。5、避免夜间进行施工,必要时要有充足的照明。七、其他应注意的问题请严格按此交底进行现场施工;施工过程中若遇不明白之处请及时与技术人员联系,以便及时解释补充交底人:复核人:接收人:

展开阅读全文
相关资源
猜你喜欢
相关搜索

当前位置:首页 > 建筑/环境 > 设计及方案

copyright@ 2008-2023 1wenmi网站版权所有

经营许可证编号:宁ICP备2022001189号-1

本站为文档C2C交易模式,即用户上传的文档直接被用户下载,本站只是中间服务平台,本站所有文档下载所得的收益归上传人(含作者)所有。第壹文秘仅提供信息存储空间,仅对用户上传内容的表现方式做保护处理,对上载内容本身不做任何修改或编辑。若文档所含内容侵犯了您的版权或隐私,请立即通知第壹文秘网,我们立即给予删除!