建筑工程给排水及采暖工程质量验收表格及内容齐全.docx

上传人:p** 文档编号:634741 上传时间:2023-12-15 格式:DOCX 页数:93 大小:483.79KB
下载 相关 举报
建筑工程给排水及采暖工程质量验收表格及内容齐全.docx_第1页
第1页 / 共93页
建筑工程给排水及采暖工程质量验收表格及内容齐全.docx_第2页
第2页 / 共93页
建筑工程给排水及采暖工程质量验收表格及内容齐全.docx_第3页
第3页 / 共93页
建筑工程给排水及采暖工程质量验收表格及内容齐全.docx_第4页
第4页 / 共93页
建筑工程给排水及采暖工程质量验收表格及内容齐全.docx_第5页
第5页 / 共93页
建筑工程给排水及采暖工程质量验收表格及内容齐全.docx_第6页
第6页 / 共93页
建筑工程给排水及采暖工程质量验收表格及内容齐全.docx_第7页
第7页 / 共93页
建筑工程给排水及采暖工程质量验收表格及内容齐全.docx_第8页
第8页 / 共93页
建筑工程给排水及采暖工程质量验收表格及内容齐全.docx_第9页
第9页 / 共93页
建筑工程给排水及采暖工程质量验收表格及内容齐全.docx_第10页
第10页 / 共93页
亲,该文档总共93页,到这儿已超出免费预览范围,如果喜欢就下载吧!
资源描述

《建筑工程给排水及采暖工程质量验收表格及内容齐全.docx》由会员分享,可在线阅读,更多相关《建筑工程给排水及采暖工程质量验收表格及内容齐全.docx(93页珍藏版)》请在第壹文秘上搜索。

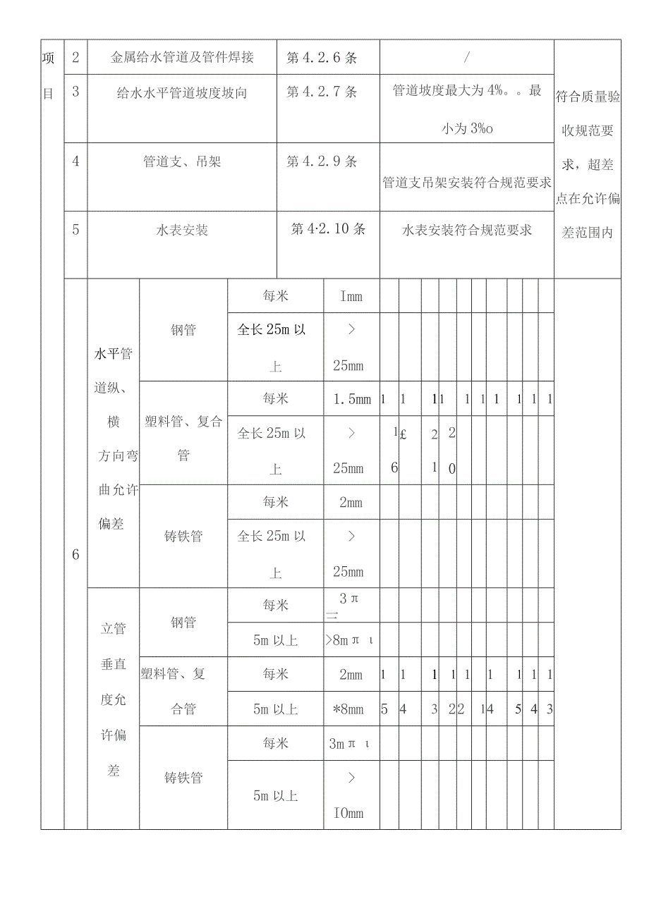
1、室内给水管道及配件安装工程检验批质量验收记录表1单位(子单位)工程名称荣成市好运角学校一小学教学楼分部(子分部)工程名称建筑给水排水及采暖分部验收部位一层施工单位荣成市诚龙建筑有限公司项目经理刘祝军分包单位无分包项目经理无施工执行标准名称及编号建筑给水排水及采暖工程施工工艺标准(GB50242-2002)施工质量验收规范的规定施工单位检查评定记录监理(建设)单位验收记录主控项目1给水管道水压试验设计要求水压试验方式和结果符合设计要求水压试验及通水试验、冲洗符合质量验收规范要求2给水系统通水试验第4.2.2条给水系统经通水试验,符合设计要求3生活给水系统管道冲洗和消毒第4.2.3条给水系统经冲洗

2、消毒试验,经检测合格4直埋金属给水管道防腐第4.2.4条/般1给排水管铺设的平行、垂直净距第4.2.5条经检查给排水管净距均符合要求一般项目检查项目2金属给水管道及管件焊接第4.2.6条/符合质量验收规范要求,超差点在允许偏差范围内3给水水平管道坡度坡向第4.2.7条管道坡度最大为4%。最小为3%o4管道支、吊架第4.2.9条管道支吊架安装符合规范要求5水表安装第42.10条水表安装符合规范要求6水平管道纵、横方向弯曲允许偏差钢管每米Imm全长25m以上25mm塑料管、复合管每米1.5mm1111111111全长25m以上25mm162120铸铁管每米2mm全长25m以上25mm立管垂直度允许

3、偏差钢管每米3三5m以上8m塑料管、复合管每米2mm1111111115m以上*8mm5432214543铸铁管每米3m5m以上IOmm成排管段和成排阀门在同一平面上的间距3mm施工单位检查评定结果专业工长(施工员)李永峰施工班组长刘强主控项目符合要求,一般项目合格。项目专业质量检查员:于德刚年月日监理(建设)单位验收结论合格通过验收专业监理工程师:(建设单位项目专业技术负责人)年月日山东省建设工启用收叔己守上必心室内给水管道及配件安装工程检验批质量验收记录表单位(子单位)工程名称荣成市好运角学校一小学教学楼分部(子分部)工程名称建筑给水排水及采暖分部验收部位二层施工单位荣成市诚龙建筑有限公司

4、项目经理刘祝军分包单位无分包项目经理无施工执行标准名称及编号建筑给水排水及采暖工程施工工艺标准(GB50242-2002)施工质量验收规范的规定施工单位检查评定记录监理(建设)单位验收记录主控项目1给水管道水压试验设计要求水压试验方式和结果符合设计要求水压试验及通水试验、冲洗符合质量验收规范要求2给水系统通水试验第4.2.2条给水系统经通水试验,符合设计要求3生活给水系统管道冲洗和消毒第4.2.3条给水系统经冲洗消毒试验,经检测合格4直埋金属给水管道防腐第4.2.4条/1给排水管铺设的平行、垂直净距第4.2.5条经检查给排水管净距均符合要求一般项目检查符合质量验收规范要求,超差点在允许偏差范围

5、内2金属给水管道及管件焊接第4.2.6条/3给水水平管道坡度坡向4.2.7条管道坡度最大为4o最小为3%q般项目4管道支、吊架第4.2,9条管道支吊架安装符合规范要求5水表安装第42.10条水表安装符合规范要求6水平管道纵、横方向钢管每米Imm全长25m以上#25mm塑料管、复每米1.5mm1111111111弯曲允许偏差合管全长25m以上25mm1182020铸铁管每米2mm全长25m以上25mm立管垂直度允许偏差钢管每米3m5m以上*8mm塑料管、复合管每米2mm11111111115m以上8ffii2432214543铸铁管每米3m115m以上IOmm成排管段和成排阀门在同一平面上的间距

6、3mm施工单位检查评定结果专业工长(施工员)李永峰施工班组长刘强主控项目符合要求,一般项目合格。项目专业质量检查员:于德刚年月日监理(建设)单位验收结论合格通过验收专业监理工程师:(建设单位项目专业技术负责人)年月日山东省建设工程质量监督总站监制室内给水管道及配件安装工程检验批质量验收记录表单位(子单位)工程名称荣成市好运角学校一小学教学楼分部(子分部)工程名称建筑给水排水及采暖分部验收部位三层施工单位荣成市诚龙建筑有限公司项目经理刘祝军分包单位无分包项口经理无施工执行标准名称及编号建筑给水排水及采暖工程施工工艺标准(GB50242-2002)施工质量验收规范的规定施工单位检查评定记录监理(建

7、设)单位验收记录主控项目1给水管道水压试验设计要求水压试验方式和结果符合设计要求水压试验及通水试验、冲洗符合质量验收规范要求2给水系统通水试验第4.2.2条给水系统经通水试验,符合设计要求3生活给水系统管道冲洗和消毒第4,2.3条给水系统经冲洗消毒试验,经检测合格4直埋金属给水管道防腐第4.2.4条/般项I给排水管铺设的平行、垂直净距第4.2,5条经检查给排水管净距均符合要求一般项目检查符合质2金属给水管道及管件焊接第4.2.6条/3给水水平管道坡度坡向第4.2.7条管道坡度最大为4o最小为3%0量验收规范要求,超差点在允许偏差范围内4管道支、吊架第4.2.9条管道支吊架安装符合规范要求5水表

8、安装第4.2.10条水表安装符合规范要求6水平管道纵、横方向弯曲允许偏差钢管每米Imm全长25m以上寺25mm塑料管、复合管每米1.5mm1111111111全长25m以上25mm162120铸铁管每米2mm全长25m以上25mm立管垂直度允许偏差钢管每米3m5m以上8mm塑料管、复合管每米2m1111111115m以上8mm3432214543铸铁管每米3m5m以上#IOmm成排管段和成排阀门在同一平面上的间距3m施工单位检查评定结果专业工长(施工员)李永峰施工班组长刘强主控项目符合要求,一般项目合格。项目专业质量检查员:于德刚年月日监理(建设)单位验收结论合格通过验收专业监理工程师:(建设

9、单位项目专业技术负责人)年月日山东省建设工程质量监督总站监制施工执行标准名称及编号室内给水管道及配件安装工程检验批质量验收记录表单位(子单位)工程名称荣成市好运角学校一小学教学楼分部(子分部)工程名称建筑给水排水及采暖分部验收部位四层施工单位荣成市诚龙建筑有限公司项目经理刘祝军分包单位无分包项目经理无建筑给水排水及采暖工程施工工艺标准(GB50242-2002)施工质量验收规范的规定施工单位检查评定记录监理(建设)单位验收记录主控项目1给水管道水压试验设计要求水压试验方式和结果符合设计要求水压试验及通水试验、冲洗符合质量验收规范要求2给水系统通水试验第4.2.2条给水系统经通水试验,符合设计要求3生活给水系统管道冲洗和消毒第4.2.3条给水系统经冲洗消毒试验,经检测合格4直埋金属给水管道防腐第4.2.4条/1给排水管铺设的平行、垂直净距第4.2.5条经检查给排水管净距均符合要求一般项目检查符合质量验收规范要求,超差点在允许偏差范围内2金属给水管道及管件焊接第4.2.6条/3给水水平管道坡度坡向4.2.7条管道坡度最大为4o最小为3%q般项目4管道支、吊架第4.2,9条管道支吊架安装符合规范要求5水表安装第42.10条水表安装符合规范要求6水平管道纵、横方向钢管每米Imm全长25m以上#25mm塑料管、复每米1.5mm1111111111弯曲允许

展开阅读全文
相关资源
猜你喜欢
相关搜索

当前位置:首页 > 建筑/环境 > 建筑资料

copyright@ 2008-2023 1wenmi网站版权所有

经营许可证编号:宁ICP备2022001189号-1

本站为文档C2C交易模式,即用户上传的文档直接被用户下载,本站只是中间服务平台,本站所有文档下载所得的收益归上传人(含作者)所有。第壹文秘仅提供信息存储空间,仅对用户上传内容的表现方式做保护处理,对上载内容本身不做任何修改或编辑。若文档所含内容侵犯了您的版权或隐私,请立即通知第壹文秘网,我们立即给予删除!