建筑电气CAD图纸常用符号.docx

上传人:p** 文档编号:634771 上传时间:2023-12-15 格式:DOCX 页数:48 大小:121.62KB
下载 相关 举报
建筑电气CAD图纸常用符号.docx_第1页
第1页 / 共48页
建筑电气CAD图纸常用符号.docx_第2页
第2页 / 共48页
建筑电气CAD图纸常用符号.docx_第3页
第3页 / 共48页
建筑电气CAD图纸常用符号.docx_第4页
第4页 / 共48页
建筑电气CAD图纸常用符号.docx_第5页
第5页 / 共48页
建筑电气CAD图纸常用符号.docx_第6页
第6页 / 共48页
建筑电气CAD图纸常用符号.docx_第7页
第7页 / 共48页
建筑电气CAD图纸常用符号.docx_第8页
第8页 / 共48页
建筑电气CAD图纸常用符号.docx_第9页
第9页 / 共48页
建筑电气CAD图纸常用符号.docx_第10页
第10页 / 共48页
亲,该文档总共48页,到这儿已超出免费预览范围,如果喜欢就下载吧!
资源描述

《建筑电气CAD图纸常用符号.docx》由会员分享,可在线阅读,更多相关《建筑电气CAD图纸常用符号.docx(48页珍藏版)》请在第壹文秘上搜索。

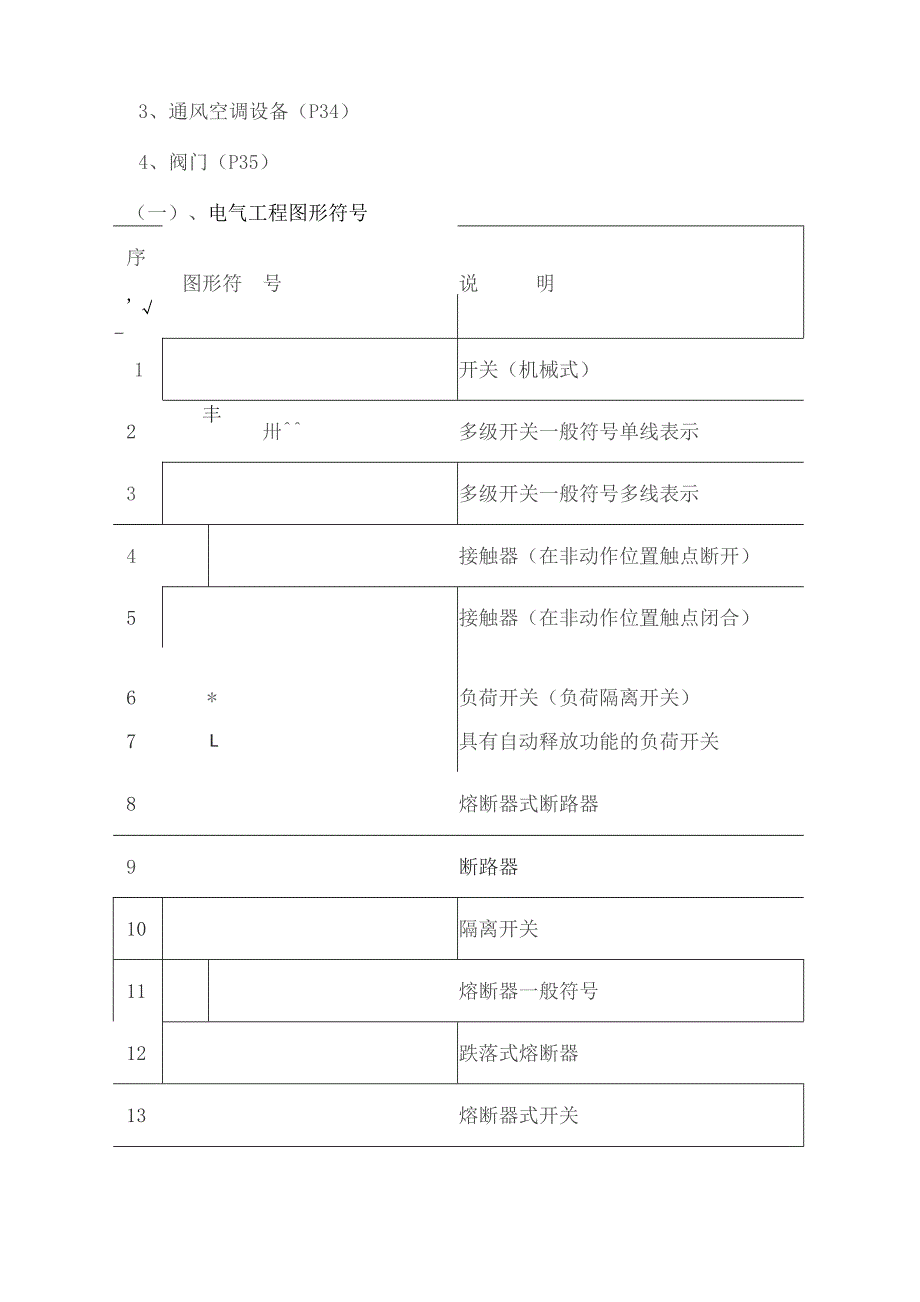
1、建筑电气工程图形符号安装工程常用图形符号一、电气工程图形符号1、电气工程图形符号(P2)2、机械控制图形符号(P13)3、操作件和操作方法(P14)4、非电量控制及其他(导线的连接,交流器方框符号,电动机启动器的方框符号,接近和接触敏感器件,电力、照明和电信布置插座,电力、照明和电信布置开关)(P15)5、图集使用的范例和说明(P19)6、在工程平面图中标注的各种符号及代表名称(P25)7、表达线路敷设方式标注的文字代号(P26)8、表达线路敷设部位标注的文字代号(P27)9、表达照明灯具安装方式标注的文字代号(P27)二、管道工程图形符号1、管道及附件(P28)2、管道的连接(P29)3、阀

2、门图形符号(P30)4、卫生器具及水池图形符号(P31)5、设备及仪表图形符号(P32)三、暖通工程图形符号1、图样线型(P33)2、风管及部件(P33)3、通风空调设备(P34)4、阀门(P35)(一)、电气工程图形符号序图形符号说明-1开关(机械式)2丰卅多级开关一般符号单线表示3多级开关一般符号多线表示4接触器(在非动作位置触点断开)5接触器(在非动作位置触点闭合)6*负荷开关(负荷隔离开关)7L具有自动释放功能的负荷开关8熔断器式断路器9断路器10隔离开关11熔断器一般符号12跌落式熔断器13熔断器式开关14丁熔断器式隔离开关15熔断器式负荷开关序I.图形符号说明166_厂当操作器件被

3、吸合时延时闭合的动合触点17+X当操作器件被释放时延时闭合的动合触点18当操作器件被释放时延时闭合的动断触点19向当操作器件被吸合时延时闭合的动断触点20当操作器件被吸合时延时闭合和释放时延时断开的动合触点21山按钮开关(不闭锁)22旋钮开关、旋转开关(闭锁)23I位置开关,动合触点限制开关,动合触点24位置开关,动断触点限制开关,动断触点25热敏开关,动合触点注:可用动作温度代替26热敏自动开关,动断触点注:注意区别此触点和下图所示热继电器的触点i-27-0-具有热元件的气体放电管荧光灯起动器28W动合(常开)触点注:本符号也可用作开关一般符号29I#动断(常闭)触点30先断后合的转换触点(

4、一)电气工程图形符号一续表序图形符号说明号31S当操作器件被吸合或释放时,暂时闭合的过渡动合触点32C?座(内孔的)或插座的一个极(-33插头(凸头的)或插头的一个极34C插头和插座(凸头的和内孔的)53A35-11P-1接通的连接片36换接片37LJE双绕组变压器386己r三绕组变压器390M自耦变压器40LaJ电抗器扼流图41*t电流互感器脉冲变压器42具有两个铁芯和两个二次绕组的电流互感器4QOIf二在一个铁芯上具有两个二次绕组的(X1,二电流互感器具有有载分接开关的三相三绕组变44翳压器,有中性点引出线的星形-三角形连接三相三绕组变压器,两个绕组为有45段中性点引出线的星形,中性点接地

5、,第三绕组为开口三角形连接(一)电气工程图形符号一续表序号图形符号说明46D兄三相变压器星形-三角形连接47疔具有有载分接开关的三相变压器星形-三角形连接48HU三相变压器星形-曲折形连接49中a操作器件一般符号50H二注*/*具有两个绕组的操作器件组合表示法51电甘热继电器的驱动器件52气体继电器53S自动重闭合器件54-W电阻器一般符号55可变电阻器可调电阻器56滑动触点电位器57*预调电位器58T*电容器一般符号59*可变电容器可调电容器60才才才/双联同调可变电容器(一)电气工程图形符号一续表序图形符号说明号61指示仪表(星号必须按规定予以代表)62电压表63电流表64无功电流表65最

6、大需量指示器(由一台积算仪表操作的)66无功功率表67功率因素表68频率表69O温度计、高温计(9可由t代替)70转速表71国积算仪表、电能表(星号必须按规定予以代替)72Ah安培小时计73Wh电能表(瓦特小时表)74varh无功电能表75WiI-带发送器电能表76Wh由电能表操纵的遥测仪表(转发器)77-Wh由电能表操纵的带有打印器材的遥测仪表(转发器)78屏、盘、架一般符号注:可用文字符号或型号表示设备名称79IllLl口【口列架一般符号80人工交换台、中断台、测量台、业务台等一般符号(一)电气工程图形符号一续表序号图形符号说明81总配线架82中间配线架83走线架、电缆走道84地面上明装走

7、线槽85地面下暗装走线槽86-交流母线87直流母线88.装在支柱上的封闭式母线89母线伸缩接头90中性线91干保护线92保护和中性共用线93*w:具有保护和中性的三相配线94滑触线95地下线路96G架空线路97管道线路98多孔(如6孔)管道线路99具有埋入地下连接点的线路100A水下线路101-/r沿建筑物明敷设通信线路102/沿建筑物暗敷设通信线路103电气排流电缆104一一(挂在钢索上的线路105106107三-m用单线表示的多回线路(或电缆管束)导线、导线组、电路线路、母线一般符号册三根导线108四根导线109110事故照明线-50V及其以下电力及照明线路(一)电气工程图形符号一续表序号

8、图形符号说明Ill控制及信号线路(电力及照明用)1121原电池或蓄电池113II原电池组或蓄电池组IU114TliH带抽头的原电池组或蓄电池组115接地一般符号116J,1接机壳或接底板117无噪声接地118保护接地119等电位120Y-中电缆终端头121e,9L电力电缆直通接线盒122电力电缆连接盒电力电缆分线盒123控制和指示设备124报警启动装置(点式-手动或自动)125线型探测器126Z火灾报警装置127i热128烟129130序号O易爆气体Y手动启动图形符号说明131电铃1324扬声器133发声器134Q电话机135Q照明信号136手动报警器1373感烟火灾探测器138感温火灾探测器

9、139E气体火灾探测器140互火警电话机141报警发声器142QO?有视听信号的控制和显示设备143在专用电路上的事故照明灯144自带电源的事故照明灯装置(应急灯)145警卫信号探测器146警卫信号区域报警器147警卫信号总报警器148-逃生路线,逃生方向149逃生路线,最终出品150二氧化碳消防设备辅助符合1523氧化剂消防设备辅助符号153卤代烷消防设备辅助符号2、机械控制序号1国家标准图形符号说明机械的连接气动的连接液压的连接2I-具有力或者运动指示方向的机械连接3延时动作注:三角为指向返回方向4_一_自动复位注:三角为指向返回方向5定位非自动复位6脱离定位7进入定位8MMB三MMB*KMM接触效应操作240紧急开关25-手轮操作26/脚踏操作27t杠杆操作28O可拆卸的手柄操作29注钥匙操作30-Tih柄操作31BOB滚轮操作320凸轮操作33过电流保护的电磁操作34I*h-i电磁执行器操作35热执行器操作36()-电动机操作37-屯钟操作4、非电量控制及其他38O液位控制39oj计数控制40LZF流体控制4113F气流控制42

展开阅读全文
相关资源
猜你喜欢
相关搜索

当前位置:首页 > 建筑/环境 > 建筑资料

copyright@ 2008-2023 1wenmi网站版权所有

经营许可证编号:宁ICP备2022001189号-1

本站为文档C2C交易模式,即用户上传的文档直接被用户下载,本站只是中间服务平台,本站所有文档下载所得的收益归上传人(含作者)所有。第壹文秘仅提供信息存储空间,仅对用户上传内容的表现方式做保护处理,对上载内容本身不做任何修改或编辑。若文档所含内容侵犯了您的版权或隐私,请立即通知第壹文秘网,我们立即给予删除!