脚手架拆除风险辨识及防范措施.docx

上传人:p** 文档编号:635849 上传时间:2023-12-15 格式:DOCX 页数:1 大小:15.03KB
下载 相关 举报
脚手架拆除风险辨识及防范措施.docx_第1页
第1页 / 共1页
亲,该文档总共1页,全部预览完了,如果喜欢就下载吧!
资源描述

《脚手架拆除风险辨识及防范措施.docx》由会员分享,可在线阅读,更多相关《脚手架拆除风险辨识及防范措施.docx(1页珍藏版)》请在第壹文秘上搜索。

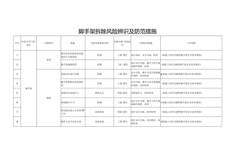
脚手架拆除风险辨识及防范措施序号分部分项工程/部位风险辨识措施可能导致事故类型风险分级/风险标识主要防范措施工作依据1脚手架使用脚手架未经验收使用或验收不合格使用坍塌三级/黄色进行验收,安全交底,检查筑施工扣件式钢管脚手架安全技术规范2脚手架超载使用坍塌二级橙色进行安全交底,遵守专项方案或操作规程,检查筑施工扣件式钢管脚手架安全技术规范3拆除拆除前未进行加固坍塌三级/黄色安全交底,遵守专项方案或操作规程,组织检查g筑施工扣件式钢管脚手架安全技术规范4脚手架拆除违章违规作业坍塌三级/黄色安全交底,遵守专项方案或操作规程,组织检查筑施工扣件式钢管脚手架安全技术规范5拆除时未设监护人物体打击四级/蓝色设置监护人,组织检查(筑施工扣件式钢管脚手架安全技术规范6拆除顺序不当坍塌三级/黄色进行安全交底,遵守专项方案或操作规程,检查W筑施工扣件式钢管脚手架安全技术规范7搭设或安装人员未持IiF上岗高处坠落四级/蓝色进行安全交底,组织检查筑施工扣件式钢管脚手架安全技术规范8操作人员不系安全带高处坠落三级/黄色进行安全交底,培训教育,组织检查成筑施工扣件式钢管脚手架安全技术规范

展开阅读全文
相关资源
猜你喜欢
相关搜索

当前位置:首页 > 管理/人力资源 > 商业合同

copyright@ 2008-2023 1wenmi网站版权所有

经营许可证编号:宁ICP备2022001189号-1

本站为文档C2C交易模式,即用户上传的文档直接被用户下载,本站只是中间服务平台,本站所有文档下载所得的收益归上传人(含作者)所有。第壹文秘仅提供信息存储空间,仅对用户上传内容的表现方式做保护处理,对上载内容本身不做任何修改或编辑。若文档所含内容侵犯了您的版权或隐私,请立即通知第壹文秘网,我们立即给予删除!