设计交底及施工图会审电气-20181026答复 .docx

上传人:p** 文档编号:636268 上传时间:2023-12-15 格式:DOCX 页数:2 大小:19.42KB
下载 相关 举报
设计交底及施工图会审电气-20181026答复 .docx_第1页
第1页 / 共2页
设计交底及施工图会审电气-20181026答复 .docx_第2页
第2页 / 共2页
亲,该文档总共2页,全部预览完了,如果喜欢就下载吧!
资源描述

《设计交底及施工图会审电气-20181026答复 .docx》由会员分享,可在线阅读,更多相关《设计交底及施工图会审电气-20181026答复 .docx(2页珍藏版)》请在第壹文秘上搜索。

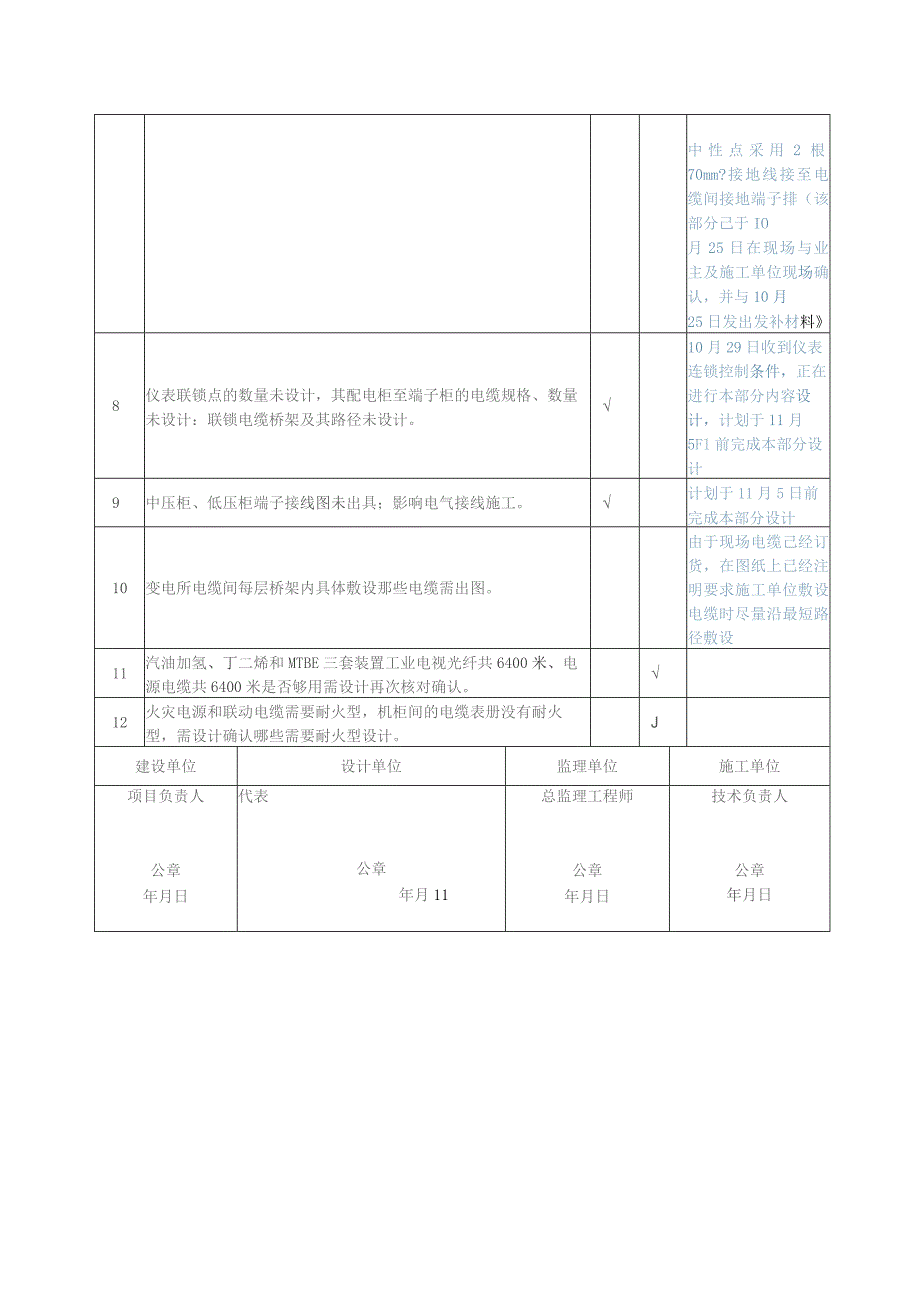
1、施工图审查记录项目名称浙江石油化工有限公司4000万吨/年炼化一体化项目一期工程主项名称60万吨/年裂解汽油加氢装置-变电所主项号1202审查类别符合性审杳技术性审查技术性审查记录编号会审图纸名称会乍Iigl纸图号会审图纸版次收图时间装置变电所电缆间桥架走向图001-1193E-12-0211-Bla-71-353-0001C0/C12018.7.16/2018J0.12变电所动力系统布置图1193E-12-02H-Bla-70-340-0001CO2017.11.06裂解汽油加氢用电条件表1193E-12-0200-01-410-0006CO2017.11.28接地及防雷系统布置图1193E

2、-12-02Il-Bla-70-370-0001CO2017.10.20序号问题说明问题类别处理意见重大般12根35kV电缆进线进变电所电缆配管,在上建图纸没有体现电缆配管预留,土建未做预留,需重新设计。己处理(9月5日己答复)2低压变频器柜进线电源电缆敷设路径未明确。J已处理(9月5日已答复)3第二排中压柜(南侧)的高压电机回路出线电缆路径未明确。J己处理(9月5日己答复)4MTBE/丁烯-1装置照明和检修电源电缆路径未明确;1203-PM-0601/0602/0603电机电缆无法直接进入1204-005L桥架中。己处理(9月5日己答复)5各变压器室大门接地,其路径及材料图纸未明确;桥架是否

3、接地图纸未明确。J已处理(9月5日已答复)6机柜间与变电所北侧接地干线因与系统电缆沟施工交叉,接地施工困难。己处理(9月5日己答复)78台IOkV变压器中性点(N母排)接地方式、接地电缆规格及材料量未明确。6#油浸式变压器中性点接地为在低压柜侧接地,每段采用2根70mr112接地线将N排、PE排接地:7、8#干变中性点采用2根70mm?接地线接至电缆间接地端子排(该部分己于IO月25日在现场与业主及施工单位现场确认,并与10月25日发出发补材料8仪表联锁点的数量未设计,其配电柜至端子柜的电缆规格、数量未设计:联锁电缆桥架及其路径未设计。10月29日收到仪表连锁控制条件,正在进行本部分内容设计,计划于11月5Fl前完成本部分设计9中压柜、低压柜端子接线图未出具;影响电气接线施工。计划于11月5日前完成本部分设计10变电所电缆间每层桥架内具体敷设那些电缆需出图。由于现场电缆己经订货,在图纸上已经注明要求施工单位敷设电缆时尽量沿最短路径敷设11汽油加氢、丁二烯和MTBE三套装置工业电视光纤共6400米、电源电缆共6400米是否够用需设计再次核对确认。12火灾电源和联动电缆需要耐火型,机柜间的电缆表册没有耐火型,需设计确认哪些需要耐火型设计。J建设单位设计单位监理单位施工单位项目负责人公章年月日代表公章年月11总监理工程师公章年月日技术负责人公章年月日

展开阅读全文
相关资源
猜你喜欢
相关搜索

当前位置:首页 > 建筑/环境 > 设计及方案

copyright@ 2008-2023 1wenmi网站版权所有

经营许可证编号:宁ICP备2022001189号-1

本站为文档C2C交易模式,即用户上传的文档直接被用户下载,本站只是中间服务平台,本站所有文档下载所得的收益归上传人(含作者)所有。第壹文秘仅提供信息存储空间,仅对用户上传内容的表现方式做保护处理,对上载内容本身不做任何修改或编辑。若文档所含内容侵犯了您的版权或隐私,请立即通知第壹文秘网,我们立即给予删除!