钢材和连接的强度设计值.docx

上传人:p** 文档编号:637424 上传时间:2023-12-15 格式:DOCX 页数:90 大小:687.57KB
下载 相关 举报
钢材和连接的强度设计值.docx_第1页
第1页 / 共90页
钢材和连接的强度设计值.docx_第2页
第2页 / 共90页
钢材和连接的强度设计值.docx_第3页
第3页 / 共90页
钢材和连接的强度设计值.docx_第4页
第4页 / 共90页
钢材和连接的强度设计值.docx_第5页
第5页 / 共90页
钢材和连接的强度设计值.docx_第6页
第6页 / 共90页
钢材和连接的强度设计值.docx_第7页
第7页 / 共90页
钢材和连接的强度设计值.docx_第8页
第8页 / 共90页
钢材和连接的强度设计值.docx_第9页
第9页 / 共90页
钢材和连接的强度设计值.docx_第10页
第10页 / 共90页
亲,该文档总共90页,到这儿已超出免费预览范围,如果喜欢就下载吧!
资源描述

《钢材和连接的强度设计值.docx》由会员分享,可在线阅读,更多相关《钢材和连接的强度设计值.docx(90页珍藏版)》请在第壹文秘上搜索。

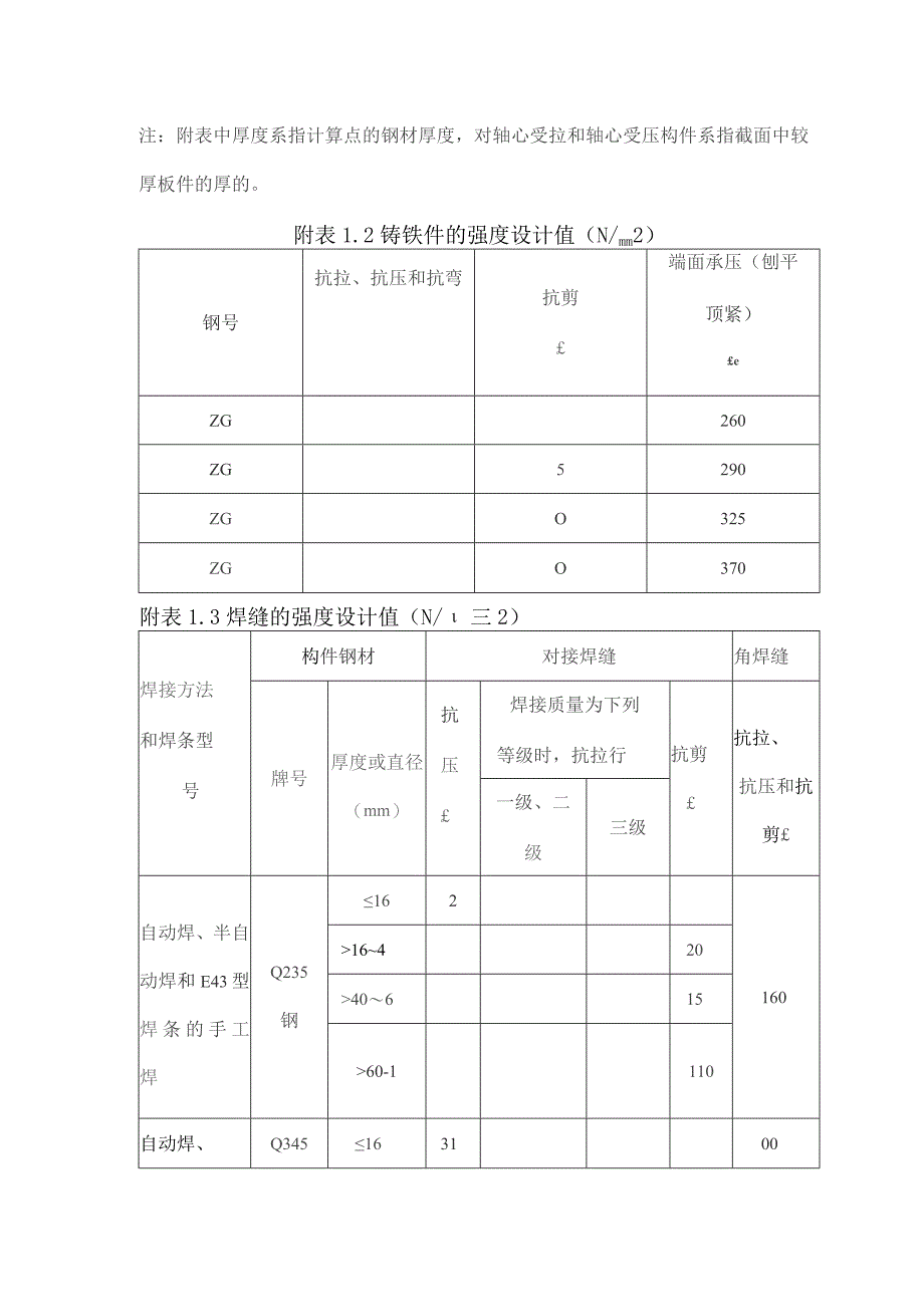
1、附录附录1钢材和连接的强度设计值附表1.1钢材的强度设计值(N/mm2)钢材抗拉、抗压和抗弯F抗剪尤端面承压(刨平顶紧)九牌号厚度或直径(mm)Q235钢16215125325164()205120406020011560100190110Q345钢1631018040016-40295170406026515560100250145Q390钢163502054151640335190406031518060100295170Q420钢W16380220440164036021。406()34019560100325185注:附表中厚度系指计算点的钢材厚度,对轴心受拉和轴心受压构件系指截面中较

2、厚板件的厚的。附表1.2铸铁件的强度设计值(N/mm2)钢号抗拉、抗压和抗弯抗剪端面承压(刨平顶紧)eZG260ZG5290ZGO325ZGO370附表1.3焊缝的强度设计值(N/三2)焊接方法和焊条型号构件钢材对接焊缝角焊缝牌号厚度或直径(mm)抗压焊接质量为下列等级时,抗拉行抗剪抗拉、抗压和抗剪一级、二级三级自动焊、半自动焊和E43型焊条的手工焊Q235钢162160164204061560-1110自动焊、Q345163100半自动焊和E50型焊条的手工焊钢16352952952501703555550-1145自动焊、半自动焊和E55型焊条的手工焊Q390钢16352016353353

3、3528519035503A50l170Q420钢163820163536036。30521035595501185注:1自动焊和半自动焊所采用的焊丝和焊剂,应保证其熔敷金属的力学性能不低于现行国家标准埋弧焊用碳钢焊丝和焊剂GB/T5293和低合金钢埋弧焊用焊剂GB/T12470中相关的规定。2焊缝质量等级应符合现行国家标准钢结构工程施工质量验收规范GB50205的规定。其中厚度小于8mm钢材的对接焊缝,不应采用超声波探伤确定焊缝质量等级。3对接焊缝在受压区的抗弯强度设计值取6,在受拉区的抗弯强度设计值取o4附表中厚度系指计算点的钢材厚度,对轴心受拉和轴心受压构件系指截面中较厚板件的厚度。附表

4、L4螺栓连接的强度设计值(N/mm2)螺栓的性能等级、锚栓和构件钢材的牌号普通螺栓锚栓承压型连接高强度螺栓C级螺栓A级、B级螺栓抗拉抗剪承压抗拉抗剪承压抗拉抗拉抗剪承压尸灯疔疔4.6级、17144.8级00普通螺5.6级2119栓00&8级400320锚栓Q235钢140Q345钢180承压型连接高8.8级400250强度螺栓10.9级500310构件Q235钢305405470Q345钢385510590Q390钢400530615Q420钢425560655注:1A级螺栓用于o24mm和/WlOd或/W150mm(按较小值)的螺栓;B级螺栓用于/24mm和/10d或)150mm(按较小值)

5、的螺栓。d为公称直径,/为螺杆公称长度。2A、B级螺栓孔的精度和孔壁表面粗糙度,C级螺栓孔的允许偏差和孔壁表面粗糙度,均应符合现行国家标准钢结构工程施工质量验收规范GB50205的要求。附表1.5斜钉连接的强度设计值(N/i三2)抑钉钢号和构件钢材牌号抗拉(钉头脱落)r抗剪承压WI类孔II类孔I类孔U类孔铮钉BL2或BL3120185155构件Q235钢450365Q345钢565460Q390钢590480注:1属于下列情况者为I类孔:1)在装配好的构件上按设计孔径钻成的孔;2)在单个零件和构件上按设计孔径分别用钻模钻成的孔;3)在单个零件上先钻成或冲成较小的孔径,然后在装配好的构件上再扩钻

6、至设计孔径的孔。2在单个零件上一次冲成或不用钻模钻成设计孔径的孔属于II类孔。附录2结构或构件的变形容许值2.1受弯构件的挠度容许值2.1.1吊车梁、楼盖梁、屋盖梁、工作平台梁以及墙架构件的挠度不宜超过附表2.1.1所列的容许值。附表2.1.1受弯构件挠度容许值项次构件类别挠度容许值吒%1吊车梁和吊车桁架(按自重和起重量最大的一台吊车计算挠度)(1)手动吊车和单梁吊车(含悬挂吊车)轻级工作制桥式吊车(3)中级工作制桥式吊车重级工作制桥式吊车7/5007/8007/10007/12002手动或电动葫芦的轨道梁7/400有重轨(重量等于或大于38kgm)轨道的工作平台梁7/6003有轻轨(重量等于

7、或小于24kgm)轨道的工作平7/400台梁楼(屋)盖梁或桁架、工作平台梁(第3项除外)和平台板(1)主梁或桁架(包括设有悬挂起重设备的梁和桁7/4007/500架)7/2507/350抹灰顶棚的次梁7/2507/300(3)除(1)、(2)款外的其他梁(包括楼梯梁)4(4)屋盖I禀条7/150支承无积灰的瓦楞铁和石棉瓦屋面者7/200支承压型金属板、有积灰的瓦楞铁和石棉瓦等7/200屋面者7/150支承其他屋面材料者(5)平台板墙架构件(风荷载不考虑阵风系数)(1)支柱7/4005抗风桁架(作为连续支柱的支承时)7/100(3)砌体墙的横梁(水平方向)0支承压型金属板、瓦楞铁和石棉瓦墙面的横

8、梁7/300(水平方向)(5)带有玻璃窗的横梁(竖直和水平方向)7/2007/2002/200注:1/为受弯构件的跨度(对悬臂梁和伸臂梁为悬伸长度的2倍)。2片为永久和可变荷载标准值产生的挠度(如有起拱应减去拱度)的容许值:%为可变荷载标准值产生的挠度的容许值。2.1.2冶金工厂或类似车间中设有工作级别为A7、A8级吊车的车间,其跨间每侧吊车梁或吊车桁架的制动结构,由一台最大吊车横向水平荷载(按荷载规范取值)所产生的挠度不宜超过制动结构跨度的1/2200。2.2框架结构的水平位移容许值2.2.1在风荷载标准值作用下,框架柱顶水平位移和层加相对位移不宜超过下列数值:1无桥式吊车的单层框架的柱顶位

9、移距1502有桥式吊车的单层框架的柱顶位移尿4003多层框架的柱顶位移H/5004多层框架的层加相对位移2/400,为自基础顶面至柱顶的总高度;力为层高。注:1对室内装修要求较高的民用建筑多层框架结构,层间相对位移宜适当减小。无墙壁的多层框架结构,层间相对位移可适当放宽。2对轻型框架结构的柱顶水平位移和层间位移均可适当放宽.2.2.2在冶金工厂或类似车间中设有A7、A8级吊车的厂房柱和设有中级和重级工作制吊车的露天栈桥柱,在吊车梁或吊车桁架的顶面标高处,由一台最大吊车水平荷载(按荷载规范取值)所产生的计算变形值,不宜超过附表A.2.2所列的容许值。附表2.2.2柱顶水平位移(计算值)的容许值项

10、次位移的种类按平面结构图形计算按空间结构图形计算1厂房柱的横向位移/1250以/20002露天栈桥柱的横向位移以/25003厂房和露天栈桥柱的纵向位移/4000注:1为基础顶面至吊车梁或吊车桁架顶面的高度。2计算厂房或露天栈桥柱的纵向位移时,可假设吊车的纵向水平制动力分配在温度区段内所有柱间支撑或纵向框架上。3在设有A8级吊车的厂房中,厂房柱的水平位移容许值宜减小10%,4设有肥级吊车的厂房柱的纵向位移宜符合表中的要求.附录3梁的整体稳定系数3.1等截面焊接工字形和轧制H型钢简支梁等截面焊接工字形和轧制H型钢(图3.1)简支梁的整体稳定系数外应按下式计算:3对称焊接工字形截面1(d)轧制H型钢

11、截面,1)图3.1焊接工字形和轧制H型钢截面式中乩一一梁整体稳定的等效临界弯矩系数,按附表3.1采用;梁在侧向支撑点间对截面弱轴y-y的长细比,4=4,.,4为侧向支承点间的距离,i,为梁毛截面对y轴的截面回转半径:A梁的毛截面面积;方、0一一梁截面的全高和受压翼缘厚度;h截面不对称影响系数;对双轴对称截面(图3.la、d):%=O;对单轴对称工字形截面(图3.1b、c):加强受压翼缘:%=0.8(2%-l);加强受拉翼缘:%=2%-l;,式中Ti和T2分别为受压翼缘和受拉翼缘对y轴的惯性矩。当按公式(3.Ll)算得的外值大于06时,应用下式计算的循代替外值;=1.O7-2821.)外312)注:公式Ll)亦适用于等截面加接(或高强度螺栓连接)简支梁,其受压翼缘厚度力包括翼缘角钢厚度在内。附表3.1H型钢和等截面工字形简支梁的系数员项次侧向支承荷载后.02.0适用范围1跨中无侧向均布荷卜翼0.69+0

展开阅读全文
相关资源
猜你喜欢
相关搜索

当前位置:首页 > 汽车/机械/制造 > 工程材料

copyright@ 2008-2023 1wenmi网站版权所有

经营许可证编号:宁ICP备2022001189号-1

本站为文档C2C交易模式,即用户上传的文档直接被用户下载,本站只是中间服务平台,本站所有文档下载所得的收益归上传人(含作者)所有。第壹文秘仅提供信息存储空间,仅对用户上传内容的表现方式做保护处理,对上载内容本身不做任何修改或编辑。若文档所含内容侵犯了您的版权或隐私,请立即通知第壹文秘网,我们立即给予删除!