作业场所职业病危害申报表.docx

上传人:p** 文档编号:641046 上传时间:2024-01-02 格式:DOCX 页数:10 大小:81.24KB
下载 相关 举报
作业场所职业病危害申报表.docx_第1页
第1页 / 共10页
作业场所职业病危害申报表.docx_第2页
第2页 / 共10页
作业场所职业病危害申报表.docx_第3页
第3页 / 共10页
作业场所职业病危害申报表.docx_第4页
第4页 / 共10页
作业场所职业病危害申报表.docx_第5页
第5页 / 共10页
作业场所职业病危害申报表.docx_第6页
第6页 / 共10页
作业场所职业病危害申报表.docx_第7页
第7页 / 共10页
作业场所职业病危害申报表.docx_第8页
第8页 / 共10页
作业场所职业病危害申报表.docx_第9页
第9页 / 共10页
作业场所职业病危害申报表.docx_第10页
第10页 / 共10页
亲,该文档总共10页,全部预览完了,如果喜欢就下载吧!
资源描述

《作业场所职业病危害申报表.docx》由会员分享,可在线阅读,更多相关《作业场所职业病危害申报表.docx(10页珍藏版)》请在第壹文秘上搜索。

1、作业场所职业病危害申报表、申报单位基本情况单位名称XXXX有限公司建厂(矿)时间单位注册地址XXXX北邮政编码作业场所地址XXXX北邮政编码法定代表人XXXX联系电话XXXX注册类型股份有限公司职业卫生管理机构安全环保办行业分类轻工业职业卫生负责人XXXX联系电话XXXX年末职工人数填报类别第一次申报变更申报是生产工人数变更原因增加职业危害因素检测接触职业病危害因素人数申报人XXXX联系电话XXXX接触职业病危害因素女工人数注,本表数字均按申报前一年度的统计数字填报。二、申报单位生产基本情况主要原、辅材料主要中间品主要产品、副产品名称年用量单位名称年产量单位名称年产量单位液氯40二氧化硫漠素3

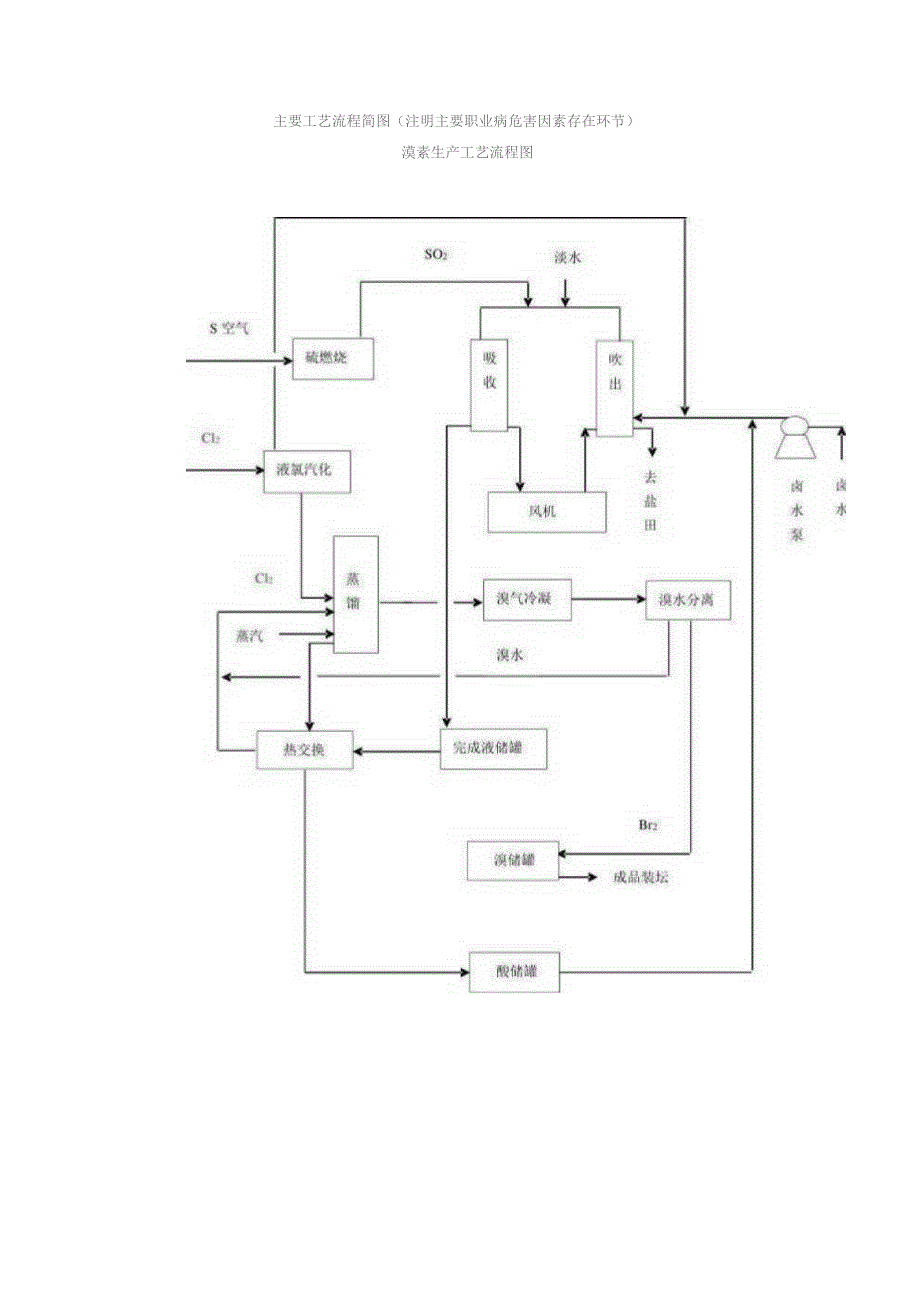
2、(XX)Vy硫磺I(XX)t硫化氢6漠苯胺3(XX)t/y盐酸1000t/y氨水2400二硝2100注主要原辅材料主要指化学性毒物年用量单位为千克/年(kgy)、吨/年(t/y)或立方米/年(nPy):副产品包含废气、废液、废渣等废品。主要工艺流程简图(注明主要职业病危害因素存在环节)漠素生产工艺流程图主要工艺流程简图(注明主要职业病危害因素存在环节)6漠车间生产工艺流程图漠化工艺流程框图水盐酸氯酸钠一氯化苯漠素排水包装苯胺车间生产工艺流程图氨化工艺流程框图包装主要工艺流程简图(注明主要职业病危害因素存在环节)2,4.二硝基氯苯生产工艺流程图三、作业场所职业病危害因素汇总表序号职业病危害因素名

3、称(代码)作业场所名称职业病危害因素来源设备状态操作方式是否隔离接触人数作业场所浓(强)度工程防护设施个体防护用品总人数女工数有(名称)无有(名称)无1硫磺尘漠素厂硫磺燃炉3(1.53mgm无防尘口罩2漠素漠素厂漠包装岗位601.33mg?通风机防毒面具3氯气漠素厂汽化岗位30(45mgm3无防毒面具4氮气苯胺车间氨化岗位602.47mg/m3无防毒面具56漠苯胺6漠车间烘干岗位622.67mgm3无防尘口罩6粉尘6漠车间烘干岗位622.47mgm3无防尘口罩7噪声各牛产单位电机噪声3075dB(八)无无8粉尘漠素厂硫横炉3防尘口罩9瞌酸10填表部门安全环保办填表人XXXX审核人徐占坤填表日期

4、职业病危害因素检测机构卫生防疫站检测日期四、接触职业病危害因素人员管理情况汇总表序号职业病危害因素接触职业病危害人数职业卫生培训人数体检人数职业病人数调离岗位人数总人数女工数1硫磺尘3033002漠素1001()1()003氯气3033()04氨气60660056漠苯胺6233007噪声323300合计274272700壤表部门安全环保办填表人XXXX填表日期培训机构安全环保办体检日期体检机构市卫生防疫站培训日期表1-2可能产生职业病危害的设备登记表设备可能产生的职业病危害因素名称使用岗位生产、供货单位风机噪声吹出、吸收塔表1-3可能产生职业病危害的材料和化学品登记表材料、化学品名称可能产生的职业病危害因素名称使用岗位、年使用量生产、供货单位硫磺尘化学物质类:二氧化硫硫磺炉100OT漠素化学物质类:漠素产品250ff氯气化学物质类:氯气制澳36(X)T氨气化学物质类:氨气氨化少量6漠苯胺化学物质类6漠苯胺产品IOoOT注:只需填写原材料、终产物名称,中间产物无需填写。

展开阅读全文
相关资源
猜你喜欢
相关搜索

当前位置:首页 > 医学/心理学 > 预防医学、卫生学

copyright@ 2008-2023 1wenmi网站版权所有

经营许可证编号:宁ICP备2022001189号-1

本站为文档C2C交易模式,即用户上传的文档直接被用户下载,本站只是中间服务平台,本站所有文档下载所得的收益归上传人(含作者)所有。第壹文秘仅提供信息存储空间,仅对用户上传内容的表现方式做保护处理,对上载内容本身不做任何修改或编辑。若文档所含内容侵犯了您的版权或隐私,请立即通知第壹文秘网,我们立即给予删除!