危化品重大危险源排查表.docx

上传人:p** 文档编号:641577 上传时间:2024-01-02 格式:DOCX 页数:3 大小:21.14KB
下载 相关 举报
危化品重大危险源排查表.docx_第1页
第1页 / 共3页
危化品重大危险源排查表.docx_第2页
第2页 / 共3页
危化品重大危险源排查表.docx_第3页
第3页 / 共3页
亲,该文档总共3页,全部预览完了,如果喜欢就下载吧!
资源描述

《危化品重大危险源排查表.docx》由会员分享,可在线阅读,更多相关《危化品重大危险源排查表.docx(3页珍藏版)》请在第壹文秘上搜索。

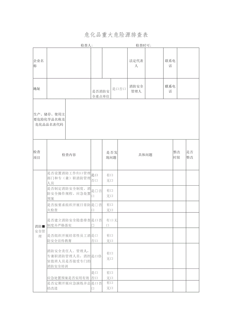
1、危化品重大危险源排查表检查人:检查时可;企业名称法定代表人联系电话地址是否消防安全重点单位是口否口消防安全管理人联系电话生产、储存、使用主要危险化学品名称及危化品品名表代码检查项目检查内容是否发现问题具体问题整改时限是否整改消防安全管理是否设置消防工作归口管理部门和专(兼)职消防管理人员是口否口有口无口是否制定消防安全制度、消防安全操作规程、应急处置预案是否口有口无口是否按要求组织开展日常防火检查是否口有口无口是否建立消防安全隐患排查制度并严格落实是口否有口无口是否组织开展经常性员工消防安全宣传教育是口否口有口无口消防安全责任人、管理人,专兼职消防管理人员,消控室值班人员是否接受专门的消防安全

2、培训是口仆有口无口应急处置预案是否实用有效是口否口有口无口是否定期开展应急演练并总结改进是口否口有口无口储罐防火间距是否符合要求是口否有口无口防火堤设置是否符合要求是口否有口无口消防车通道设置是否符合要求且保持畅通是口否口有口无口消防水源设置是否符合要求是否口有口无口灭火药剂储备是否满足救援需要是口否口有口无口消防设施实际运行时间危险化学品罐区库房消防设施是否完好有效是一否口有口无口消防控制室是否正常运行是口百有口无口消防水泵房是否正常运行是口否口有口无口泡沫泵房是否正常运行是口否口有口无口消防设施值班操作人员是否会熟练使用消防设施是口否口有口无口火灾自动报警系统是否完好有效是口否有口无口自动

3、喷水灭火系统是否完好有效是否口有口无口泡沫灭火系统是否完好有效是一否有口无口消防供水(液)管网是否完好有效是口否口有口无口消防水炮、消火栓等其他灭火系统是否完好有效是口口有口无口灭火器是否完好有效是口否口有口无口是否建立企业专职消防队、志愿消防队是口否口有口无口是否按标准建设消防站、微型消防站是口否口有口无口是否建立工艺处置队是口否有口无口企业专职消防队、工艺处置队是否组织实战训练和联合演练,建立是口否口有口无口完善应急处置联动机制是否实施线上消防安全自主管理是口否口有口无口是否使用消防物联设施联网检测是否有口无口员工是否取得消防蓝码”是口否口有口无口其他消防远程监控系统是否安装否口是手动报警测试情况口正常口异常消防物联运营服务机构统一信用代码单位消防安全自主管理系统口已自建口无(没有的请使用浙里办的消防自主管理应用)单位自主培训系统口己自建口无(没有的请使用浙里办的消防自主管理应用)

展开阅读全文
相关资源
猜你喜欢
相关搜索

当前位置:首页 > 办公文档 > 统计图表

copyright@ 2008-2023 1wenmi网站版权所有

经营许可证编号:宁ICP备2022001189号-1

本站为文档C2C交易模式,即用户上传的文档直接被用户下载,本站只是中间服务平台,本站所有文档下载所得的收益归上传人(含作者)所有。第壹文秘仅提供信息存储空间,仅对用户上传内容的表现方式做保护处理,对上载内容本身不做任何修改或编辑。若文档所含内容侵犯了您的版权或隐私,请立即通知第壹文秘网,我们立即给予删除!