外贸业务员绩效考核表-.docx

上传人:p** 文档编号:643694 上传时间:2024-01-02 格式:DOCX 页数:3 大小:28.66KB
下载 相关 举报
外贸业务员绩效考核表-.docx_第1页
第1页 / 共3页
外贸业务员绩效考核表-.docx_第2页
第2页 / 共3页
外贸业务员绩效考核表-.docx_第3页
第3页 / 共3页
亲,该文档总共3页,全部预览完了,如果喜欢就下载吧!
资源描述

《外贸业务员绩效考核表-.docx》由会员分享,可在线阅读,更多相关《外贸业务员绩效考核表-.docx(3页珍藏版)》请在第壹文秘上搜索。

1、广州XXX进出口销售部绩效考核方案(2023年)一、总那么1 .为鼓励销售人员的主动性,积极地争创效益,确保公司产品、效劳满足客户的需求。2 .本方案适用于公司俏售部、电子商务部门。二、总体目标1 .激发业务人员积极性,确立工作量和工作成果的考核标准,形成一支有战斗力的业务队伍。2 .以岗位考核为依据,以绩效工资考核其工作量及工作业绩。3 .加强团队建设,建立业务和管理技巧的培训和交流制度。每周三定时召开业务汇报交流会,每月进行工作总结报告,每季度进行季度比赛。三、考核原那么1 .以现金作为考核依据。2 .绩效考核的基准金为工资的10%四、评分原那么务必实事求是、客观、公平、严肃。工作根底考核

2、内容(量化指标)1 .业务员新开发客户数,每少3个扣1分,扣完本项分为止2 .业务员每向客户针对性开发信,每少5封开发信扣一分,扣完本项分为止3 .每月寄样品数量:资深业务员少寄出一个样品扣5分。扣完本项分为止新业务员没有寄出样板为5分(考虑到新业务未熟悉产品和市场情况)。4 .反应样板功能质量出现问题;样板外观问题;错寄样板,出现前两问题扣3分,后一个扣4分5 .每出表中所列的一个问题扣3分6 .完成业绩任务的90%,计算分数为:90%x20=18分,以此类推完成10%以下的为2分。7 .未按时提交扣3分,内容有雷同重复扣2分,未能反映本月工作情况,扣3分,未能反映下月工作方案扣2分月度工作

3、表现考核表(细化指标)自我评分+相关同事评分+上级评分为防止个人过于主观评分,特I设了综合评分=3备注:相关同事J:本月工作与之有关联的同事,如相关同事有3人,那么取3人的平均分数.自我评分+上级评分没有相关同事(打J)的评分项,综合评分=2五、考核指标考核指标实行层级考评,分为A,B,C,D,E,F个层次的考评。评分等级定义表考核得分121130分1112O分91110分790分7O分60分以下考核结果ABC1)EF考核系数2L510,80+60+4六、薪Sl标准L业务人员采用根本工资+绩效考核基准金X(当月考核系数)+业务提成的薪酬体系。七、工作根底考核内容(量化指标)序号分值考核期KPI

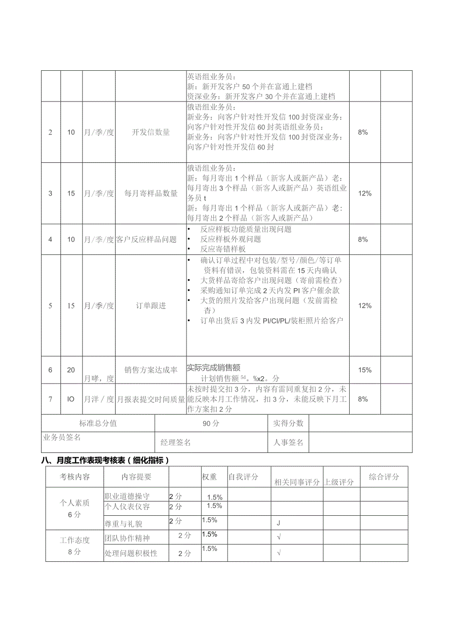
4、指标指标内容权重主管评分110月/季/度新开发客户的数量俄语组业务员:新业务:新开发客户30个并在富通上建档资深业务:新开发客户10个并在富通上建档8%英语组业务员:新:新开发客户50个并在富通上建档资深业务:新开发客户30个并在富通上建档210月/季/度开发信数量俄语组业务员:新业务:向客户针对性开发信100封资深业务:向客户针对性开发信60封英语组业务员:新业务:向客户针对性开发信100封资深业务:向客户针对性开发信60封8%315月/季/度每月寄样品数量俄语组业务员:新:每月寄出1个样品(新客人或新产品)老:每月寄出3个样品(新客人或新产品)英语组业务员t新:每月寄出1个样品(新客人或新

5、产品)老:每月寄出2个样品(新客人或新产品)12%410月/季/度客户反应样品问题 反应样板功能质量出现问题 反应样板外观问题 反应寄错样板8%515月/季/度订单跟进 确认订单过程中对包装/型号/颜色/等订单资料有错误,包装资料需在15天内确认 大货样品寄给客户出现问题(寄前需检查) 采购通知订单完成2天内发PI客户催余款 大货的照片发给客户出现问题(发前需检杳) 订单出货后3内发PI/CI/PL/装柜照片给客户12%620月哮,度销售方案达成率实际完成销售额计划销售额5d。%x2。分15%7IO月洋度月报表提交时间质量未按时提交扣3分,内容有雷同重复扣2分,未能反映本月工作情况,扣3分,未

6、能反映下月工作方案扣2分8%标准总分值90分实得分数业务员签名经理签名人事签名八、月度工作表现考核表(细化指标)考核内容内容提要权重自我评分相关同事评分上级评分综合评分个人素质6分职业道德操守2分1.5%个人仪表仪容2分1.5%尊重与礼貌2分1.5%J工作态度8分团队协作精神2分1.5%处理问题积极性2分1.5%对待问题的责任感2分1.5%遵守规章制度2分1.5%(人事)工作能力8分沟通能力2分1.5%应变能力2分1.5%执行能力2分1.5%判断能力2分1.5%专业知识9分产品知识与培训3分2.3%外贸知识与培训3分2.3%谈判技巧与创新3分2.3%工作成果9分服从上级安排3分2.3%完成工作的质量3分2.3%工作效率3分2.3%标准总分值40分实得分数业务员签名经理签名人事签名总分数及考核系数总分数分考核系数业务员签名经理签名人事签名人事:Ji割经理:日期:日期:

展开阅读全文
相关资源
猜你喜欢
相关搜索

当前位置:首页 > 管理/人力资源 > 绩效管理

copyright@ 2008-2023 1wenmi网站版权所有

经营许可证编号:宁ICP备2022001189号-1

本站为文档C2C交易模式,即用户上传的文档直接被用户下载,本站只是中间服务平台,本站所有文档下载所得的收益归上传人(含作者)所有。第壹文秘仅提供信息存储空间,仅对用户上传内容的表现方式做保护处理,对上载内容本身不做任何修改或编辑。若文档所含内容侵犯了您的版权或隐私,请立即通知第壹文秘网,我们立即给予删除!