第1章技术、商务及其他要求.docx

上传人:p** 文档编号:644386 上传时间:2024-01-02 格式:DOCX 页数:6 大小:30.51KB
下载 相关 举报
第1章技术、商务及其他要求.docx_第1页
第1页 / 共6页
第1章技术、商务及其他要求.docx_第2页
第2页 / 共6页
第1章技术、商务及其他要求.docx_第3页
第3页 / 共6页
第1章技术、商务及其他要求.docx_第4页
第4页 / 共6页
第1章技术、商务及其他要求.docx_第5页
第5页 / 共6页
第1章技术、商务及其他要求.docx_第6页
第6页 / 共6页
亲,该文档总共6页,全部预览完了,如果喜欢就下载吧!
资源描述

《第1章技术、商务及其他要求.docx》由会员分享,可在线阅读,更多相关《第1章技术、商务及其他要求.docx(6页珍藏版)》请在第壹文秘上搜索。

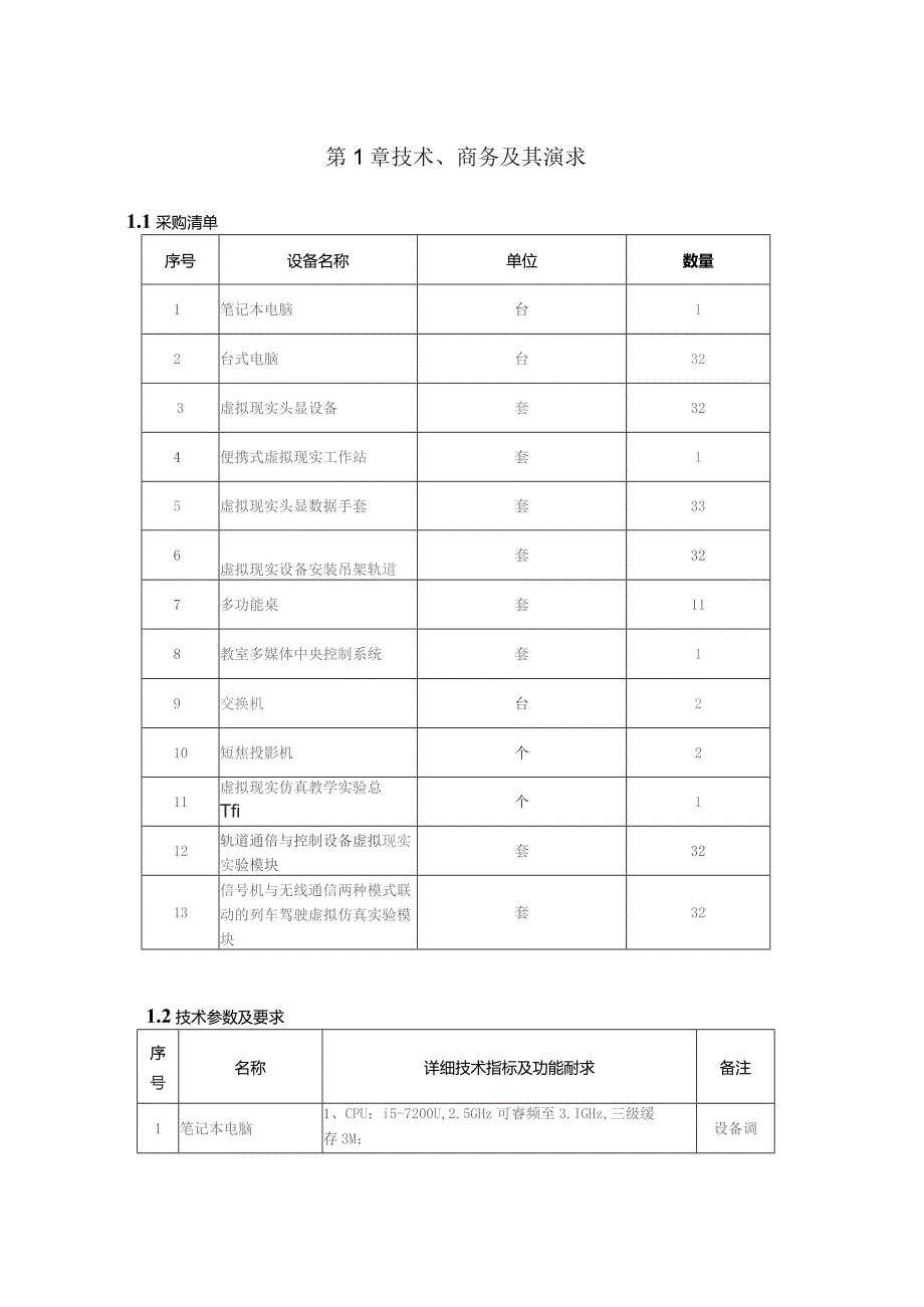
1、第1章技术、商务及其演求1.1采购清单序号设备名称单位数量1笔记本电脑台12台式电脑台323虚拟现实头显设备套324便携式虚拟现实工作站套15虚拟现实头显数据手套套336虚拟现实设备安装吊架轨道套327多功能桌套118教室多媒体中央控制系统套19交换机台210短焦投影机个211虚拟现实仿真教学实验总Tfi个112轨道通倍与控制设备虚拟现实实验模块套3213信号机与无线通信两种模式联动的列车驾驶虚拟仿真实验模块套321.2技术参数及要求序号名称详细技术指标及功能耐求备注1笔记本电脑1、CPU:i5-7200U,2.5GHz可睿频至3.IGHz,三级缓存3M;设备调2、内存:8GBDDR4频率21

2、33MHz;3、硬盘:56GBSSD4、显示屏幕:12.5英寸,显示比例16:9,物理分辨率1366*768;5,网卡:IOMlOoMlOOOMbPS自适应;6、操作系统:WinlO专业版试维护2台式电脑1,CPU:i7-6700,4核心8线程,8M缓存;2,内存:8GBDDR4频率2133MHz;3、显卡:显卡芯片英伟达GTX1070,独立显卡,8G显存:4,硬盘:500G硬盘:5,操作系统:WinlO专业版:6、显示器:23.0寸液晶显示器,物理分辨率1920*1080;虚拟现实工作站3虚拟现实头显设备1、菲涅尔透镜、全沉浸UO度视角;2,硬件刷新率90Hz,三维渲染刷新率75Hz;3,内

3、置陀螺仪、加速度计和激光定位传感器,追踪精度0.1度;4,内置延迟测试;双体感控制器;5,红外双激光定位系统,空间追踪位置可达4*3m,精度2mm;6,3600动作捕捉范围7、单眼分辨率1440X1600,双眼分辨率为3K(2880X1600)4便携式虚拟现实工作站# 1、一体式铝镁合金高强度箱体式外壳,万向滚轮;2,超强抗冲击减震器;# 3、内置不低于9.7英寸液晶显示器屏幕;# 4、内置图形工作站一台(显卡不低于GTX1070配置),虚拟现实头显设备一套;5、头显110度视角,90HZ刷新率:6、头显内置陀螺仪、加速度计和激光定位传感器;7、支持360。动作捕捉?8、全部设备整体尺寸:57

4、0*450*230mm,整体重量W15Kg;9、带面板数字扩展显示接口:10、外置USB3.0扩展数据接口:11、带一体化快速激光定位系统安装座;12、预埋激光定位系统同步电缆;13、一键开关,无需额外连线,打开箱体插电即用教师用5虚拟现实头显数据手套1、配合VR头显设备进行手部定位、手部动作捕捉,2,可模拟进行物体抓取、移动、装配、操纵、控制等操作3、能与虚拟现实仿真教学实验软件配合使用;6虚拟现实设备安装HDMhUSB3.0、DC电源3合一复合电缆、线缆跟踪装吊架轨道置、滑轨7多功能桌3人位的虚拟现实设备头显安装及工作台每桌3套虚拟现实设备8教室多媒体中央控制系统VGA、HDMI、音频输入

5、输出接口,投影仪电源、屏幕升降控制、无线麦克系统9交换机1、24口全千兆企业级3层交换机,背板带宽大于336Gbps3.024Tbps2,电源功率:可插拔双电源,支持交流或直流供10短焦投影机1,投影画面尺寸:60-100英寸;2,标准分辨率:1280X800dpii3,对比度:10001-20000:1:显示技术:三片LCD;4,适用于150平方米以上教室用11虚拟现实仿真教学实验总平台1、软件平台作为头戴式虚拟仿真实验总平台,架构于windows系统平台,C/S结构;2,虚拟现实场景背景与真实世界场景相匹配,360度沉浸式场景,能够承载并扩展多个虚拟仿真教学模块,具有教学模式、实训模式、考

6、试模式三大教行核心功能;3、支持局域网内协同,支持同时50个客户端的连接,多人同时共享仿真场景,可扩展多客户端,支持异地广域网协同;4,多视角监控:提供虚拟现实场景下的第三方视角,可以对参与者的操作进行指导、观摩,进行考察;位置跟随:能够跟随主操作者,模拟漫步式;# 5、全身动捕:在硬件支持下可扩展全身动作捕捉功能,留有功能接口;# 6、开放语音、文字接口,支持教学讲解语音、文字的更换;7、虚拟教室功能,教师可在虚拟场景中教学,网络条件下能够多人共享虚拟教室场景,虚拟场景中具有实时同步语音、视频播放功能,白板书写功能,PPT课件同步播放功能,实时音频、视频能实时同步广播到每个客户端,最多支持5

7、0个客户端;# 8、开放平台接口,师生可以二次开发总平台环境12轨道通信与控制设备虚拟现实实验模块1、头戴式虚拟现实信号机设备检修实验群、转撤机拆装实验群(包括ZD6型或S700K型转辙机)、轨旁设备联动实验群:#2、完全按照真实设备尺寸建模、按照工艺流程使用正确工具拆解、装配;3,可进行设备操作训练,代替实装设备,采用物理引擎,真实再现设备的交互、操作方式、流程、步骤、结果:4,虚拟现实场景背景与真实世界场景相匹配,360度沉浸式场景;#5、开放平台接口,师生可以二次开发.13信号机与无线通信两种模式联动的列车驾驶虚拟仿真实验模块1、头戴式虚拟现实标准驾驶流程实验群(包括CRH380B型列车

8、,HXD3C型列车)、车地通信实验群、应急故障处理实验群:#2、可进行设备操作训练,代替实装设备,采用物理引擎,真实再现设备的交互、操作方式、流程、步骤、结果:4、虚拟现实场景背景与真实世界场景相匹配,360度沉浸式场景:#5、开放平台接口,师生可以二次开发。说明:技术参数要求中的号、#号、无标识项,按照表二:详细评审标准进行评分。1.3项目履约时间、地点履均时间:合同签订后30天交货:履约地点:西南交通大学犀浦校区通信工程实验室(9号教学楼)1.4付款方式1 .分期付款,第一期,合同签署后支付合同总额的60%:第二期,货到验收合格,在中标人支付招标人5%的质保金后十个工作日内,招标人支付合同

9、总额的40%;第三期,正常运行一年后退还质保金:2.中标人需提供增值税普通发票。1.5服务要求序号服务要求项目服务要求标准I服务要求1、技术文件:应提供全套、完整的书面技术资料,包括设备说明书、操作手册、简单维修说明等。2、设备安装、调试和验收:在合同生效后应向用户提供详细的安装要求并提供技术咨询:在仪器到达前,供应商应通知用户水、电、气及其他仪器等必备辅助设施的具体要求,从而让用户提前做好仪器安装准备。仪器到达用户所在地,在接到用户通知后一周内进行安装调试,直至通过验收。3、技术培训:在用户所在地对设备使用者2-3人进行仪器操作和维护进行培训,使被培训人员达到能够熟练使用。培训内容包括设备的

10、技术原理、操作、数据处理、基本维护等。4,保修期:提供1年的免费保修,保修期自仪器验收签字之日起计算。保修期间维修及零件更换费用由供应商负担。5、维修响应时间:保修期内,在收到用户的维修服务要求后4小时内做出ISI应,48小时内到达用户现场进行维修,除需进口仪器配件外,应使仪器恢复正常使用。6、软件升级:应免费向用户提供在硬件许可条件下的软件升级服务。7、本项目包含162平方米教室线路(电源、网线、光纤)改造、水泥地板线管开槽预埋与布线、PVC塑胶地板铺设,以及在此基础上的设备电气安装和功能联合调试,费用包含在投标总价中。2售后服务承诺投标人提供完善的售后服务方案,对项目售后服务内容的合理性、

11、全面性进行综合比较评分。3服务标准投标产品质保:设备硬件质保期为1年,软件系统维护期为6年。4服务体系技术支持与服务体系健全,组织机构、管理和服务人员针对工程实际配置且合理。5响应速度投标人故障现场服务时间要求:48小时内到达服务现场。服务现场4小时内解决技术故障,24小时内提供备品备件服务。6培训投标人培训方案的完整性,包括内容、人员、时间、地点、频次等。7集成实施服务投标人要根据本项目特点,提供集成实施和安装施工调试方案,负责本次所有投标产品的安装调试集成等服务工作,费用包含在投标总价中.说明:服务耍求中号(若有)为关键要求项,不满足该指标项将导致投标被拒绝;无标识则表示一般指标项,按照“

12、表二:详细评审标准进行评分。1.6验收标准1,货物到达现场后,供应商应在采购人在场情况下当面开包,共同清点、检查外观,作出验货记录,双方签字确认后开始安装调衣。2、供应商应保证货物到达采购人所在地完好无损,如有缺漏、损坏,由供应商负责调换、补齐或赔偿。3,供应商应提供完备的技术资料、装箱单、授权文件和生产厂商提供的原厂正品出货证明材料(非装箱清单组成材料)等,并派遣专业技术人员进行现场部署调试。验收合格条件如下:(一)产品技术参数与采购合同一致,性能指标达到规定的标准;(二)产品技术资料、装箱单、授权文件等资料齐全;(三)在产品(系统)试运行期间所出现的问题得到解决,并运行正常:(四)在规定时间内完成交货并验收,并经采购人确认。4、产品在部署调试并试运行符合要求后,才作为最终验收。采购人对供应商交付的产品(包括质量、技术参数等)进行确认,并出具书面验收意见。

展开阅读全文
相关资源
猜你喜欢
相关搜索

当前位置:首页 > IT计算机 > 电子商务

copyright@ 2008-2023 1wenmi网站版权所有

经营许可证编号:宁ICP备2022001189号-1

本站为文档C2C交易模式,即用户上传的文档直接被用户下载,本站只是中间服务平台,本站所有文档下载所得的收益归上传人(含作者)所有。第壹文秘仅提供信息存储空间,仅对用户上传内容的表现方式做保护处理,对上载内容本身不做任何修改或编辑。若文档所含内容侵犯了您的版权或隐私,请立即通知第壹文秘网,我们立即给予删除!