材料力学实验报告.docx

上传人:p** 文档编号:646606 上传时间:2024-01-02 格式:DOCX 页数:4 大小:24.19KB
下载 相关 举报
材料力学实验报告.docx_第1页
第1页 / 共4页
材料力学实验报告.docx_第2页
第2页 / 共4页
材料力学实验报告.docx_第3页
第3页 / 共4页
材料力学实验报告.docx_第4页
第4页 / 共4页
亲,该文档总共4页,全部预览完了,如果喜欢就下载吧!
资源描述

《材料力学实验报告.docx》由会员分享,可在线阅读,更多相关《材料力学实验报告.docx(4页珍藏版)》请在第壹文秘上搜索。

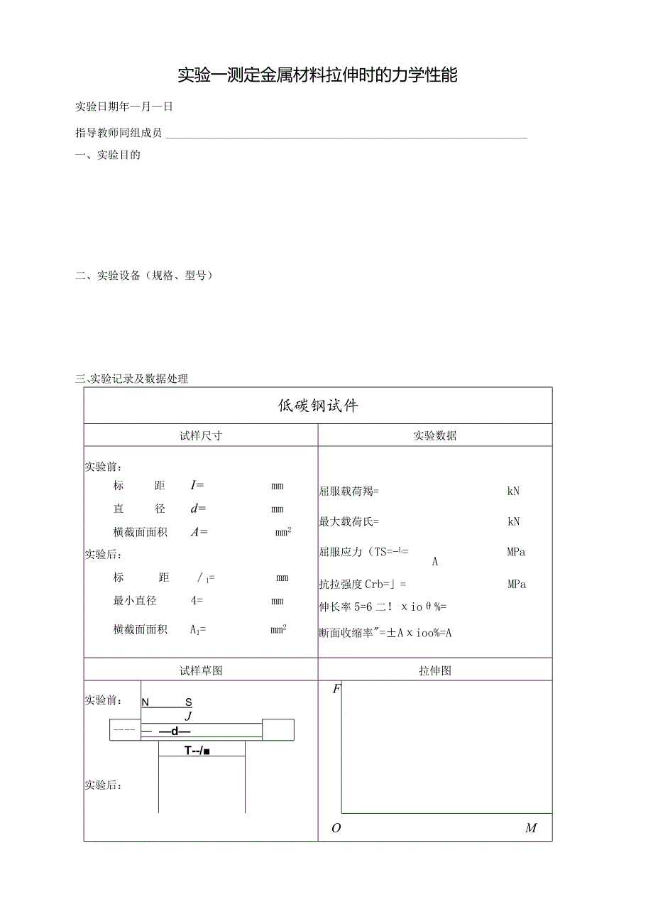
班级小组成员*学院路桥教研室注意事项材料力学实验是培养学生理论联系实际和实际动手能力的极其重要的实践课程。要求每个学生做到:1 .实验课前要认真预习实验教材,并在实验报告上填写好实验目的和所用实验设备。2 .实验过程中要遵守实验规则,听从实验教师安排,爱护实验设备,团结协作,仔细观察实验现象,认真记录实验数据。3 .在实验结束离开实验室前,要将实验原始记录数据填入实验报告中,经实验指导教师认可后方可离开实验室。4 .实验后,要及时对实验数据进行整理、计算和分析,填写好实验报告,交授课教师批阅。5 .注意保持实验室的清洁整齐,所有学生实验结束后要安排学生打扫卫生。实验一测定金属材料拉伸时的力学性能实验日期年月日指导教师同组成员一、实验目的三、二、实验设备(规格、型号)低碳钢试件试样尺寸实验数据实验前:标距I=mm直径d=mm横截面面积A=mm2实验后:标距1=mm最小直径4=mm横截面面积A1=mm2屈服载荷羯=kN最大载荷氏=kN屈服应力(TS=-L=MPaA抗拉强度Crb=MPa伸长率5=6二!io%=断面收缩率=Aioo%=A试样草图拉伸图实验前:NSJF-dT-/实验后:OM实验记录及数据处理灰铸铁试件实验前:直径d=mm横截面面积A=mm2最大载荷五b=kN抗拉强度Crb=-L=MPaA试样草图拉伸图实事前:,I,F-d-实验后:tOZ试样尺寸实验数据四、实验结果分析讨论

展开阅读全文
相关资源
猜你喜欢
相关搜索

当前位置:首页 > 高等教育 > 工学

copyright@ 2008-2023 1wenmi网站版权所有

经营许可证编号:宁ICP备2022001189号-1

本站为文档C2C交易模式,即用户上传的文档直接被用户下载,本站只是中间服务平台,本站所有文档下载所得的收益归上传人(含作者)所有。第壹文秘仅提供信息存储空间,仅对用户上传内容的表现方式做保护处理,对上载内容本身不做任何修改或编辑。若文档所含内容侵犯了您的版权或隐私,请立即通知第壹文秘网,我们立即给予删除!