博图中 PN Coupler配置说明.docx

上传人:p** 文档编号:648540 上传时间:2024-01-02 格式:DOCX 页数:5 大小:287.40KB
下载 相关 举报
博图中 PN Coupler配置说明.docx_第1页
第1页 / 共5页
博图中 PN Coupler配置说明.docx_第2页
第2页 / 共5页
博图中 PN Coupler配置说明.docx_第3页
第3页 / 共5页
博图中 PN Coupler配置说明.docx_第4页
第4页 / 共5页
博图中 PN Coupler配置说明.docx_第5页
第5页 / 共5页
亲,该文档总共5页,全部预览完了,如果喜欢就下载吧!
资源描述

《博图中 PN Coupler配置说明.docx》由会员分享,可在线阅读,更多相关《博图中 PN Coupler配置说明.docx(5页珍藏版)》请在第壹文秘上搜索。

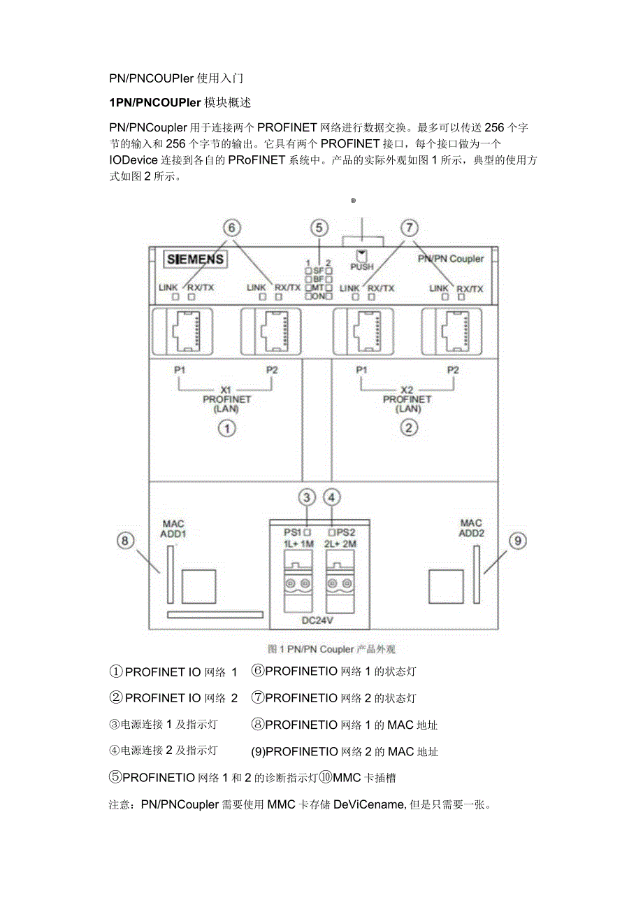
1、PN/PNCOUPIer使用入门1PN/PNCOUPIer模块概述PN/PNCoupler用于连接两个PROFINET网络进行数据交换。最多可以传送256个字节的输入和256个字节的输出。它具有两个PROFlNET接口,每个接口做为一个IODevice连接到各自的PRoFINET系统中。产品的实际外观如图1所示,典型的使用方式如图2所示。 PROFINET IO 网络 1 PROFINET IO 网络 2电源连接1及指示灯电源连接2及指示灯PROFINETIO网络1的状态灯PROFINETIO网络2的状态灯PROFINETIO网络1的MAC地址(9)PROFINETIO网络2的MAC地址PRO

2、FINETIO网络1和2的诊断指示灯MMC卡插槽注意:PN/PNCoupler需要使用MMC卡存储DeViCename,但是只需要一张。IO Controller S7-3IO Deice ET 2S OP 25 PN couplerIO Device ET200SIO Controller S7-300图2 PN/PN COUPier使用方式图2中两个S7-300做为IOController通过PROFINET与ET200S.PG/OP通信组成两个PROFINET系统。同时两个S7-300之间还需要进行实时数据交换,这时就可以使用PN/PNCoupler来传递数据。PN/PNCoupler耦

3、合的两个PROFINET是相互独立的,通信速率可以不同。它的每个PROFlNET接口做为一个独立的IODevice在网络中有单独的Devicename,而且,两个PRoFlNET接口的UPdatetime可以不同。但是,两个网络的通信数据区输入/输出方式必须相互对应,如图3所示。图3所表示的PN/PNCoupler在PROFINET网络1中Devicename是aCoupIer-Xr,配置输出数据16字节,输入数据8字节。)应PROFlNET网络2中对应为输入数据16字节,输出数据8字节。PRC)FINET网络2中PN/PNCoupler的Devicename是“Coupler-X2”。2、P

4、N/PNCoupler实际应用说明打开Protal软件,在已经建立的项目文件的硬件组态下,从右侧硬件书目中查找到要添加的PN/PNCoupler的型号,同时要保证其订货号要和实际硬件一样,然后将PN/PNCoupler拖拽至已建立的网络下,如下图所示:接下来双击网络上的PN/PNCoupler在弹出的属性对话框中设置设备名称和IP地址。m1 E Al Gl” R2 AIIBU IWt,KW, KO RO*KWl *w no*wOgXvr *rmvH*s M.OVMMM fai.M, 11. n.oee ,、, 0Het XM*ma8aaMaBift 4SN w*S5tl* MI cems GH

5、* -ta E 1 g,1BHUASM3*3K4gJ。下一步在PN/PN Coupler的相应插槽配置输入输出数据; gulU.ai few swr ntof) Wt4 SMW U* Mvmavxmn *Z3握.j8tMMMMl k - k0u* W- O*,MHUc 3 8 4X BoM, 府6o .orxo 1 忆on s.oew u_one U 0F上,.NaCMOrtcM IM EwI ncN, ,ruBJi WMt费 QOf? *KM4 gMl UV kfttm, “配置完成后,编译保存项目。接下来支配DeViCename。选中硬件配置中的PN/PNCouple,右键选择支配设备名称

6、或者选择在线与诊断,配置网络后支配设备名称和设备IP。如下图所示:例a状在,快*攸屯口械名称I* I产段 分取名彩I RW18iftfi翁态的PROHNeT设话侬钠:知笑STl在线访问Ejl 0的笑 5!:PGK :Wtd 和 CgmmOi(IQ AdvancedN 2846.jJcC01一位标网一赏询设期禾及有秋潮没看选择支配设备名称后,Protal会自动扫描网络上的节点,并将全部节点相关信息列出,核对MAC地址与PN/PNCoupler模块上的MAC地址一样后,点击Assignname按钮支配名称,如图10所示。留意:为PN/PNCoupler的PN/1E网络支配DeViCename时,要

7、将计算机连入PN/IE网络,同时要核对模块上的网络UAC地址。GLH_BS2_A1CPU319F-3PNZDP分布式I/OPROFINETIO-System(100):PNIE.2A1HM601_X_KF202诊儆常投诊断播PRoFINET接口功能分图IP地址分IS名称固件更新重贵为出厂设置分配IP期It 3通信测试将全部项目编译保存后,下载到CPU中,通过已编写好的DB收发数据块,监视通讯状态。如下图所示;443MooeS0AutovMode6OIAftUAlaaMdde7ODryaUnaaMod。843FauK9JLiftBit10MSjM11onIS9RCSq1643Imertock179IndtrfnCKO183IndexOvtCMD19afteveelnCMD20ReverseOutCFMO21,RunHMhSpeed名称信动值0.0Struct自硼1式手动Ii式故明工位发育小车工位小车第位互顿正确车命令Tr求正向上军命令,倩求员向造军命令债东员向出车命令三次附近高诙ffHttShmiiSffl注R

展开阅读全文
相关资源
猜你喜欢
相关搜索

当前位置:首页 > IT计算机 > 网络与通信

copyright@ 2008-2023 1wenmi网站版权所有

经营许可证编号:宁ICP备2022001189号-1

本站为文档C2C交易模式,即用户上传的文档直接被用户下载,本站只是中间服务平台,本站所有文档下载所得的收益归上传人(含作者)所有。第壹文秘仅提供信息存储空间,仅对用户上传内容的表现方式做保护处理,对上载内容本身不做任何修改或编辑。若文档所含内容侵犯了您的版权或隐私,请立即通知第壹文秘网,我们立即给予删除!