房地产公司建筑项目工程部电梯的维修保养.docx

上传人:p** 文档编号:648667 上传时间:2024-01-02 格式:DOCX 页数:5 大小:26.17KB
下载 相关 举报
房地产公司建筑项目工程部电梯的维修保养.docx_第1页
第1页 / 共5页
房地产公司建筑项目工程部电梯的维修保养.docx_第2页
第2页 / 共5页
房地产公司建筑项目工程部电梯的维修保养.docx_第3页
第3页 / 共5页
房地产公司建筑项目工程部电梯的维修保养.docx_第4页
第4页 / 共5页
房地产公司建筑项目工程部电梯的维修保养.docx_第5页
第5页 / 共5页
亲,该文档总共5页,全部预览完了,如果喜欢就下载吧!
资源描述

《房地产公司建筑项目工程部电梯的维修保养.docx》由会员分享,可在线阅读,更多相关《房地产公司建筑项目工程部电梯的维修保养.docx(5页珍藏版)》请在第壹文秘上搜索。

1、房地产公司建筑项目工程部电梯的维修保养周期序号保养内容操作规程质量标准随时1填写维保记录和运行记录将维保工作中发现的意外情况和处理措施填写在记录单上填写认真、及时、无遗漏2优先处理电梯故障修复或更换损坏的零部件各部位尺寸应调整正确。排除彻底、功能正常每周3了解电梯运行情况向主管人员、维修人员、电梯司机询问,乘梯上下运行,认真观察。查阅电梯运行和维修记录有无异常情况4检查拽引机手摸、耳听无过热、无异常声响5检查油位、油质、油温查看油标、油尺、油窗、看油环能否带上油,手感油温。油量适合,油质良好、无杂质,油环能带上油,油温不过热。6轿内照明风扇操作开关二次灯亮,有风7轿内按纽、控制开关逐个按指令按

2、钮接通各控制开关能接受指令、自保灯亮、无破损,具有相应的功能8安全触板、光电保护开关闭轿门关门时,手触安全触板二次,用手遮挡光电二次门能自动打开,触板、光电装置应清洁周期序号保养内容操作规程质量标准每周9轿内指示灯上下运行一次观察显示情况指示正确、灯亮、数显无缺笔10警铃按警铃按钮、用对讲机、电话同机房或值班室通话。警铃响,能同机房或值班室联系,声音清晰11检查各安全开关检修速度运行,手动急停开关、安全钳开关、安全窗开关、缓冲器开关、松绳开关、限速开关、断绳开关、底坑开关、上下限开关、极限开关、强缓开关开关灵活可靠、开关动作后电梯不能运行12限速器目测限速绳通过闸瓦是否受阻,用手拨动限速开关,

3、活动部位加油转动灵活,开关动作可靠13检查测速机皮带、开关眼看、手动无磨损、断裂,开关动作可罪14检查控制柜、电器设备接线机械互锁逐个拉、拧紧接线无松动、无断裂,接触良好15检查接触器、继电器各接点去除污尘正当方法清理接点接点接触良好周期序号保养内容操作规程质量标准每月16检查选层器清除灰尘,清洗转动部位,加油,检查触头磨损情况,检查连线无灰尘、油垢,接触良好,无断线17检查主电源、极限开关关闭电源,检查触点、连线连接牢固,动作灵活,熔断器和过流保护装置应符合额定电流值18检查接地线眼看、表量接地可靠,接触良好19检查机房照明及消防设施灯、开关、灭火器灯的亮度应符合规定,开关良好,灭火器齐全2

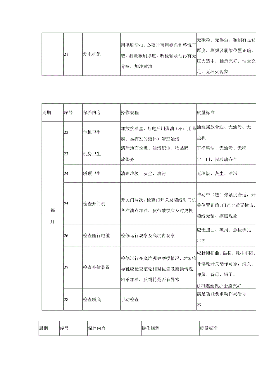
4、0检查调整制动器间隙、制动报闸开关手动和电气打开制动器保证闸瓦间隙不大于0.7mm停车时制动可靠,报闸开关动作可靠21发电机组用毛刷清扫,必要时可用锯条刮整流子缝,测量碳刷厚度,听检轴承油污有无异响,加注黄油无碳粉、无浮尘、碳刷有足够厚度,刷握及刷架位置正确,压力适中,轴承完好,油量充足,无环火现象周期序号保养内容操作规程质量标准每月22主机卫生加放接油盒,断电后用煤油(不可用易燃、易挥发的液体)清理油污油盒摆放合适、无油污、无尘积23机房卫生清除地面垃圾、油污积尘、物品码放整齐干净整洁、无油污、无积尘,门、窗玻璃齐全24轿顶卫生清理垃圾、灰尘、油污无垃圾、灰尘、油污25检查开门机开关门两次,

5、检查门开关及随线对门机各注油点加油,皮带破损应及时更换传动带(链)张紧度合适,开关位置正确,门速合适无撞击,随线无刮、擦破现象26检查随行电缆检修运行观察及底坑内观察应无扭曲、破损、悬挂梆扎牢固27检查补偿装置检修运行在底坑观察磨损情况,对滚轮导靴应检查滚轮相对位置及磨损情况,轴承加油,反绳轮是否有异常应封锁扭曲,破损,悬挂牢固,补偿轮开关动作可靠,绳头、弹簧、备母、销子、U型螺丝保护士应完好28检查轿底手动检查满足功能要求动作灵活可不周期序号保养内容操作规程质量标准每月29检查导轨加油盒油位,毛毡检查运行,观察油位油位最高为油盒的4/5,最低为1/5,毛毡应清洁无缺损30检查井道信息装置检修

6、速度运行,用尺测量保证5T0mm的间隙,中心偏差不大于正负1mm,无松动,不丢失信号31底坑急停开关及照明检修运行开关二次能停止运行,无异响,距地距离符合要求32检查限速器断绳开关及张紧轮手动检查,轮轴加油,测量距地距离能停止运行,无异响,距地距离符合要求33厅外指示灯层层停靠检查指示正确、数显明亮无缺笔34外呼按钮各层停靠检查灯亮,到站信号无破损35检查消防梯消防功能手动开关功能正常36井道检修灯检查灯是否亮检修灯完好,开关有效37底坑卫生清除杂物、积水、积尘无杂物、积水、积尘周期序号保养内容操作规程质量标准每年38检查轿门上下坎门轮、门刀滑块清洁上下坎,上坎如少量机油,门轮、滑块有破损应及

7、时更换,检查开闭情况轿门开闭轻快,无噪声,门缝紧密无晃动,开闭灵活,尺寸符合要求,防扒销功能正常39检查厅门、门轮滑块、门锁上下坎自关装置清洁上下坎,检查各部活动部位如少机油,部件有破损时应更换厅门开闭轻快,无噪声,自关门装置应保证厅门能自动关闭到位40检查厅门锁、厅外开门装置手动检查站,更换损坏的部件外面清洁、动作灵活、门锁触点接触良好,厅外开锁装置复位可靠41检查导靴、靴衬、反绳轮检查导靴间隙,检查靴衬磨损情况,对滚轮导靴应检查滚轮相对位置及磨损情况,轴承加油,反绳轮是否有异声及磨损,轴承或轴瓦注油靴衬磨损不超过规定标准,轴承和轴瓦无异常磨损42检查曳引绳检修运行,观察曳引绳是否松股、断股

8、,备母、开品销是否完好,张紧度是否合适,层标是否清晰应保证无松股、断股,备母开口销完好,张紧度符合标准,层标清晰、完整,保险绳、夹完备周期序号保养内容操作规程质量标准每年43检查缓冲器油位、开关清洁外表;目检油位、油质,踏压缓冲器,使开关动作要求油质好,油量到位,开关动作后须手动复位44对重缓冲距离轿厢停在顶层,用尺测量应符合规定,油压式150-400mm,弹簧式250-30Onlm45检查、清洗限速绳检查限速绳,用煤油或柴油清洗无松股、断股、无油污46检查清洗导轨用煤油清洗导轨上的油垢,用砂纸打磨锈迹,打扫导轨架上的积尘,接导板固定螺栓,检查导轨架无油污、无积洒、无锈迹,螺栓牢固47检查调整安全钳在底坑内检查间隙,在轿厢项用手拉动连杆检查开关及限位尺寸保证楔块与导轨有2-2.5mm间隙,楔块动作一致,安全钳开关率先动作,限位螺栓要锁紧

展开阅读全文
相关资源
猜你喜欢
相关搜索

当前位置:首页 > 管理/人力资源 > 工程管理

copyright@ 2008-2023 1wenmi网站版权所有

经营许可证编号:宁ICP备2022001189号-1

本站为文档C2C交易模式,即用户上传的文档直接被用户下载,本站只是中间服务平台,本站所有文档下载所得的收益归上传人(含作者)所有。第壹文秘仅提供信息存储空间,仅对用户上传内容的表现方式做保护处理,对上载内容本身不做任何修改或编辑。若文档所含内容侵犯了您的版权或隐私,请立即通知第壹文秘网,我们立即给予删除!