工程管理施工组织课程设计参考资料3.docx

上传人:p** 文档编号:649624 上传时间:2024-01-02 格式:DOCX 页数:6 大小:118.06KB
下载 相关 举报
工程管理施工组织课程设计参考资料3.docx_第1页
第1页 / 共6页
工程管理施工组织课程设计参考资料3.docx_第2页
第2页 / 共6页
工程管理施工组织课程设计参考资料3.docx_第3页
第3页 / 共6页
工程管理施工组织课程设计参考资料3.docx_第4页
第4页 / 共6页
工程管理施工组织课程设计参考资料3.docx_第5页
第5页 / 共6页
工程管理施工组织课程设计参考资料3.docx_第6页
第6页 / 共6页
亲,该文档总共6页,全部预览完了,如果喜欢就下载吧!
资源描述

《工程管理施工组织课程设计参考资料3.docx》由会员分享,可在线阅读,更多相关《工程管理施工组织课程设计参考资料3.docx(6页珍藏版)》请在第壹文秘上搜索。

1、1.柱子吊装验算某厂金工车间的Z用外形尺寸及配筋如图7713所示。村:市6.04吨,若采用宽面向上(平放)一点起吊,可按图7114所示的计算筒图进行吊装验算如下,图7-113Z,柱外形尺寸及配筋简图图7-114Z?柱吊装内力计算筒图荷毅计算91-=O.4O.42.5三O.4(吨/米)=0.527 (吨/米)-2-6,04-0,4X3.212.25-3.2-吊点受力P及柱期八,3.2(3.2,c-一(8.55+0.5),0.4i2)4-0.5272P=F屋,-8:554/2(吨)整棉1+1=6.Q4-L12+192(血)各截面架扶的弯短MlT=30.4(3.2尸=2.05(吨米)MHo.4X3.

2、2(-3.j-+0.5)+,XO.527X(0.5)?=2.756(吨米)求柱脚与吊点之间最大弯矩截面的位置(在剪力为零处):比=白=疆3.64(米)2U.04/Minl.92X3.64-FXO.527X(3.64尸=35(吨米)(1)抗弯强度验算可简化计算如下:截面1一1KMURQ)=3400X6.283(36.53.5)=7.05(吨米)705K=-Fi=2.29,(1.4X0.9=1.26,可)1.0X2.Vo式中1.5吊装动力系数;1.4受弯构件基本安仝系数;0.9作吊装强度验算时,基本安全系数的修正系数.截面33KM=3400X8.54X33=9.57(IHi米)Q67K3三i535

3、-1S3,(1.26,可)(2)裂健宽度验算柱在吊装中允许出现裂缝,这些裂缝在吊装完成之后,大多可以闭合。裂缝宽度计算较繁,可近似地用控制纲筋应力的办法来解决。=三-T8(7-66)式中外钢筋计算应力(公斤/厘米,一A9受拉.蟹驯色q米.);1,上一吊殛璇编遮适两施(厘米),M吊装弯矩(考虑动力系数兀当计算所得钢筋应力。01600公斤/平方座米(光面钢筋)或。,42000公斤/平方顺米(螺纹钢筋)时,可以认为满足裂纹宽度要求。裁面11=0.87X6.28X36.5I=I555(公斤/厘米)(2000,nJ)截面33产0.87X8.黑黑.5S=I940(公斤/闻米)(2000,11)经验算,柱宽

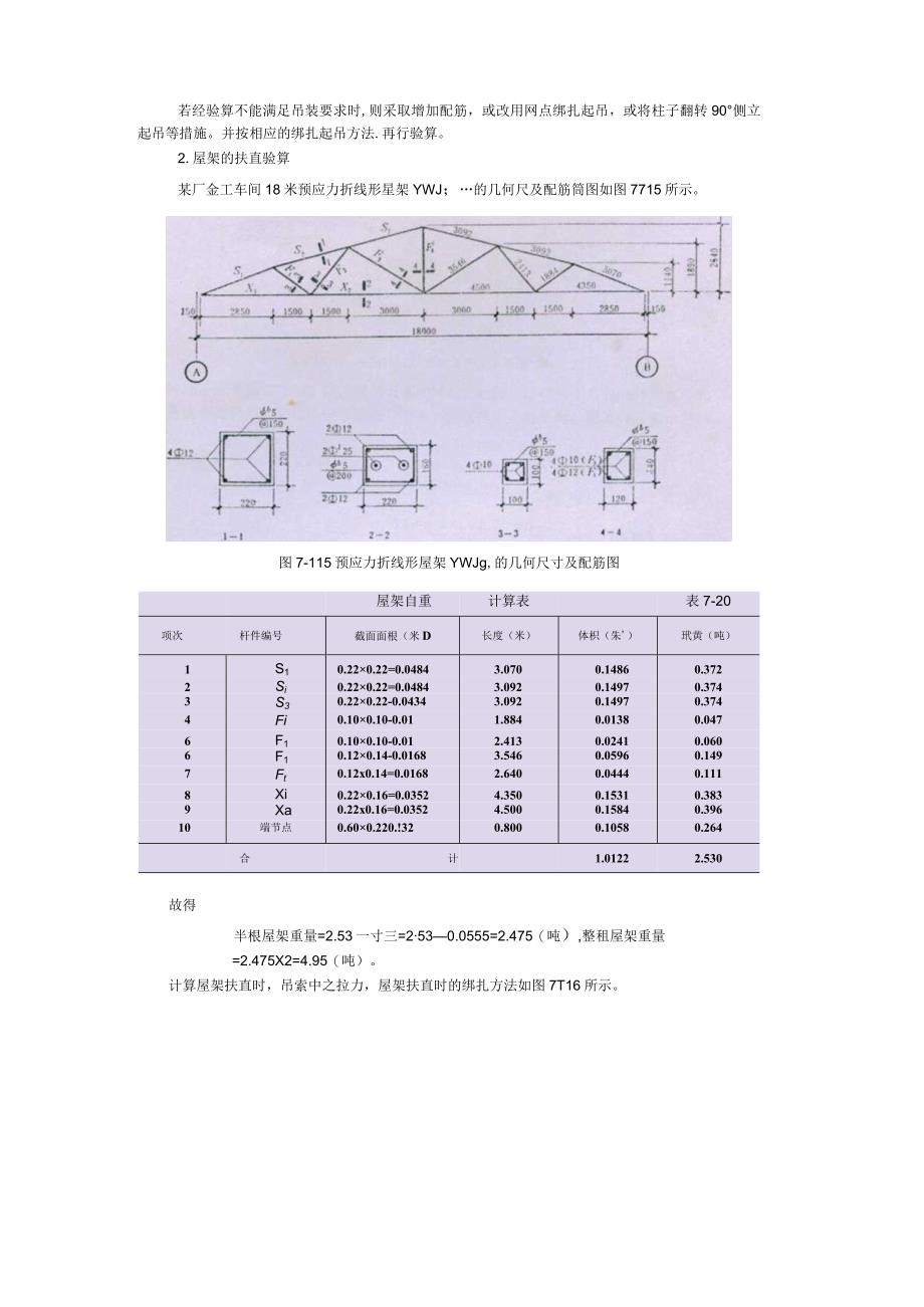
4、面向上(平放)一点绑扎起吊,各截面的抗弯强度及抗裂能力均可满足吊装要求。若经验算不能满足吊装要求时,则采取增加配筋,或改用网点绑扎起吊,或将柱子翻转90侧立起吊等措施。并按相应的绑扎起吊方法.再行验算。2.屋架的扶直验算某厂金工车间18米预应力折线形星架YWJ;的几何尺及配筋筒图如图7715所示。图7-115预应力折线形屋架YWJg,的几何尺寸及配筋图屋架自重计算表表7-20项次杆件编号截面面根(米D长度(米)体枳(朱)玳黄(吨)1S10.220.22=0.04843.0700.14860.3722Si0.220.22=0.04843.0920.14970.3743S30.220.22-0.0

5、4343.0920.14970.3744Fi0.100.10-0.011.8840.01380.0476F10.100.10-0.012.4130.02410.0606F10.120.14-0.01683.5460.05960.1497Ft0.12x0.14=0.01682.6400.04440.1118Xi0.220.16=0.03524.3500.15310.3839Xa0.22x0.16=0.03524.5000.15840.39610端节点0.600.220.!320.8000.10580.264合计1.01222.530故得半根屋架重量=2.53一寸三=2530.0555=2.475

6、(吨),整租屋架重量=2.475X2=4.95(吨)。计算屋架扶直时,吊索中之拉力,屋架扶直时的绑扎方法如图7T16所示。图7-116屋架扶宜时吊索受力计算简图扶直时,下弦不离开地面,以下弦为轴线缓转起。此时,以相交干节点的杆件所:於和的半作为该节点荷重,与吊索中之垂立分力对卜弦轴线取力矩平衡,可求徨归索中之拉力Pe屋架的节点荷歪(参阅表7-20):。,S,S1+Fl0.3720.374+0.047CQQ7-.=42=Z=三三0397(叫L)q,=q餐Sd可-3%p.3第0型03d9(吨)卜2八=。丝”山,HI=O.43(吨).吊索与水平而的夹角,设=45则8%arctg鬻=63起吊时,吊索中

7、拉力P的计算方法如下:1.14Psin45*+1.89PXsin63*q=1.14q+1.89q342.64-y-n1.140.3971.890.4792.640.215C”八卜、PgI114l7719091=0773(吨)扶直屋架时,上弦出屋架平面方向最不利,故应验算这个方向的抗弯强度及裂缝宽度。屋架腹杆由于自重的弯矩作用影响较小,通常.可不验算。为简化计算,可将屋架上弦视为简支梁(图7-117),在梁上作用的荷载有上弦自承(视为均布荷载)、腹杆自重(视为攀中荷栽,作用在节点上)及吊索中的垂直分力。上弦白重:(7=区产)=四3=0,124(吨/米)Ljy一2一在节点、处,吊索中的垂直分力向上

8、,腹杆自重向下,节点荷载IPa)VPSin45-=0.773X0.707-T”0.523(吨)P=Psi1163-1-=0.7730.89i-,1-0.581()支座反力R=-Q-Pp*o3=0.124X9-0.523-0.584+-0.011()上弦各截面弯矩Mlnl.5R-:-q(l5)2=-0078(W米)M3.0R-q(3.0)=-0435(吨米)72三4.5R一一-q(4.5)+1.5P,=-0.286(米)M(jt=6.Rq(6.0)2+3.0P=+0.049(l)7-=9.0R-j-q(9.0)2+6.0%+3.0P(=+0.234(吨米)最大弯矩值在节点Ma)-O.435吨米厂

9、(1)屋架上弦出屋架平面的抗弯强度验算KM=力,也(九。一)=2.26X3400X(202)X10TLI.383(吨米)383Kr1.55.4E=212,(1.4X0.9-1.26,可)(2)裂缝宽度验算*-dx=1%(公斤/座米)(2000,可)故扶自屋架时,上弦出屋架平面的抗雪强度及抗到能力满足要求。以上计算未考虑枯结力的影响,若要考虑枯纳力可按200公斤怦方米计It对后来预应力屋架,在张拉过程中已将两招屋架间的粘结力破坏,故可不考虑粘结力的影响。若屋架扶直时发现粘结力过大,应采取措施先破坏拈结力,然后进行屋架的扶宜。(四)索具计算当屋架扶宜后,吊离他而就位时吊索受力较大,应按照这种受力赭

10、况来选择吊索。吊索中垂直分力之和应等于屋架的重量。图7-11屋架吊岗地面时吊索受力计算简图若取a-45*m.o.G-(1.891,14)0则B=arctg=60OPX(Sin45+siu60,)=2.475P0.707+0.866=5L57(吨)吊索结构应取6X37,按表79,换算系数=0.82,按表7T0.安全系数K=6。按公式7-8R族翳=II500(公斤)从表78选用钢丝绳公称抗拉强度为155公斤/平方塞米,15.0的钢丝绳,R=13200公斤。吊钩处短吊索中的拉力约为长吊索中折力的两倍,故选用6X37,21.5的钢丝绳.R-27000公斤(2X11500-23000)。件吊索的长度可通过计算或图解得出。其他滑轮、卡环等也应按所在部位受力大小来选用。

展开阅读全文
相关资源
猜你喜欢
相关搜索

当前位置:首页 > 建筑/环境 > 施工组织

copyright@ 2008-2023 1wenmi网站版权所有

经营许可证编号:宁ICP备2022001189号-1

本站为文档C2C交易模式,即用户上传的文档直接被用户下载,本站只是中间服务平台,本站所有文档下载所得的收益归上传人(含作者)所有。第壹文秘仅提供信息存储空间,仅对用户上传内容的表现方式做保护处理,对上载内容本身不做任何修改或编辑。若文档所含内容侵犯了您的版权或隐私,请立即通知第壹文秘网,我们立即给予删除!