北京交通大学桥梁工程课程设计(重力式桥墩).docx

上传人:p** 文档编号:660527 上传时间:2024-01-02 格式:DOCX 页数:23 大小:164.73KB
下载 相关 举报
北京交通大学桥梁工程课程设计(重力式桥墩).docx_第1页
第1页 / 共23页
北京交通大学桥梁工程课程设计(重力式桥墩).docx_第2页
第2页 / 共23页
北京交通大学桥梁工程课程设计(重力式桥墩).docx_第3页
第3页 / 共23页
北京交通大学桥梁工程课程设计(重力式桥墩).docx_第4页
第4页 / 共23页
北京交通大学桥梁工程课程设计(重力式桥墩).docx_第5页
第5页 / 共23页
北京交通大学桥梁工程课程设计(重力式桥墩).docx_第6页
第6页 / 共23页
北京交通大学桥梁工程课程设计(重力式桥墩).docx_第7页
第7页 / 共23页
北京交通大学桥梁工程课程设计(重力式桥墩).docx_第8页
第8页 / 共23页
北京交通大学桥梁工程课程设计(重力式桥墩).docx_第9页
第9页 / 共23页
北京交通大学桥梁工程课程设计(重力式桥墩).docx_第10页
第10页 / 共23页
亲,该文档总共23页,到这儿已超出免费预览范围,如果喜欢就下载吧!
资源描述

《北京交通大学桥梁工程课程设计(重力式桥墩).docx》由会员分享,可在线阅读,更多相关《北京交通大学桥梁工程课程设计(重力式桥墩).docx(23页珍藏版)》请在第壹文秘上搜索。

1、第一章设计概况一、线路、水文及地质状况线路为I级铁路,单线,直线,平坡。基地地质粘土,液性指数0.13,孔隙比0.69基本承载力40OkPa,土的容重19.5kNm30水文、气象:无流水、无冰冻。二、设计活载及建筑材料墩帽接受标号C30,钢筋混凝土,托盘及缩颈以下40Cm墩身接受C30号混凝土,墩身及基础接受C20号混凝土。三、桥梁跨度、样式及主要尺寸跨度24m单线铁路先张法预应力混凝土简支梁。梁全长24.6m,梁缝0.1m,梁高2.1m,支座钱中心至支撑垫石顶面为0.325m,轨底至梁底2.6m,轨底至支撑垫石顶高度3.0m,垫石高度为0.2m,支座底板尺寸为0.5MX0.5机,支座全高0.

2、4m,每孔梁重1568kN桥上设双侧人行道及栏杆。四、桥墩形式及尺寸顶帽及托盘尺寸见附图一。墩身及基础尺寸见附图二。各部分尺寸确定依据及最终取值如下:(1) 墩帽厚度墩帽干脆支撑桥跨结构承受较大的支座反力,为了把支座反力匀整地传递给墩身,铁路规范规定,墩帽的厚度不小于40cm,并应接受不低于C30的混凝土,一般要设置钢筋。依据以上规范规定,设置墩帽厚度为40cm,接受C30混凝土,并设置钢筋。(2) 墩帽平面尺寸当相邻跨度相等时,相邻支座间的顺桥方向中心距离为f=2e+e0a。一梁支座底板纵向尺寸6梁端至支座中心线的距离(6=0.3m)分为相邻两梁之间应留的缝隙(/=0.1相)支座底板尺寸给定

3、0.5MXO.5机,经过验算:a=0.5m2e+e0=0.7m满足规范要求。为了提高局部承压力,并考虑施工误差及预留锚栓孔的要求,支撑垫石边缘至支座底板边缘应保持确定的距离b,其值为1520cm.依据以上规范规定,取b=20cm0支撑垫石边缘至顶帽边缘的距离c,为了满足架梁时或养护时安放移梁及顶梁设备的须要,应符合以下规定:a.顺桥方向(纵向):跨度L8时,C不应小于15cm;SmL20m,c不应小于25cm;L20cm时,C不应小于40cmb.横桥方向(横向):当顶帽为圆弧形时,支撑垫石角至顶帽最近边缘的最小距离与顺桥方向相同。当顶帽为矩形时,支撑垫石角至顶帽边缘的最小距离为50cmo这样等

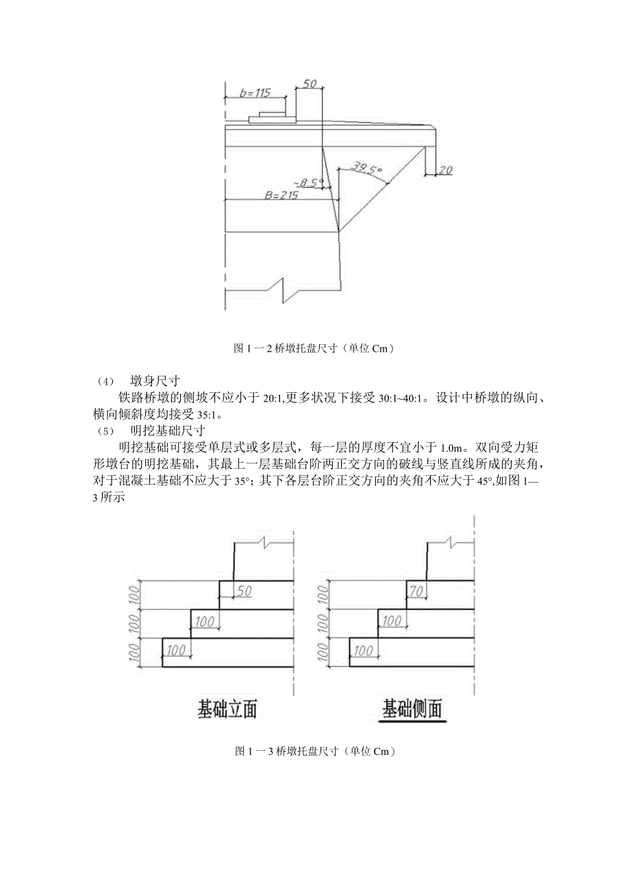
4、跨度直线桥顶帽纵向尺寸为:A=f+a+2b-st-2c考虑到一般架桥机架设分片式梁时,每片梁不能干脆落在设计位置,需在墩顶上作横向移动,为了给出确定的工作位置,确保操作平安,铁路规范规定,顶帽横向宽度B还应满足下列要求:当跨度L8机时,B;SfnL5m;L20/n11J,B6?n。依据以上规范规定,取c=80cm,取B=8m。A=f+a+2b+2c=70+50+220+280=320cm(3) 托盘尺寸为了保证悬出部分的平安,依据设计阅历,试验资料和构造要求,规定墩帽下四周设1020cm宽的飞檐,托盘底面横向宽度B不宜小于支座底板外缘的距离b;托盘侧面与竖直线间的夹角645;支撑垫石横向边缘外

5、侧50Cm处的顶帽底缘点竖直线与该底缘点至托盘底部边缘处的连线的夹角30,如图12所示。图1一2桥墩托盘尺寸(单位Cm)(4) 墩身尺寸铁路桥墩的侧坡不应小于20:1,更多状况下接受30:140:1。设计中桥墩的纵向、横向倾斜度均接受35:1。(5) 明挖基础尺寸明挖基础可接受单层式或多层式,每一层的厚度不宜小于1.0m。双向受力矩形墩台的明挖基础,其最上一层基础台阶两正交方向的破线与竖直线所成的夹角,对于混凝土基础不应大于35;其下各层台阶正交方向的夹角不应大于45,如图13所示图1一3桥墩托盘尺寸(单位Cm)第二章荷载计算一、主力(一)垂直荷载1、梁及桥面重(按木枕桥面计)Ni=1568+

6、3824.7=2506.6ZN2、桥墩与工重(1)顶帽C30号钢筋混凝土N2=8.0X3.2X0.6X25=3840V(2)托盘C30号混凝土M=(4.3+7.6)X2X;X2.8X23=766.36)W(3)墩身培工重与工体积TW(稣+部=w23当4=2.8,B0=4.3WN4=23V9计算结果见表21表21h(m)V(m3)NKkN)565.411504.3710141.773260.8115229.925288.0820330.657604.9622.2379.178720.97(二)垂直荷载1、单孔轻载(图21)7.517.2图21单孔轻载(单位m)1430x2.65+17.2x119

7、.6x15.75,24=15O7.887VMi=1507.880,35=527.758.,w2、单孔重载(图22)/7275为涔F,涔”5.图22单孔重载(单位m)1430x21.35+17.2x29.6x8.25224=1979.24攵NMr=1979.240.35=692.734Wm3、双孔重载(图24)由结构力学原理可知,假如相邻两孔梁的跨度分别为人和4,两孔梁上静活载分别为GI和G?,则当5=与时,简算墩的支座反力之和为最大,因为是等跨LlL2梁,所以公式简化成G=G2,计算X值:11.9-x 035,图23X计算简图(单位m)104(l1.9-x)+119.624.7-(11.9-x

8、)=1430+119.624.7-x-7.5=x=5.32m由此可以得出双孔重载图示:7.56.58Z40.35.035.图24双孔重载(单位m)R3=R3,+R14307.97+11.88l19.618.411046.582.94+l19.618.1215.29=12424=3029.27WM-)x035=(1564.79-1464.49)0.35=35.105ZN加4、双孔空载(图25)Ra.”邛.3524.713kNm图25双孔空载(单位m)&=&*RJ24.71312C=224=321W二、附加力(一)顺桥方向水平力1、制动力(牵引力与制动力大小相等,方向相反)(1)单孔轻载和单孔重载

9、Pz=(1430+17.2119.6)0.10=348.712%N对墩身随意截面的力矩:M./=348.712(0.325+2.6+)=1020+348.712见表22表22h(m)510152022.2Mz(kN-m)2763.564507.126250.687994.248761.41(2)双孔重载Pzx=(1430+11.88119.6)0.10=285348.712ANPf2=(18.12119.6+6.58104)0.I0=285348.712)WV因为均小于i孔梁跨的固定支座的水平力,故仍接受单孔梁跨制动力。2、风力风压强度按W=LbW/计算。(1)顶帽及托盘风力(纵向)PWt=(

10、80.6+y2)1.10=(4.8+11.9)1.10=1837kN%=4.8(0.3+2)+11.9+1.10+fvh,37.143=26.444+18.37见表23表23h(ri)510152022.2M:“(kNw)118.294210.144301.994393.844434.258(2)墩身风力(计算结果见表24)b=4.3?风压强度按W=LMN/计算。受风面积A=xz=S+z)xz风力%,=AW.bh2b+Bh3b+2hnTJWc=-X-=-3b+B32b+2hn力矩(对计算截面)=Ivc=(3b+2h/n)W力矩(对基顶截面)=R%x(c+22.2-z)j2=-(3b+2hn)W

11、+&X(22.2-h)j2=-(3b+2hn)W+(b+hn)hW(22.2-h)6表24h(m)510152022.2七WV)24.4450.4478.02107.17120.5z,(kNrri)(对计算截面)60.43246.98567.481029.811280.19(kNni)(对基顶截面)480.72862.381129.231265.591280.19(二)横桥方向水平力1、梁及列车风力钢轨高度接受4=()16m轨底至梁底h2=2.6m轨底至支撑垫石顶/%=3加轨顶至梁底高度G=2.6+().16=2.76m列车风力力臂c=3+2.16=5.16?梁上受风面积6=2.7624.7=

12、68.112m2一孔列车受风面积F3=3x24.7/2=37.05w2(I)桥上无车EO=LIX68.172=74.994NM0=E0(i3+0.16-)=74.99x1.78=133.48jUVm(2)桥上有车单孔活载E1=l.l(68.17237.05)=115.74WM1=l.l(68.1721.78+37.055.16)=343.78jWw(3)桥上有车双孔活载E2=1.1x(68.172+74.1)=156.5ZNM2=1.1(68.1721.78+74.15.16)=554.07kNm以上力矩为对支撑垫石顶面力矩,对墩身截面再增加:M=E(2.6+z),计算结果见表2-5表25Kn

13、i)5+2.610+2.615+2.620+2.622.2+2.6桥上无车E0(kN)74.9974.9974.9974.9974.99MO(kNm)703.4041078.3541453.3041828.2541993.232一单孔活载G(M)115.74115.74115.74115.74115.74M(kNm)1223.4041802.1()42380.8042959.5()43214.132双孔活载E2(kN)156.5156.5156.5156.5156.5M2(kNm)1743.472525.973308.474090.974435.272、顶帽及托盘风力(表26)4=(3.20.6+2.82)l.l=(1.92+5.6)1.1=8.272他M%=(1.922.3+5.61)1.1+8.272/z=Il.02+8.272表26h(m)510152022.2AMM加52.3893.74135.1176.46194.663、墩身风力(表27)b=2.8加B=b+”n二35风压强度按W=LMN/计算。受风面积Ah = (b + h1 n)h

展开阅读全文
相关资源
猜你喜欢
相关搜索

当前位置:首页 > 建筑/环境 > 公路与桥梁

copyright@ 2008-2023 1wenmi网站版权所有

经营许可证编号:宁ICP备2022001189号-1

本站为文档C2C交易模式,即用户上传的文档直接被用户下载,本站只是中间服务平台,本站所有文档下载所得的收益归上传人(含作者)所有。第壹文秘仅提供信息存储空间,仅对用户上传内容的表现方式做保护处理,对上载内容本身不做任何修改或编辑。若文档所含内容侵犯了您的版权或隐私,请立即通知第壹文秘网,我们立即给予删除!