风险管控措施清单.docx

上传人:p** 文档编号:66129 上传时间:2022-12-12 格式:DOCX 页数:24 大小:45.16KB
下载 相关 举报
风险管控措施清单.docx_第1页
第1页 / 共24页
风险管控措施清单.docx_第2页
第2页 / 共24页
风险管控措施清单.docx_第3页
第3页 / 共24页
风险管控措施清单.docx_第4页
第4页 / 共24页
风险管控措施清单.docx_第5页
第5页 / 共24页
风险管控措施清单.docx_第6页
第6页 / 共24页
风险管控措施清单.docx_第7页
第7页 / 共24页
风险管控措施清单.docx_第8页
第8页 / 共24页
风险管控措施清单.docx_第9页
第9页 / 共24页
风险管控措施清单.docx_第10页
第10页 / 共24页
亲,该文档总共24页,到这儿已超出免费预览范围,如果喜欢就下载吧!
资源描述

《风险管控措施清单.docx》由会员分享,可在线阅读,更多相关《风险管控措施清单.docx(24页珍藏版)》请在第壹文秘上搜索。

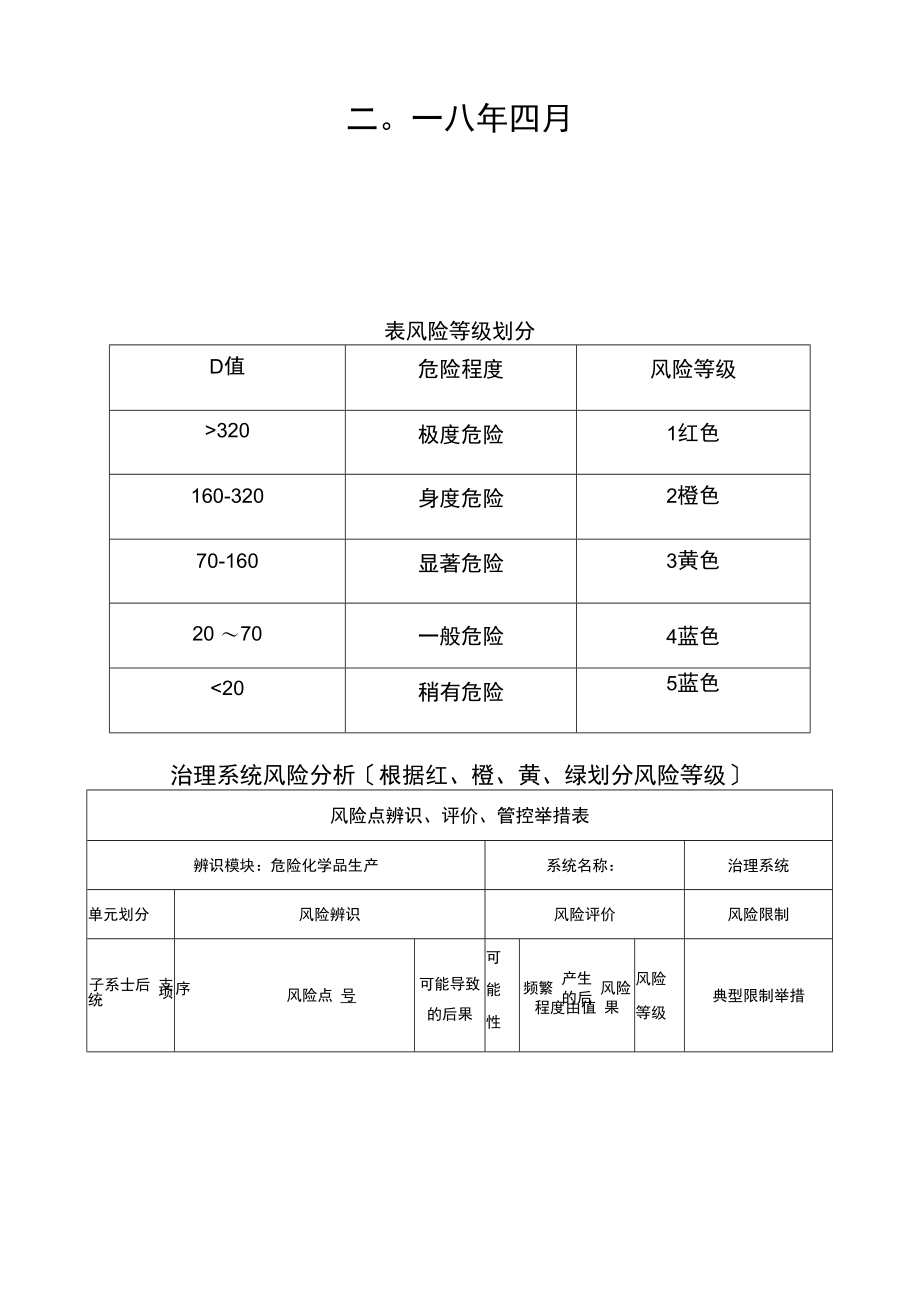
1、婺源县拓优美香料风险分级管控措施清单二。一八年四月表风险等级划分D值危险程度风险等级320极度危险1红色160-320身度危险2橙色70-160显著危险3黄色20 70一般危险4蓝色20稍有危险5蓝色治理系统风险分析根据红、橙、黄、绿划分风险等级风险点辨识、评价、管控举措表辨识模块:危险化学品生产系统名称:治理系统单元划分风险辨识风险评价风险限制子系士后 支项统序风险点 号可能导致 的后果可能性产生频繁风险的后程度由值 果风险等级典型限制举措1未取得工商营业执照或过期停产6615540红必须取证2未取得平安生产许可证或过 期,或超越许可范围进行生Vy停产6615540红必须取证资质 证照3主要

2、负责人未取得平安资格 证停产66136蓝必须取证4平安治理人员未取得资格证停产66136蓝必须取证5特种作业人员无上岗资格证停产6615540红必须持证上岗6从业人员无全员培训证实停产6615540红必须全员培训7未取得平安生产标准化证书停产6615540红必须取证根底8新建、改建、扩建工程未委 托有相应资质的平安评价 机构进行平安预评价停产106160蓝必须进行平安预评 价治理工程 三同 时9新建、改建、扩建工程工程 在初步设计时,未委托有资 质的设计单位编制平安专停产106160蓝必须编制,并上报 评审备案10新建、改建、扩建工程工程 安全设施未经验收合格停产10615900红平安设施必须

3、验收 合格11未根据规定设立专门平安生治理缺陷1063180红必须设置平安治理平安12未根据规定理备专职平安管 理人员停产1063180橙必须配置平安治理 人员构管制 机与理13未根据规定建立、健全相关 人员平安生产责任制停产1063180橙必须建立健全平安 生产责任制度14未根据规定制定、完善平安 操作规程发生各种意外伤害1063180橙必须制定平安操作 规程15未根据规定进行人员培训人员667252红增强培训教育伤害1Z蓝16未配备注册平安工程师从事 平安生产治理工作治理不当66136根据平安生产法规 定配置风险点辨识、评价、管控举措表辨识模块:危化品生产系统名称:治理系统单元划分风险辨识

4、风险评价风险限制子系 统支项序 号风险点可能导 致的后 果可能性频繁程度产生 的后 果风险 值风险等级典型限制举措根底 治理17从业人员上岗前未经“三级 安全教育,未经考核合格人员伤害6615540红红红必须培训考核合格 方能上岗18调换工种人员,未进行新岗位安 全操作的培训人员伤害6615540必须培训考核合格 方能上岗19未定期对从业人员进行个体防 护装备方面的培训人员伤害6615540必须培训宣传20无培训方案和培训、考核记录治理缺陷66136蓝红红红必须制定培训方案 并及时培训、考核平安投入21无平安投入使用方案,未根据国 家规定提取和使用平安生产费 用治理缺陷6615540企业每年必

5、须以红 头文件下发平安投 入方案和提取费用22提取平安技术举措经费投入不 符合平安生产要求治理缺陷6615540严格根据平安生产 法规定提取23未依法为员工缴纳平安生产责 任险人员6615540必须缴纳伤害IL其他24未根据要求配备个体防护装备人员伤害6615540I必须配备25为设置职业卫生治理机构和人 员配置治理缺陷1063180橙必须设置机构26未定期对工作场所进行职业病 危害因素检测、评价治理缺陷1063180橙聘请有资质单位定 期进行检测、评价27未编制事故应急预案治理缺陷1063180橙必须编制应急预案 并评审、备案28未根据规定进行应急演练人员伤害1067420每年至少一次演练2

6、9未定期组织相关人员排查平安 隐患人员伤害1063180橙每周至少一次平安 隐患检查30在平安隐患治理过程中,未采取相应 的平安防范举措.预防事故发生人员伤害1067420I针对隐患,制定措 施,预防事故发生31未根据规定及时报告和处理事 故等人员伤害1067420根据规定报告消防32厂区未建立消防隔离设施,设置 消防设备和器材,消防通道不应 该堆放杂物火灾1067420根据规定设置33办公楼、宿舍楼应配备足够的 消防器材火灾1063180橙按规定配足工艺操作风险风险点辨识、评价、管控举措表辨识模块:危化品生产系统名称:工艺操作单元划分风险辨识风险评价风险限制子系 统支项序 风险点可能导致 的

7、后果可能性频 繁 程 度产生 的后果风险 值风险等级典型限制举措各岗位工艺操作1危险岗位人员不具备上岗条件.机械伤 害、爆炸、火6615540红雅持证上岗2作业现场不配备平安保护装置机械伤害16742严格执行治理制度,加大考核力度3进入容器内作业不办证中毒窒息16742遵守治理制度,专人监护4违反劳动纪律受到伤害各种伤害16318增加考核频次都可能5不按规定穿戴防护用品各种伤害都可能367132黄执行治理制度,加强平安教育和考核6违章作业机械伤 害、火灾、爆 M=12714按培训要求进行安全学习7违章指挥各种伤害都有可能367132黄经常进行平安学习8一人巡检各种伤害方式都有可能16742篇蓝

8、厚般执行二人巡检制度9带情绪上岗各种伤害方式都有可能16742经常进行平安教育10清理运转设备运转部件卫生物体打 击、机械伤害16742挂牌警示运转部位禁止清扫卫生11带电检查机械部件触电16742断电检查12设备紧固局部松动机械伤害16742每班检查设备13作业区域照明缺乏摔伤、挤 伤、砸 伤、碰伤16742照明到位后作业14设备交给无证人员操作设备失控 或挤伤人16742必须持证上岗员蓝rm蓝rm rm15非工作人员到操作岗位 活动或触摸操纵台机械伤害16742严禁无关人员操作 设备16操作设备时说笑、打闹 等设备失控、发生各种意外16742严禁、增强教育17单人作业,无人监护发生各种意外

9、伤害16742增强日常巡查、双 人作业供电系统风险分析风险点辨识、评价、管控举措表辨识模块:危化生产系统名称:供电系统单元划分风险辨识风险评价风险限制子系 统支项序D风险点可能导致 的后果可能性频繁程度产生 的后 果风险 值风险等级典型限制举措1停电时、未将设备可靠 地脱离电源电击伤人121530尊严格遵守停送电规程 一人操作一人监护配电日常2巡查时未与带电设备保 持带电间隔电击伤人161590黄执行?平安操作规程?, 增强学习,增强监督操作3操作停送电时倒送电电击伤人121530辞严格执行工作票制度、 一人操作一人监护4停电时未挂“禁止合 闸,有人工作标志牌电击伤人121515鼐严格遵守停送

10、电规程、 必须加挂警示标志5停电时、带负荷拉合闸弧光伤人121530语严格遵守停送电规程、 严禁带负荷拉合闸6停送电时、拉合闸的顺 序错误弧光伤人121530尊严格遵守停送电规程、 操作时精力集中日常操作上班期间劳保护品必须 穿戴整洁配电7工作人员劳保穿戴不齐触电伤人161590黄8低压停电未与值班人员 办理停电手续触电伤人121530蓝严格执行工作票制度、与值班人员做好沟通9高压停电工作票未办理触电伤人121530草严格执行工作票制度、 严禁无票操作10停送电时面对开关操作电击伤人121530蓝rm增强防护与教育11巡查配电装置、接地装 置不合格定期检测接地电阻121530t rm使用前检查接地线12巡查配电设备、雷雨时 不穿绝缘靴触电伤人121530蓝rm增强职工教育,现场监督 检查13巡查人员进入高压区不 穿绝缘靴触电伤人161590黄增强职工教育,现场监督 检查14验电器验电、送电时、 误送电触电伤人124080黄执行?平安操作规程?、 工作票制度15验电器不合格触电伤人321590黄定期检测16验电器验电 未戴绝缘 手套触电伤人121530蓝HTl增强职工教育,执行?安 全操作规程?17验电器验电、绝缘手套 不合格触电伤人1

展开阅读全文
相关资源
猜你喜欢
相关搜索

当前位置:首页 > 建筑/环境 > 工程造价

copyright@ 2008-2023 1wenmi网站版权所有

经营许可证编号:宁ICP备2022001189号-1

本站为文档C2C交易模式,即用户上传的文档直接被用户下载,本站只是中间服务平台,本站所有文档下载所得的收益归上传人(含作者)所有。第壹文秘仅提供信息存储空间,仅对用户上传内容的表现方式做保护处理,对上载内容本身不做任何修改或编辑。若文档所含内容侵犯了您的版权或隐私,请立即通知第壹文秘网,我们立即给予删除!