饶河县晨光热电有限责任公司自行监测方案.docx

上传人:p** 文档编号:66173 上传时间:2022-12-12 格式:DOCX 页数:5 大小:37.77KB
下载 相关 举报
饶河县晨光热电有限责任公司自行监测方案.docx_第1页
第1页 / 共5页
饶河县晨光热电有限责任公司自行监测方案.docx_第2页
第2页 / 共5页
饶河县晨光热电有限责任公司自行监测方案.docx_第3页
第3页 / 共5页
饶河县晨光热电有限责任公司自行监测方案.docx_第4页
第4页 / 共5页
饶河县晨光热电有限责任公司自行监测方案.docx_第5页
第5页 / 共5页
亲,该文档总共5页,全部预览完了,如果喜欢就下载吧!
资源描述

《饶河县晨光热电有限责任公司自行监测方案.docx》由会员分享,可在线阅读,更多相关《饶河县晨光热电有限责任公司自行监测方案.docx(5页珍藏版)》请在第壹文秘上搜索。

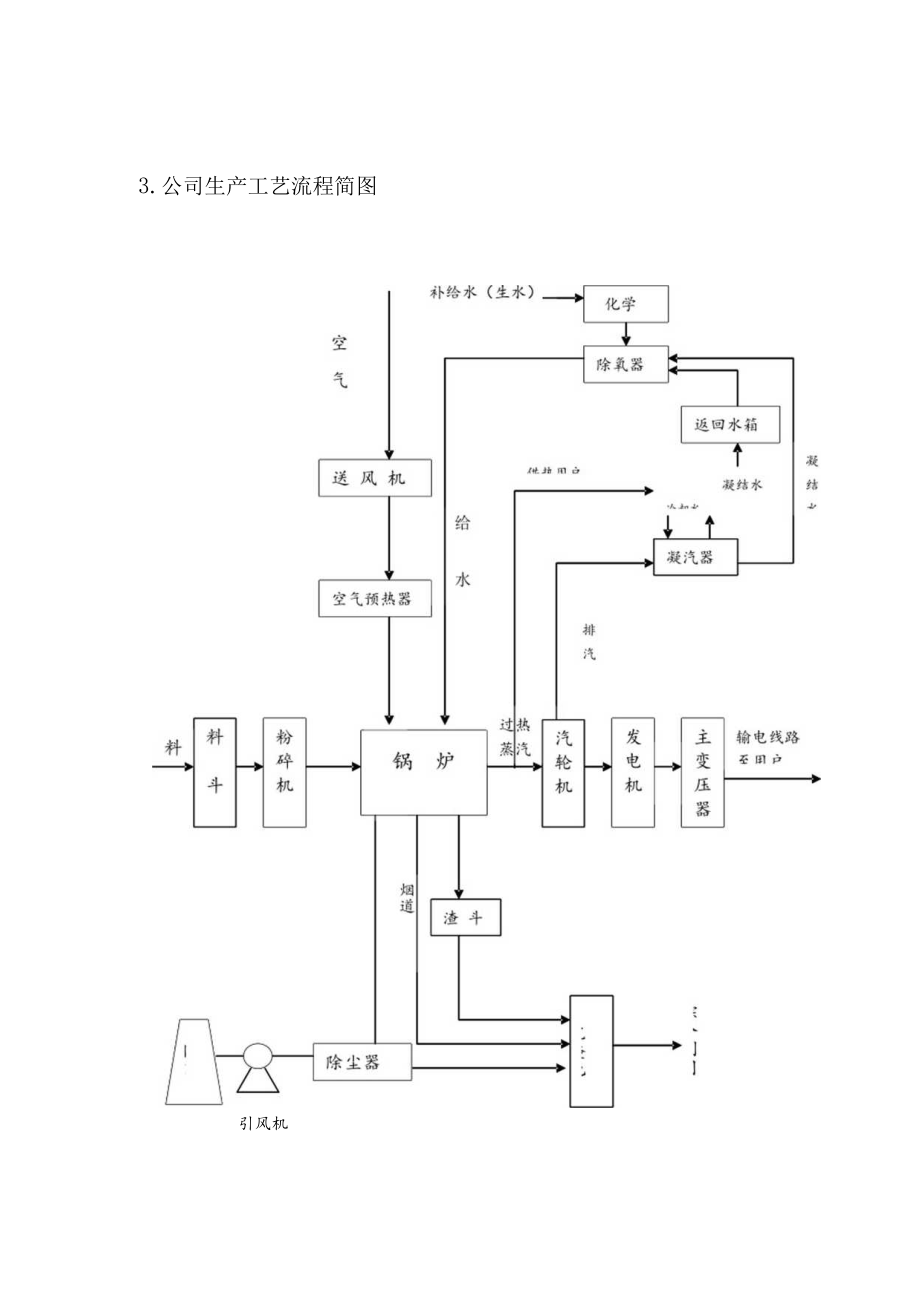
1、饶河县晨光热电有限责任公司自行监测方案2019年1月1日为自觉履行保护环境的义务,主动接受社 会监督,按照国家重点监控企业自行监测及信息公开办法(试 行)(环发201381号),环境影响评价报告书及其批复、 国家或地方污染物排放标准、环境监测技术规范等要求,根据我 公司的实际生产情况,制定了 2016年度自行监测方案,并严格 执行。一、公司基本情况(-)基础信息企业名称:饶河县晨光热电有限责任公司法人代表:赵明光所属行业:发电;供热地理位(附位置图)生产周期:210天联系方式:李万成手机:邮箱:委托监测机构名称等 双鸭山市环境监察支队(二)生产工艺及产排污情况1 .主要工程组成:锅炉、汽轮机3

2、台2台3000KW-台6000KW机 组,SHW91-L 6/130/7O-ALll 往复热水锅炉,(YG-75-5. 29-M112) 循环硫化床锅炉2 .主要原料及产品:煤.发电量、供热量3.公司生产工艺流程简图引风机4 .污染处理设施名称5#130吨炉多管布袋除尘LBCC-Ol布袋除尘4#75吨炉;LCM-3600低压脉冲除尘器.4#75吨炉炉内喷钙湿法脱硫设备和炉内喷尿素法脱硝设备LBTX-CC-24Q2800X40005#130吨往复热水炉炉内喷氧化镁法脱硫设备LBTLQ5000X2600 5#130吨炉炉内喷尿素脱硝法脱硝设备LBTX-CC-24Q2800X4000 二、污染物排放

3、自行监测(-)大气污染物排放监测1 .监测点位1#监测点:烟囱总排放口 DNO(H执行标准名称GB13271_20012 .监测指标二氧化硫:执行标准为200mg氮氧化物:执行标准为200mgm3;烟尘:执行标准为30mgm3 .监测频次自动监测一一在总排放口安装一台废气自动监测设备进行24 小时实时监测。4 .执行排放标准及限值根据环评批复及验收,我公司1#和2#和3#机组执行锅炉大气污染物排放标准GB13271-2001,各污染物浓度限值为:烟尘30mgm二氧化硫200mgm氮氧化物200mgm3(二)厂界噪声监测1.监测点位在厂界外各方向设置,共设4个监测点监测点位示意图:1#4#饶河县

4、晨光热电有限责任公司2#3#2监测指标昼、夜等效声级3 .监测频次厂外的4个点位,每季度监测1次。4 .执行排放标准及其限值工业企业厂界噪声排放标准(GB12348-2008)5 .监测方法和仪器执行工业企业厂界噪声测量方法GB/T12349-1990,所用仪器:AWA6270+型声级计。三.质量控制与质量保证(一)按照固定污染源监测质量保证与质量控制技术规范(试 行)(HJ/T373-2007)进行。(二).严格执行监测方案。认真如实填写各项自行监测记录及 校验记录并妥善保存记录台帐,包括采样记录、样品保存、分析 测试记录、监测报告等。四、自行监测结果公布(-)对外公布方式:国家污染源平台,省环境保护厅网站及双 鸭山市环保局网站。执行排污许可证4935XAOOlP(二)公布内容:企业名称、排放口及监测点位、监测时间、污 染物种类及浓度、标准限值、达标情况、超标倍数、污染物排放 方式及排放去向。(三)公布时限:1、自动监测结果自动监测数据实时公布监测结果,废气自动监测设备为实时监测2、手工监测结果手工监测结果应于每次监测完的次日公布。3、年度报告每年1月底前公布上年度自行监测年度报告。饶河县晨光热电有限责任公司2019年1月1日

展开阅读全文
相关资源
猜你喜欢
相关搜索

当前位置:首页 > 法律/法学 > 劳动法

copyright@ 2008-2023 1wenmi网站版权所有

经营许可证编号:宁ICP备2022001189号-1

本站为文档C2C交易模式,即用户上传的文档直接被用户下载,本站只是中间服务平台,本站所有文档下载所得的收益归上传人(含作者)所有。第壹文秘仅提供信息存储空间,仅对用户上传内容的表现方式做保护处理,对上载内容本身不做任何修改或编辑。若文档所含内容侵犯了您的版权或隐私,请立即通知第壹文秘网,我们立即给予删除!