有限公司2024年度安全检查工作计划.docx

上传人:p** 文档编号:667963 上传时间:2024-01-06 格式:DOCX 页数:3 大小:17.74KB
下载 相关 举报
有限公司2024年度安全检查工作计划.docx_第1页
第1页 / 共3页
有限公司2024年度安全检查工作计划.docx_第2页
第2页 / 共3页
有限公司2024年度安全检查工作计划.docx_第3页
第3页 / 共3页
亲,该文档总共3页,全部预览完了,如果喜欢就下载吧!
资源描述

《有限公司2024年度安全检查工作计划.docx》由会员分享,可在线阅读,更多相关《有限公司2024年度安全检查工作计划.docx(3页珍藏版)》请在第壹文秘上搜索。

1、有限公司2024年度安全检查工作计划一、检查目的贯彻“安全第一、预防为主”安全生产理念,落实公司安全管理要求,辨识各类安全隐患,落实各项安全措施,堵塞安全漏洞,强化安全管理,推进作业现场安全标准化的执行,确保安全生产。二、检查内容1、国家有关法律、法规、规范、标准的执行;公司各项安全管理制度的执行和落实情况;2、个人劳动防护用品的配备及使用的合规性;3、个人作业行为的合规性;4、有无事故隐患的存在;5、各类安全、消气防设施的完备性;6、主要设备的安全完好性;7、各单位安全计划的实施情况。三、检查形式1、日常检查:做到每天至少2次现场巡检;2、季节性检查:重点夏秋季防雷电、冬季防冻,同时包含防火

2、防爆、防中毒、防滑、防高温中暑等检查;3、节日前的例行检查:针对节假日前公司安全、保卫、消防、生产物资准备、备用设备、应急预案进行节假日检查;4、专项安全检查:针对现场实际普遍存在的安全问题及危险性较大的在用设备设施,对锅炉、压力容器、危险物品、电气装置、机械设备、构建筑物、安全装置、防火防爆、防尘防毒、检测仪器等进行专业检查。5、综合性检查:以落实岗位安全责任制为重点,各专业共同参与的全面检查,同时进行隐患排查。公司级综合性检查由安环部组织,各相关专业共同参与,每月进行1次。四、检查要求1、检查人员工作要严肃认真,所查问题要依据充分、内容具体,并对发现的安全隐患下发安全检查通报或安全隐患整改

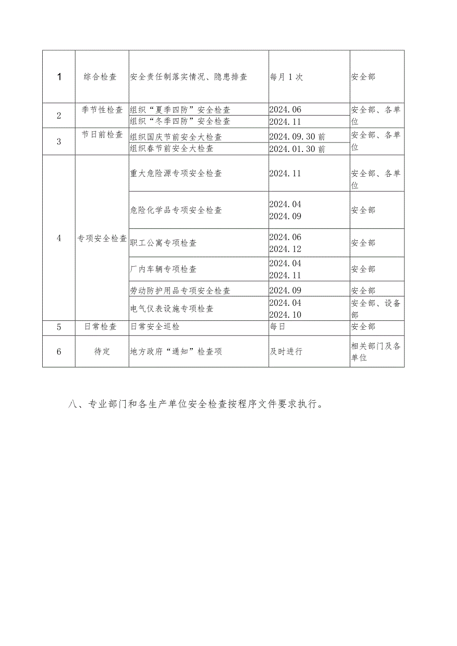
3、通知单,告知受检单位;2、对重点部位、风险作业、关键装置要重点检查;3、为使检查工作更加规范,综合性检查、节前检查、施工现场、季节性检查要制定检查表。对检查出的问题整改情况进行汇总跟踪整改,形成闭环管理。4、检查人员在检查前要认真学习检查表中的有关内容要求。五、检查依据1、有关法律法规、标准、规程、规范及规定;、2、公司安全管理制度及其它各项规章;六、检查人员综合性检查、季节性检查、节日前检查、专项检查由安环部组织各相关人员进行检查;日常检查由安全部有关人员进行。七、时间安排序号检查形式工作任务计划完成时间备注1综合检查安全责任制落实情况、隐患排查每月1次安全部2季节性检查组织“夏季四防”安全

4、检查2024.06安全部、各单位组织“冬季四防”安全检查2024.113节日前检查组织国庆节前安全大检查2024.09.30前安全部、各单位组织春节前安全大检查2024.01.30前4专项安全检查重大危险源专项安全检查2024.11安全部、各单位危险化学品专项安全检查2024.042024.09安全部职工公寓专项检查2024.062024.12安全部厂内车辆专项检查2024.042024.11安全部劳动防护用品专项安全检查2024.09安全部电气仪表设施专项检查2024.042024.10安全部、设备部5日常检查日常安全巡检每日安全部6待定地方政府“通知”检查项及时进行相关部门及各单位八、专业部门和各生产单位安全检查按程序文件要求执行。

展开阅读全文
相关资源
猜你喜欢
相关搜索

当前位置:首页 > 办公文档 > 工作计划

copyright@ 2008-2023 1wenmi网站版权所有

经营许可证编号:宁ICP备2022001189号-1

本站为文档C2C交易模式,即用户上传的文档直接被用户下载,本站只是中间服务平台,本站所有文档下载所得的收益归上传人(含作者)所有。第壹文秘仅提供信息存储空间,仅对用户上传内容的表现方式做保护处理,对上载内容本身不做任何修改或编辑。若文档所含内容侵犯了您的版权或隐私,请立即通知第壹文秘网,我们立即给予删除!