XX开关股份有限公司产品装配流程(2023年).docx

上传人:p** 文档编号:669737 上传时间:2024-01-07 格式:DOCX 页数:2 大小:58.58KB
下载 相关 举报
XX开关股份有限公司产品装配流程(2023年).docx_第1页
第1页 / 共2页
XX开关股份有限公司产品装配流程(2023年).docx_第2页
第2页 / 共2页
亲,该文档总共2页,全部预览完了,如果喜欢就下载吧!
资源描述

《XX开关股份有限公司产品装配流程(2023年).docx》由会员分享,可在线阅读,更多相关《XX开关股份有限公司产品装配流程(2023年).docx(2页珍藏版)》请在第壹文秘上搜索。

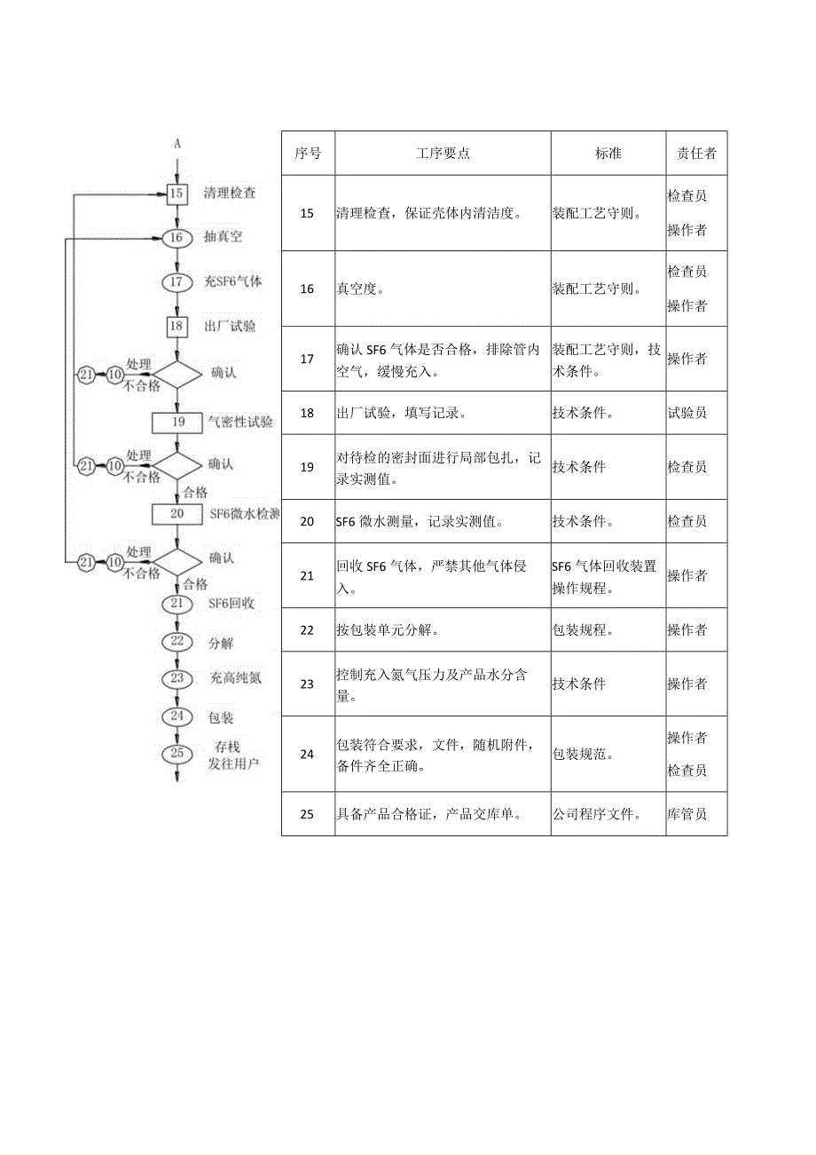
1、XX开关股份有限公司产品装配流程外购件自制件进序号工序要点标准责任者1具备合格凭证,检查数量和外观质量,进行抽检。(无毛刺、磕碰、锈蚀、油污)各类外购外协标准、图纸、检验标准、外购外协件管理办法。检查员2检查零部件质量(无毛刺、磕碰、锈蚀、油污),出具合格证。图纸、工艺文件及有关标准。检查员3进口件商检商检法有关条款及订货合同。商检员4具备合格证,检查数量、质量(外观)。帐物卡相符。库房管理制度。库管员5配套数量、合格证。装配车间生产计划,领料单。库管员6检查数量、质量(外观)、合格证、办理签收。配套计划、领料单。操作者7用清洁剂、吸尘器清理,防止磕碰。装配工艺守则。操作者8掌握装配程序,执行

2、装配工艺守则并做好责任标识。质量管理制度、图纸、车间生产计划、装配工艺守则。操作者9按图纸逐项检查并调整,填写记录,做好标记。装配检查卡、图纸、装配工艺守则。操作者检查员10分析原因,重新组装、调整。装配检查卡、图纸、装配工艺守则。操作者检查员11分步测量、记录实测值。图纸、技术条件试验员12掌握装配程序,执行装配工艺守则并做好责任标识。防止异物进入壳体内。图纸、装配检查卡、装配工艺守则。操作者13逐项检查、调整,填写记录。装配检查卡、检查指导书,技术条件,装配工艺守则。操作者检查员14检查仪表准确性,记录实测电阻值。装配检查卡,技术条件:试验员序号工序要点标准责任者15清理检查,保证壳体内清洁度。装配工艺守则。检查员操作者16真空度。装配工艺守则。检查员操作者17确认SF6气体是否合格,排除管内空气,缓慢充入。装配工艺守则,技术条件。操作者18出厂试验,填写记录。技术条件。试验员19对待检的密封面进行局部包扎,记录实测值。技术条件检查员20SF6微水测量,记录实测值。技术条件。检查员21回收SF6气体,严禁其他气体侵入。SF6气体回收装置操作规程。操作者22按包装单元分解。包装规程。操作者23控制充入氮气压力及产品水分含量。技术条件操作者24包装符合要求,文件,随机附件,备件齐全正确。包装规范。操作者检查员25具备产品合格证,产品交库单。公司程序文件。库管员

展开阅读全文
相关资源
猜你喜欢
相关搜索

当前位置:首页 > 汽车/机械/制造 > 制造加工工艺

copyright@ 2008-2023 1wenmi网站版权所有

经营许可证编号:宁ICP备2022001189号-1

本站为文档C2C交易模式,即用户上传的文档直接被用户下载,本站只是中间服务平台,本站所有文档下载所得的收益归上传人(含作者)所有。第壹文秘仅提供信息存储空间,仅对用户上传内容的表现方式做保护处理,对上载内容本身不做任何修改或编辑。若文档所含内容侵犯了您的版权或隐私,请立即通知第壹文秘网,我们立即给予删除!