大型煤矿矿井机电设备完好规范标准.docx

上传人:p** 文档编号:673602 上传时间:2024-01-08 格式:DOCX 页数:99 大小:215.89KB
下载 相关 举报
大型煤矿矿井机电设备完好规范标准.docx_第1页
第1页 / 共99页
大型煤矿矿井机电设备完好规范标准.docx_第2页
第2页 / 共99页
大型煤矿矿井机电设备完好规范标准.docx_第3页
第3页 / 共99页
大型煤矿矿井机电设备完好规范标准.docx_第4页
第4页 / 共99页
大型煤矿矿井机电设备完好规范标准.docx_第5页
第5页 / 共99页
大型煤矿矿井机电设备完好规范标准.docx_第6页
第6页 / 共99页
大型煤矿矿井机电设备完好规范标准.docx_第7页
第7页 / 共99页
大型煤矿矿井机电设备完好规范标准.docx_第8页
第8页 / 共99页
大型煤矿矿井机电设备完好规范标准.docx_第9页
第9页 / 共99页
大型煤矿矿井机电设备完好规范标准.docx_第10页
第10页 / 共99页
亲,该文档总共99页,到这儿已超出免费预览范围,如果喜欢就下载吧!
资源描述

《大型煤矿矿井机电设备完好规范标准.docx》由会员分享,可在线阅读,更多相关《大型煤矿矿井机电设备完好规范标准.docx(99页珍藏版)》请在第壹文秘上搜索。

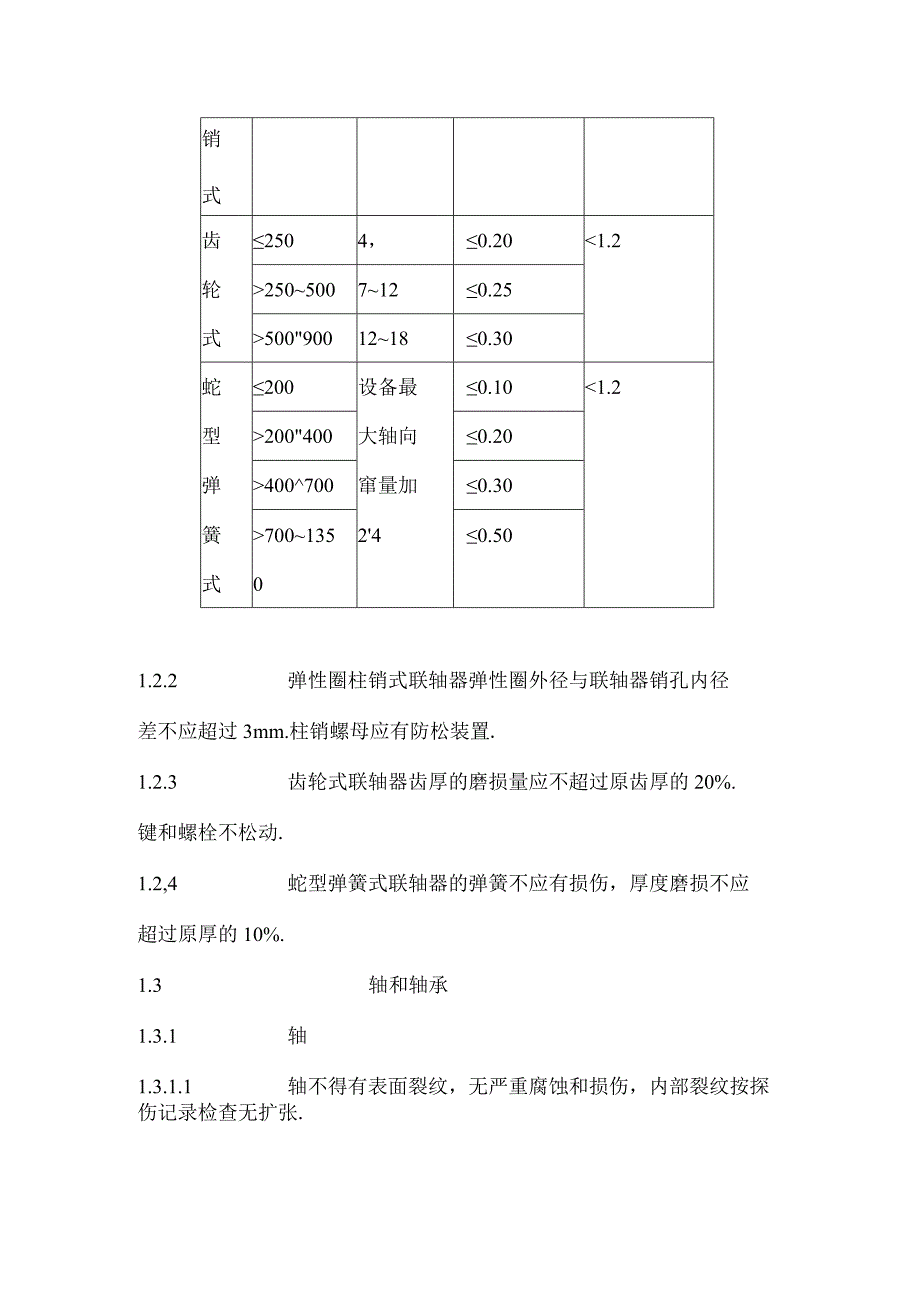
1、“煤矿矿井机电设备完好规范标准I固定设备1通用部分1.1紧固件1.11螺纹连接件和锁紧件必须齐全,牢固可靠.螺栓头部和螺母不得有铲伤或棱角严重变形.螺纹无乱扣或脱扣.1.1.2螺栓拧入螺纹孔的长度不应小于螺栓的直径(铸铁、铜、铝合金件等不小于螺栓直径的L5倍.1.1.3螺母扭紧后螺栓螺纹应露出螺母厂3个螺距,不得用增加垫圈的办法调整螺纹露出长度.1.1 .4稳定与稳定孔应吻合,不松旷.1.1.5 钾钉必须紧固,不得有明显歪斜现象.1.1.6 键不得松旷,打入时不得加垫,露出键槽的长度应小于键全长的20%,大于键全长的5%(钩头键不包括钩头的长度).1.2 联轴器1.2.5 端面的间隙及同轴度应

2、符合表的规定:表1-1-1联轴器端面间隙和同轴度mm类型外形尺寸端面间隙两轴同轴度径向位移倾斜%弹设备最0.51.2性大轴向圆窜量加柱24销式齿2504,0.202505007120.25式50090012180.30蛇200设备最0.10200400大轴向0.20弹400700窜量加0.30簧700135240.50式01.2.2弹性圈柱销式联轴器弹性圈外径与联轴器销孔内径差不应超过3mm.柱销螺母应有防松装置.1.2.3齿轮式联轴器齿厚的磨损量应不超过原齿厚的20%.键和螺栓不松动.1.2,4蛇型弹簧式联轴器的弹簧不应有损伤,厚度磨损不应超过原厚的10%.1.3轴和轴承1.3.1轴1.3.

3、1.1轴不得有表面裂纹,无严重腐蚀和损伤,内部裂纹按探伤记录检查无扩张.的挠度较大达不到此要求时,齿轮咬合及轴承温度正常,也算合格.1.3.2滑动轴承1.3.2.1轴瓦合金层与轴瓦应粘合牢固,无脱离现象,合金层无裂纹,无剥落,如有轻微裂纹和剥落,但面积不超过L5cm2,且轴承温度正常,也算合格.1. 3.2.2轴径与轴瓦的顶间隙不应超过表1T-2的规定:表1-1-2轴径与轴瓦的顶间隙mm轴径直径最大磨损间隙50800.30501200.351201800.401802500.502503150.553154000.654005000.751.3. 2.3轴径与下轴瓦中部应有900120。的接触

4、面,沿轴向接触范围不应小于轴瓦长度的80%.1.4. 2.4润滑油质合格,油量适当,油圈或油链转动灵活.压力润滑系统油路畅通,不漏油.1.3.3滚动轴承1.3.3.1轴承转动灵活、平稳、无异响。1.3.3.2润滑脂合格,油量适当,占油腔的1223,不漏油.1.3.4轴承温度应符合表1-1-3的规定:表1-1-3轴承温度轴承类型允许最高温度滑动轴承合金瓦65铜瓦75滚动轴承751.3.5轴在轴承上(包括减速器)的振幅不超过表1-1-4的规定:表IT-4轴在轴承上的振幅转速(rmin)1000750600816指示区间O.8Pmax0.8Pmax0.8Pmax0.8Pmax压力振摆值+0.20.40.30.6残压0.51.02.6安全保护装置提升机除必须具备煤矿安全规程第392条、第393条规定的保护装置外,还应具备下列保护:a制动系统的油压(风压)不足不能开车的闭锁;b换向器闭锁;c压力润滑系统断油时不能开车的保护;d高压换向器的栅栏门闭锁;e容器接近停车位置,速度低于2ms的后备保护(报警、并使保险闸动作)f箕斗提升系统应设顺利通过卸载位置的保护(声光显示或制动)。这些保护装置应保证灵敏有效,动作可靠

展开阅读全文
相关资源
猜你喜欢
相关搜索

当前位置:首页 > 行业资料 > 国内外标准规范

copyright@ 2008-2023 1wenmi网站版权所有

经营许可证编号:宁ICP备2022001189号-1

本站为文档C2C交易模式,即用户上传的文档直接被用户下载,本站只是中间服务平台,本站所有文档下载所得的收益归上传人(含作者)所有。第壹文秘仅提供信息存储空间,仅对用户上传内容的表现方式做保护处理,对上载内容本身不做任何修改或编辑。若文档所含内容侵犯了您的版权或隐私,请立即通知第壹文秘网,我们立即给予删除!