广州市市场监督管理局建筑用钢材冷轧带肋钢筋产品质量监督抽查实施细则.docx

上传人:p** 文档编号:691829 上传时间:2024-01-14 格式:DOCX 页数:5 大小:20.11KB
下载 相关 举报
广州市市场监督管理局建筑用钢材冷轧带肋钢筋产品质量监督抽查实施细则.docx_第1页
第1页 / 共5页
广州市市场监督管理局建筑用钢材冷轧带肋钢筋产品质量监督抽查实施细则.docx_第2页
第2页 / 共5页
广州市市场监督管理局建筑用钢材冷轧带肋钢筋产品质量监督抽查实施细则.docx_第3页
第3页 / 共5页
广州市市场监督管理局建筑用钢材冷轧带肋钢筋产品质量监督抽查实施细则.docx_第4页
第4页 / 共5页
广州市市场监督管理局建筑用钢材冷轧带肋钢筋产品质量监督抽查实施细则.docx_第5页
第5页 / 共5页
亲,该文档总共5页,全部预览完了,如果喜欢就下载吧!
资源描述

《广州市市场监督管理局建筑用钢材冷轧带肋钢筋产品质量监督抽查实施细则.docx》由会员分享,可在线阅读,更多相关《广州市市场监督管理局建筑用钢材冷轧带肋钢筋产品质量监督抽查实施细则.docx(5页珍藏版)》请在第壹文秘上搜索。

1、广州市市场监督管理局建筑用钢材(冷轧带肋钢筋)产品质量监督抽查实施细则(2022年5月修订)一、抽样方法(一)在生产者、销售者的待销产品中随机抽取有产品质量检验合格证明或者以其他形式表明合格的、近期生产的产品。抽查样品基数应满足抽样数量要求。抽样采用分层随机抽样方法进行,对于直条型式的冷轧带肋钢筋,抽样方法如下:(1)抽取样品应为同一规格、同一批次的产品。优先抽取主导牌号产品;(2)将确定的牌号产品按所有规格逐一编号,做到不重不漏,用上述随机数产生方法抽取其中的某一规格;(3)将确定的某规格产品按堆放的垛数逐一编号,做到不重不漏,用上述随机数产生方法抽取其中的某一垛;(4)将该垛的表层产品按捆

2、数逐一编号,做到不重不漏,用上述随机数产生方法抽取其中的某一捆产品;(5)若该捆同批号产品不满足抽样基数,则重复以上(1)(4)条进行抽样,直到某一捆同批号产品满足抽样基数为止;(6)在该捆中随机抽取5根长度为2400mm的冷轧带肋钢筋,逐根顺序编号为15,再把每根冷轧带肋钢筋分成2支长度为120Omm的样品,2支样品逐支编号标记,并一一对应(如l-a,l-b)o(7)每支样品要保证有完整的表面标志,标记a的样品为检验样品,标记b的样品为备用样品。(二)对于盘卷型式的冷轧带肋钢筋,抽样方法如下:(1)抽取样品应为同一规格、同一批次的产品。优先抽取主导牌号产品;(2)将确定的牌号产品按所有规格逐

3、一编号,做到不重不漏,用上述随机数产生方法抽取其中的某一规格;(3)将确定的某规格产品按堆放的垛数逐一编号,做到不重不漏,用上述随机数产生方法抽取其中的某一垛;(4)该垛的同批号表层产品的盘数经确认满足抽样基数后,逐一编号,做到不重不漏,用上述随机数产生方法抽取其中某1盘的产品;(5)用上述随机数产生方法抽取其余4盘的产品;(6)若该批号产品不满足抽样基数,则重复以上步骤进行抽样,直到某盘同批号产品满足抽样基数为止;(7)在每盘冷轧带肋钢筋随机截取1根长度为2400mm的钢筋,逐根顺序编号为15,再把每根产品分成2支长度为120Omm的样品,2支样品逐支编号标记,并对应(如l-a,l-b)o(

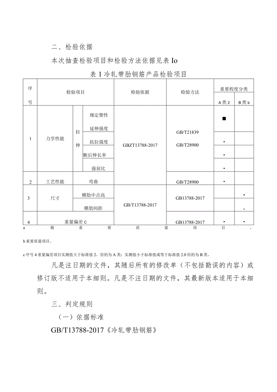
4、8)每支样品要保证有完整的表面标志,标记a的样品为检验样品,标记b的样品为备用样品。随机数一般可使用随机数表、随机数骰子或扑克牌等方法产生。二、检验依据本次抽查检验项目和检验方法依据见表Io表1冷轧带肋钢筋产品检验项目序号检验项目检验依据检验方法重要程度分类A类2B类b1力学性能拉伸规定塑性延伸强度GBZT13788-2017GB/T21839GB/T28900抗拉强度断后伸长率强屈比2工艺性能弯曲GB/T289003尺寸横肋中点高GB/T13788-2017GB13788-2017横肋间距4重量偏差CGB13788-2017a极重要质量项目。b重要质量项目。c序号4重量偏差项目实测值大于标准

5、值2。倍的为A类;实测值小于标准值或等于标准值2.0倍的为B类。凡是注日期的文件,其随后所有的修改单(不包括勘误的内容)或修订版不适用于本细则。凡是不注日期的文件,其最新版本适用于本细则。三、判定规则(一)依据标准GB/T13788-2017冷轧带肋钢筋现行有效的企业标准、团体标准、地方标准及产品明示质量要求(二)判定原则经检验,所检验项目全部符合标准要求,判定为被抽查产品未发现不合格;检验项目中任一项或一项以上不合格,判定为被抽查产品不合格。当产品存在A类项目不合格时,属于严重不合格。若被检产品明示的质量要求高于本细则中检验项目依据的标准要求时,应按被检产品明示的质量要求判定。若被检产品明示

6、的质量要求低于本细则中检验项目依据的强制性标准要求时,应按照强制性标准要求判定。若被检产品明示的质量要求低于或包含本细则中检验项目依据的推荐性标准要求时,应以被检产品明示的质量要求判定,但应在检验报告备注中进行说明。若被检产品明示的质量要求缺少本细则中检验项目依据的强制性标准要求时,应按照强制性标准要求判定。若被检产品明示的质量要求缺少本细则中检验项目依据的推荐性标准要求时,该项目不参与判定,但应在检验报告备注中进行说明。(三)单项判定原则331力学性能:每批检验样本量n=5,不合格品限定数L=O;检验5支样品的相应指标。一支样品有任一指标不合格,判定该支样品不合格。不合格品数d小于或等于不合

7、格品限定数L时,判定被抽查产品力学性能项目合格,反之则判定为不合格。332工艺性能:每批检验样本量n=2,不合格品限定数L=O;不合格品数d小于或等于不合格品限定数L时,判定被抽查产品工艺性能项目合格,反之则判定为不合格。333尺寸:每批检验样本量n=5,不合格品限定数L=I;检验五支样品的横肋中点高、肋间距指标。一支样品有任一指标达不到标准要求,判定该支样品不合格。不合格品数d小于或等于不合格品限定数L时,判定被抽查产品尺寸项目合格,反之则判定为不合格。3.3.4重量偏差:每批检验样本量n=2,不合格品限定数L=O;不合格品数d小于或等于L时,判定被抽查产品重量偏差项目合格,反之则判定为不合格。依据产品标准规定,重量偏差的n值代表组。

展开阅读全文
相关资源
猜你喜欢
相关搜索

当前位置:首页 > 建筑/环境 > 建筑材料

copyright@ 2008-2023 1wenmi网站版权所有

经营许可证编号:宁ICP备2022001189号-1

本站为文档C2C交易模式,即用户上传的文档直接被用户下载,本站只是中间服务平台,本站所有文档下载所得的收益归上传人(含作者)所有。第壹文秘仅提供信息存储空间,仅对用户上传内容的表现方式做保护处理,对上载内容本身不做任何修改或编辑。若文档所含内容侵犯了您的版权或隐私,请立即通知第壹文秘网,我们立即给予删除!