福建省岩土工程勘察现场检查记录表.docx

上传人:p** 文档编号:692577 上传时间:2024-01-14 格式:DOCX 页数:2 大小:20.78KB
下载 相关 举报
福建省岩土工程勘察现场检查记录表.docx_第1页
第1页 / 共2页
福建省岩土工程勘察现场检查记录表.docx_第2页
第2页 / 共2页
亲,该文档总共2页,全部预览完了,如果喜欢就下载吧!
资源描述

《福建省岩土工程勘察现场检查记录表.docx》由会员分享,可在线阅读,更多相关《福建省岩土工程勘察现场检查记录表.docx(2页珍藏版)》请在第壹文秘上搜索。

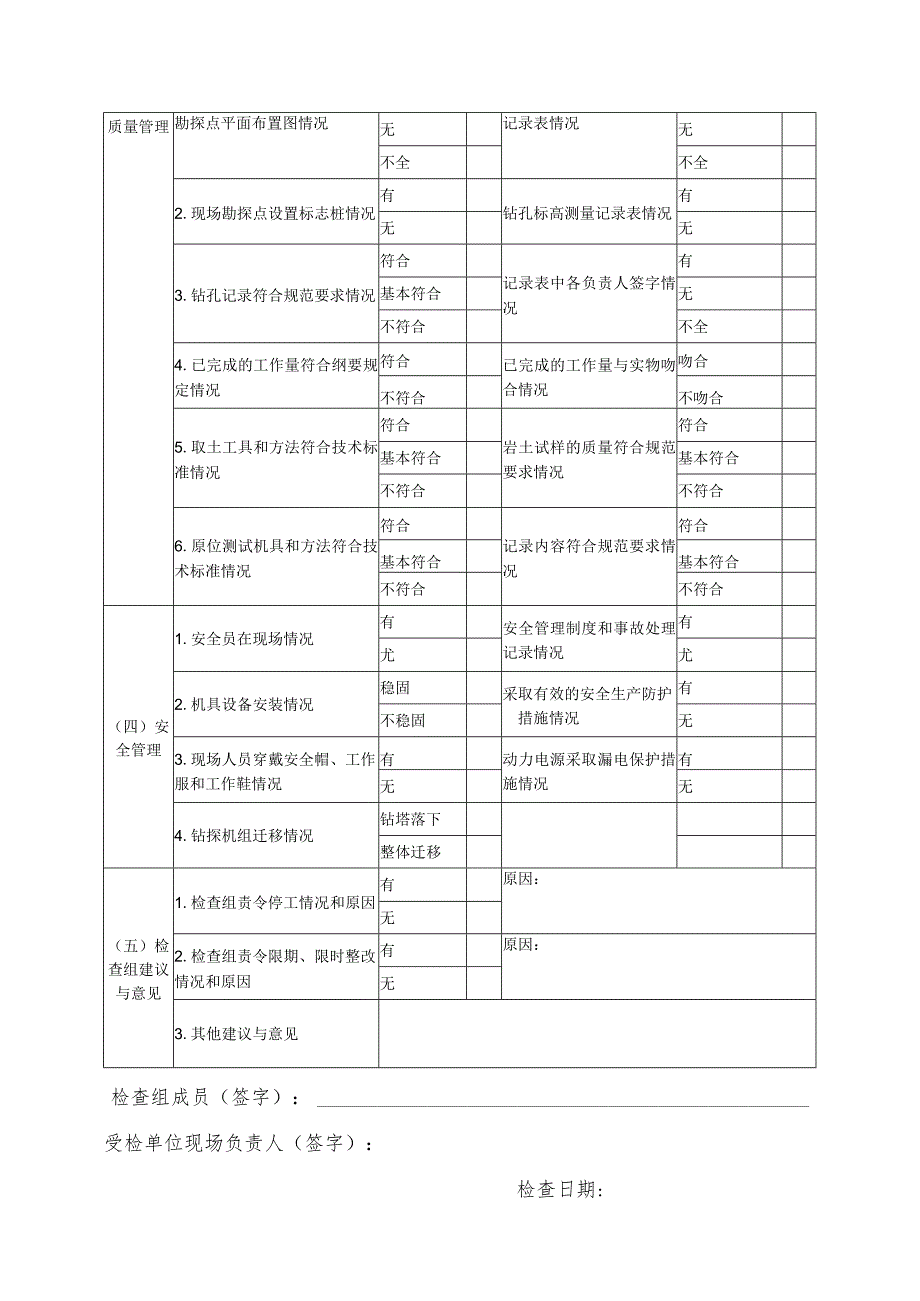
1、福建省岩土工程勘察现场检查记录表项目名称:项目规模:级勘察单位:勘察阶段:劳务单位:合同金额:万元建设单位:项目地点:(一)人员1.工程(项目)负责人和现场技术管理人员在岗情况在岗执业资格或技术职称符合情况符合不在岗不符合2.钻工(机长)持证上岗情况持证负责技术操作情况负责无证不负责3.描述员(编录员)持证上岗情况持证负责记录或编录情况负责无证不负责机上人数是否满足要求满足不满足4.安全员持证上冈情况持证负责安全工作情况负责无证不负责(二)机具设备I.钻机(静触探机)保养情况有定期保养记录情况有无无2.取土器满足土试样质量等级要求情况满足受损情况完好基本满足有损坏不满足严重损坏3.标贯器符合规

2、格规定情况符合受损情况完好基本符合有损坏不符合严重损坏4.静力触探探头符合规格规定情况符合定期率定情况有基本符合无不符合5.圆锥动力触探头和配套设备适用性情况适用受损情况完好基本适用有损坏不适用严重损坏(三)1.现场技术人员持纲要和17持当天已完成的钻孔有质量管理勘探点平面布置图情况无记录表情况无不全不全2.现场勘探点设置标志桩情况有钻孔标高测量记录表情况有无无3.钻孔记录符合规范要求情况符合记录表中各负责人签字情况有基本符合无不符合不全4.已完成的工作量符合纲要规定情况符合已完成的工作量与实物吻合情况吻合不符合不吻合5.取土工具和方法符合技术标准情况符合岩土试样的质量符合规范要求情况符合基本符合基本符合不符合不符合6.原位测试机具和方法符合技术标准情况符合记录内容符合规范要求情况符合基本符合基本符合不符合不符合(四)安全管理1.安全员在现场情况有安全管理制度和事故处理记录情况有尤尤2.机具设备安装情况稳固采取有效的安全生产防护措施情况有不稳固无3.现场人员穿戴安全帽、工作服和工作鞋情况有动力电源采取漏电保护措施情况有无无4.钻探机组迁移情况钻塔落下整体迁移(五)检查组建议与意见1.检查组责令停工情况和原因有原因:无2.检查组责令限期、限时整改情况和原因有原因:无3.其他建议与意见检查组成员(签字):受检单位现场负责人(签字):检查日期:

展开阅读全文
相关资源
猜你喜欢
相关搜索

当前位置:首页 > 办公文档 > 统计图表

copyright@ 2008-2023 1wenmi网站版权所有

经营许可证编号:宁ICP备2022001189号-1

本站为文档C2C交易模式,即用户上传的文档直接被用户下载,本站只是中间服务平台,本站所有文档下载所得的收益归上传人(含作者)所有。第壹文秘仅提供信息存储空间,仅对用户上传内容的表现方式做保护处理,对上载内容本身不做任何修改或编辑。若文档所含内容侵犯了您的版权或隐私,请立即通知第壹文秘网,我们立即给予删除!