14MnNbp桥梁板性能及成分.docx

上传人:p** 文档编号:693437 上传时间:2024-01-16 格式:DOCX 页数:1 大小:6.90KB
下载 相关 举报
14MnNbp桥梁板性能及成分.docx_第1页
第1页 / 共1页
亲,该文档总共1页,全部预览完了,如果喜欢就下载吧!
资源描述

《14MnNbp桥梁板性能及成分.docx》由会员分享,可在线阅读,更多相关《14MnNbp桥梁板性能及成分.docx(1页珍藏版)》请在第壹文秘上搜索。

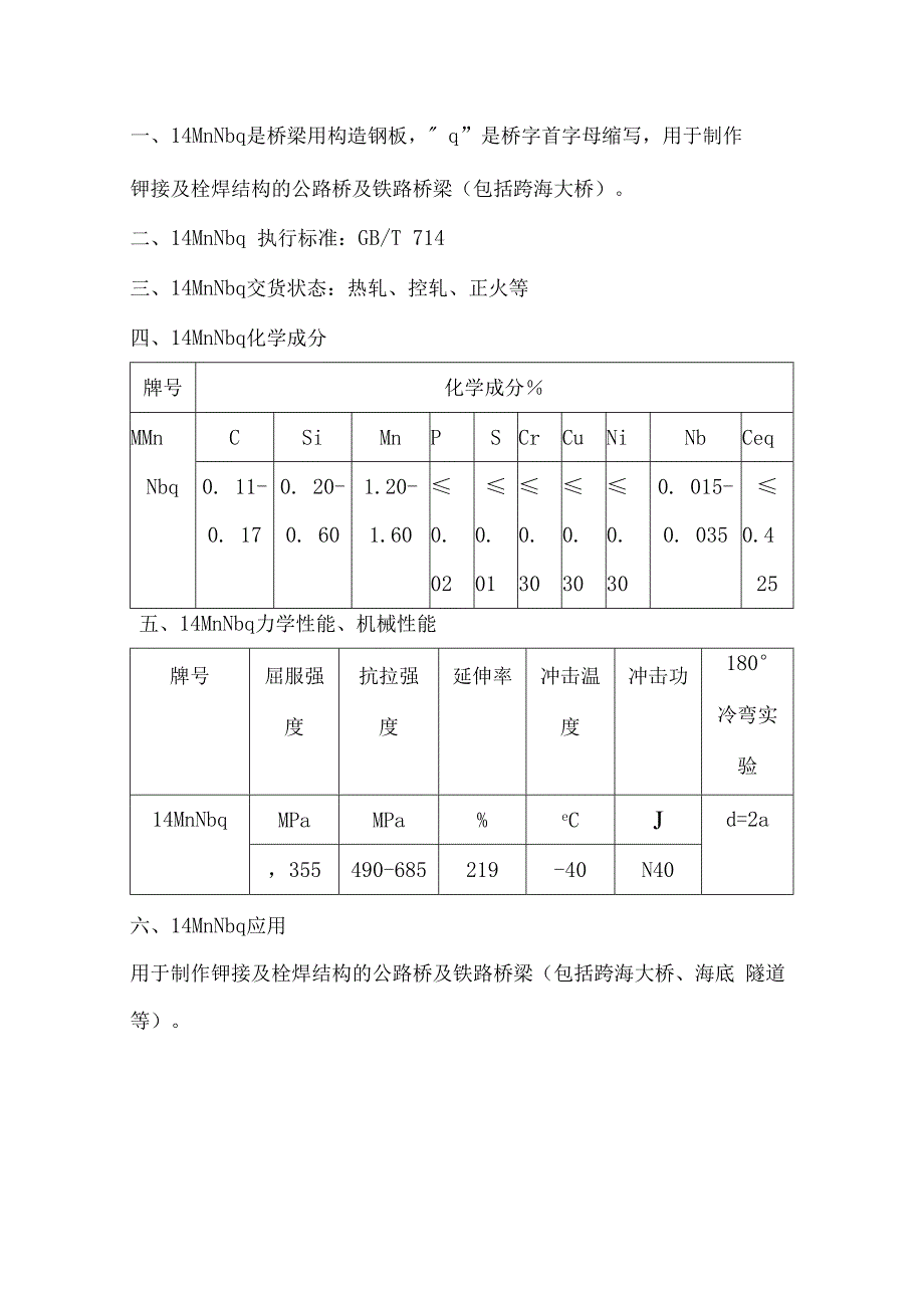
一、14MnNbq是桥梁用构造钢板, q”是桥字首字母缩写,用于制作钾接及栓焊结构的公路桥及铁路桥梁(包括跨海大桥)。二、14MnNbq 执行标准:GB/T 714三、14MnNbq交货状态:热轧、控轧、正火等四、14MnNbq化学成分牌号化学成分MMnCSiMnPSCrCuNiNbCeqNbq0. 11-0. 20-1.20-0. 015-0. 170. 601.600.0.0.0.0.0. 0350.4020130303025五、14MnNbq力学性能、机械性能牌号屈服强度抗拉强度延伸率冲击温度冲击功180冷弯实验14MnNbqMPaMPa%eCJd=2a,355490-685219-40N40六、14MnNbq应用用于制作钾接及栓焊结构的公路桥及铁路桥梁(包括跨海大桥、海底 隧道等)。

展开阅读全文
相关资源
猜你喜欢
相关搜索

当前位置:首页 > 建筑/环境 > 公路与桥梁

copyright@ 2008-2023 1wenmi网站版权所有

经营许可证编号:宁ICP备2022001189号-1

本站为文档C2C交易模式,即用户上传的文档直接被用户下载,本站只是中间服务平台,本站所有文档下载所得的收益归上传人(含作者)所有。第壹文秘仅提供信息存储空间,仅对用户上传内容的表现方式做保护处理,对上载内容本身不做任何修改或编辑。若文档所含内容侵犯了您的版权或隐私,请立即通知第壹文秘网,我们立即给予删除!