典型环节的电路模拟与软件仿真研究.docx

上传人:p** 文档编号:695671 上传时间:2024-01-16 格式:DOCX 页数:4 大小:78.29KB
下载 相关 举报
典型环节的电路模拟与软件仿真研究.docx_第1页
第1页 / 共4页
典型环节的电路模拟与软件仿真研究.docx_第2页
第2页 / 共4页
典型环节的电路模拟与软件仿真研究.docx_第3页
第3页 / 共4页
典型环节的电路模拟与软件仿真研究.docx_第4页
第4页 / 共4页
亲,该文档总共4页,全部预览完了,如果喜欢就下载吧!
资源描述

《典型环节的电路模拟与软件仿真研究.docx》由会员分享,可在线阅读,更多相关《典型环节的电路模拟与软件仿真研究.docx(4页珍藏版)》请在第壹文秘上搜索。

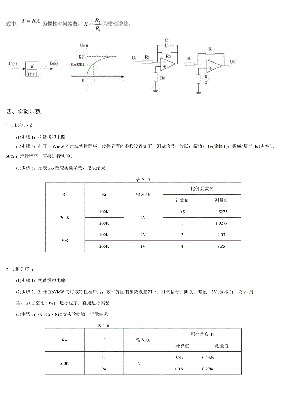
1、一、实验目的L通过实验熟悉并掌握实验装置和上位机软件的使用方法。2.通过实验熟悉各种典型环节的传递函数及其特性,掌握电路模拟和软件仿真研究方法。二、实验内容1 .设计各种典型环节的模拟电路。2 .完成各种典型环节模拟电路的阶跃特性测试,并研究参数变化对典型环节阶跃特性的影响。3 .利用上位机界面上的软件仿真功能,完成各典型环节阶跃特性的软件仿真研究,并与电路模拟测试的结果作比较。三、实验原理=K1.比例(P)环节的传递函数为:式中:K=%,改变R2(或RI)可改变比例增益K。RIUi(S)Uo(S)-G(三)=J2.积分环节的传递函数为:S)Ts式中:7 二 K0为积分时间常数,K=L为积分增

2、益。Ui(S)_1_TsUo(s)3.惯性环节的传递函数为:G(S)=Uo=K Ui Ts +四、实验步骤1 .比例环节(1)步骤1:构造模拟电路(2)步骤2:打开IabVieW的时域特性程序,软件界面的参数设置如下:测试信号:阶跃;幅值:3V(偏移0);频率/周期:Is(占空比50%);运行程序,直接进行实验。(3)步骤3:按表2-3改变实验参数,记录结果:表23RoRi输入Ui比例系数K计算值测量值200K100K4V0.50.5275200K11.027550K100K2V22.03200KIV43.852 .积分环节(1)步骤1:构造模拟电路(2)步骤2:打开IabVieW的时域特性程

3、序后,软件界面的参数设置如下:测试信号:阶跃;幅值:3V(偏移0);频率/周期:Is(占空比50%);运行程序,直接进行实验。(3)步骤3:按表26改变实验参数,记录结果:表2-6RoC输入Ui积分常数Ti计算值测量值5I0KIuIV0.5Is0.532s2u1.02s0.978s250KIu0.25s0.274s2u0.5s0.515s3 .惯性环节(I)步骤1:构造模拟电路(2)步骤2:打开IabVieW的时域特性程序,软件界面的参数设置如下:测试信号:阶跃;幅值:3V(偏移0);频率/周期:Is(占空比50%);运行程序,直接进行实验。(3)步骤3:按表2-9改变实验参数,记录结果:表2

4、-9RoRiC输入Ui比例系数K惯性常数T计算值测量值计算值测量值200K200KIu4V10.8750.2s0.197s2u10.950.4s0.395s50K100KIu2V21.960.1s0.103s200KIV43.960.2s0.206s五、实验结果与分析分析实验结果并与理论计算值进行比较,分析误差及其产生的原因。1 .误差计算(1)比例环节RoRi输入Ui比例系数K误差计算值测量值200K100K4V0.50.52755.5%200K11.02752.75%50K100K2V22.031.5%200KIV43.853.75%(2)积分环节RoC输入Ui积分常数Ti误差计算值测量值

5、5IOKIuIV0.51s0.532s4.31%2u1.02s0.978s4.2%250KIu0.25s0.274s9.6%2u0.5s0.515s3%惯性环节RoRiC输入Ui比例系数K惯性常数T比例系数误差惯性常数误差计算值测量值计算值测量值200K200KIu4V10.8750.2s0.197s12.5%1.5%2u10.950.4s0.395s5%1.25%50K100KIu2V21.960.1s0.103s2%3%200KIV43.960.2s0.206s1%3%2 .误差分析(1)读数时采用手动标记游标位置进行测量的方法,可能会因为游标位置摆放不当而引起读数误差;(2)误差产生的另

6、一个原因可能是运算放大器在实际工作状态中并不是处于一个理想的状态;(3)在进行积分试验中,其误差产生的原因还包括因扫描时间没调到适当的挡位而引起读数的误差;六、思考问题分别简述电路参数变化对各种典型环节阶跃特性的影响。L比例环节输出和输入的关系只与电阻比值有关:2 .积分环节积分环节输出信号取决于输入量对时间的积累,当时间常数T=RC越大时,输出上升越慢,反之越快;当输入量作用一段时间后,即使输入量变化,输出量仍会保持在已达到的数值;3 .惯性环节惯性环节同积分环节类似,当放电回路时间常数T=RC越大时,输出上升越慢,反之越快;其次由于惯性环节中有储能元件,当输入量突然变化时,输出量不能跟着变化,而是按指数规律变化,阶跃响应不能立即达到稳态。

展开阅读全文
相关资源
猜你喜欢
相关搜索

当前位置:首页 > 高等教育 > 大学课件

copyright@ 2008-2023 1wenmi网站版权所有

经营许可证编号:宁ICP备2022001189号-1

本站为文档C2C交易模式,即用户上传的文档直接被用户下载,本站只是中间服务平台,本站所有文档下载所得的收益归上传人(含作者)所有。第壹文秘仅提供信息存储空间,仅对用户上传内容的表现方式做保护处理,对上载内容本身不做任何修改或编辑。若文档所含内容侵犯了您的版权或隐私,请立即通知第壹文秘网,我们立即给予删除!