20CrMnMo合金钢淬火+回火20CrMnMo断面收缩率.docx

上传人:p** 文档编号:704362 上传时间:2024-01-18 格式:DOCX 页数:2 大小:18.04KB
下载 相关 举报
20CrMnMo合金钢淬火+回火20CrMnMo断面收缩率.docx_第1页
第1页 / 共2页
20CrMnMo合金钢淬火+回火20CrMnMo断面收缩率.docx_第2页
第2页 / 共2页
亲,该文档总共2页,全部预览完了,如果喜欢就下载吧!
资源描述

《20CrMnMo合金钢淬火+回火20CrMnMo断面收缩率.docx》由会员分享,可在线阅读,更多相关《20CrMnMo合金钢淬火+回火20CrMnMo断面收缩率.docx(2页珍藏版)》请在第壹文秘上搜索。

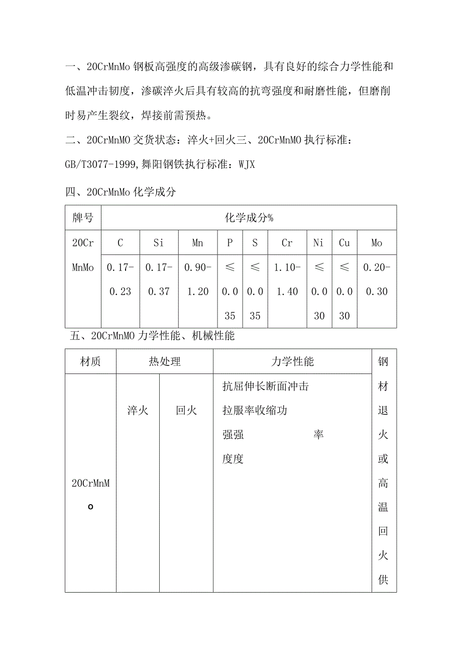
一、20CrMnMo钢板高强度的高级渗碳钢,具有良好的综合力学性能和低温冲击韧度,渗碳淬火后具有较高的抗弯强度和耐磨性能,但磨削时易产生裂纹,焊接前需预热。二、20CrMnMO交货状态:淬火+回火三、20CrMnMO执行标准:GB/T3077-1999,舞阳钢铁执行标准:WJX四、20CrMnMo化学成分牌号化学成分%20CrCSiMnPSCrNiCuMoMnMo0.17-0.17-0.90-1.10-0.20-0.230.371.200.00.01.400.00.00.3035353030五、20CrMnMO力学性能、机械性能材质热处理力学性能钢抗屈伸长断面冲击材淬火回火拉服率收缩功退强强率火度度或20CrMnM高O温回火供应状态硬度温冷温冷MpaMpA5(%(%)Akv/HB度却度却a)J/剂/剂85油20水、N221024525500空1188821057六、20CrMnMO应用常用于制造高硬度、高强度、高韧性的较大重要渗碳件(其要求均高于15CrMnMO),如曲轴、凸轮轴、连杆、齿轮轴、齿轮、销轴,还可代替12Cr2Ni4使用。

展开阅读全文
相关资源
猜你喜欢
相关搜索

当前位置:首页 > 论文 > 期刊/会议论文

copyright@ 2008-2023 1wenmi网站版权所有

经营许可证编号:宁ICP备2022001189号-1

本站为文档C2C交易模式,即用户上传的文档直接被用户下载,本站只是中间服务平台,本站所有文档下载所得的收益归上传人(含作者)所有。第壹文秘仅提供信息存储空间,仅对用户上传内容的表现方式做保护处理,对上载内容本身不做任何修改或编辑。若文档所含内容侵犯了您的版权或隐私,请立即通知第壹文秘网,我们立即给予删除!