S690QL1钢板机械性能S690QL1力学性能.docx

上传人:p** 文档编号:705663 上传时间:2024-01-18 格式:DOCX 页数:2 大小:16.09KB
下载 相关 举报
S690QL1钢板机械性能S690QL1力学性能.docx_第1页
第1页 / 共2页
S690QL1钢板机械性能S690QL1力学性能.docx_第2页
第2页 / 共2页
亲,该文档总共2页,全部预览完了,如果喜欢就下载吧!
资源描述

《S690QL1钢板机械性能S690QL1力学性能.docx》由会员分享,可在线阅读,更多相关《S690QL1钢板机械性能S690QL1力学性能.docx(2页珍藏版)》请在第壹文秘上搜索。

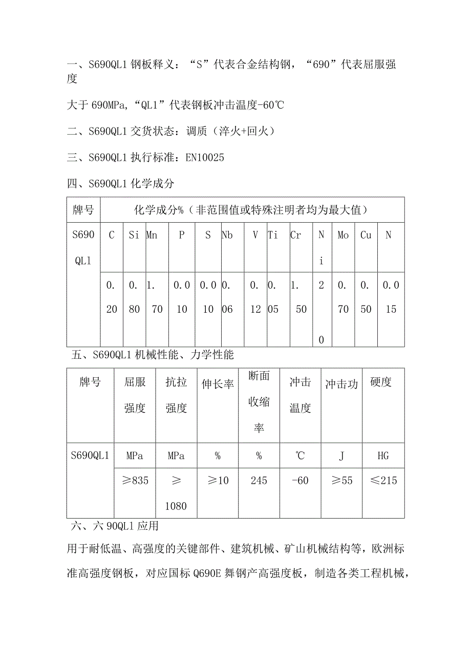
一、S690QL1钢板释义:“S”代表合金结构钢,“690”代表屈服强度大于690MPa,“QL1”代表钢板冲击温度-60二、S690QL1交货状态:调质(淬火+回火)三、S690QL1执行标准:EN10025四、S690QL1化学成分牌号化学成分%(非范围值或特殊注明者均为最大值)S690QLlCSiMnPSNbVTiCrNiMoCuN0.0.1.0.00.00.0.0.1.20.0.0.02080701010061205500705015五、S690QL1机械性能、力学性能牌号屈服强度抗拉强度伸长率断面收缩率冲击温度冲击功硬度S690QL1MPaMPa%JHG835108010245-6055215六、六90QLl应用用于耐低温、高强度的关键部件、建筑机械、矿山机械结构等,欧洲标准高强度钢板,对应国标Q690E舞钢产高强度板,制造各类工程机械,如矿山和各类工程施工用的钻机、电铲、电动轮翻斗车、矿用汽车、挖掘机、装载机、推土机、各类起重机、煤矿液压支架等机械设备及其他结构件。

展开阅读全文
相关资源
猜你喜欢
相关搜索

当前位置:首页 > 论文 > 毕业论文

copyright@ 2008-2023 1wenmi网站版权所有

经营许可证编号:宁ICP备2022001189号-1

本站为文档C2C交易模式,即用户上传的文档直接被用户下载,本站只是中间服务平台,本站所有文档下载所得的收益归上传人(含作者)所有。第壹文秘仅提供信息存储空间,仅对用户上传内容的表现方式做保护处理,对上载内容本身不做任何修改或编辑。若文档所含内容侵犯了您的版权或隐私,请立即通知第壹文秘网,我们立即给予删除!