生命周期成本(LCC)管理程序.docx

上传人:p** 文档编号:709918 上传时间:2024-01-20 格式:DOCX 页数:8 大小:38.75KB
下载 相关 举报
生命周期成本(LCC)管理程序.docx_第1页
第1页 / 共8页
生命周期成本(LCC)管理程序.docx_第2页
第2页 / 共8页
生命周期成本(LCC)管理程序.docx_第3页
第3页 / 共8页
生命周期成本(LCC)管理程序.docx_第4页
第4页 / 共8页
生命周期成本(LCC)管理程序.docx_第5页
第5页 / 共8页
生命周期成本(LCC)管理程序.docx_第6页
第6页 / 共8页
生命周期成本(LCC)管理程序.docx_第7页
第7页 / 共8页
生命周期成本(LCC)管理程序.docx_第8页
第8页 / 共8页
亲,该文档总共8页,全部预览完了,如果喜欢就下载吧!
资源描述

《生命周期成本(LCC)管理程序.docx》由会员分享,可在线阅读,更多相关《生命周期成本(LCC)管理程序.docx(8页珍藏版)》请在第壹文秘上搜索。

1、生命周期成本(LCC)管理程序1 .目的PURPOSE确定LCC管理内容、职责、方法、步骤等,使得产品LCC最优化。2 .范围SCOPE2.1. 仅适用于对产品的LCC进行管理。2.2. 除不良品质成本章节还适用于ISO/TS16949认证范围内的产品之外,本程序仅适用于IRIS认证范围内的产品。3 .定义DEFlNmON3.1. 产品生命周期成本ProductLifeCycleCost简称LCC,指产品在策划论证、设计开发、生产、销售、安装、使用、维护、到报废处置的整个生命周期中所耗费的费用。3.2. 不良品质成本简称CoPQ,指因产品不良产生的并由本公司承担的成本,包括内部损失成本和外部损

2、失成本,不包括在品质成本统计中所提到的鉴定成本、预防成本、外部品质成本等,也不考虑现行会计制度之外的其它隐性损失,如品牌损失、名誉损失等。4 .职责和权限RESPONSIBILITYANDAUTHORITY4.1. NPD:可能是项目Leader,作为项目Leader时,建立项目编号4.2. PM:可能是项目Leader,作为项目Leader时,建立项目编号4.3. 1.CC组长 确定分析目的和范围 成立LCC小组 组织LCC估计、分析、应用、监控和更新等活动4.4. QA:负责CoPQ统计、分析、跟踪改善和报告等活动4.5. .工作流程WORKINGFLOWCHART4.6. 1.CC流程图

3、LCCFLoWCHARTFLOWCHART流程图OWNER责任人RELEVANTDOCUMEMTSANDRECORDS相关文件和记录CBeginning开始)IPM1NPDFVojectLeader项目组长1.CCLeader1.CC长1.CCTeam1.COJ、纨1.CCTeam1.eB、组1.8Team1.ecd、组1.CCTeam1.8小组1.CCTeam1.CC小组Eng./PMManagers项目编号ProjectCode1.CC分析报告L8AnalysisReport1.分析报告L8AnalysisReport1.分析报告L8AnalysisReport1.CC分析报告LCCAna

4、lysisReport1.分析报告L8AnalysisReport1.CC分析报告L8AnalysisReport1.8分析报告L8AnalysisReport1.分析报告L8AnalysisReportApplyforProjectCode建立项目编号IdentifyObjective&Scope确定目的和范围FormLCCTeam成立L8小组IdentifyIirritations&assuptions确定限制条件和假设IdentifyLCCStructure确定LcC构fetimateLCC估计LCCAnalyzeLCC分析LCCReportLCCAnaIysis报告L8分析Review

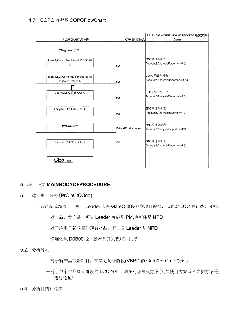
5、LCCNO讨审LCc一BgJPM经理NPD-1PE1.CCTeam1.cCJ、组1.CCTeam1.8小组ApplyLCCAnaIysis应用L8分析MonitorL8监控L8UpdateL更新LCCC&Ki结日二)4.7. COPQ流程图COPQFlowChartFLOWCHART流程图OWNER责任人RELEVAhTICUMENTSANDRECORDS相关文件和记录CBeginning开始)QAQAQAQAQAandProductionetc.QA8PQ统计分析表Account&AnalysisReportforPQCoPQ统计分析表Account&AnalysisReportforCOP

6、QCOpQ统计分析表Account&AnalysisReportforPQ8PQ统计分析表Account&AnalysisReportforPQ8PQ统计分析表Account&AnalysisFteportforPQ8PQ统计分析表Account&AnalysisReportforPQIdentifyCopQStructure确定8PQ结构Identify(X)PQInformatiionSource确定CopQ信息来源CountCOPQ统计COPQAnalyzeCOPQ分析CoPQIrrprove改善ReportPQ报告COpQCBxi结束5 .程序正文MAINBODYOFPROCEDURE

7、5.1. 建立项目编号(PrOjeCtCOde)对于新产品或新项目,项目Leader应在GateO阶段建立项目编号,以便对LCC进行统计分析:对于新开发产品,项目Leader可能是PM,也可能是NPD对于应用于新项目的现有产品,其项目Leader是NPD详细依照D0B0012新产品开发程序执行5.2. 分析时机对于新产品或新项目,在策划论证阶段(VBPD的Gate0Gate2)分析对于单个生命周期阶段的LCC分析,则在对该阶段方案(例如使用方案或者维护方案等)进行论证时5.3. 分析目的和范围评估产品LCC总量确定LCC的主要成分评估各种设计、生产、使用、维护、报废处置等方案5.3.2. 出于

8、以上目的,LCC的分析范围主要有以下两种情况:一般情况下,分析范围是产品整个生命周期出于比较各种方案时,可能只分析产品生命周期中的某个阶段5.4. 成立LCC分析小组组长:新产品或新项目由项目Leader担任组长;如果只分析单个生命周期阶段的LCC,则由该阶段LCC分析责任人担任组长然后由组长确定其他成员:小组还应包括其他有关部门成员,例如PM、NPD、IE工程师、测试工程师、QA工程师、PE工程师、SoUrCing、财务成本统计人员等。5.5. 确定限制条件和假设在LCC分析前,小组应确定有关的限制、假设,例如:产品使用环境、维护条件等产品规格性能要求产品的RAMS要求,如MTBF要求等资金

9、限制、价格限制等确定LCC结构1.CC小组可参照下表来确定LCC结构:#LCC项目说明和举例可能的信息源分析责任人统计Owner1策划论证成本对产品项目进行策划、对方案可行性进行评估和确认等活动所产生的成本。例如策划论证产生的差旅费、会议费、专家咨询费、培训费、专利费等。PM/NPDPMNPD2产品设计成本对产品进行设计而产生的成本。例如:产品有关标准购买费、设计确认有关的测试设备购置费、性能/可靠性/环境等外部测试及运输费、UL等产品安规认证费、RoHS检测和运输费、模具开发费、设计打样和试生产所需材NPDTestIabQALabIENPD料成本(如供应商免费提供,则材料成本为零)等。Sou

10、rcing3工序开发成本开发、设立生产、检验、测试等工序的成本。例如:生产设备和软件的购置费、检验测试设备和软件的购置费、工装费、旧设备维修和改造费、工作台购置和改造费、生产环境改善和控制成本、生产人员外出培训有关费用、外部讲师费用、特殊工作服等个人防护装备费用、特种作业人员培训和考核费等。PEZProductionMaintenanceESHHRProductEngineeringPEProductEngineering4生产制造成本批量生产后,产品的生产和制造成本。例如:材料成本、包装材料成本、工时成本(生产、检查、返工)、固定资产折旧、设备购置和维护费、产品运输费、产品安规认证年费和工厂

11、检查费等、不良品质成本(见6.12章节)、摊派的能源和管理费等。QADPEMaintenanceQANPDFinancePENPD5销售成本产品销售过程中产生的成本,忽略不计。PMSales6安装成本根据本公司产品应用特点,可忽略安装成本NPD7使用成本如使用过程中所需要的人力资源成本、能源消耗成本等。根据木公司产品应用情形,可忽略使用成本。NPDCustomerNPD8维护成本在产品投入营运后,进行维护所需要投入的成本。例如:维护工时、维护设备和工具投入成本、人员培训费、备品备件成本等。根据木公司产品特点,维护工时、人员培训等成本忽略不计。虽然维护成本均由客户支付,不列入本公司成本统计,但仍

12、然需要列入产品整个生命周期成本分析。NPDCustomerNPD9报废处置成本在产品生命周期结束后,对其进行报废和处置所需要的成本,以符合环境、安全等方面法律法规的要求。NPDCustomerNPD根据本公司产品材料,可忽略报废和处置成本。5.6.5.7. 1.CC估计5.7.2. 小组应根据确定的LCC成本结构,从上述的各种可能的信息来源收集信息,用于估计LCC。此外,以往对类似产品的LCC分析和监控结果也可用于LCC估计。5.7.3. 依据LCC成本结构估计的所有成本汇总在一起就是产品的LCC成本。汇总时应使用以下计算假设:以估计当日为基准日,折算为单位产品的净现值不考虑通货膨胀率利率为1

13、0%除了应考虑增值税外,不考虑其它如所得税、营业税等最后结果以美元表示5.8. 汇率为估计时的年汇率5.9. 1.CC估计结果记入LCC分析报告。5.10. 1.CC估计结果分析5.10.2. 应尽量使用图表显示LCC分析结果,例如:各种方案下的LCC比较LCC中各成本的比例或总额比较5.11. 本公司支付的成本和顾客支付的成本比较5.12. 1.CC分析结果记入LCC分析报告。5.13. 1.CC报告、评审和应用5.13.2. LCC分析报告应得到Engineering经理和PM经理的确认。5.13.3. 依照DOBOol2新产品开发程序,确认后的LCC分析报告应该在Gate2中评审,以评选

14、方案或确定采取其它措施,如修改设计方案、工序设计方案、产品使用方案等,以取得LCC和产品性能要求、RAMS要求之前的平衡。5.14. 修改方案后,LCC组长应组织再次进行LCC估计、分析、报告和评审,直到得到满意结果或主动终止该项目。5.15. 1.CC监控5.15.2. 随产品的实际进展,在后续的产品设计、工序开发、生产制造阶段可以不断地获得实际成本数据。各阶段的LCC分析责任人应统计这些实际成本,提交LCC小组进行讨论、分析,并更新LCC分析报告。5.15.3. 当进入使用、维护、报废和处置阶段,包括质保期内和质保期后的阶段,负责与该顾客联系的人员(例如QA工程师、NPD或者PM工程师等)应从顾客抱怨信息和售后服务活动中了解可能发生的变化,统计和监控这些成本,提交LCC小组进行讨论、分析

展开阅读全文
相关资源
猜你喜欢
相关搜索

当前位置:首页 > 文学/艺术/历史 > 军事理论

copyright@ 2008-2023 1wenmi网站版权所有

经营许可证编号:宁ICP备2022001189号-1

本站为文档C2C交易模式,即用户上传的文档直接被用户下载,本站只是中间服务平台,本站所有文档下载所得的收益归上传人(含作者)所有。第壹文秘仅提供信息存储空间,仅对用户上传内容的表现方式做保护处理,对上载内容本身不做任何修改或编辑。若文档所含内容侵犯了您的版权或隐私,请立即通知第壹文秘网,我们立即给予删除!