电焊作业危险因素分析预测及安全技术措施.docx

上传人:p** 文档编号:710082 上传时间:2024-01-20 格式:DOCX 页数:2 大小:17.17KB
下载 相关 举报
电焊作业危险因素分析预测及安全技术措施.docx_第1页
第1页 / 共2页
电焊作业危险因素分析预测及安全技术措施.docx_第2页
第2页 / 共2页
亲,该文档总共2页,全部预览完了,如果喜欢就下载吧!
资源描述

《电焊作业危险因素分析预测及安全技术措施.docx》由会员分享,可在线阅读,更多相关《电焊作业危险因素分析预测及安全技术措施.docx(2页珍藏版)》请在第壹文秘上搜索。

1、电焊作业危险因素分析预测及安全技术措施种类:专业类(辅助工种)危险源名称:电焊作业F1编号作业名称(步骤)危险源特征控制措施Fl-1办理工作票无票作业办理工作票及动火工作票,确认安全措施执行完善,签发许可后方可施工。Fl-2焊接工口Q日触电湿手不准从事接引电源工作,电源线、电焊电缆线无破损现象,绝缘应良好,电焊机接地良好,同时使用漏电保护器,电焊电缆线加装断路装置,专人监护调,换焊条时带干燥手套,电源线要架空,不准将带电绝缘电线搭在身上或踏在脚下,禁止使用有缺陷的焊接工具及设备。Fl-3器具火灾氧气瓶、乙焕瓶二瓶距离不得小于8米,应垂直放置并固定,并与明火作业点距离8米以上。Fl-4火烧、灼伤

2、、爆炸从事焊接人员必须穿电焊服、戴手套和防护面罩或目镜,工作时焊工手机不准放置在上衣口袋内,电焊电缆线接地良好。Fl-5高处作业高处坠落工作人员不应有妨碍高处作业的病症,遇有精神不振,饮酒禁止作业;带好安全帽使用合格的安全带,并且要将安全带挂在腰部以上牢固的物体上;在梯子上只能进行短时不繁重的焊接工作,禁止登在梯子最高阶上焊接。Fl-6落物伤人使用工具应放好,使用工具袋;检查作业上部有无落物的可能;工作地点下面有围拦,残余火种、残余物溅落烫伤,做好安全措施,有专人监护。Fl-7承压作业泄露焊接承压部件,管道及承压容器的设备作业时焊工必须按持证等级进行承压作业,做好安全措施,方可允许工作。编号作

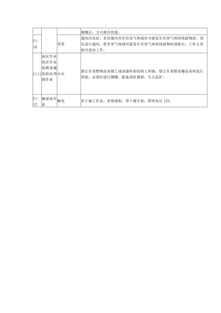
3、业名称(步骤)危险源特征控制措施Fl-8在转动机械作业机械伤人在机器完全停止之前,不准进行焊接工作,焊接的机器中应做好防止转动的安全措施,如:切断电源、切断风源、水源、气源、所有有关闸板阀门等应关闭。上述地点都挂上警告牌,必要时还应采取可靠的制动措施。检修负责人在工作前,必须对上述措施进行检查,确认无误后,放可开始工作。对竖起的叶轮,做好防止叶轮滑动倒下的安全措施。Fl-9在容器内作业火灾不许电焊、风焊同时作业;配备消防器材;对残余油脂或可燃液体的容器,必须打开盖子清理干净;对存有残余易燃易爆物品的容器,应先用水蒸气吹洗或热碱水冲洗干净,并将盖子打开通风,测爆后,方可准许焊接。Fl-10窒息通风应良好;若容器内存在有害气体或有可能发生有害气体的残留物质,须先进行通风,把有害气体或可能发生有害气体的残留物质清除后,工作人员始可进内工作。Fill油区作业氧区作业易燃易爆危险品周围作业火灾禁止在易燃物品容器上或油漆杆的结构上焊接;禁止在易燃易爆品房间进行焊接;必要时进行测爆,配备消防器材,专人监护。Fl-12潮湿处作业触电穿干燥工作衣,穿绝缘鞋,带干燥手套,照明电压12V。

展开阅读全文
相关资源
猜你喜欢
相关搜索

当前位置:首页 > 汽车/机械/制造 > 电气技术

copyright@ 2008-2023 1wenmi网站版权所有

经营许可证编号:宁ICP备2022001189号-1

本站为文档C2C交易模式,即用户上传的文档直接被用户下载,本站只是中间服务平台,本站所有文档下载所得的收益归上传人(含作者)所有。第壹文秘仅提供信息存储空间,仅对用户上传内容的表现方式做保护处理,对上载内容本身不做任何修改或编辑。若文档所含内容侵犯了您的版权或隐私,请立即通知第壹文秘网,我们立即给予删除!