载带首件检查作业指导书.docx

上传人:p** 文档编号:712876 上传时间:2024-01-20 格式:DOCX 页数:4 大小:137KB
下载 相关 举报
载带首件检查作业指导书.docx_第1页
第1页 / 共4页
载带首件检查作业指导书.docx_第2页
第2页 / 共4页
载带首件检查作业指导书.docx_第3页
第3页 / 共4页
载带首件检查作业指导书.docx_第4页
第4页 / 共4页
亲,该文档总共4页,全部预览完了,如果喜欢就下载吧!
资源描述

《载带首件检查作业指导书.docx》由会员分享,可在线阅读,更多相关《载带首件检查作业指导书.docx(4页珍藏版)》请在第壹文秘上搜索。

1、1.0目的1.1明确载带的首件检查项目及标准。2.0范围2.1本文件适用于载带生产的首检。3.0参考文件3.1内部文件3.1.1公司产品图纸3.2外部文件3. 2.1客户要求及图纸4. 2.2EIA481标准5. 0设备/工具4. 1放大镜4.2 卡尺(模拟式或数字式)以毫米计量的精度在002mm以内的卡尺。4.3 刀子或剪刀4.4 检验桌用于放放大镜检测外观缺陷。4.5 手套4.6 表面电阻仪5.1 总体要求5.1 首件检查是载带生产品质控制的源头,负责首件检查的QA/生产人员应具备相应的检查能力。5.2 检查人员应在检查中可拿到产品图纸和相应的文件。5.3 所有的载带首件必须符合基准书要求

2、,首件检查不合格的产品不能开机生产。5.4 生产人员或QA质检员检验时若有任何疑问,须征求其上司或有关工程师的意见。5.5 对于某项缺陷若拿不准,须利用放大镜或其它检验工具。5.2 首件检查项目6.1 核对产品结构、型号依图纸核对产品结构、型号与图纸一致,模具无装反,未有少打或多打中孔。6.2 核对AO、BOvKO依图纸核对产品型腔AO、BO、KO尺寸,型腔测量个数需与模具个数一致或更多,测量的数值必须是偏正公差,测量出数值后,还需将卡尺定在AO或BO数值上,卡尺能在型腔内顺畅的移动。如果出现负公差数值,需工程在首件检查报告上签字说明合格才能生产。6.3 试装至少连续检查一次冲程数量以上的型腔

3、个数,将实物放入型腔,前后左右可以移动,实物可自然从型腔中掉出。6.4 检查外观依照载带检查作业指导书(通用)检查载带外观,特别需注意在型腔周边上部无凸起的上模印,无倒扣。如有轻微上模印或倒扣,需工程在首件检查报告上签字说明合格才能生产。6.5核对Po尺寸40.1mm测量每两次冲程之间接头的PO值,用卡尺测量方法为测量接头两孔之间的间隔在2.4-2.6mm之间,且与非接头孔的尺寸相差在0051三以内,每次测量需测3个接头位置以上且都合格。如下6.6核对E1尺寸1.750.1mm测量每两次冲程之间的接头的两个孔的El值,用卡尺测量的方法为测量孔边距材料边的距离在0.95-1.05mm之间,且接头

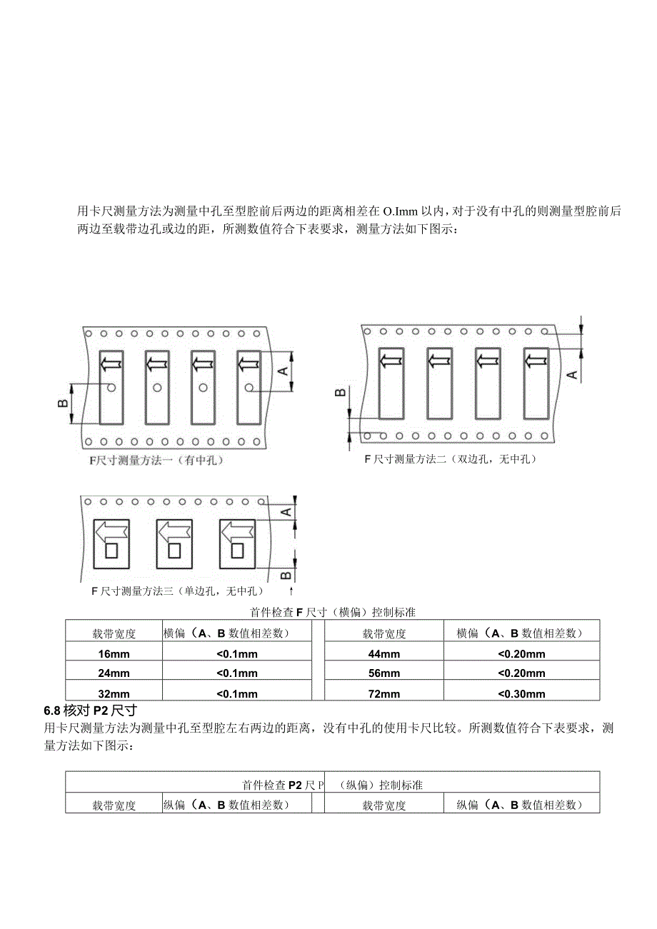
4、两个孔的测量值相差在0.05mm以内,每次测量需测3个接头位6.7核对F尺寸(横偏)用卡尺测量方法为测量中孔至型腔前后两边的距离相差在O.Imm以内,对于没有中孔的则测量型腔前后两边至载带边孔或边的距,所测数值符合下表要求,测量方法如下图示:F尺寸测量方法二(双边孔,无中孔)F尺寸测量方法三(单边孔,无中孔)首件检查F尺寸(横偏)控制标准载带宽度横偏(A、B数值相差数)载带宽度横偏(A、B数值相差数)16mm0.1mm44mm0.20mm24mm0.1mm56mm0.20mm32mm0.1mm72mm0.30mm6.8核对P2尺寸用卡尺测量方法为测量中孔至型腔左右两边的距离,没有中孔的使用卡尺

5、比较。所测数值符合下表要求,测量方法如下图示:首件检查P2尺P(纵偏)控制标准载带宽度纵偏(A、B数值相差数)载带宽度纵偏(A、B数值相差数)16mm0.1 mm24mm0.2mm32mm0.2mm44mm0.2mm56mm0.2mm72mm0.3mmoooooooooooooor有中孔产品P2值测量方法(A、B测量值相差在0.1mm以内)无中孔产品P2值测量方法 (A、B数值相差在0.2mm以内)6.9 核对材料核对所使用的材料厚度、颜色、表面电阻值与图纸一至,机器旁边没有放置与图纸要求不一样的材料,已免误使用。材料T(厚度)值的公差为0.03mm,W(宽度)值的公差为0.1mm。6.10

6、核对总冲程数核对机器所设置的总冲程数是否与图纸标明一至,并且需再用公式计算一次,计算公式为:总冲程数二载带长度(模具型腔个数X型腔中心距)用公式计算出冲程数后,若有小数点,则个位加一位数并取整数。例如:用公式计算出的总冲程数为269.3,则取270。6.11 检查机器紧固件螺丝检查机器定位加热部分、成型部分、打孔部分的螺丝,所有螺丝需紧固。6.12 核对生产报表、内外标签核对生产报表上的产品SAP与图纸、内标签、外标签一至,且机器台面上无其它型号的图纸、生产报表、内标签、外标签。6.13 填写首件检查报告将首检查情况如实填写在首件检查报告上,并同生产主管或领班签字确认,首件检查合格后才能生产。

展开阅读全文
相关资源
猜你喜欢
相关搜索

当前位置:首页 > 建筑/环境 > 测绘

copyright@ 2008-2023 1wenmi网站版权所有

经营许可证编号:宁ICP备2022001189号-1

本站为文档C2C交易模式,即用户上传的文档直接被用户下载,本站只是中间服务平台,本站所有文档下载所得的收益归上传人(含作者)所有。第壹文秘仅提供信息存储空间,仅对用户上传内容的表现方式做保护处理,对上载内容本身不做任何修改或编辑。若文档所含内容侵犯了您的版权或隐私,请立即通知第壹文秘网,我们立即给予删除!