喷淋安装工序报验申请表.docx

上传人:p** 文档编号:715550 上传时间:2024-01-22 格式:DOCX 页数:22 大小:89.69KB
下载 相关 举报
喷淋安装工序报验申请表.docx_第1页
第1页 / 共22页
喷淋安装工序报验申请表.docx_第2页
第2页 / 共22页
喷淋安装工序报验申请表.docx_第3页
第3页 / 共22页
喷淋安装工序报验申请表.docx_第4页
第4页 / 共22页
喷淋安装工序报验申请表.docx_第5页
第5页 / 共22页
喷淋安装工序报验申请表.docx_第6页
第6页 / 共22页
喷淋安装工序报验申请表.docx_第7页
第7页 / 共22页
喷淋安装工序报验申请表.docx_第8页
第8页 / 共22页
喷淋安装工序报验申请表.docx_第9页
第9页 / 共22页
喷淋安装工序报验申请表.docx_第10页
第10页 / 共22页
亲,该文档总共22页,到这儿已超出免费预览范围,如果喜欢就下载吧!
资源描述

《喷淋安装工序报验申请表.docx》由会员分享,可在线阅读,更多相关《喷淋安装工序报验申请表.docx(22页珍藏版)》请在第壹文秘上搜索。

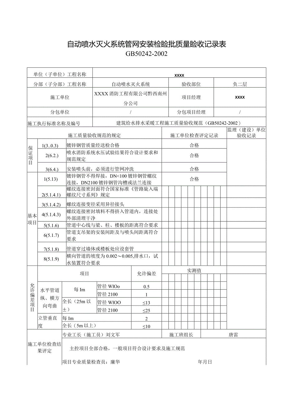
1、工程名称:XXXX编号:PLGX-致:XXXX建设监理有限公司(监理单位)我单位已完成了负二层喷淋系统安装工作,现报上该工序报验申请表,请予以审查和验收。附件:1、自动喷水灭火系统管网安装检险批质量险收记录表2、自动喷水灭火系统喷头安装检验批质量验收记录承包单位(章):XXXX消防工程有限公司黔西南州分公司项目经理:XXXX日期:审查意见:项目监理机构(章):专业监理工程师:自动喷水灭火系统管网安装检睑批质量睑收记录表GB50242-2002单位(子单位)工程名称XXXX分部(子分部)工程名称自动喷水灭火系统验收部位负二层施工单位XXXX消防工程有限公司黔西南州分公司项目经理XXXX分包单位/

2、分包项目经理/施工执行标准名称及编号建筑给水排水采暖工程施工质量验收规范(GB50242-2002)施工质量验收规范的规定施工单位检查评定记录监理(建设)单位验收记录保证项目1(3.0.3)镀锌钢管质量经送检合格合格2(6.2.)喷水消防系统水压试验结果符合设计要求和规范规定合格3(6.4.)安装喷头前,必须进行管网冲洗合格基本项目1(5.13)镀锌钢管不得焊接,DN100镀锌钢管螺纹连接,DN2100镀锌钢管沟槽或法兰连接合格2(5.1.4.1)螺纹连接密封面符合国家标准管路旋入端螺纹尺寸系列规定3(5.1.4.2)螺纹连接变径采用异径接头4(5.1.4.3)螺纹连接密封填料不得挤入管道内,

3、连接处外部清理干净5(5.1.6)管道中心线与梁、柱、楼板的距离符合要求6(5.1.7)管道支吊架的安装间距及与喷头间距离符合要求7(5.1.8)管道穿过墙体或楼板处应设套管8(5.1.9)横向管道的坡度为0.0020.005,排水口,试水装置符合要求允许偏差项目项目允许偏差实测值水平管道纵、横方向弯曲每Im管径WlOo0.5管径21001全长(25m以)管径WlOO13管径210025立管垂直度每Im2全长(5m以上)10施工单位检查结果评定专业工长(施工员)刘文军施工班组长唐雷主控项目全部合格,一般项目符合设计要求及施工规范项目专业质量检查员:廉华年月日监理(建设)单位验收结论专业监理工程

4、师(建设单位项目专业技术负责人):年月日单位(子单位)工程名称XXXX分部(子分部)工程名称自动喷水灭火系统验收部位负二层施工单位XXXX消防工程有限公司黔西南州分公司项目经理XXXX分包单位/分包项目经理/施工执行标准名称及编号自动喷水灭火系统施工及验收规范(GB50261-1996)施工质量验收规范的规定施工单位检查评定记录监理(建设)单位验收记录保证项目1(3.0.3)喷头的型号、规格符合设计要求,有出厂合格证和国家消防产品检测合格证合格2(3.O.5.5)闭式喷头的1%且不少于5只进行密封性能试验合格,有试验记录合格3(5.2.4)喷头无拆装、改动和附加任何装饰性涂,喷头框架、溅水盘无

5、变形和损伤合格基本项目1(5.2.5)当喷头的公称直径】0mm时,应在配水干管上安装过滤器2(5.2.6)易受机械操作处的喷头应有加设喷头防护罩3(5.2.7)喷头溅水盘与吊顶、门、窗、洞口、墙面及障碍物的距离应符合设计要求4(5.2.8)喷头溅水盘高于梁底、通风管道的最大垂直距离应符合要求5(5.2.9)通风管道宽度大于1.2m时,其腹面以下应安装喷头6(5.2.10)安装在不到顶的隔断附近的喷头与隔断的水平距离和最小垂直距离应符合要求施工单位检查结果评定专业工长(施工员)刘文军施工班组长唐雷主控项目全部合格,一般项目符合设计要求及施工规范项目专业质量检查员:廉华年月日监理(建设)单位验收结

6、论专业监理工程师(建设单 位项目专业技术负责人):工程名称:XXXX编号:PLGX-致:XXXX建设监理有限公司(监理单位)我单位已完成了负一层喷淋系统安装工作,现报上该工序报验申请表,请予以审查和验收。附件:3、自动喷水灭火系统管网安装检险批质量险收记录表4、自动喷水灭火系统喷头安装检验批质量验收记录承包单位(章):XXXX消防工程有限公司黔西南州分公司项目经理:XXXX日期:审查意见:项目监理机构(章):专业监理工程师:自动喷水灭火系统管网安装检睑批质量睑收记录表GB50242-2002单位(子单位)工程名称XXXX分部(子分部)工程名称自动喷水灭火系统验收部位负一层施工单位XXXX消防工

7、程有限公司黔西南州分公司项目经理XXXX分包单位/分包项目经理/施工执行标准名称及编号建筑给水排水采暖工程施工质量验收规范(GB50242-2002)施工质量验收规范的规定施工单位检查评定记录监理(建设)单位验收记录保证项目1(3.0.3)镀锌钢管质量经送检合格合格2(6.2.)喷水消防系统水压试验结果符合设计要求和规范规定合格3(6.4.)安装喷头前,必须进行管网冲洗合格基本项目1(5.13)镀锌钢管不得焊接,DN100镀锌钢管螺纹连接,DN2100镀锌钢管沟槽或法兰连接合格2(5.1.4.1)螺纹连接密封面符合国家标准管路旋入端螺纹尺寸系列规定3(5.1.4.2)螺纹连接变径采用异径接头4

8、(5.1.4.3)螺纹连接密封填料不得挤入管道内,连接处外部清理干净5(5.1.6)管道中心线与梁、柱、楼板的距离符合要求6(5.1.7)管道支吊架的安装间距及与喷头间距离符合要求7(5.1.8)管道穿过墙体或楼板处应设套管8(5.1.9)横向管道的坡度为0.0020.005,排水口,试水装置符合要求允许偏差项目项目允许偏差实测值水平管道纵、横方向弯曲每Im管径WlOo0.5管径21001全长(25m以)管径WlOO13管径210025立管垂直度每Im2全长(5m以上)10施工单位检查结果评定专业工长(施工员)刘文军施工班组长唐雷主控项目全部合格,一般项目符合设计要求及施工规范项目专业质量检查

9、员:廉华年月日监理(建设)单位验收结论专业监理工程师(建设单位项目专业技术负责人):年月日单位(子单位)工程名称XXXX分部(子分部)工程名称自动喷水灭火系统验收部位负一层施工单位XXXX消防工程有限公司黔西南州分公司项目经理XXXX分包单位/分包项目经理/施工执行标准名称及编号自动喷水灭火系统施工及验收规范(GB50261-1996)施工质量验收规范的规定施工单位检查评定记录监理(建设)单位验收记录保证项目1(3.0.3)喷头的型号、规格符合设计要求,有出厂合格证和国家消防产品检测合格证合格2(3.O.5.5)闭式喷头的1%且不少于5只进行密封性能试验合格,有试验记录合格3(5.2.4)喷头

10、无拆装、改动和附加任何装饰性涂,喷头框架、溅水盘无变形和损伤合格基本项目1(5.2.5)当喷头的公称直径】0mm时,应在配水干管上安装过滤器2(5.2.6)易受机械操作处的喷头应有加设喷头防护罩3(5.2.7)喷头溅水盘与吊顶、门、窗、洞口、墙面及障碍物的距离应符合设计要求4(5.2.8)喷头溅水盘高于梁底、通风管道的最大垂直距离应符合要求5(5.2.9)通风管道宽度大于1.2m时,其腹面以下应安装喷头6(5.2.10)安装在不到顶的隔断附近的喷头与隔断的水平距离和最小垂直距离应符合要求施工单位检查结果评定专业工长(施工员)刘文军施工班组长唐雷主控项目全部合格,一般项目符合设计要求及施工规范项

11、目专业质量检查员:廉华年月日监理(建设)单位验收结论专业监理工程师(建设单 位项目专业技术负责人):工程名称:XXXX编号:PLGX-致:XXXX建设监理有限公司(监理单位)我单位已完成了1单元一层至18层喷淋系统安装工作,现报上该工序报验申请表,请予以审查和验收。附件:5、自动喷水灭火系统管网安装检险批质量险收记录表6、 自动喷水灭火系统喷头安装检验批质量验收记录承包单位(章):XXXX消防工程有限公司黔西南州分公司项目经理:XXXX日期:审查意见:项目监理机构(章):专业监理工程师:自动喷水灭火系统管网安装检睑批质量睑收记录表GB50242-2002单位(子单位)工程名称XXXX分部(子分部)工程名称自动喷水灭火系统验收部位1单元塔楼施工单位XXXX消防工程有限公司黔西南州分公司项目经理XXXX分包单位/分包项目经理/施工执行标准名称及编号建筑给水排水采暖工程施工质量验收规范(GB50242-2002)施工质量验收规范的规定施工单位检查评定记录监理

展开阅读全文
相关资源
猜你喜欢
相关搜索

当前位置:首页 > 建筑/环境 > 建筑资料

copyright@ 2008-2023 1wenmi网站版权所有

经营许可证编号:宁ICP备2022001189号-1

本站为文档C2C交易模式,即用户上传的文档直接被用户下载,本站只是中间服务平台,本站所有文档下载所得的收益归上传人(含作者)所有。第壹文秘仅提供信息存储空间,仅对用户上传内容的表现方式做保护处理,对上载内容本身不做任何修改或编辑。若文档所含内容侵犯了您的版权或隐私,请立即通知第壹文秘网,我们立即给予删除!