危险废物毒性物质含量鉴别类别及项目筛选方案.docx

上传人:p** 文档编号:719079 上传时间:2024-01-23 格式:DOCX 页数:86 大小:291.17KB
下载 相关 举报
危险废物毒性物质含量鉴别类别及项目筛选方案.docx_第1页
第1页 / 共86页
危险废物毒性物质含量鉴别类别及项目筛选方案.docx_第2页
第2页 / 共86页
危险废物毒性物质含量鉴别类别及项目筛选方案.docx_第3页
第3页 / 共86页
危险废物毒性物质含量鉴别类别及项目筛选方案.docx_第4页
第4页 / 共86页
危险废物毒性物质含量鉴别类别及项目筛选方案.docx_第5页
第5页 / 共86页
危险废物毒性物质含量鉴别类别及项目筛选方案.docx_第6页
第6页 / 共86页
危险废物毒性物质含量鉴别类别及项目筛选方案.docx_第7页
第7页 / 共86页
危险废物毒性物质含量鉴别类别及项目筛选方案.docx_第8页
第8页 / 共86页
危险废物毒性物质含量鉴别类别及项目筛选方案.docx_第9页
第9页 / 共86页
危险废物毒性物质含量鉴别类别及项目筛选方案.docx_第10页
第10页 / 共86页
亲,该文档总共86页,到这儿已超出免费预览范围,如果喜欢就下载吧!
资源描述

《危险废物毒性物质含量鉴别类别及项目筛选方案.docx》由会员分享,可在线阅读,更多相关《危险废物毒性物质含量鉴别类别及项目筛选方案.docx(86页珍藏版)》请在第壹文秘上搜索。

1、危险废物毒性物质含量鉴别类别及项目筛选方案1.1.1.毒性物质含量鉴别(初筛)原则(1)含有GB5085.6附录A中的一种或一种以上剧毒物质的总含量20.1%;(2)含有GB5085.6附录B中的一种或一种以上有毒物质的总含量23%;(3)含有GB5085.6附录C中的一种或一种以上致癌性物质的总含量20.1%;(4)含有GB5O85.6附录D中的一种或一种以上致突变性物质的总含量20.1%;(5)含有GB5O85.6附录E中的一种或一种以上生殖毒性物质的总含量20.5%;(6)含有GB5O85.6附录A至附录E中两种及以上不同毒性物质,如果符合下列等式,按照危险废物管理:ZH+&必.55LH

2、I1.TLcarCLMmLTBa式中:PH固体废物中剧毒物质的含量:Pr固体废物中有毒物质的含量;Pcae固体废物中致癌性物质的含量;Pwun固体废物中致突变性物质的含量:Pren固体废物中生殖毒性物质的含量:1.r+XLrsLCam、LMWa、Lren分别为各种毒性物质在GB5085.6附录A至附录E中规定的标准值。(7)含有GB5085.6附录F中的任何一种持久性有机污染物(除多氯二苯并对二恶英、多氯二苯并吹喃外)的含量250mgkg:(8)含有多氯二苯并对二恶英和多氯二苯并吠喃的含量215ugTEQkg无机毒性元素含量需转化为对应的化合物的含量,依HJ/T298-2007,对同一毒性元素

3、存在一种以上毒性物质时,采用最不利假设筛选,选择分子量最大和毒性限值最低的化合物。1.1.2.毒性物质含量初筛1. 1.2.1,毒性物质含量初筛步骤第一步根据危险废物鉴别标准毒性物质含量鉴别(GB5085.6-2007)中附录A剧毒物质名录39项、附录B有毒物质名录143项、附录C致癌性物质名录36项、附录D致突变性物质名录7项、附录E生殖毒性物质名录11项、附录F持久性有机污染物名录11项,结合各鉴别区域内涉及生产工艺及可能生产活动分析(特征污染物)(见表3-3),通过逐项筛选初步确定各鉴别区域毒性物质含量可能鉴别项目;第二步在第一步初步确定可能鉴别项目基础上,再结合风险评估报告,逐项排除风

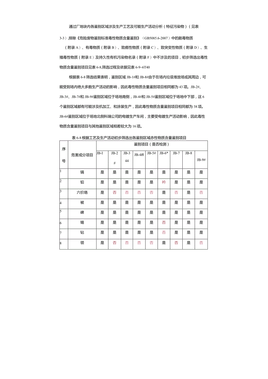
4、险评估报告采集样品中未检出因子,进而得出可能的鉴别项目:第三步进行预实验,根据预实验结果确定毒性物质含量鉴别项目。1.1. 2.2.毒性物质含量初筛过程一、依据工艺及生产活动分析筛选厂为以摩托车及其发动机、特种装备、光学光电、汽车摩托车零部件等为主导产业的国家级大型企业集团,其涉及的生产工艺有电镀、机械加工、涂装、特种产品制造以及辅助热力供应、动力供应等生产活动,无染料、农药、医药中间体、炸药、防污涂料、合成纤维、合成橡胶和合成树脂等生产活动。通过厂地块内各鉴别区域涉及生产工艺及可能生产活动分析(特征污染物)(见表3-3),排除危险废物鉴别标准毒性物质含量鉴别(GB5085.6-2007)中的

5、剧毒物质(附录A)、有毒物质(附录B)、致癌性物质(附录C)、致突变性物质(附录D)、生殖毒性物质(附录E)及持久性有机污染物名录(附录F)中不涉及的项目,初步筛选出毒性物质含量鉴别项目见表6-8,筛选过程及依据见表6-96T40根据表6-8筛选结果表明,鉴别区域JB-1#和JB-8#由于在场内垃圾堆放场或其周边,可能受到场内绝大多数生产活动的影响,因此毒性物质含量鉴别项目相同都为43项。JB-2#、JB-3#、JB-7#和JB-9#鉴别区域位于场地南侧,JB-4#和JB-5#鉴别区域位于场地中下部,这6个鉴别区域都有可能涉及机加工、和涂装生产,因此毒性物质含量鉴别项目相同都为38项。JB-6

6、#鉴别区域位于场地北侧科瑞公司的电镀生产车间,主要受电镀生产活动影响,因此毒性物质含量鉴别项目与其他鉴别区域相差较大为16项。表6-8根据工艺及生产活动初步筛选出各鉴别区域赤性物质含量鉴别项目序号危害成分项目鉴别项目(是否检测)JB-IJB-2#JB-344JB-4nJB-5#JB-6*JB-7JB-8JB-9#1镉是是是是是是是是是2铅是是是是是衿是是是3六价珞是否否否否是否是否4被是是是是是是是是是5碑是是是是是是是是是6锡是是是是是否是是是7钻是是是是是否是是是8领是否否否否是否是否序鉴别项目(是否检测)号危害成分项目JB-I#JB-2JB-3JB-4#JB-5JB-6nJB-7JB-8

7、#JB-9#9锢是是是是是否是是是10冢根离子是否否否否是否是否11臧离子是是是是是是是是是12锌是否否否否是否是否13铜是否否否否是否是否14丙酮是是是是是否是是是15I-JS?是是是是是否是是是162-丁砰是是是是是否是是是17异丁醇是是是是是否是是是18叔丁醇是是是是是否是是是19二甲基甲酰胺是是是是是否是是是201.2-二氯苯是是是是是否是是是21二氯甲烷是是是是是否是是是221,2-二澳乙烷是是是是是否是是是23甲基乙基酮是是是是是否是是是24甲基异丁酮是是是是是否是是是252-甲氧基乙砰是是是是是:i是是是26,2-乙氧基乙醇及其醋酸酯是是是是是否是是是序危害成分项目鉴别项目(是否

8、检测)JB-IJB-2JB-3力JB-4aJB-5UJB-6UJB-7UJB-8JB-9#27邻苯二甲酸二乙基己酯是是是是是否是是是28磷酸三丁酯是是是是是否是是是29磷酸三甲苯酯是是是是是是是是是301.2,3-三氯丙烷是是是是是否是是是31石油溶剂是是是是是否是是是322-硝基丙烷是是是是是否是是是33苯是是是是是否是是是34苯并aEE是是是是是是是是是35苯并a葱是是是是是是是是是36苯并b荧意是是是是是是是是是37苯并LH荧慈是是是是是是是是是38苯并k荧意是是是是是是是是是39二:并a,h慈是是是是是是是是是401,2-二氯乙烷是是是是是否是是是41三氯乙烯是是是是是否是是是42丙烯

9、酰胺是是是是是否是是是43邻苯二甲酸二丁酯是是是是是否是是是序号危害成分项目鉴别项目(是否检测)JB-I#JB-2#JB-3#JB-4#JB-5JB-6JB-7JB-8*JB-9#鉴别项目数总计433838383816384338表6-9各鉴别区域毒性物质含量鉴别剧毒物质筛选过程序号危害成分项目主要作用/特性涉及的生产活动鉴别项目(是否检测)JB-IJB-2JB-3JB-4#JB-5aJB-6JB-7JB-8JB-91苯硫酚医药、农药、高分子材料及有机合成的助剂。否否否否否否否否否否2丙酮瓶醉重要有机合成中间体,用于合成甲基丙烯酸甲酯、2一甲基异丁酸乙酯、偶氮二异丁睛、杀虫剂以及金属分离提炼剂

10、.否否否否否否否否否否3丙烯醛化工中很重要的合成中间体,广泛用于树脂生产和有机合成中。否否否否否否否否否否序危害成涉及的鉴别项目(是否检测)主要作用/特性生产活JB-IJB-2JB-3JB-4JB-5JB-6JB-7JB-8JB-9号分项目动#84丙烯酸用于制备丙烯酸树脂和其它有机合成。否r.否否r.台否台否5虫媾威杀虫剂否否否否否台否否台否6碘化汞用于医药,并用作化学试剂否否否否否否否否否否序号危害成分项目主要作用/特性涉及的生产活动鉴别项目(是否检测)JB-IJB-2UJB-3JB-4#JB-5#JB-6UJB-7aJB-8#JB-9#7碘化铭用于制造药物、光谱分析、热定位的特种过漉器;与演化诧混合用于红外辐射的传号。否否否否否否否否否否8二硝基邻甲酚除草剂否否否否否否否否否否9二氧化硒用途:主要用在电解镒工业上电解镭工业约占二氧化硒用量的80%;其次用于饲料工业上生产亚硒酸钠;在农工业上也作为含硒农作物的否否否否否否否否否否序号危害成分项目主要作用/特性涉及的生产活动鉴别项目(是否检测)JB-I#JB-2nJB-3JB-4ttJB-5nJB-6nJB-7aJB-8#JB-9甘叶面硒肥原料;有机化合物氧化剂、催化剂、化学试剂,各种无机硒化合物制造的原料。来源:1、硒在辄气中燃烧而得。2、硒粉氧化法将硒粉和氧气在二氧化氮的存在下进行反应,生成物经

展开阅读全文
相关资源
猜你喜欢
相关搜索

当前位置:首页 > 行业资料 > 国内外标准规范

copyright@ 2008-2023 1wenmi网站版权所有

经营许可证编号:宁ICP备2022001189号-1

本站为文档C2C交易模式,即用户上传的文档直接被用户下载,本站只是中间服务平台,本站所有文档下载所得的收益归上传人(含作者)所有。第壹文秘仅提供信息存储空间,仅对用户上传内容的表现方式做保护处理,对上载内容本身不做任何修改或编辑。若文档所含内容侵犯了您的版权或隐私,请立即通知第壹文秘网,我们立即给予删除!