苍南县美丽民居建设工程二工程投资估算报告.docx

上传人:p** 文档编号:723293 上传时间:2024-01-23 格式:DOCX 页数:5 大小:22.58KB
下载 相关 举报
苍南县美丽民居建设工程二工程投资估算报告.docx_第1页
第1页 / 共5页
苍南县美丽民居建设工程二工程投资估算报告.docx_第2页
第2页 / 共5页
苍南县美丽民居建设工程二工程投资估算报告.docx_第3页
第3页 / 共5页
苍南县美丽民居建设工程二工程投资估算报告.docx_第4页
第4页 / 共5页
苍南县美丽民居建设工程二工程投资估算报告.docx_第5页
第5页 / 共5页
亲,该文档总共5页,全部预览完了,如果喜欢就下载吧!
资源描述

《苍南县美丽民居建设工程二工程投资估算报告.docx》由会员分享,可在线阅读,更多相关《苍南县美丽民居建设工程二工程投资估算报告.docx(5页珍藏版)》请在第壹文秘上搜索。

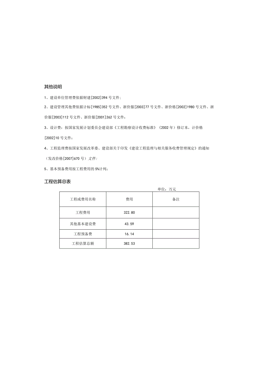
1、苍南县美丽民居建设工程(二)工程投资估算报告第一册共一册Ej苍南县建筑设计研究院CANGNANXIANARCHITECTUREDESIGNINSTITUTEMunicipalbranch2019年9月其他说明1、建设单位管理费依据财建2002394号文件;2、建设管理其他费依据计标1985352号文件、浙价服200377号文件、浙价格20021980号文件、浙价服2003112号文件、浙价服2001262号文件;3、设计费:按国家发展计划委员会建设部工程勘察设计收费标准(2002年)修订本,计价格200210号文件:4、工程监理费按国家发展改革委、建设部关于印发建设工程监理与相关服务收费管理规

2、定的通知(发改价格2007670号)文件:5、基本预备费用按工程费用的5%计列;工程估算总表单位:万元工程或费用名称费用备注工程费用322.80其他基本建设费43.59工程预备费16.14工程估算总额382.53投资估算主要工程内容本估算内容包括为苍南县美丽民居建设工程土建工程。工程概况1、项目规划总建筑面积1763.O平米;占地面积455平米。2、工程总投资382.53万元,其中工程费用322.80万元,其他费用43.59万元,预备费用17.02万元,不计入建设用地费、建设期利息费。编制依据1、项目投资估算按建筑方案图纸进行估算编制。2、土建、水电安装及其他配套工程采用单价指标进行估算编制。

3、3、浙江省建设工程施工取费定额(2010版)。4、温住建发(2011)219号关于进一步规范人工市场信息价发布管理的通知。5、估算编制依据参考浙江省建筑工程概算定额(2018版)及温州建设工程造价信息中心提供的2019年建材市场信息进行计算。6、估算编制方法依据当地同类型建筑指标进行计算。7、其它费用:依据浙江省工程建设其他费用定额进行计算。取费标准1、建筑工程施工取费费率:根据费用定额的规定划分工程类别,费率取中;2、节能评估、审查费:本工程暂不计取;总估算表序号工程或费用名称估算造价(单位:万元)技术经济指标建筑工程费安装工程费室外设备其他费用合计建筑面积单方造价工程购置(元/m2)一,工

4、程费用299.7117.635.46322.80(1)地上地下部分1土建(地上)299.711763.001700(2)安装部分1给排水工程8.821763.00502电气、照明8.821763.0050(3)总图部分1填挖土方工程5.46455.0120二工程建设其他费用43.59(1)建设管理费20.341建设管理费9.683.00%2工程监理费10.653.30%(2)建设用地费0.00暂不计(3)可行性研窕费0.50(4)勘察设计费14.531工程设计费14.534.50%(5)施工用水用电及变压器安装2.00(6)全过程造价咨询费3.231.00%(7)检测费1.00(8)施工图审查费1.00(9)场地准备及临时设施费1.00三.预备费(1)基本预备费5%16.14四.项目估算总投资299.7117.635.4659.73382.53

展开阅读全文
相关资源
猜你喜欢
相关搜索

当前位置:首页 > 建筑/环境 > 环保行业

copyright@ 2008-2023 1wenmi网站版权所有

经营许可证编号:宁ICP备2022001189号-1

本站为文档C2C交易模式,即用户上传的文档直接被用户下载,本站只是中间服务平台,本站所有文档下载所得的收益归上传人(含作者)所有。第壹文秘仅提供信息存储空间,仅对用户上传内容的表现方式做保护处理,对上载内容本身不做任何修改或编辑。若文档所含内容侵犯了您的版权或隐私,请立即通知第壹文秘网,我们立即给予删除!