加固工程监理实施细则.docx

上传人:p** 文档编号:727546 上传时间:2024-01-29 格式:DOCX 页数:15 大小:70.10KB
下载 相关 举报
加固工程监理实施细则.docx_第1页
第1页 / 共15页
加固工程监理实施细则.docx_第2页
第2页 / 共15页
加固工程监理实施细则.docx_第3页
第3页 / 共15页
加固工程监理实施细则.docx_第4页
第4页 / 共15页
加固工程监理实施细则.docx_第5页
第5页 / 共15页
加固工程监理实施细则.docx_第6页
第6页 / 共15页
加固工程监理实施细则.docx_第7页
第7页 / 共15页
加固工程监理实施细则.docx_第8页
第8页 / 共15页
加固工程监理实施细则.docx_第9页
第9页 / 共15页
加固工程监理实施细则.docx_第10页
第10页 / 共15页
亲,该文档总共15页,到这儿已超出免费预览范围,如果喜欢就下载吧!
资源描述

《加固工程监理实施细则.docx》由会员分享,可在线阅读,更多相关《加固工程监理实施细则.docx(15页珍藏版)》请在第壹文秘上搜索。

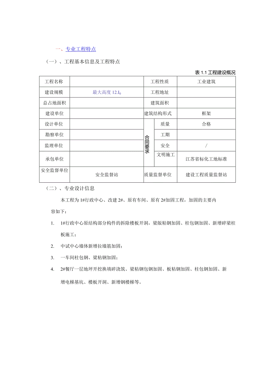
1、A.0.4给王里美方包ffl贝U(加固)内容提要:专业工程特点监理工作流程监理工作要点监理工作方法及措施项目监理机构(章):专业监理工程师(签字):总监理工程师(签字、执业印章):日期:第六版修订版表江苏省住房和城乡延设厅监制目录一、专业工程特点1二、编制依据2三、监理工作流程和工作要点3四、监理工作方法及措施10一、专业工程特点(一)、工程基本信息及工程特点表1.1工程建设概况工程名称工程性质工业建筑建设规模最大高度12.I0工程地址总占地面积建筑面积建设单位建筑结构形式框架设计单位合同要求质量合格勘察单位工期监理单位安全/承包单位文明施工江苏省标化工地标准安全监督单位安全监督站质量监督单位

2、建设工程质量监督站(二)、专业设计信息本工程为1#行政中心、改建2#、原有车间、原有2#加固工程,加固的主要内容如下:1. 1#行政中心原结构部分构件的拆除楼板开洞,梁版粘钢加固、柱包钢加固、新增碎梁柱板施工;2. 中试中心墙体新增拉墙筋加固;3. 一车间柱包钢、梁粘钢加固;4. 2#餐厅一层地坪开挖换填碎浇筑、梁粘钢包钢加固、板粘钢加固、柱包钢加固、新增电梯基坑、楼板开洞、新增钢楼梯等。二、编制依据建筑施工安全检查标准(JGJ59-2011)施工现场机械设备检查技术规程(JGJI60-2019)建筑机械使用安全技术规程(JGJ33-2019)施工现场临时用电安全技术规程(JGJ46-2022

3、)建筑施工高处作业安全技术规范(JGJ80-2016)坠落防护安全带GB6095-2021建筑工程施工质量验收统一标准GB50300-2013建设工程监理规范(GB/T50319-2022)混凝土结构设计规范(GB50010-2002)建筑抗震鉴定标准(GB50023-95)混凝土结构加固设计规范(GB50367-2006)混凝土结构加固技术规程CECS20-90加固材料安全性鉴定技术规范监理合同监理规划施工图纸三、监理工作流程及工作要点(一)监理工作流程(二)监理控制要点:1 .技术准备与控制1.1. 熟悉图纸及说明、设计变更和设计修改通知等有关内容。1.2. 根据工程特点,编制出有的放矢的

4、施工方案。项目较大必须报总包和监理审批。具体问题,具体分析,切实可行。1.3. 要求总包组织对专业分包进行书面技术交底,并报监理备案。1.4. 施工前对施工方所采购的各种材料包括结构胶、钢材、螺栓等主要原材的材料准用证、出厂质量证明等报项目监理部签认。1.5. 对新材料、新产品要核查鉴定证明和确认文件报监理。主要指非规范推荐的建筑结构胶。1.6. 监理工程师检验核对上岗人员与所持证件是否相符。1.7. 加强原材料的进场验收工作,核查每批材料产品合格证和出厂证明是否相符。按规定随机抽样检验、复试,凡不合格杜绝使用包括钢、胶、钢材,同时进行见证取样试验包括钢筋、钢材等。1.8. 施工方应及时认真收

5、集、整理技术档案资料。做到记录真实、数据准确、分类归档、准时填写隐、预检等验收资料上报总包及监理予以确认,方可进入下一道工序。1.9. 制定好成品保护措施,认真落实执行。2 .植筋锚杆施工操作的监控要点:2.1. 钻孔规格本工程按照设计图纸标注的孔径(d+4mm,d为钢筋直径)、钻孔深度按照设计要求。2.2. 按设计图纸在构件上放出孔洞位置线,经核查后方可钻孔。用雷达探测仪探明原结构主筋位置或剔除原保护层的方法确认,钢筋是否与钻孔位置矛盾,否则通知设计单位协商解决。2.3. 清孔:采用高压空气吹射,清除孔内粉尘和细小颗粒。用电热棒烤干孔内积水。植筋前用棉丝浸泡丙酮液对孔底、孔壁擦除残留污渍。最

6、后用棉丝封堵洞口。2.4. 用钢丝刷刷除去钢筋或锚杆表面的污锈、污物。并用棉丝浸泡丙酮擦洗其表面,清除油污、粉尘等异物。处理后的钢筋,凉置于清洁支架上35mio2.5. 用专用工具将结构胶注入清洗过的孔内,注胶量以钢筋插入后,胶充满钻孔为宜,一般注到2/3孔深。2.6. 垂直植筋:把胶灌入孔内,再插入钢筋至孔底,顺时针旋转钢筋使胶混合均匀。旋转约12分钟,调整好钢筋位置准确并加以固定。2.7. 水平植筋:钢筋插入后,孔口封堵。由灌胶孔及排气孔压力灌胶。2.8. 按产品说明书的要求进行固化,在固化时间内保护钢筋不受扰动3 .粘钢加固施工操作的监控要点:3.1. 粘钢加固均需设置M8化学螺栓,布置

7、间距按图纸施工。3.2. 钢板加工采用等离子切割机,按设计图及实际尺寸现场下料。3.3. 水平向钢板粘贴,采用粘钢工艺;垂直向钢板粘贴,或有焊接部位采用压力灌胶工艺。3.4. 粘钢工艺3.4.1 工艺流程:钢构件装配制作f被粘碎面和钢板表面处理一粘结剂配制一涂胶(灌胶)与粘贴固定加压一胶固化(拆支撑夹具)3.4.2 钢构件装配制作:根据设计图纸对被粘碎构件应放线钻孔(按规定选用钻头)。根据设计图纸对被粘钢板钻孔(于碎构件对应)并按要求弯曲或焊接成型(钢板拼装焊接采用45。斜角拼焊)。预埋螺栓或锚杆生根。对配制后的钢构件进行校直、校平处理,平直度V2mmm3.4.3 被粘碎面和钢板表面处理被粘佐

8、表而处理:a.先进行凿毛、打磨、打平、除去23mm厚表层,直至完全露出新石。凿毛纹路与梁轴心线倾斜45。,凿毛点23个/cmb.在凿毛过程注意用平尺找平不垂直度允许偏差V2mm。c.用钢丝刷去掉凿毛、打磨过程中松散浮渣,再用气压机去处粉尘,用棉丝浸入丙酮擦拭表面,手摸无粉尘即可。d,湿度较大的位结构,尚需进行人工干燥处理。钢板表面处理:a.钢板粘结前,必须进行除锈和粗糙处理。可用喷砂、平砂轮打磨。直至出现金属光泽。打磨粗糙度越大越好,打磨纹路应与钢板受力方向垂直。b.用棉丝浸泡丙酮擦拭钢板表面。3.4.4 建筑结构胶配制:按说明书进行,因各施工环境、条件温度等不同,粘贴施工前现场应按规定配比。

9、再次进行试配固化试验,观察其固化状况是否正常。包括有效期一个月以上的原料。3.4.5 涂胶(灌胶)与粘贴涂胶a,用毛刷粘清胶,对已处理的碎构件表面均匀涂刷底胶一次。b.对已处理好的钢板粘结面均匀涂刷底胶一次并来回无规则抹数次。将已配制好的结构胶用开刀涂抹在钢板(或砂结构粘结面上)表面周边厚23mm,中间厚3-5mm(中间厚边缘薄),然后将钢板贴于预定位置。灌胶(压力)灌胶工艺:碎构件与钢板粘结后表面处理一拼装或焊接成型一封缝一压力灌胶a.碎构件与钢板粘结前表面处理同前。b.拼装或焊接成型:按图纸要求安装或焊接且与碎构件粘结面留13mm间隙。并与碎构件固定牢靠。c.封缝:对易流失结构胶的有关部位

10、用胶泥封堵严密,以保证压力灌胶密实度。d.压力灌胶:I.封缝胶泥固化后将配制好的结构胶放于注胶罐内,压紧罐盖。接上输气管和贮胶罐,用压缩空气(气压机或氧气)将贮胶罐中结构胶压力注入碎和钢板间隙中,保证胶体在各部位的密实度。II .压力灌胶的气压力一般控制在0.20.3MPa,注胶口由下而上依次排列,一般从下开始每500mm一个。排气孔设置在最高端部,孔径10。III .压力灌胶完成后,取注胶管时应用硬胶泥或木塞封堵进胶口及有关部位排气口,防止结构胶流失1.5 固定加压钢板粘贴好后,立即用卡具支撑或膨胀螺栓固定,并适当加压。以使胶液从钢板边缘挤出为度,膨胀螺栓一般兼作永久附加锚固措施。1.6 胶

11、固化(拆支撑夹具)一般建筑结构胶在常温(20)24小时固化即可拆除夹具或支撑,3d可受力作用。若低于20C或冬季,固化时间延长根据试验决定。4 .包钢加固施工操作的监控要点:4.1 外包钢位置放线按照施工图纸,将角钢、竖向钢板及钢板箍位置标识出。4.2 钢筋定位仪检测为保证钢板箍与竖向钢板交接位置化学锚栓植入的深度,保证施工质量,在已经标识处的化学锚栓位置用钢筋定位仪进行钢筋检测,对化学锚栓处于框架柱内部钢筋同一位置,难以保证钻孔质量时,对钻位避开一根框架柱内部钢筋位置,重新进行放线定位。重新定位好后,进行对化学锚栓钻孔施工,发现深度达不到设计规定的孔洞,进行废弃处理,钢板位置重新进行微调,直

12、至完全满足施工质量要求。对于已经废弃的孔洞的处理,采用同锚栓直径的螺纹钢筋进行植筋填充处理,植入深度为钻孔深度,高出混凝土柱柱面部分予以机械切割。4.3 钢板下料、加工钢板切割、坡口处理在我公司仓库进行,对钢板表面进行除锈处理。焊接好的角钢、钢板条运进现场时,遇阴雨天需做防护包装,避免雨淋生锈。按照经过钢筋定位仪确定、调整以后的钢板位置、尺寸,现场对钢板钻孔。对角钢及钢板箍等位置现场实施坡口焊接。4.4 钢板拼装、焊接将已经下料、加工好的钢板,进行现场拼装,点焊先进行临时固定,调整好位置后,进行现场满焊,钢板箍与角钢连接采用三面围焊,焊缝高度为6mm(图中注明的除外)。焊缝符合设计和国家现行规

13、范要求。每根柱外包钢施工宜自下而上分段施工,根据施工需要确定每根柱分段加固施工的长度。安装焊缝坡口角度的允许偏差为50,钝边为1.0mm钢柱构件外形尺寸允许偏差:柱身弯曲矢高f=H1500,且不应大于5.0mm;一节柱的柱身扭曲为h250,且不得大于5.0mm;柱截面尺寸连接处为3.0mm;非连接处为4.0mm0焊工必须经考试合格并取得合格证书,持证焊工必须在其考试合格项目及其认可范围内施焊。焊缝表面不得有裂纹,焊瘤等缺陷。焊缝不得有表面气孔,夹渣、弧坑裂纹、电弧擦伤等缺陷,且不等有咬边、未焊满、根部收缩等缺陷,应达到外形均匀、成型较好、焊道与焊道、焊道与基本金属间过渡较平滑,焊渣和飞溅物基本

14、清除干净。检查方式可采用放大镜、焊缝量规和钢尺测量。未尽事宜,应严格按现行国家钢结构工程施工及验收规范及建筑钢结构焊接规程有关规定执行。4.5 种植化学锚栓将化学锚栓按照植筋工艺要求植入竖向钢板与钢板箍之间,具体施工工艺要求与钢筋植筋要求相一致。4.6 结构胶灌注施工4.6.1 封缝、注胶管埋设在钢板焊接完成后,对缀板上下口、角钢竖向口进行封闭处理,封闭可采用水泥浆加901建筑胶掺和施工,同时进行注胶管埋设。4.6.2 灌注钢板条下口密封后,方可进行灌注,灌浆采用人工灌注。按照产品说明书A:B=2:1配置好后进行灌注作业,对钢板进行适当的敲击。注胶结束,要敲击钢板,听声音检查结构胶灌注的密实度

15、。4.7 砂浆粉刷柱子在钢丝网挂设完毕后,即可进行砂浆的粉刷。在原构件粘合部位充分洒水湿润;原构件表面水迹晾干后,立即粉刷砂浆,将钢构件表面进行挂网固定,同时采用分层粉刷法,第一面刮糙,待干燥后进行第二遍罩面粉刷施工。粉刷铺抹时应压实抹平,不得存在空鼓现象。5 .施工的质量标准与验收。5.1 植筋锚杆5.1.1 尺寸偏差:钻孔垂直度2。5.1.2 钻孔深度偏差V5mm5.1.3 钻孔时不得伤害构件内主筋5.1.4 采用探杆进孔内检查,必要时用手电照明确认孔内无异物和颗粒物。5.1.5 手指摸试孔壁无粉尘,孔壁清洁。5.1.6 钢筋表面无浮锈、污物,并露出金属光泽。5.1.7 插入钢筋后应有适量胶液溢出,确认不欠缺胶量。5.1.8 根据设计要求进行拉拔试验,应由有资质单位进行。现场检验用随机抽样办法进行

展开阅读全文
相关资源
猜你喜欢
相关搜索

当前位置:首页 > 建筑/环境 > 绿化工程

copyright@ 2008-2023 1wenmi网站版权所有

经营许可证编号:宁ICP备2022001189号-1

本站为文档C2C交易模式,即用户上传的文档直接被用户下载,本站只是中间服务平台,本站所有文档下载所得的收益归上传人(含作者)所有。第壹文秘仅提供信息存储空间,仅对用户上传内容的表现方式做保护处理,对上载内容本身不做任何修改或编辑。若文档所含内容侵犯了您的版权或隐私,请立即通知第壹文秘网,我们立即给予删除!