金沙北路升级改造工程--照明工程说明书.docx

上传人:p** 文档编号:729597 上传时间:2024-01-29 格式:DOCX 页数:12 大小:46.25KB
下载 相关 举报
金沙北路升级改造工程--照明工程说明书.docx_第1页
第1页 / 共12页
金沙北路升级改造工程--照明工程说明书.docx_第2页
第2页 / 共12页
金沙北路升级改造工程--照明工程说明书.docx_第3页
第3页 / 共12页
金沙北路升级改造工程--照明工程说明书.docx_第4页
第4页 / 共12页
金沙北路升级改造工程--照明工程说明书.docx_第5页
第5页 / 共12页
金沙北路升级改造工程--照明工程说明书.docx_第6页
第6页 / 共12页
金沙北路升级改造工程--照明工程说明书.docx_第7页
第7页 / 共12页
金沙北路升级改造工程--照明工程说明书.docx_第8页
第8页 / 共12页
金沙北路升级改造工程--照明工程说明书.docx_第9页
第9页 / 共12页
金沙北路升级改造工程--照明工程说明书.docx_第10页
第10页 / 共12页
亲,该文档总共12页,到这儿已超出免费预览范围,如果喜欢就下载吧!
资源描述

《金沙北路升级改造工程--照明工程说明书.docx》由会员分享,可在线阅读,更多相关《金沙北路升级改造工程--照明工程说明书.docx(12页珍藏版)》请在第壹文秘上搜索。

1、造、新建桥梁2座、旧桥维修2座、排水设施改造、交通设施改造、照明设施改造、新建沿线预埋管、新建通信排管、绿化景观提升改造以及环镇路交叉口升级改造等。建设内容包括:道路工程、桥梁工程、管线工程、交通工程、照明工程、绿化工程。1.2设计依据(1)本项目工可报告。(2)广州市白云区发展和改革局关于Y147金沙北路升级改造工程可行性研究报告的复函(神白发改投批202244号)o(3)本项目设计合同。(4)本项目测量、物探、勘察、旧路旧桥检测资料。(5)本项目初步设计各职能部门意见。6)本项目初步设计技术评审会专家组意见。(7)本项目初步设计技术评审会参会单位意见书。(8)自行收集的相关资料。1.3设计

2、主要采用的规范(1)供配电系统设计规范(GB50052-2009)(2)低压配电设计规范(GB50054-2011)(3)2OkV及以下变电所设计规范(GB50053-2013)(4)3IlOkV高压配电装置设计规范(GB50060-2008)(5)电力装置的电测量仪表装置设计规范(GB50063-2008)(6)通用用电设备配电设计规范(GB500552011)(7)电力装置的维电保护和自动装置设计规范(GB/T50062-2008)(8)建筑物防雷设计规范(GB50057-2010)(9)电力工程电缆设计标准(GB50217-2018)(10)公路照明技术条件(GB/T24969-2010

3、)(11)城市道路照明设计标准(CJJ45-2015)(12)建筑电气工程施工质量验收规范(GB50303-2015)(13)电气装置安装工程电气设备交接试验标准(GB50150-2016)(14)电气装置安装工程电缆线路施工及验收规范(GB50168-2018)照明工程说明书一、项目概述1.1工程概况本项目位于,设计起点位于田心路与石龙档铺街交叉口,南至环镇路,路线全长5.489km。目前,道路所在区域规划市政路网尚未形成,周边规划道路均在规划阶段,本道路作为区域近期南北向交通干道,串联大石岗村、田心村、茅山村、何布村及道路沿线企业。近年来,随着白云区经济的不断发展,道路沿线企业的进驻,车流

4、量不断增大,亟需对道路进行拓宽,新建非机动车道,实现机非分离,以满足日益增长的交通量。同时,随着区域周边道路市政化的逐步推进,为保证道路沿线企业及居民的出行安全,提升道路沿线整体形象,本项目迫切需要按市政道路标准进行升级改造。本项目共包括2条道路升级改造及1处交叉口升级改造,分别为田心路、金沙北路及环镇路交叉口。其中田心路按照村道干路标准,设计车速20kmh,双向两车道,金沙北路按照城市支路标准,设计车速3Okmh,双向两车道,道路全长约5.489km。项目地理位置图本项目各道路情况统计如下:道路改造情况一览表号道路名称路线走向道路起点嚣路线全长(km)设计速度(km/h)红线宽度(m)车道f

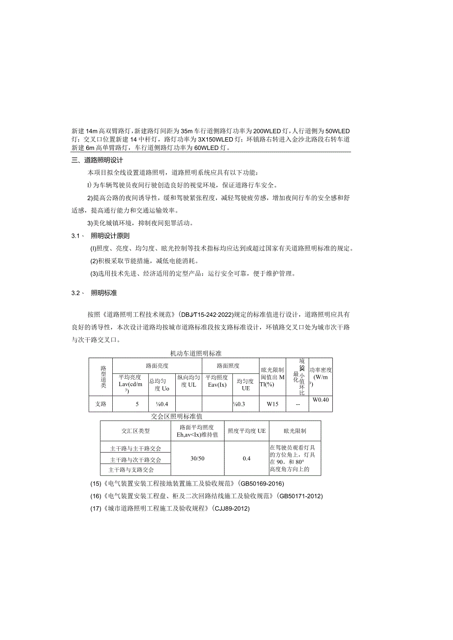
5、t1田心路东西石龙档铺街X2801.238村道干路206922金沙北路北段东西X280茅山三路1.1城市支路30142223金沙北路南段南北茅山三路环镇路3.151城市支路301O*-I224环镇路交叉口升级改造具体改造内容如下:现状水泥路面病害处理、加铺沥青罩面、人行道升级改造、非机动车道升级改行拆除,扩宽段新建14m高双臂路灯,新建路灯间距为35m车行道侧路灯功率为200WLED灯,人行道侧为50WLED灯;交叉口位置新建14中杆灯,路灯功率为3X150WLED灯;环镇路右转进入金沙北路段右转车道新建6m高单臂路灯,车行道侧路灯功率为60WLED灯。三、道路照明设计本项目拟全线设置道路照明

6、,道路照明系统应具有以下功能:I)为车辆驾驶员夜间行驶创造良好的视觉环境,保证道路行车安全。2)提高公路的夜间诱导性,缓和驾驶紧张程度,减轻驾驶疲劳感,增加夜间行车的安全感和舒适感,提高通行能力和交通运输效率。3)美化城镇环境,抑制夜间犯罪活动。3.1、 照明设计原则(I)照度、亮度、均匀度、眩光控制等技术指标均应达到或超过国家有关道路照明标准的规定。(2)积极采取节能措施,减低电能消耗。(3)选用技术先进、经济适用的定型产品:运行安全可靠,便于维护管理。3.2、 照明标准按照道路照明工程技术规范(DBJT15-2422022)规定的标准值进行设计,道路照明应具有良好的诱导性,本次设计道路均按

7、城市道路标准段按支路标准设计,环镇路交叉口处为城市次干路与次干路交叉口。机动车道照明标准路型道类路面亮度路面照度眩光限制闽值出MTl(%)境SK小值环比最化功率密度(W/m3)平均亮度Lav(cd/m3)总均匀度Uo纵向均匀度UL平均照度Eav(Ix)均匀度UE支路50.40.3W15-W0.40交会区照明标准值交汇区类型路面平均照度Eh,av维持值路面珏小照度Eh,Inin(IX)维持值最小垂直照度Eh,min(lx)维持值最小垂直照度Eh,min(Ix)维持值商业步行街:市中心或商业区行人流量高的道路:机动车与行人混合使用、与城市机动车道路连接的居住区出人道路15353流量较高的道路102

8、32流量中等的道路7.51.52.51.5流Jft较低的道路511.51本次设计道路照明主要为更换灯具和路灯刷漆美化处理,灯具功率与现状保持一致,其中ID心路道路照明设计平均照度为21.8Lx,金沙北路北段道路照明设计平均照度为24.2Lx,金沙北路南段道路照明设计平均照度为18.2Lx,环镇路交叉口处道路照明设计平均照度为26Lx,满足标准相关要求。3.3、 照明方案本次设计道路均为现状道路改造,本次照明工程设计方案如下:田心路存在现状照明设施,现状道路桩号K0+00-K0+140段现状道路照明设施较完善无需调整,K0+140KI+237现状路灯灯具破损较严聿,本次设计拆除现状路灯,并新建路灯系统,新建路灯杆高为6m,灯具功率为60W,路灯间距不大于20m,K0+140K1+237段新建道路照明系统供配电由K0+540处新建路灯配电箱,接现状箱变系统。

展开阅读全文
相关资源
猜你喜欢
相关搜索

当前位置:首页 > 建筑/环境 > 设计及方案

copyright@ 2008-2023 1wenmi网站版权所有

经营许可证编号:宁ICP备2022001189号-1

本站为文档C2C交易模式,即用户上传的文档直接被用户下载,本站只是中间服务平台,本站所有文档下载所得的收益归上传人(含作者)所有。第壹文秘仅提供信息存储空间,仅对用户上传内容的表现方式做保护处理,对上载内容本身不做任何修改或编辑。若文档所含内容侵犯了您的版权或隐私,请立即通知第壹文秘网,我们立即给予删除!