重点特种设备事故可能性和后果严重程度的取值标准、常见重点特种设备、台账.docx

上传人:p** 文档编号:731970 上传时间:2024-01-30 格式:DOCX 页数:5 大小:29.07KB
下载 相关 举报
重点特种设备事故可能性和后果严重程度的取值标准、常见重点特种设备、台账.docx_第1页
第1页 / 共5页
重点特种设备事故可能性和后果严重程度的取值标准、常见重点特种设备、台账.docx_第2页
第2页 / 共5页
重点特种设备事故可能性和后果严重程度的取值标准、常见重点特种设备、台账.docx_第3页
第3页 / 共5页
重点特种设备事故可能性和后果严重程度的取值标准、常见重点特种设备、台账.docx_第4页
第4页 / 共5页
重点特种设备事故可能性和后果严重程度的取值标准、常见重点特种设备、台账.docx_第5页
第5页 / 共5页
亲,该文档总共5页,全部预览完了,如果喜欢就下载吧!
资源描述

《重点特种设备事故可能性和后果严重程度的取值标准、常见重点特种设备、台账.docx》由会员分享,可在线阅读,更多相关《重点特种设备事故可能性和后果严重程度的取值标准、常见重点特种设备、台账.docx(5页珍藏版)》请在第壹文秘上搜索。

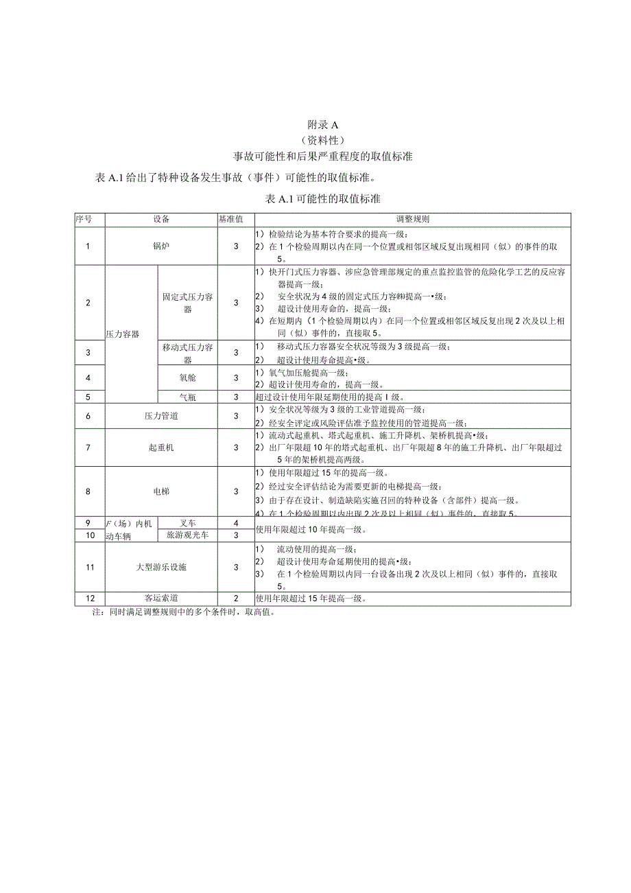
1、附录A(资料性)事故可能性和后果严重程度的取值标准表A.1给出了特种设备发生事故(事件)可能性的取值标准。表A.1可能性的取值标准序号设备基准值调整规则1锅炉31)检验结论为基本符合要求的提高一级:2)在1个检验周期以内在同一个位置或相邻区域反复出现相同(似)的事件的取5。2压力容器固定式压力容器31)快开门式压力容器、涉应急管理部规定的重点监控监管的危险化学工艺的反应容器提高一级;2) 安全状况为4级的固定式压力容提高一级:3) 超设计使用寿命的,提高一级;4)在短期内(1个检验周期以内)在同一个位置或相邻区域反复出现2次及以上相同(似)事件的,直接取5。3移动式压力容器31) 移动式压力容

2、器安全状况等级为3级提高一级;2) 超设计使用寿命提高级。4氧舱31)氧气加压舱提高一级;2)超设计使用寿命的,提高一级。5气瓶3超过设计使用年限延期使用的提高I级。6压力管道31)安全状况等级为3级的工业管道提高一级;2)经安全评定或风险评估准予监控使用的管道提高一级;7起重机31)流动式起重机、塔式起重机、施工升降机、架桥机提高级;2)出厂年限超10年的塔式起重机、出厂年限超8年的施工升降机、出厂年限超过5年的架桥机提高两级。8电梯31)使用年限超过15年的提高一级。2)经过安全评估结论为需要更新的电梯提高一级:3)由于存在设计、制造缺陷实施召回的特种设备(含部件)提高一级。4)在1个检验

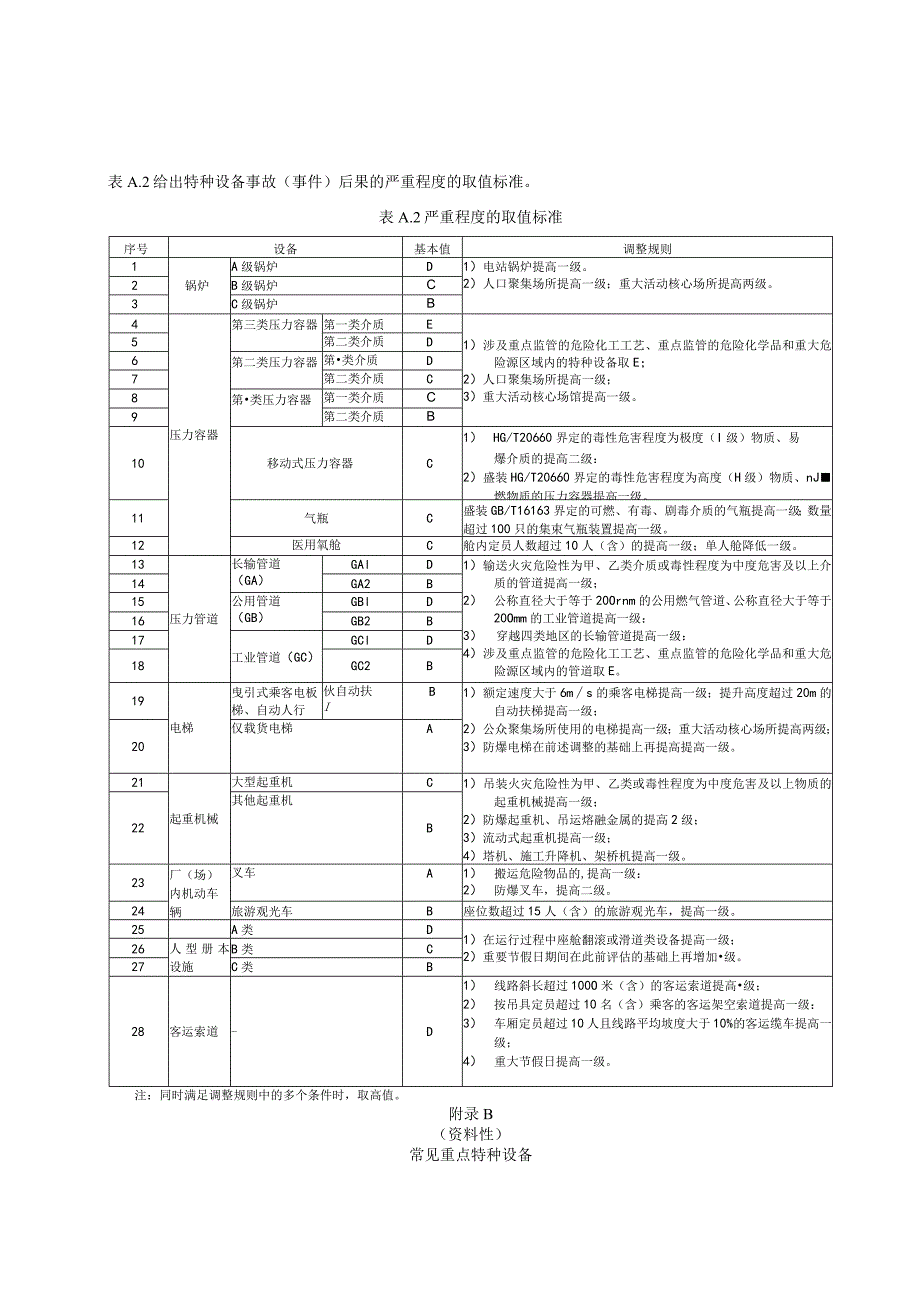
3、周期以内出现2次及以上相同(似)事件的,直接取5。9F(场)内机动车辆叉车4使用年限超过10年提高一级。10旅游观光车311大型游乐设施31) 流动使用的提高一级;2) 超设计使用寿命延期使用的提高级:3) 在1个检验周期以内同一台设备出现2次及以上相同(似)事件的,直接取5。12客运索道2使用年限超过15年提高一级。注:同时满足调整规则中的多个条件时,取高值。表A.2给出特种设备事故(事件)后果的严重程度的取值标准。表A.2严重程度的取值标准序号设备基本值调整规则1锅炉A级锅炉D1)电站锅炉提高一级。2)人口聚集场所提高一级;重大活动核心场所提高两级。2B级锅炉C3C级锅炉B4压力容器第三类

4、压力容器第一类介质E1)涉及重点监管的危险化工工艺、重点监管的危险化学品和重大危险源区域内的特种设备取E;2)人口聚集场所提高一级;3)重大活动核心场馆提高一级。5第二类介质D6第二类压力容器第类介质D7第二类介质C8第类压力容器第一类介质C9第二类介质B10移动式压力容器C1)HG/T20660界定的毒性危害程度为极度(I级)物质、易爆介质的提高二级:2)盛装HG/T20660界定的毒性危害程度为高度(H级)物质、nJ燃物质的压力容器提高一级。11气瓶C盛装GB/T16163界定的可燃、有毒、剧毒介质的气瓶提高一级;数量超过100只的集束气瓶装置提高一级。12医用氧舱C舱内定员人数超过10人

5、(含)的提高一级;单人舱降低一级。13压力管道长输管道(GA)GAlD1)输送火灾危险性为甲、乙类介质或毒性程度为中度危害及以上介质的管道提高一级;2) 公称直径大于等于20Ornm的公用燃气管道、公称直径大于等于20Omm的工业管道提高一级:3) 穿越四类地区的长输管道提高一级:4)涉及重点监管的危险化工工艺、重点监管的危险化学品和重大危险源区域内的管道取E。14GA2B15公用管道(GB)GBlD16GB2B17工业管道(GC)GClD18GC2B19电梯曳引式乘客电板梯、自动人行Ii伙自动扶IB1)额定速度大于6ms的乘客电梯提高一级;提升高度超过20m的自动扶梯提高一级;2)公众聚集场

6、所使用的电梯提高一级;重大活动核心场所提高两级;3)防爆电梯在前述调整的基础上再提高提高一级。20仅载货电梯A21起重机械大型起重机C1)吊装火灾危险性为甲、乙类或毒性程度为中度危害及以上物质的起重机械提高一级;2)防爆起重机、吊运熔融金属的提高2级;3)流动式起重机提高一级;4)塔机、施工升降机、架桥机提高一级。22其他起重机B23厂(场)内机动车辆叉车A1) 搬运危险物品的,提高一级:2) 防爆叉车,提高二级。24旅游观光车B座位数超过15人(含)的旅游观光车,提高一级。25A类D1)在运行过程中座舱翻滚或滑道类设备提高一级;2)重要节假日期间在此前评估的基础上再增加级。26人型册本设施B

7、类C27C类B28客运索道-D1) 线路斜长超过100O米(含)的客运索道提高级;2) 按吊具定员超过10名(含)乘客的客运架空索道提高一级:3) 车厢定员超过10人且线路平均坡度大于10%的客运缆车提高一级;4) 重大节假日提高一级。注:同时满足调整规则中的多个条件时,取高值。附录B(资料性)常见重点特种设备B.1属于重点特种设备的压力容器(含气瓶)包括但不限于以下情况:a)安全状况等级为4级的盛装安全技术规范界定的高度危害介质(及以上)、易爆介质的固定式压力容器;b)未进行安全评估(合于使用评价)的超设计年限并盛装安全技术规范界定的高度危害介质(及以上)、易爆介质的第三类固定式压力容器;c

8、)存在需处理的缺陷且为盛装安全技术规范界定的高度危害介质(及以上)、易爆介质的压力容器;cl)容积超过50f的盛装高度危害介质(及以上)、易爆介质的压力容器。e)盛装安全技术规范界定的高度危害介质(及以上)、易爆介质的移动式压力容器;f)经基于风险的检验评价为高风险的压力容器;g)盛装GB/T16163界定的可燃、有毒、剧毒介质的气瓶。8.2 属于重点特种设备的压力管道包括但不限于以下情况:a)穿越四级地区的长输管道;b)横跨或穿越通航江河、湖泊或海峡的压力管道;c)安全状况等级为3级的GCl级工业管道及安全技术规范界定的高度危害介质(及以上)、甲、乙类可燃介质的工业管道;d)管道起止位置在不

9、同使用单位的介质安全技术规范界定的高度危害介质(及以上)、甲、乙类可燃介质的工业管道;e)存在需处理的缺陷且介质为安全技术规范界定的高度危害介质(及以上)、甲、乙类可燃介质的工业管道;f)因存在缺陷导致降压使用的公用燃气管道;g)开发区、工业集中区(含化工园区)的公用燃气管道。8.3 属于重点特种设备的锅炉包括但不限于以下情况:a)内、外部检验结论为“基本符合要求”的A级锅炉;b)近2年内实施过改造或者燃烧方式发生变化的锅炉。8.4 属于重点特种设备的起重机械包括但不限于以下情况:a)TSG51规定的需安装安全监控管理系统的大型起重机械;b)吊运熔融金属的冶金起重机;c)防爆等级为IHC的起重

10、机;d)在沿海或风速偏高(指6级风及以上频率较高)区域使用的普通塔式起重机;e)出厂年限超10年的塔式起重机、出厂年限超8年的施工升降机;8.5 属于重点特种设备的电梯包括但不限于以下情况:a)经安全评估结论为“需要更新”的老旧电梯;b)被特种设备监督管理部门列入“失信单位”或信用评价为“差”等级的维护保养单位进行维护保养的电梯、自动扶梯;c)额定速度6ms及以上的升降电梯;d)提升高度超过20m、速度0.75ms且具有自启动功能的自动扶梯;e)按照GB7588-2003、GB16899-2011标准制造,且尚未对主驱动机、控制系统、层门等按现行标准和安全技术规范要求进行改造的电梯、自动扶梯;

11、f)1个月内因非人为损坏原因导致停运达3次及以上的电梯;B.6属于重点特种设备的场(厂)内专用机动车辆包括但不限于以下情况:a)使用年限超过10年的防爆叉车;b)额定载客人数超过10人(含)旅游观光车;8. 7属于重点特种设备的大型游乐设施包括但不限于以下情况:a)A级大型游乐设施。b)运行过程中座舱翻滚或滑道类或B级滑行车类或加速度处于GB8408定义的区域4或区域5范围内的设备。c)已达设计使用寿命延期使用的设备。d)操作人员存在视线盲区且无法有效约束游客不得离开坐席的设备。B.8属于重点特种设备的客运索道包括但不限于以下情况:a)线路斜长超过100O米(含)的客运架空索道。b)按吊具定员计算,索道运行中其线路离地高度大于15米的地段有超过10名(含)乘客的客运架空索道。c)车厢定员超过10人且线路平均坡度大于10%的客运缆车。附录C(资料性)重点特种设备台账单位名称:序号设备名称设备编号设备类别设备品种设备型号规格安装位置介质编制:日期:注:介质栏适用于压力容器、压力管道、气瓶:

展开阅读全文
相关资源
猜你喜欢
相关搜索

当前位置:首页 > 行业资料 > 国内外标准规范

copyright@ 2008-2023 1wenmi网站版权所有

经营许可证编号:宁ICP备2022001189号-1

本站为文档C2C交易模式,即用户上传的文档直接被用户下载,本站只是中间服务平台,本站所有文档下载所得的收益归上传人(含作者)所有。第壹文秘仅提供信息存储空间,仅对用户上传内容的表现方式做保护处理,对上载内容本身不做任何修改或编辑。若文档所含内容侵犯了您的版权或隐私,请立即通知第壹文秘网,我们立即给予删除!