15、提高预制桩施工质量合格率.docx

上传人:p** 文档编号:732746 上传时间:2024-02-04 格式:DOCX 页数:19 大小:473.24KB
下载 相关 举报
15、提高预制桩施工质量合格率.docx_第1页
第1页 / 共19页
15、提高预制桩施工质量合格率.docx_第2页
第2页 / 共19页
15、提高预制桩施工质量合格率.docx_第3页
第3页 / 共19页
15、提高预制桩施工质量合格率.docx_第4页
第4页 / 共19页
15、提高预制桩施工质量合格率.docx_第5页
第5页 / 共19页
15、提高预制桩施工质量合格率.docx_第6页
第6页 / 共19页
15、提高预制桩施工质量合格率.docx_第7页
第7页 / 共19页
15、提高预制桩施工质量合格率.docx_第8页
第8页 / 共19页
15、提高预制桩施工质量合格率.docx_第9页
第9页 / 共19页
15、提高预制桩施工质量合格率.docx_第10页
第10页 / 共19页
亲,该文档总共19页,到这儿已超出免费预览范围,如果喜欢就下载吧!
资源描述

《15、提高预制桩施工质量合格率.docx》由会员分享,可在线阅读,更多相关《15、提高预制桩施工质量合格率.docx(19页珍藏版)》请在第壹文秘上搜索。

1、提高预制桩施工质量合格率*QC小组一,工程概况该工程为*项目,本工程粮食物资储备库1-4为钢筋混凝土框排架结构,抗震设防分类为丙类,抗震设防烈度为7度,设计基本地震加速度值为O.10g;场地类别为II类,安全等级二级,耐火等级为二级,火灾危险性类别为丙类2项,建筑结构的安全等级为二级。二、小组概况小组活动情况简介一览表表-01课题名称提高预制桩施工质量合格率课题类型现场型小组名称*QC小组成立时间2020年11月1日活动时间2020年11月27日至2021年1月18日活动次数8次活动频率1次/周出勤率98%成员简介序号姓名性别年龄文化程度职称组内职务1男32大专工程师组长2女32大专助工副组长

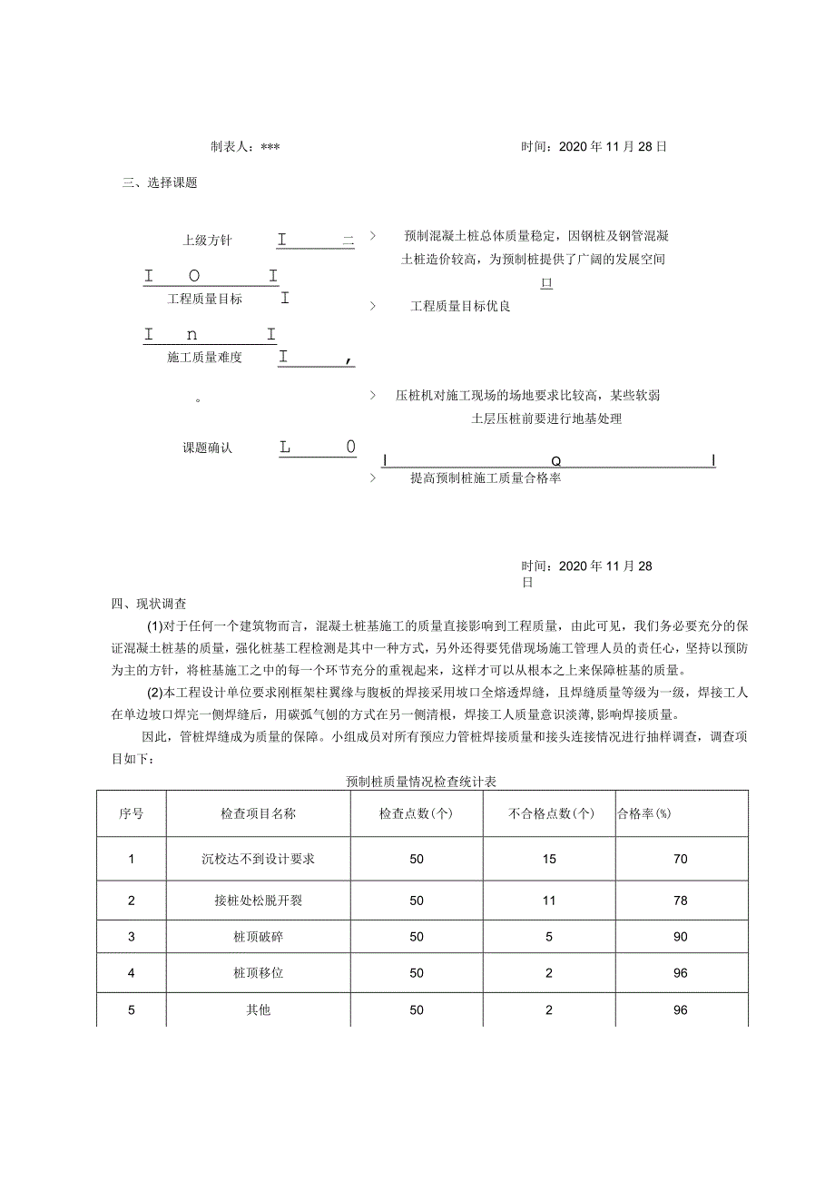
2、3男50大专工程师副组长4女32大专工程师组员5女44大专工程师组员6男31大专助工组员7女25大专助工组员8男32大专助工组员9男35大专技术员组员、动项活动时间(2020.112021.1)11.27-11.2811.28-12.82020.12.8-2021.1.11.1-1.131.13-1.18选择课题现状调查目标设定原因分析要因确认A制定对策A实施对策*效果检查巩固措施A制表人:*制表人:*三、选择课题上级方针I二IOI工程质量目标IInI施工质量难度I,课题确认L0时间:2020年11月28日 预制混凝土桩总体质量稳定,因钢桩及钢管混凝土桩造价较高,为预制桩提供了广阔的发展空间口

3、 工程质量目标优良 压桩机对施工现场的场地要求比较高,某些软弱土层压桩前要进行地基处理Q 提高预制桩施工质量合格率时间:2020年11月28日四、现状调查(1)对于任何一个建筑物而言,混凝土桩基施工的质量直接影响到工程质量,由此可见,我们务必要充分的保证混凝土桩基的质量,强化桩基工程检测是其中一种方式,另外还得要凭借现场施工管理人员的责任心,坚持以预防为主的方针,将桩基施工之中的每一个环节充分的重视起来,这样才可以从根本之上来保障桩基的质量。(2)本工程设计单位要求刚框架柱翼缘与腹板的焊接采用坡口全熔透焊缝,且焊缝质量等级为一级,焊接工人在单边坡口焊完一侧焊缝后,用碳弧气刨的方式在另一侧清根,

4、焊接工人质量意识淡薄,影响焊接质量。因此,管桩焊缝成为质量的保障。小组成员对所有预应力管桩焊接质量和接头连接情况进行抽样调查,调查项目如下:预制桩质量情况检查统计表序号检查项目名称检查点数(个)不合格点数(个)合格率(%)1沉校达不到设计要求5015702接桩处松脱开裂5011783桩顶破碎505904桩顶移位502965其他502966合计2503586制表人:*时间:2020年12月5日预制桩质量问题调查频数统计表序号质量问题名称频数(点)频率(%)累计频率(%)1沉校达不到设计要求1542.942.92接桩处松脱开裂1131.474.33桩顶破碎514.388.64桩顶移位25.794.

5、35其他25.71006合计35100根据质量问题频数统计表,我们绘制了柱状图:频数(点)累计频率()预制桩质量问题柱状图制图人:*时间:2020年12月5日由柱状图可见:“沉校达不到设计要求”占42.9%;“接桩处松脱开裂”占31.4%,共计占累计频数的74.3%,为影响预制桩质量主要问题,是我们QC小组主要解决的问题。如果沉校达不到设计要求问题解决95%,预制桩质量问题全部解决,预制桩施工质量合格率100%,那么一次合格率可达到86%+(1-86%)X(42.9%95%+31.4%100%)=96.1%。五、确定目标我们QC小组根据上述分析结果,经全体人员共同讨论,确定了本次QC小组活动的

6、目标值:一次综合验收合格率95%;分目标:预制桩质量合格率为95%。六、原因分析我们QC小组于2020年12月8日在项目部会议室召开了原因分析会,邀请业主、监理单位参加,对存在问题进行了讨论,大家集思广益,将影响预制桩质量两个主要问题进行了原因分析,并进行归纳整理,绘制关联图。预制桩质量“沉校达不到设计要求”与“接桩处松脱开裂”原因分析关联图未制定奖罚措施管理人员配备不足过程监控不力恶劣天气施工方案未针对性地质情况编写施工人员责任心不强设备出现故障两桩顶间存在缝隙问过长未做严格的双向校正方法不对未按挤土效勘探点不够桩尖停留在硬土层内群桩施工穿越较厚的砂夹层,结构不稳定地质勘察资料粗糙中断沉桩时

7、砂层越挤越密,沉不下去应安排打桩沉校达不到设计要求接桩处松脱开裂施工方案不详细施工作业人员操作不规范打桩顺序不合焊接质量和接头连接不符合要求施工人员未持证上岗焊接顺序焊接时间和冷却时间不符合要求七、要因确认1、要因确认计划通过关联图的原因分析,我们找出了影响预制桩质量的12个末端原因,首先我们对12个末端因素编制了要因确认计划。要因确认计划表序号末端因素确认内容确认方法标准负责人验证时间1未制定奖罚措施检查项目部制定的奖罚制度及执行情况现场调查制度齐全,有执行记录2020年11月30日2勘探点不够是否详细探明工程地址地质情况现场调查、分析详细探明工程地址地质情况,必要时应作补勘,正确选择持力层

8、或标高2020年11月3003设备出现故障检查设备是否出现故障现场调查、分析正常使用2020年12月5日2021年1月5日4桩尖停留在硬土层内检查桩尖是否到达持力层现场调查满足规范或工艺性试验要求2020年12月6日5群桩施工穿越较厚的砂夹层,结构不稳定确定砂夹层厚度是否在3米以下现场调查砂夹层厚度在3米以下2020年12月5日6打桩顺序不合理打桩顺序是否合理现场调查打长桩,后打短桩,先打中间桩,后打四周桩2020年12月13日7方案未针对性地质情况编写对现方案进行论证现场调查满足本工程施工要求2020年12月10日8施工人员未持证上岗检查施工人员持证情况现场调查持证上岗率100%2020年1

9、2月12日9焊接时间和冷却时间不符合要求检查焊接时间和冷却时间是否达到要求现场调查、分析焊接时间20分钟,冷却时间8分钟2020年12月12日10焊接顺序方法不对检查焊接顺序是否符合要求现场调查先对称焊46个焊点,再由两名高级焊工对称施焊2020年12月18日11两桩顶间存在缝隙是否在同一直线上现场调查严格双向校正2020年12月20日12恶劣天气施工时刻关注天气预报现场调查、分析不影响施工质量2020年11月2802020年12月20日13管理人员配备不足检查管理人员到位与持证情况现场调查项目部管理人员配备到位,持证上岗率100%2020年12月20日制表人:*时间:2020年12月20日2

10、、要因确认:根据要因确认计划表,我们QC小组对12个末端因素进行具体调查、分析、试验,逐一进行要因确认。末端因素一:未制定奖罚措施确认方法确认内容确认标准确认人确认时间现场调查检查项目部制定的奖罚制度及执行情况制度齐全,有执行记录*2020年11月30日验证情况小组成员张腾于2020年11月30日检查项目部的评价资料,项目部已按照公司要求制定了质量管理奖罚制度,奖罚条款详细,项目部已照奖罚制度执行,对质量存在的问题按规定进行处罚,有处罚记录三条,奖励记录一条,通过对奖罚制度的实施,使施工人员的责任心得到增强。结论不是主要原因末端因素二:勘探点不够确认方法确认内容确认标准确认人确认时间现场调查、

11、分析是否详细探明工程地址地质情况详细探明工程地址地质情况,必要时应作补勘,正确选择持力层或标高*2020年11月30日验证情况小组成员孙本华于2020年11月30日对施工现场工程地址地质情况进行勘察,正确选择了持力层或标高,避免了工程地质情况不明,尤其是对持力层起伏标高不明,导致设计考虑持力层或选择桩长有误等问题的产生。9确认方法确认内容确认标准确认人确认时间现场调查、分析检查设备是否出现故障正常使用*2020年12月5日2021年1月5日末端因素三:设备出现故障小组成员*2020年12月5口,在施工前一个星期对施工机械设备进行了详细全面的检查,机械设备运行良好,查看了设备保养记录,设备完好率

12、100%,查看施工采用合适吨位桩机,确保施工顺利进行。验证情况结论不是主要原因末端因素四:桩尖停留在硬土层内确认方法确认内容确认标准确认人确认时间现场调查检查桩尖是否到达持力层满足规范或工艺性试验要求*2020年12月6日小组成员高中苓于2020年12月6日对现场进行勘察发现桩尖已达到持力层,贯入度或终压值满足规范或工艺性试验要求,单桩静载荷试验满足设计要求。末端因素五:群桩施工穿越较厚的砂夹层,结构不稳定确认方法确认内容确认标准确认人确认时间现场调查确定砂夹层厚度是否在3米以下砂夹层厚度在3米以下*2020年12月5日验证情况小组成员高中苓于2020年12月5日检查现场,确定砂夹层厚度是否在3米以下,当夹层较厚时,设桩靴或引孔来解决沉桩不到位的问题,一切按设计要求施工。i三结论不是主要原因末端因素六:1桩顺序不合理确认方法确认内容确认标准确认人确认时间现场调查打桩顺序是否合理打长桩,后打短桩,先打中间桩,后打四周桩*2020年12月13日小组成员冯刚于2020年12月13日对现场打桩顺序进行了调查,发现现场打桩顺序未按规定顺序进行施工,小组成员告知施工人员合理采用打桩顺

展开阅读全文
相关资源
猜你喜欢
相关搜索

当前位置:首页 > 管理/人力资源 > 质量管理

copyright@ 2008-2023 1wenmi网站版权所有

经营许可证编号:宁ICP备2022001189号-1

本站为文档C2C交易模式,即用户上传的文档直接被用户下载,本站只是中间服务平台,本站所有文档下载所得的收益归上传人(含作者)所有。第壹文秘仅提供信息存储空间,仅对用户上传内容的表现方式做保护处理,对上载内容本身不做任何修改或编辑。若文档所含内容侵犯了您的版权或隐私,请立即通知第壹文秘网,我们立即给予删除!