2019年10月自学考试02202《传感器与检测技术》试题.docx

上传人:p** 文档编号:733447 上传时间:2024-02-04 格式:DOCX 页数:5 大小:54.47KB
下载 相关 举报
2019年10月自学考试02202《传感器与检测技术》试题.docx_第1页
第1页 / 共5页
2019年10月自学考试02202《传感器与检测技术》试题.docx_第2页
第2页 / 共5页
2019年10月自学考试02202《传感器与检测技术》试题.docx_第3页
第3页 / 共5页
2019年10月自学考试02202《传感器与检测技术》试题.docx_第4页
第4页 / 共5页
2019年10月自学考试02202《传感器与检测技术》试题.docx_第5页
第5页 / 共5页
亲,该文档总共5页,全部预览完了,如果喜欢就下载吧!
资源描述

《2019年10月自学考试02202《传感器与检测技术》试题.docx》由会员分享,可在线阅读,更多相关《2019年10月自学考试02202《传感器与检测技术》试题.docx(5页珍藏版)》请在第壹文秘上搜索。

1、2019年10月高等教育自学考试传感器与检测技术试题课程代码:02202一、单项选择题1 .传感器是实现自动检测和自动控制的首要环节,其关键部分是A.敏感元件B.转换元件C.基本转换电路D.信号调理电路2 .在测量位移时,感应同步器利用了A.电磁感应原理B.电容式变换原理C.电涡流变换原理Do电阻式变换原理3 .用变磁通式传感器测量转轴的转速,当转轴安装有齿数为24的测量齿轮时,测得感应电动势的频率为2400Hz,则转轴的转速为A.2400r/minB.6000r/minC.12000r/minD.24000r/min4 .下列扭矩传感器中,能够直接输出频率量的是A.应变式扭矩传感器B,电容式

2、扭矩传感器C.钢弦式扭矩传感器D.光电式扭矩传感器5 .下列温度传感器中,可以实现非接触测量的是A.比色式温度传感器B.半导体温度传感器C.热电偶温度传感器D.热敏电阻温度传感器6 .离子选择电极分为两大类,即基本原电极和A.玻璃电极B.晶体膜电极C.非晶体膜电极D.敏化离子电极7 .视觉传感器获得的明亮度信息可借助模-数转换器数字化成410比特,形成的数字图像像素为A.4X4IoXIOB.4X16IOXIoOC.1616100100D.16X161024X10248 .对Xa),),“)进行幅值调制,其中Xa)为被测信号,丁”)=(:052a1为高频载波信号,则幅值调制器的输出信号/为A.x

3、(t)+cos2f0tB.Mf)COS2矶/C.Y(f)cos2小,D.x(r)cos29 .信号Xa)的均值和标准差分别为12和5,则该信号的方均根值Xg为A.7B.11C.13D.1710 .关节型机器人采用光电增量码盘测量关节转角,经过处理后的输出信号是A.频率量B.脉冲数C.电压值D.电流值二、填空题11 .传感器的重复性是衡量在同一下,对同一被测量进行多次重复测量所得结果之间不一致程度的指标。12 .光栅式位移传感器有测量线位移的长光栅和测量角位移的两种。13 .交流测速发电机可分为永磁式、脉冲式和三种。14 .绝对压力与当地大气压之差称为15 .高分子膜湿度敏感元件工作时,其发生变

4、化。16 .离子选择敏感元件的主体是对溶液中特定离子具有高度专属性的测量o17 .红外图像传感器通常由红外敏感元件和电路组成。18 .传感检测系统的自动化过程可以看作是物流和的交互作用。19 .无法用确切的数学关系式描述,也不能准确预测未来结果的是信号。20 .公路交通用多普勒雷达式传感器,其反射电磁波的频率变化量与发射频率和汽车行驶速度之积成O三、问答题21 .简述电位器式位移传感器的优点和缺点。22 .简要说明压磁式力传感器的主要组成部分。23 .简述热敏电阻式温度传感器的工作原理。24 .工业机器视觉系统包括哪些主要部分?25 .简要说明周期信号频谱的特点。四、计算题26 .某传感器校准

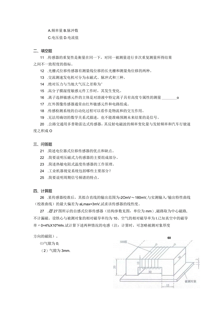
5、后,其拟合直线的输出范围为-2OmV180mV,与实测输入/输出特性曲线(校准曲线)的最大偏差为aLmax=3mV,试求该传感器的线性度。27 .题27图所示的自感式位移传感器(结构参数见图,单位为mm),磁路取为中心磁路,不计漏磁。设铁心与被测对象的相对磁导率均为10、空气的相对磁导率为I.已知真空中的磁导率0=4%X10Hm.试计算下述两种情况的电感(注:计算时,可忽略被测对象厚度60方向的磁阻)。气隙为0;(2)气隙为3mm.题27图五、应用题28 .采用四倍细分原理的光栅式位移传感器,若相位依次滞后的第2个光电元件所转换成的电压信号描述为:li,=Usin-.说明UJW的物理意义,并写

6、出其他三个光电元件2ntWm转换成的电压信号的表达式。29 .如题29图所示,车刀截面为矩形,切削力沿坐标轴可分解为F、R和兄;试回答(1)当利用两个应变片组成四臂电桥,实现对垂直分力区的测量时(要求最大程度抑制Fx.6的干扰),试用简图表示如何布置应变片?绘制出电桥电路。(2)设计一个切削力计算机测量系统,并用框图说明各环节的作用。题29图30 .题30图所示为对汽车齿轮变速箱测得的振动加速度信号经处理后得到的互功率谱图。图(a)是变速箱正常工作时输入与输出的互功率谱图;图(b)为某一工作状态时测得的互功率谱图。试回答(1)图(b)所示工作状态是否正常?为什么?(2)简要说明图(b)中所示的9.2Hz与18.4Hz处出现峰值的工程意义。(a)(b)题30图

展开阅读全文
相关资源
猜你喜欢
相关搜索

当前位置:首页 > 高等教育 > 习题/试题

copyright@ 2008-2023 1wenmi网站版权所有

经营许可证编号:宁ICP备2022001189号-1

本站为文档C2C交易模式,即用户上传的文档直接被用户下载,本站只是中间服务平台,本站所有文档下载所得的收益归上传人(含作者)所有。第壹文秘仅提供信息存储空间,仅对用户上传内容的表现方式做保护处理,对上载内容本身不做任何修改或编辑。若文档所含内容侵犯了您的版权或隐私,请立即通知第壹文秘网,我们立即给予删除!