苏州市建筑市场综合考核用表.docx

上传人:p** 文档编号:73533 上传时间:2022-12-15 格式:DOCX 页数:4 大小:23.24KB
下载 相关 举报
苏州市建筑市场综合考核用表.docx_第1页
第1页 / 共4页
苏州市建筑市场综合考核用表.docx_第2页
第2页 / 共4页
苏州市建筑市场综合考核用表.docx_第3页
第3页 / 共4页
苏州市建筑市场综合考核用表.docx_第4页
第4页 / 共4页
亲,该文档总共4页,全部预览完了,如果喜欢就下载吧!
资源描述

《苏州市建筑市场综合考核用表.docx》由会员分享,可在线阅读,更多相关《苏州市建筑市场综合考核用表.docx(4页珍藏版)》请在第壹文秘上搜索。

1、苏州市建筑市场综合考核用表之二(建设程序)项目编号:检查日期:一序号检查项目检查内容标准语言是否备注1立项批文是否具备,是否在有效期无立项批文:立项批文失效。查看三项材料的批发时间先后顺序,批文项目建设内容与合同内容、项目情况是否一致。2土地使用证是否具备,是否与立项批文对应,时序是否颠倒。无土地使用证:土地使用证与立项批文不对应;时序颠倒。3规划许可证是否具备,是否与立项批文对应,时序是否颠倒。无规划许可证;规划许可证与立项批文不对应;时序颠倒。4审图手续是否办理未办理审图手续。查看审图受理单或相关审图手续(审图意见书),审图内容一致、齐全5招标情况是否办理招标,招标形式是否符合要求,内容是

2、否完整设计、监理、施工总承包未办理发包手续:发包内容不完整;未办理专业工程发包手续。发包内容以中标通知书或直接发包通知书内容为准;核查发包方案的标段划分是否合理,设计、施工、监理等各项列明,针对“应招未招”情况做出检查,重点是设计标段的应招未招,包括初步设计、方案和施工图设计。含暂估价的项目,确认暂估价招标情况。6施工合同备案是否备案,合同内容是否与招投标文件相致总承包施工合同未经招投标监管部门备案:合同内容与招投标文件不一致。比对合同归集信息表与合同文本,发包内容是否一致,负责人是否相符;查看合同归集状态,待验证或其他状态或未提供均按照不一致计。7监理合同备案情况是否备案,合同内容是否与招投

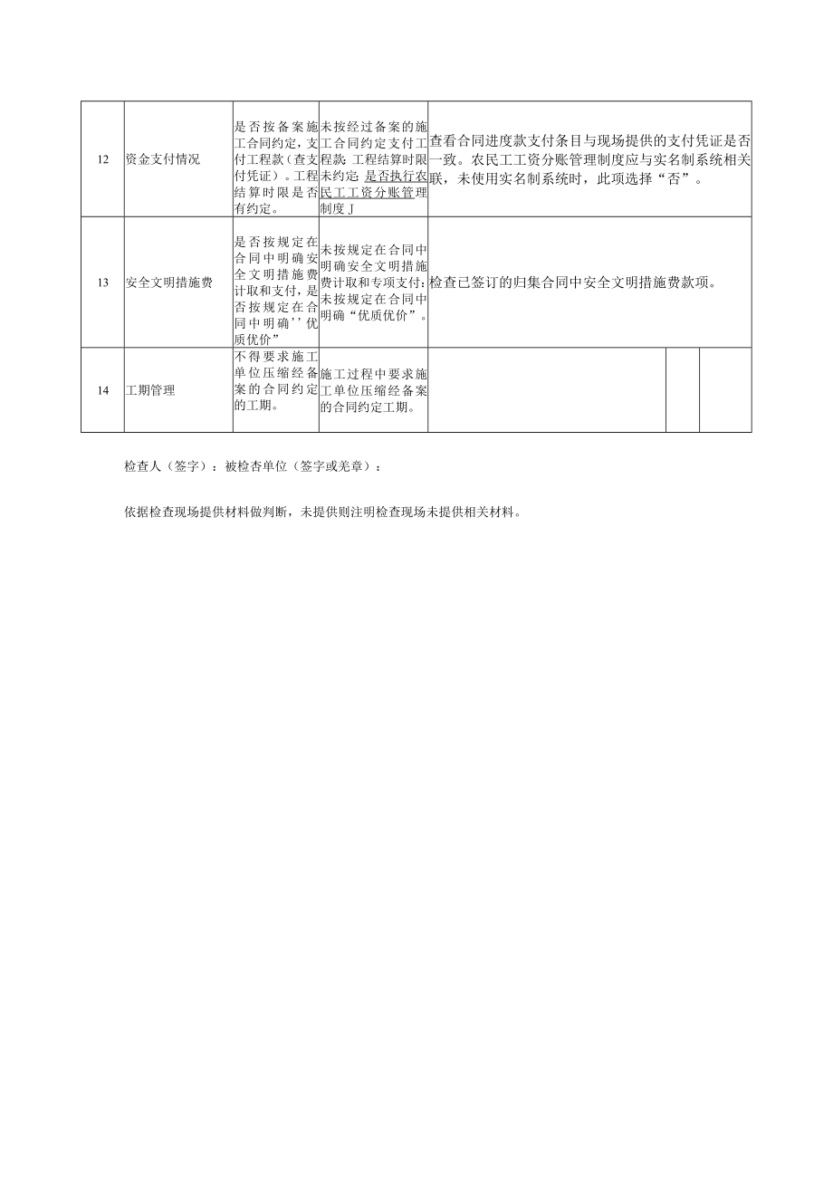
3、标文件相一致监理合同未经招投标监管部门备案;合同内容与招投标文件不一致。8质监手续是否办理未办理质监手续。见各监督书,有则“是”,无则“否”9安监手续是否办理未办理安监手续。10施工许可证是否与立项批文对应,时序是否颠倒。现场施工内容与施工许可证是否相对应。施工许可证与立项批文不对应;时序颠倒。现场施工内容与施工许可证是否相对应。关注施工许可证办理时间,结合第一次监理例会召开时间,确定是否存在提前开工的情况。11依法建设情况是否被立案处理,是否少报多建本项目正在被立案处理;本项目建设过程中存在少报多建。12资金支付情况是否按备案施工合同约定,支付工程款(查支付凭证)。工程结算时限是否有约定。未

4、按经过备案的施工合同约定支付工程款:工程结算时限未约定;是否执行农民工工资分账管理制度J查看合同进度款支付条目与现场提供的支付凭证是否一致。农民工工资分账管理制度应与实名制系统相关联,未使用实名制系统时,此项选择“否”。13安全文明措施费是否按规定在合同中明确安全文明措施费计取和支付,是否按规定在合同中明确优质优价”未按规定在合同中明确安全文明措施费计取和专项支付:未按规定在合同中明确“优质优价”。检查已签订的归集合同中安全文明措施费款项。14工期管理不得要求施工单位压缩经备案的合同约定的工期。施工过程中要求施工单位压缩经备案的合同约定工期。检查人(签字):被检杏单位(签字或羌章):依据检查现

5、场提供材料做判断,未提供则注明检查现场未提供相关材料。苏州市建筑市场综合考核用表之三(项目综合情况)项目编号:检查口期:施工。位(IOo分)检查项目检查内容评分标准扣分得分扣分原因1企业管理(5分)信用管理手册使用(5分)总承包企业是否按规定办理信用管理手册不符合扣5分苏州市企业提供苏州市信用管理手册;外省企业提供江苏省信用管理手册;本省外市企业提供当地信用管理手册,或补办的苏州市信用管理手册。本省外市企业不能提供当地信用管理手册,备注中说明,此项不扣分。2项目经理及管理班子(30分)项目经理是否为本企业人员,专业、资质等级是否与承接工程相适应,是否在岗(15分)非本企业人员扣15分;专业、资

6、度等级不符合扣10分;到岗时间不满80%扣10分,不在岗扣15分;与备案人员不一致,且无变更手续扣15分:最多扣15分1 .项目经理必检,质量、安全、施工人员抽12人检查;核对合同归集系统和实名制系统,确定人员一致、现场到位情况,不一致是否有变更流程;人员不一致且未做变更手续的按不在岗计;2 .项目经理(项目部管理人员)到岗时间按实名制系统考勤确定,依70%计。3 .考勤满足的情况下还需考量人员履职情况,如材料签字、现场情况了解程度等,管理人员履职不到位的,依照履职不到位的程度,按3-5分/人进行扣分。项目部管理人员(质量、安全、施工、造价等)是否是本单位人员,是否持有岗位证书,备案人员是否在

7、岗(15分)一人非本单位人员、不持证上岗扣8分:一人到岗时间不满80%扣5分;备案人员不在岗,且无变更手续扣10分;最多扣15分3项目部管理(25分)管理制度建设(15分)项目部组织网络建立情况;项目部质量、安全、文明、农民工工资支付管理制度、农民工工费支付应急预案制度等各项管理制度建立情况;未建立扣8分,不健全扣5分;有一项制度不执行扣5分,未上墙扣3分,缺一项扣3分,最多扣15分项目部管理制度,项目部质量、安全、文明等各项制度管理规定,逐项检查,有且上墙得满分,缺一项扣3分,有但未上墙扣1分。“标牌设置”(10分)是否在醒目位置悬挂公示(标牌包括:工程概况,项目组织,安全生产,文明施工(扬

8、尘治理),消防保卫,建筑业农民工维权告示牌,建筑节能,安全应急预案,施工平面布置图)漏一项扣2分,最多扣10分以现场悬挂公示为准,未悬挂公示不得分,缺一项扣两分,按项计分。4总包合同管理(15分)总承包(15分)承包单位是否具备相应资质,合同是否按规定备案无资质扣10分,合同未备案扣5分扫描合同二维码,查询归集信息,结合项目情况检查。5农民工管理(25分)农民工实名制执行情况(18分)施工现场实名制登记、考勤系统安装、建立农民工工资投诉处理网络、编制农民工考勤表、工资支付表、农民工花名册等施工现场实名制管理考勤设备未与主管部门平台对接的扣6分,已使用,但不规范扣3分;投诉处理网络未建立,扣3分;未按月结清劳务人员工作量并编制工资支付表、未编制农民工考勤表、未建立农民工花名册、未签订劳动合同、未建立考勤制度、未建立工资发放清单制度每项扣3分;项目管理人员、农民工考勤记录不规范,使用职工名册不规范、每项扣2分;总分不超过18分根据实名制打分表折算分值后计入本项。工资专户及银行代发(7分)项目设立分账管理和银行代发制度项目未设立农民工工资专用账户扣2分;己发工资无银行代发流水的或未在系统内通过工资专户发放工资的扣2分;未执行总包代发制度的,扣3分,总分不超过7分得分:检查人(签字):被检查单位(签字或盖章):

展开阅读全文
相关资源
猜你喜欢
相关搜索

当前位置:首页 > 建筑/环境 > 建筑节能

copyright@ 2008-2023 1wenmi网站版权所有

经营许可证编号:宁ICP备2022001189号-1

本站为文档C2C交易模式,即用户上传的文档直接被用户下载,本站只是中间服务平台,本站所有文档下载所得的收益归上传人(含作者)所有。第壹文秘仅提供信息存储空间,仅对用户上传内容的表现方式做保护处理,对上载内容本身不做任何修改或编辑。若文档所含内容侵犯了您的版权或隐私,请立即通知第壹文秘网,我们立即给予删除!