换热器课程设计计算说明书.docx

上传人:p** 文档编号:745001 上传时间:2024-02-26 格式:DOCX 页数:12 大小:48.20KB
下载 相关 举报
换热器课程设计计算说明书.docx_第1页
第1页 / 共12页
换热器课程设计计算说明书.docx_第2页
第2页 / 共12页
换热器课程设计计算说明书.docx_第3页
第3页 / 共12页
换热器课程设计计算说明书.docx_第4页
第4页 / 共12页
换热器课程设计计算说明书.docx_第5页
第5页 / 共12页
换热器课程设计计算说明书.docx_第6页
第6页 / 共12页
换热器课程设计计算说明书.docx_第7页
第7页 / 共12页
换热器课程设计计算说明书.docx_第8页
第8页 / 共12页
换热器课程设计计算说明书.docx_第9页
第9页 / 共12页
换热器课程设计计算说明书.docx_第10页
第10页 / 共12页
亲,该文档总共12页,到这儿已超出免费预览范围,如果喜欢就下载吧!
资源描述

《换热器课程设计计算说明书.docx》由会员分享,可在线阅读,更多相关《换热器课程设计计算说明书.docx(12页珍藏版)》请在第壹文秘上搜索。

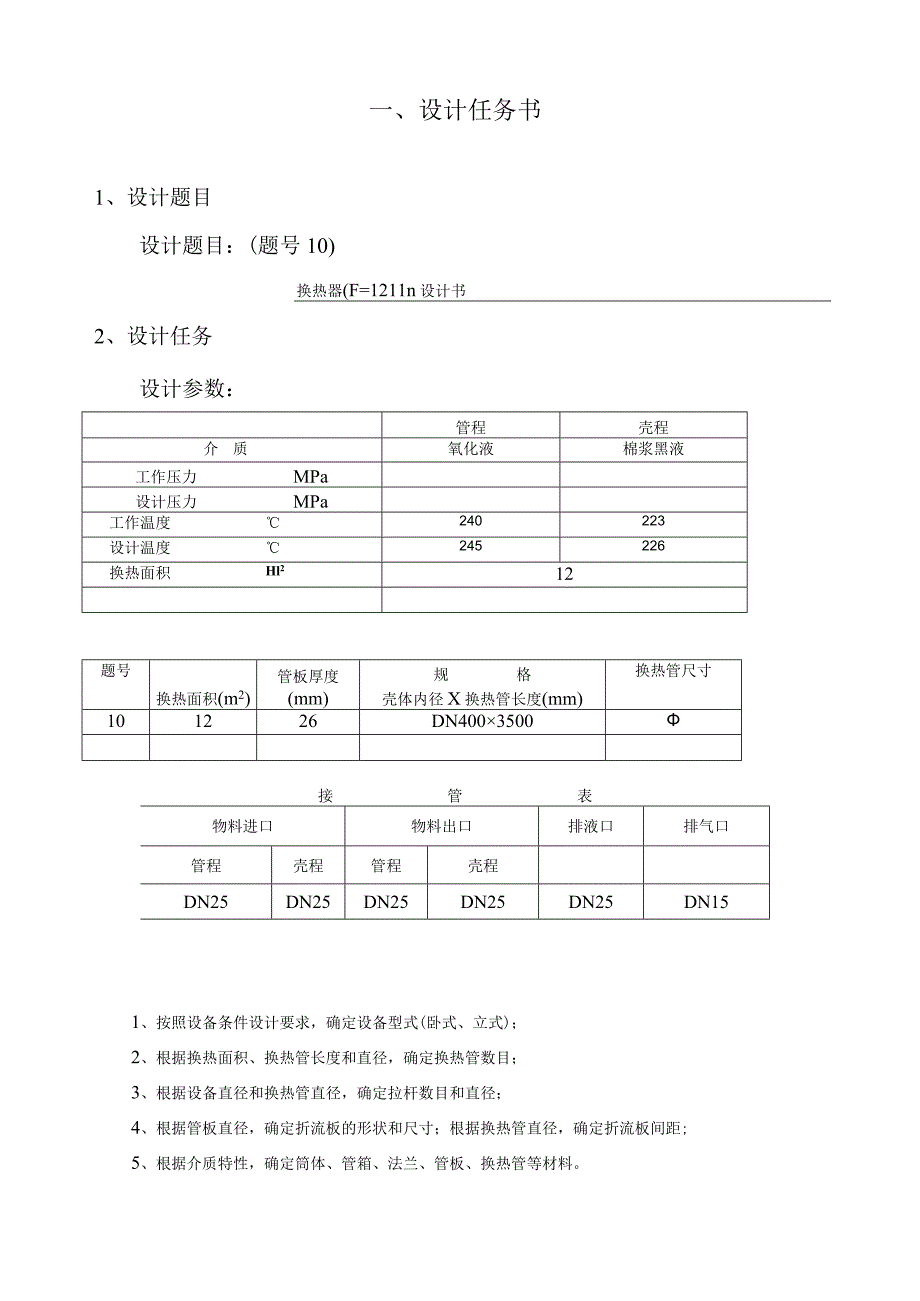
1、2多化工设备设计根底课程设计计算说明书学生姓名:学号:所在学院:生物与制药工程学院专业:制药工程设计题目:换热器2013年6月30日一 .设计任务书2二 .设计参数与结构简图4三 .设备的总体及结构设计5四 .强度计算9五 .设计小结15六 .参考文献15一、设计任务书1、设计题目设计题目:(题号10)换热器(F=1211n设计书2、设计任务设计参数:管程壳程介质氧化液棉浆黑液工作压力MPa设计压力MPa工作温度240223设计温度245226换热面积Hl212题号换热面积(m2)管板厚度(mm)规格壳体内径X换热管长度(mm)换热管尺寸101226DN4003500接管表物料进口物料出口排液

2、口排气口管程壳程管程壳程DN25DN25DN25DN25DN25DN151、按照设备条件设计要求,确定设备型式(卧式、立式);2、根据换热面积、换热管长度和直径,确定换热管数目;3、根据设备直径和换热管直径,确定拉杆数目和直径;4、根据管板直径,确定折流板的形状和尺寸;根据换热管直径,确定折流板间距;5、根据介质特性,确定筒体、管箱、法兰、管板、换热管等材料。2.2设备的机械强度设计计算1、筒体的强度计算;2、封头的强度计算;3、开孔补强计算;按等面积补强法进行计算。补强圈或加强管补强也尽可能采用标准件。4、法兰的选型或设计;根据公称直径、公称压力确定标准设备法兰,同样根据公称直径、公称压力选

3、用管道法兰标准(HG),确定法兰尺寸。5、支座的选型或设计:根据设备重量、直径等确定支座数量及大小。(1)完成换热设备的装配图设计,包括主视图、局部放大图、焊缝节点图、管口方位图等。(2)编写技术要求、技术特性表、管口表、明细表和标题栏。3、参考资料:M.北京:化学工业出版社,2003.2全国化工设备技术中心站.化工设备图样技术要求2000版S.3.钢制压力容器S.4郑晓梅.化工工程制图化工制图M.北京:化学工业出版社,2002.5GB151-1999管壳式换热器S.4、文献查阅要求设计说明书中公式、内容等应明确文献出处;装配图上应写明引用标准号。5、设计成果1、提交设计说明书一份。2、提交换

4、热器装配图一张(Al)。二.设计参数本课程设计的设计参数管程壳程介质氧化液棉浆黑液工作压力MPa设计压力MPa工作温度240223设计温度245226换热面积mz12三.设备的总体设计及结构设计1、换热器的总体设计按照设备条件设计要求,并根据压差、温差等因素,确定换热器的型式为:U型管,程数:2(1)根据换热面积、换热管长度和直径,确定换热管数目叱换热面积F=ndj,式中:4)-换热管外径;1.-换热管长度(扣除伸入管板内长度),对U形管,不包括弯管段面积;小一换热管数目Fn=TrdoL取n为44根(2)根据设备直径和换热管直径,确定拉杆数目和直径。拉杆的数量与筒体直径及拉杆直径有关,根据GB

5、151表拉杆直径(mm)换热管外径1014192532384557拉杆直杆1012121616161616表拉杆数量公称直径DNmm.拉杆直径nb4002400-7002700900900-130021300-150021500180021800-300W600600-900900W1200120015001500折流板最小厚度700V900568101216900-1500-20001012162020取折流板管厚度尺寸为12;间距为1600mmo(4)根据介质特性,确定筒体、管箱、法兰、管板、换热管等材料。选取筒体,管板,壳程接管,换热管材料OCrI8NiIOTi;设备法兰材料09MnNi

6、D耳座:Q235B-0Crl8Ni9设备法兰的材料查询化工设备机械根底p291表10-11(5)压力容器类别的划分压力容器类别的划分按压力容器平安技术监察规程,本设计换热器为高压换热设备,介质中毒危害介质,故划分为三类压力容器。四、强度计算1、换热器壳程筒体强度计算2、(1)、换热器壳程筒体壁厚计算圆筒体壁厚计算按照GB150-1998钢制压力容器式5-1计算壁厚:6=X62(4-1)2-Pc式中6:筒体的理论计算壁厚,mmpc:筒体的计算压力,MPaDi:筒体内径,mmz:钢板在设计温度下的许用应力,MPa焊接接头系数;名义厚度:=-0.5pf=14mmCi=mmC2=2mm代入数据到式(4

7、-2)得:名义厚度:=J+C+=lmm按标准椭圆封头最小厚度3min0.15%Di要求取,二mm3、开孔补强计算开孔补强结构选用JB/T4736-2002补强圈结构,焊接坡口尺寸选化工设备机械根底第十四章第二节p375C型。开孔补强计算采用等面积补强法a开孔补强计算:公称压力6.4MPa,公称直径50mm,标准号为HG20594-95接管。32材料:a.开孔所需补强面积;A=dS+2bet(l-)(4-4)式中A:强度削弱系数d:开孔直径mm:塔体的计算壁厚mmet:接管的有效厚度mmd=di2Ct=25+2(1+0)=27mmet=(ynt-Ct=3.5-1=2.5mm筒体材料:OCrI8N

8、il0Tit=90MPa接管材料:OCrI8NilOTitt=90MPa心代入式(4-4)A=J+2yet(l-f)=27=24.894mm2b.有效补强范围内的补强面积:有效补强范围有效宽度:B=2d+2n+2tn=66mm外伸高度:hi=ydnt=IOmm内伸高度:h2=0mm壳体多余截面积Al=(B-d)(r)-2et(e-)(l-fr)(4-5)代入式(4-5)l=62mm2接管多余截面积PaA2=2h1(yet-t)fr+2(et-C2)fr(4-6)0.1x502l-pe2137l-0.1式中di:接管内直径mmdi=25mm代入式(4-6A2=2h1(A满足不另行补强条件,所以不

9、需补强。其它开孔直径比人孔直径要小,故不需再进行开孔计算(如计算结果需要补强,还需对其他接管进行补强计算)4.设备法兰的型式及尺寸选用,管法兰等零部件选型。a.工艺接管物料进口物料出口排液口排气口管程壳程管程壳程DN25DN25DN25DN25DN15DN25b.压力容器法兰和接管法兰压力容器法兰的选取按照化工设备机械根底选JB/T470047072000标准。(按照化工设备机械根底(p263)写出选取过程)容器法兰选取结果如下表:设备法兰MFM400-6.4JB/T4703-2000材料09MnNiD管法兰选取结果汇总:管程进料管法兰HG20592法兰WN25-材料15CrMoR管程出料管法兰HG20592法兰WN25-材料15CrMoR壳程进料管法兰HG20592法兰WN25-材料15CrMoR壳程出料管法兰HG20592法兰WN25-材料15CrMoR排液口管法兰HG20592法兰WN25-材料15CrMOR排气口管法兰HG2

展开阅读全文
相关资源
猜你喜欢
相关搜索

当前位置:首页 > 办公文档 > 课程设计

copyright@ 2008-2023 1wenmi网站版权所有

经营许可证编号:宁ICP备2022001189号-1

本站为文档C2C交易模式,即用户上传的文档直接被用户下载,本站只是中间服务平台,本站所有文档下载所得的收益归上传人(含作者)所有。第壹文秘仅提供信息存储空间,仅对用户上传内容的表现方式做保护处理,对上载内容本身不做任何修改或编辑。若文档所含内容侵犯了您的版权或隐私,请立即通知第壹文秘网,我们立即给予删除!