144-外墙螺杆处理技术交底.docx

上传人:p** 文档编号:745811 上传时间:2024-02-26 格式:DOCX 页数:4 大小:39.96KB
下载 相关 举报
144-外墙螺杆处理技术交底.docx_第1页
第1页 / 共4页
144-外墙螺杆处理技术交底.docx_第2页
第2页 / 共4页
144-外墙螺杆处理技术交底.docx_第3页
第3页 / 共4页
144-外墙螺杆处理技术交底.docx_第4页
第4页 / 共4页
亲,该文档总共4页,全部预览完了,如果喜欢就下载吧!
资源描述

《144-外墙螺杆处理技术交底.docx》由会员分享,可在线阅读,更多相关《144-外墙螺杆处理技术交底.docx(4页珍藏版)》请在第壹文秘上搜索。

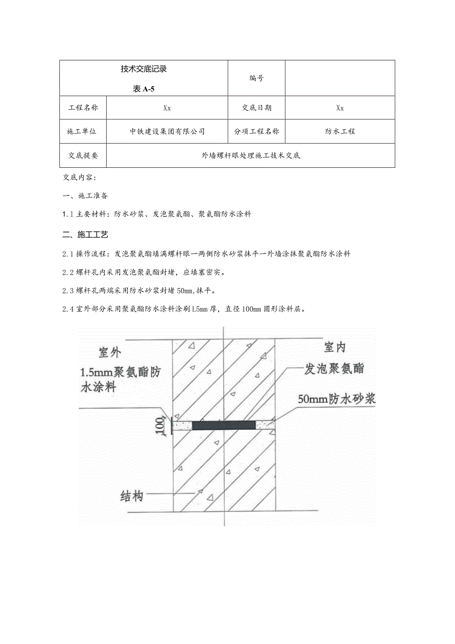
技术交底记录表A-5编号工程名称Xx交底日期Xx施工单位中铁建设集团有限公司分项工程名称防水工程交底提要外墙螺杆眼处理施工技术交底交底内容:一、施工准备1.l主要材料:防水砂浆、发泡聚氨酯、聚氨酯防水涂料二、施工工艺2.1操作流程:发泡聚氨酯填满螺杆眼一两侧防水砂浆抹平一外墙涂抹聚氨酯防水涂料2.2螺杆孔内采用发泡聚氨酯封堵,应填塞密实。2.3螺杆孔两端采用防水砂浆封堵50mm,抹平。2.4室外部分采用聚氨酯防水涂料涂刷L5mm厚,直径100mm圆形涂料层。审核人交底人接受交底人技术交底记录表A-5编号工程名称Xx交底口期Xx施工单位中铁建设集团有限公司分项工程名称防水工程交底提要外墙螺杆眼处理施工技术交底交底内容:螺栓孔外侧刷聚氨酯应用效果交底审核人交底人土建工程师质检员交底时间作业队接受交底人班组长质检员接受交底时间操作人员签字:接受交审核人总工交底人技术员接慧施工队

展开阅读全文
相关资源
猜你喜欢
相关搜索

当前位置:首页 > 建筑/环境 > 施工组织

copyright@ 2008-2023 1wenmi网站版权所有

经营许可证编号:宁ICP备2022001189号-1

本站为文档C2C交易模式,即用户上传的文档直接被用户下载,本站只是中间服务平台,本站所有文档下载所得的收益归上传人(含作者)所有。第壹文秘仅提供信息存储空间,仅对用户上传内容的表现方式做保护处理,对上载内容本身不做任何修改或编辑。若文档所含内容侵犯了您的版权或隐私,请立即通知第壹文秘网,我们立即给予删除!